电学考题归类
1. 考查电路的特点
例1 下列说法中正确的是( )
A. 电流是带电粒子的运动 B. 电路中有电流,一定有电源
C. 电路中有电源,一定有电流 D. 电源是消耗电能的装置
【解析】电流是由带电粒子的定向移动形成的,如果带电粒子杂乱无章地运动,就不能形成电流,故选项A错误;电源是电流形成的必要条件,不是惟一条件,电路中要有电流,必须具备两个条件:一是要有电源,二是电路闭合,故选项C错误,B正确;电源的作用是在电路中提供电能,而不是消耗电能,消耗电能的是用电器。故选B。
2. 考查串联和并联电路
例2 关于图1所示电路的说法中,正确的是( )
A. 若都闭合时,则并联
B. 若都闭合时,则串联
C. 若断开,都闭合时,则串联
D. 若断开,都闭合时,则并联
图1
【解析】由图中可以看出不能同时闭合,那样会造成电源短路而烧坏电源,所以选项A、B均是错误的;当断开,闭合时,电路中只有接入电路,被短路,所以选项C错误;只有断开,闭合时,电流分为两路,一路流过,另一路流过中的电流汇合再经过回到电源的负极,从而构成并联电路。故正确答案是D。
说明:本题考查的知识点是识别串、并联电路,考查通过开关的闭合与断开对电路中用电器连接所产生的影响。解答此类题的关键是正确地画出等效电路图,辨析出电路的连接情况。解题出错的原因是对电路不会等效简化,分不清电路的连接方式。
3. 考查电表的正确使用
例3 如图2所示,开关S闭合后,小灯泡均正常工作,则下列说法中正确的是( )
A. 甲、乙都是电压表 B. 甲、乙都是电流表
C. 甲是电流表,乙是电压表 D. 甲是电压表,乙是电流表
图2
【解析】开关S闭合后,小灯泡均正常工作,说明小灯泡的连接方式可能是串联,也可能是并联。但的右端和的右端直接连在电源的正极上,因此,若串联,则导线就会将和乙短路,故只能并联,不可能是串联。的左端应连接在一起,故甲为电流表,因为若甲为电压表,则由于电压表视为开路,左端无法正常接入电源的负极,无法正常发光。由于乙表左端接在电源正极上,右端通过甲表接电源负极,则乙表应为电压表。故选C。
说明:熟悉电流表和电压表的正确使用是解决此类问题的关键。切记:电流表相当于一根导线,只能与被测用电器串联;电压表相当于断开的开关,接入电路与不接入电路对电路没有影响。
4. 考查电路故障的分析
例4 如图3所示,闭合开关,两灯都不亮,电流表指针几乎未动,而电压表指针有明显偏转,则该电路的故障可能是( )
A. 电流表坏了或未接好 B. 从a经L1到b的电路中有断路
C. L2灯丝烧断或灯座未接好 D. 电压表和L1、L2都坏了
图3
【解析】若电流表坏了或未接好和L2灯丝断了或灯座未接好,则整个电路断路,此时两灯都不亮,电压表也断开,指针应在0,这与题意矛盾,故选项A、C均错误。若电压表和L1、L2都坏了,则电压表处于断开状态,因此指针不会偏转,故选项D也是错误的。若从a经L1到b的电路中有断路,则a-V-b这一支路与电流表和灯L2串联在电源两端,由于电压表内阻很大,所以几乎没有电流,电流表指针几乎不动,此时电压表相当于直接并联在电源两端,因此指针有明显偏转,且示数等于电源电压,故选项B正确。
说明:在分析有电压表和电流表的电路故障时,首先要识别电路类型,同时要抓住两个电表的使用规则和各自的特点进行综合分析。
5. 考查影响电阻大小的因素
例5 在做“研究导体的电阻跟哪些因素有关”的实验时,为了便于研究而采用控制变量法,即每次须挑选两根合适的导线,分别测出它们的电阻,然后进行比较,最后得出结论(数据见下表)
(1)为了研究导体的电阻与长度的关系,应选用导线C和___________(填写代号);
(2)为了研究电阻与导体材料的关系,应选用___________两根导线进行实验;
(3)如果选用A和D两根导线进行实验,则是为了研究导线的电阻与___________的关系。
【解析】导体的电阻与导体的长度、材料、横截面积、温度有关。(1)要研究导体的长度与电阻的关系,则要控制材料、横截面积相同,长度不同。从表中可以选出镍铬丝,因为题中已给出C,所以只能选F;(2)要研究电阻与导体材料的关系,要控制长度、横截面积相同,材料不同。根据表中所给数据,选择长为0.5m,横截面积为1.2mm2的镍铬丝和铝,即F和G;(3)A和D的长度均是1.0m,材料都是铁,但A的横截面积为3.0mm2,D的横截面积为0.8mm2,即长度、材料相同,横截面积不同,因此这是为了研究导体的电阻与横截面积的关系。
答案:(1)F (2)F、G (3)横截面积
说明:在分析从某两组数据中可得出什么结论时,必须观察这两组数据中哪些量是相同的,哪些量是不同的,相同的量就是实验中要控制的相同条件,不同的量就是要研究的关系。这种由控制变量法得到的实验数据并总结出实验结论(物理规律)时,关键是要理解控制变量法研究问题的思想方法。
6. 考查滑动变阻器的连接和应用
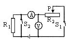
例6 如图4所示,电源两端的电压一定,开关S1闭合,S2断开,如果使电压表和电流表的示数均增大,则下列操作中一定可行的是( )
A. 滑动变阻器的滑片P向右移
B. 滑动变阻器的滑片P向左移
C. 滑动变阻器的滑片P不动,闭合开关S2
D. 滑动变阻器的滑片P不动,断开S1
图4
【解析】当S1闭合,S2断开时,电路中R1与R2串联,电压表V测R2两端电压,要使两表的示数都变大,对照四个选项分析:选项A中滑片P向右移动时,R2变大,电流变小,故选项A错误;选项B中滑片P向左移动时,R2变小,电流变大,R1两端电压也变大,那么R2两端电压变小,故选项B错误;选项C中滑片P不动,闭合开关S2,电阻R1被短路,电路中电阻变小,故电流变大,R2两端电压即为电源电压,电压表V的示数变大,故选项C正确;选项D中断开开关S1,电路断开,电流表A示数为0,故选项D错误。故选C。
说明:解答类似题目,首先必须分析电路的连接情况,然后由滑片的移动,判断电阻的变化,进而分析电流的变化、部分导体两端电压的变化。
7. 考查电流跟电压、电阻的关系
例7 阅读短文,并回答短文后的问题
在“探究电流与电压、电阻的关系”的过程中,一些同学作出了以下猜想:
猜想A:加在电阻两端的电压越大,通过的电流越小;
猜想B:加在电阻两端的电压越大,通过的电流越大;
猜想C:加在电阻两端的电压增大,通过的电流不变。
为了验证上述猜想是否正确,小明用定值电阻和一个电压恒定的电源及有关的实验器材,设计了电路,并按实验要求分别测出有关的物理量。
(1)为了完成该实验,需要的测量仪表是____________、____________。
(2)请你画出能验证上述猜想的实验电路图。
(3)下表是小明在实验中测出的数据,R为定值电阻,阻值分别为20Ω、10Ω和5Ω,U是电阻R两端的电压,I是通过电阻R的电流。通过分析比较实验序号____________的数据,可知猜想____________是正确的(填“A”、“B”或“C”)。
(4)通过分析比较以上数据,你还发现了________________________。
【解析】(1)在实验中,控制电阻R不变,改变导体两端的电压,记录每次通过导体的电流;或控制导体两端的电压不变,改变导体的电阻,记录每次通过导体的电流。题目中已给定了定值电阻和一个电压恒定的电源及有关的实验器材,还需要电压表和电流表。
(2)在电路连接中要通过改变滑动变阻器连入电路中的阻值,来改变电路中的电流和改变导体两端的电压。利用上述器材可画出如图5所示的电路图。
(3)猜想中是控制导体的电阻不变,探究通过导体中的电流跟加在导体两端的电压的关系。分析表中的序号1、2、3(或4、5、6或7、8、9)数据可知:在电阻一定的情况下,导体中的电流跟导体两端的电压成正比。即加在电阻两端的电压越大,通过的电流也越大。由此可知,猜想B是正确的。
(4)分析表中序号1、4、7(或2、5、8或3、6、9)的数据可知:在电压不变的情况下,导体中的电流跟导体的电阻成反比,即电压相同时,电阻越大,电流越小。
答案:(1)电流表 电压表 (2)如图5所示 (3)1、2、3或4、5、6或7、8、9 B (4)电压相同时,电阻越大,电流越小。
图5电学考题归类
1. 考查电路的特点
例1 下列说法中正确的是( )
A. 电流是带电粒子的运动 B. 电路中有电流,一定有电源
C. 电路中有电源,一定有电流 D. 电源是消耗电能的装置
【解析】电流是由带电粒子的定向移动形成的,如果带电粒子杂乱无章地运动,就不能形成电流,故选项A错误;电源是电流形成的必要条件,不是惟一条件,电路中要有电流,必须具备两个条件:一是要有电源,二是电路闭合,故选项C错误,B正确;电源的作用是在电路中提供电能,而不是消耗电能,消耗电能的是用电器。故选B。
2. 考查串联和并联电路
例2 关于图1所示电路的说法中,正确的是( )
A. 若都闭合时,则并联
B. 若都闭合时,则串联
C. 若断开,都闭合时,则串联
D. 若断开,都闭合时,则并联
图1

【解析】由图中可以看出不能同时闭合,那样会造成电源短路而烧坏电源,所以选项A、B均是错误的;当断开,闭合时,电路中只有接入电路,被短路,所以选项C错误;只有断开,闭合时,电流分为两路,一路流过,另一路流过中的电流汇合再经过回到电源的负极,从而构成并联电路。故正确答案是D。
说明:本题考查的知识点是识别串、并联电路,考查通过开关的闭合与断开对电路中用电器连接所产生的影响。解答此类题的关键是正确地画出等效电路图,辨析出电路的连接情况。解题出错的原因是对电路不会等效简化,分不清电路的连接方式。
3. 考查电表的正确使用
例3 如图2所示,开关S闭合后,小灯泡均正常工作,则下列说法中正确的是( )
A. 甲、乙都是电压表 B. 甲、乙都是电流表
C. 甲是电流表,乙是电压表 D. 甲是电压表,乙是电流表
图2

【解析】开关S闭合后,小灯泡均正常工作,说明小灯泡的连接方式可能是串联,也可能是并联。但的右端和的右端直接连在电源的正极上,因此,若串联,则导线就会将和乙短路,故只能并联,不可能是串联。的左端应连接在一起,故甲为电流表,因为若甲为电压表,则由于电压表视为开路,左端无法正常接入电源的负极,无法正常发光。由于乙表左端接在电源正极上,右端通过甲表接电源负极,则乙表应为电压表。故选C。
说明:熟悉电流表和电压表的正确使用是解决此类问题的关键。切记:电流表相当于一根导线,只能与被测用电器串联;电压表相当于断开的开关,接入电路与不接入电路对电路没有影响。
4. 考查电路故障的分析
例4 如图3所示,闭合开关,两灯都不亮,电流表指针几乎未动,而电压表指针有明显偏转,则该电路的故障可能是( )
A. 电流表坏了或未接好 B. 从a经L1到b的电路中有断路
C. L2灯丝烧断或灯座未接好 D. 电压表和L1、L2都坏了
图3

【解析】若电流表坏了或未接好和L2灯丝断了或灯座未接好,则整个电路断路,此时两灯都不亮,电压表也断开,指针应在0,这与题意矛盾,故选项A、C均错误。若电压表和L1、L2都坏了,则电压表处于断开状态,因此指针不会偏转,故选项D也是错误的。若从a经L1到b的电路中有断路,则a-V-b这一支路与电流表和灯L2串联在电源两端,由于电压表内阻很大,所以几乎没有电流,电流表指针几乎不动,此时电压表相当于直接并联在电源两端,因此指针有明显偏转,且示数等于电源电压,故选项B正确。
说明:在分析有电压表和电流表的电路故障时,首先要识别电路类型,同时要抓住两个电表的使用规则和各自的特点进行综合分析。
5. 考查影响电阻大小的因素
例5 在做“研究导体的电阻跟哪些因素有关”的实验时,为了便于研究而采用控制变量法,即每次须挑选两根合适的导线,分别测出它们的电阻,然后进行比较,最后得出结论(数据见下表)

(1)为了研究导体的电阻与长度的关系,应选用导线C和___________(填写代号);
(2)为了研究电阻与导体材料的关系,应选用___________两根导线进行实验;
(3)如果选用A和D两根导线进行实验,则是为了研究导线的电阻与___________的关系。
【解析】导体的电阻与导体的长度、材料、横截面积、温度有关。(1)要研究导体的长度与电阻的关系,则要控制材料、横截面积相同,长度不同。从表中可以选出镍铬丝,因为题中已给出C,所以只能选F;(2)要研究电阻与导体材料的关系,要控制长度、横截面积相同,材料不同。根据表中所给数据,选择长为0.5m,横截面积为1.2mm2的镍铬丝和铝,即F和G;(3)A和D的长度均是1.0m,材料都是铁,但A的横截面积为3.0mm2,D的横截面积为0.8mm2,即长度、材料相同,横截面积不同,因此这是为了研究导体的电阻与横截面积的关系。
答案:(1)F (2)F、G (3)横截面积
说明:在分析从某两组数据中可得出什么结论时,必须观察这两组数据中哪些量是相同的,哪些量是不同的,相同的量就是实验中要控制的相同条件,不同的量就是要研究的关系。这种由控制变量法得到的实验数据并总结出实验结论(物理规律)时,关键是要理解控制变量法研究问题的思想方法。
6. 考查滑动变阻器的连接和应用
例6 如图4所示,电源两端的电压一定,开关S1闭合,S2断开,如果使电压表和电流表的示数均增大,则下列操作中一定可行的是( )
A. 滑动变阻器的滑片P向右移
B. 滑动变阻器的滑片P向左移
C. 滑动变阻器的滑片P不动,闭合开关S2
D. 滑动变阻器的滑片P不动,断开S1
图4

【解析】当S1闭合,S2断开时,电路中R1与R2串联,电压表V测R2两端电压,要使两表的示数都变大,对照四个选项分析:选项A中滑片P向右移动时,R2变大,电流变小,故选项A错误;选项B中滑片P向左移动时,R2变小,电流变大,R1两端电压也变大,那么R2两端电压变小,故选项B错误;选项C中滑片P不动,闭合开关S2,电阻R1被短路,电路中电阻变小,故电流变大,R2两端电压即为电源电压,电压表V的示数变大,故选项C正确;选项D中断开开关S1,电路断开,电流表A示数为0,故选项D错误。故选C。
说明:解答类似题目,首先必须分析电路的连接情况,然后由滑片的移动,判断电阻的变化,进而分析电流的变化、部分导体两端电压的变化。
7. 考查电流跟电压、电阻的关系
例7 阅读短文,并回答短文后的问题
在“探究电流与电压、电阻的关系”的过程中,一些同学作出了以下猜想:
猜想A:加在电阻两端的电压越大,通过的电流越小;
猜想B:加在电阻两端的电压越大,通过的电流越大;
猜想C:加在电阻两端的电压增大,通过的电流不变。
为了验证上述猜想是否正确,小明用定值电阻和一个电压恒定的电源及有关的实验器材,设计了电路,并按实验要求分别测出有关的物理量。
(1)为了完成该实验,需要的测量仪表是____________、____________。
(2)请你画出能验证上述猜想的实验电路图。
(3)下表是小明在实验中测出的数据,R为定值电阻,阻值分别为20Ω、10Ω和5Ω,U是电阻R两端的电压,I是通过电阻R的电流。通过分析比较实验序号____________的数据,可知猜想____________是正确的(填“A”、“B”或“C”)。

(4)通过分析比较以上数据,你还发现了________________________。
【解析】(1)在实验中,控制电阻R不变,改变导体两端的电压,记录每次通过导体的电流;或控制导体两端的电压不变,改变导体的电阻,记录每次通过导体的电流。题目中已给定了定值电阻和一个电压恒定的电源及有关的实验器材,还需要电压表和电流表。
(2)在电路连接中要通过改变滑动变阻器连入电路中的阻值,来改变电路中的电流和改变导体两端的电压。利用上述器材可画出如图5所示的电路图。
(3)猜想中是控制导体的电阻不变,探究通过导体中的电流跟加在导体两端的电压的关系。分析表中的序号1、2、3(或4、5、6或7、8、9)数据可知:在电阻一定的情况下,导体中的电流跟导体两端的电压成正比。即加在电阻两端的电压越大,通过的电流也越大。由此可知,猜想B是正确的。
(4)分析表中序号1、4、7(或2、5、8或3、6、9)的数据可知:在电压不变的情况下,导体中的电流跟导体的电阻成反比,即电压相同时,电阻越大,电流越小。
答案:(1)电流表 电压表 (2)如图5所示 (3)1、2、3或4、5、6或7、8、9 B (4)电压相同时,电阻越大,电流越小。
图5

说明:“探究电流与电压、电阻的关系”的实验是研究欧姆定律的基本实验。在实验方法上采用的是控制变量法。第一步是控制电阻不变,研究电流与电阻的关系;第二步是控制电压不变,研究电流与电阻的关系。该类题是历年中考的热点,平时复习时应多加强训练。
说明:“探究电流与电压、电阻的关系”的实验是研究欧姆定律的基本实验。在实验方法上采用的是控制变量法。第一步是控制电阻不变,研究电流与电阻的关系;第二步是控制电压不变,研究电流与电阻的关系。该类题是历年中考的热点,平时复习时应多加强训练。
图5
说明:“探究电流与电压、电阻的关系”的实验是研究欧姆定律的基本实验。在实验方法上采用的是控制变量法。第一步是控制电阻不变,研究电流与电阻的关系;第二步是控制电压不变,研究电流与电阻的关系。该类题是历年中考的热点,平时复习时应多加强训练。

版权声明:本文内容由互联网用户自发贡献,该文观点仅代表作者本人。本站仅提供信息存储空间服务,不拥有所有权,不承担相关法律责任。如发现本站有涉嫌侵权/违法违规的内容,请联系我们,一经查实,本站将立刻删除。
如需转载请保留出处:https://51itzy.com/kjqy/69918.html