时序电路——DFF再理解
之前对DFF的理解有些模糊,直到有次在实践中遇到了一些问题,含糊其词的也不能解决问题,于是乎就把DFF理解透彻透彻,毕竟这可是时序电路的基本概念。
不正确的理解
之前理解的,DFF在时钟的上升沿进行对D端的数据采集,再下一个时钟的上升沿来临,Q端输出D端采集的数据。
能这么理解,是离开书本时间太长了,又观察到了Modelsim仿真波形的影响,这么理解只是在描述仿真波形的表征现象,并非根本的原理;
比如,在Modelsim仿真中,若通过DFF将数据组进行延时,用时钟将寄存器进行多个时钟周期的同步,并带有异步复位,对应Verilog描述如下:
reg [7:0] data_d0, data_d1, data_d2; always @ ( posedge clk or negedge rst_n ) begin if ( !rst_n ) begin data_d0 <= 8'b0; data_d1 <= 8'b0; end else begin data_d0 <= data_in; data_d1 <= data_d0; end end
讯享网
对应仿真波形如下:

此时,时钟上升沿和数据的变化沿都是对齐的,就产生了不正确的理解;
通过Modelsim的wave窗口查看仿真波形的时候,如果将光标打到时钟的上升沿时候(比如心在光标在Event 1时刻),对应的数据data_in应该是从8‘h00->8‘h0’1,可是光标处data_in的数值显示为8’h01。
这样,我就理解成了在Even1时刻,时钟的上升沿对data_in(值为8’h01)进行捕获(接入到寄存器data_d0的D端),在下一个时钟的上升沿到来的时刻(Event2时刻),寄存器data_d0的Q端数据发生改变(值为8’h01)。
上述理解完全是根据波形描述出来的,是不全面的,是非本源的,是错误的。
正确的理解
思路:正确的理解应该从DFF本身出发,通过DFF的电路原理图分析DFF的电路工作原理,了解时钟上升沿之前和内部逻辑如何变化,如何影响了从D端到Q端的数据输出。
D锁存器
在网上找到的很多电路图讲的都是D锁存器,D锁存器的电路为消除逻辑门控SR触发器不确定状态,在电路的S和R输入端连接一个非门(Inverter),从而保证了S和R同时为0的条件,参考下图由与非门构成的D锁存器电路图:

如果D信号在E=1期间发生变化,电路提供的信号路径将使Q端信号跟随D端变化。
在E由1跳变为0以后,锁存器将锁存跳变前瞬间D端的逻辑值,可以暂存1位二进制数据。
此D锁存器的功能表为:
| E | D | Q | Q非 | 功能 |
|---|---|---|---|---|
| 0 | x | 不变 | 不变 | 保持 |
| 1 | 0 | 0 | 1 | 置0 |
| 1 | 1 | 1 | 0 | 置1 |
又因为有Inverter的存在,SR锁存器不会存在S&R==1的状态,所以就有了D锁存器的捕获数据,E为0的时候会一直维持数据状态。
D触发器
触发和触发器——时钟脉冲边沿作用下的状态刷新称为触发,具有这种特性的存储单元电路称为触发器。
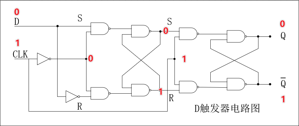
D触发器的电路图如下(图中的SR为了标注有两级SR锁存器,方便逻辑推理):

以上升沿触发为例,进一步分析D触发器在上升沿捕获数据,并维持锁存的过程。
当D端为0,CLK为0时,此时第一级的D锁存器输出为0,第二级SR锁存器处于保持状态,详情参考下图:

若继续保持D端为0,CLK变为1时,第一级D锁存器处于保持状态,第二级的SR锁存器将上一次的D值传递到Q端输出,详情参考下图:


若在D端数值发生改变为1,且CLK仍然为1,第一级的D锁存器仍处于保持状态,不会由于D端的变化而改变,更不会影响最后Q端的输出。

若D端继续保持为1,CLK转换为0,此时第一级D锁存器的输出为D端的数据,Q端输出仍为保持状态;

若D端数据继续保持为1,CLK转换为高,第一级D锁存器的结果就会输出到Q端,Q端的值也就随着CLK的上升沿,捕获到了1,并进行输出到Q端;
从逻辑图中,也可以看出DFF的数据捕获和输出都需要满足一定的时间约束。比如:
- 时钟上升沿之前前后的数据要做够稳定,否则在时钟跳变时刻,可能无法将其传递到Q端进行输出;
- 时钟上升沿捕获数据之后,到Q端输出也需要一定的时间,稳定之后才能用于下一级工作;
这就牵扯出来时序的理解,挖个坑,下次再分析。
这时候的理解
DFF捕获时钟上升沿的D端数据,并在Q端输出,一直维持到下一时钟上升沿到来之前。在此期间,D端的数据变化不会直接影响到Q端的输出。
Modelsim仿真
接下来,将tb文件中的data_in输入做5个单位的传输延时,仿真结果见下图:

可以看出,在时钟的上升沿前后数据是不发生变化的,对于寄存器做延时的时序理解为:
Event 1时刻:
- 在Event 1时刻,时钟上升沿之前data_in(值为8’h00),data_d0的D端为data_in(值为8’h00);
- 在Event 1时刻,时钟上升沿之后data_in(值为8’h00),data_d0的Q端为data_in(值为8’h00);所以在Event 1时刻,data_d0的Q端保持为8’h00不变;
Event 2时刻:
- 在Event 2时刻,时钟上升沿之后data_in(值为8’h01),data_d0的D端为data_in(值为8’h01);
- 在Event 2时刻,时钟上升沿之后data_in(值为8’h01),data_d0的D端为data_in(值为8’h01);所以在Event 2时刻,data_d0的Q端从8’h00变为8’h01;
Event 3时刻:
- 在Event 3时刻,时钟上升沿之后data_in(值为8’h02),data_d0的D端为data_in(值为8’h02);
- 在Event 3时刻,时钟上升沿之后data_in(值为8’h02),data_d0的D端为data_in(值为8’h02);所以在Even 3时刻,data_d0的Q端从8’h01变为8’h02;
可以看出在Event 1到Event 2一个时钟周期内,data_d0的数值保持为8’h00;Event 1到Event 2一个时钟周期内,data_d0的数值保持为8’h01;在时序上就表明了使用data_d0寄存器,通过clk对data_in进行了1个时钟周期的延时;
可以看出,Modelsim仿真中,若数据的变化沿与时钟的上升沿对齐,cussor在时钟上升沿时刻,对应的数据需要往后加入延时,才能与实际电路情况相符合。
总结
DFF捕获时钟上升沿的D端数据,并在Q端输出,一直维持到下一时钟上升沿到来之前。在此期间,D端的数据变化不会直接影响到Q端的输出。
参考资料
D Flip Flop
The D-type Flip Flop
通过仿真和综合认识D触发器(Verilog HDL语言描述D触发器)
D型触发器仿真结果分析
D锁存器和D寄存器状态转换图
版权声明:本文内容由互联网用户自发贡献,该文观点仅代表作者本人。本站仅提供信息存储空间服务,不拥有所有权,不承担相关法律责任。如发现本站有涉嫌侵权/违法违规的内容,请联系我们,一经查实,本站将立刻删除。
如需转载请保留出处:https://51itzy.com/kjqy/53730.html