
讯享网
欢迎加入技术交流(2000人):电力电子技术与新能源
高可靠新能源行业顶尖自媒体
在这里有电力电子、新能源干货、行业发展趋势分析、最新产品介绍、众多技术达人与您分享经验,欢迎关注我们,搜索微信公众号:电力电子技术与新能源(Micro_Grid),与中国新能源行业共成长!

电力电子技术与新能源论坛
www.21micro-grid.com
小编推荐值得一看的书单
继电器
继电器是一种电子控制器件,它具有控制系统(又称输入回路)和被控制系统(又称输出回路),通常应用于自动控制电路中,它实际上是用较小的电流去控制较大电流的一种“自动开关”。故在电路中起着自动调节、安全保护、转换电路等作用。
继电器的继电特性
继电器的输入信号 x 从零连续增加达到衔铁开始吸合时的动作值 xx,继电器的输出信号立刻从 y=0 跳跃y=ym,即常开触点从断到通。一旦触点闭合,输入量 x 继续增大,输出信号 y 将不再起变化。当输入量 x 从某一大于 xx 值下降到xf,继电器开始释放,常开触点断开。我们把继电器的这种特性叫做继电特性,也叫继电器的输入-输出特性。
继电器(relay)的工作原理和特性

电磁继电器的工作原理和特性
电磁式继电器一般由铁芯、线圈、衔铁、触点簧片等组成的。只要在线圈两端加上一定的电压,线圈中就会流过一定的电流,从而产生电磁效应,衔铁就会在电磁力吸引的作用下克服返回弹簧的拉力吸向铁芯,从而带动衔铁的动触点与静触点(常开触点)吸合。当线圈断电后,电磁的吸力也随之消失,衔铁就会在弹簧的反作用力返回原来的位置,使动触点与原来的静触点(常闭触点)释放。
这样吸合、释放,从而达到了在电路中的导通、切断的目的。对于继电器的“常开、常闭”触点,可以这样来区分:继电器线圈未通电时处于断开状态的静触点,称为“常开触点”;处于接通状态的静触点称为“常闭触点”。
电路原理
继电器是一种当输入量变化到某一定值时,其触头(或电路)即接通 或分断交直流小容量控制回路。

由永久磁铁保持释放状态,加上工作电压后,电磁感应使衔铁与永久磁铁产生吸引和排斥力矩,产生向下的运动,最后达到吸合状态。
晶体管驱动驱动电路

当晶体管用来驱动继电器时,推荐用NPN三极管。具体电路如下:
- 当输入高电平时,晶体管T1饱和导通,继电器线圈通电,触点吸合
- 当输入低电平时,晶体管T1截止,继电器线圈断电,触点断开
电路中各元器件的作用:
- 晶体管T1为控制开关
- 电阻R1主要起限流作用,降低晶体管T1功耗
- 电阻R2使晶体管T1可靠截止
- 二极管D1反向续流,为三极管由导通转向关断时为继电器线圈中的提供泄放通路,并将其电压箝位在+12V上
集成电路驱动电路

目前已使用多个驱动晶体管集成的集成电路,使用这种集成电路能简化驱动多个继电器的印制板的设计过程。
当2003输入端为高电平时,对应的输出口输出低电平,继电器线圈两端通电,继电器触点吸合;当2003输入端为低电平时,对应的输出口呈高阻态,继电器线圈两端断电,继电器触点断开。

24V 继电器的驱动电路
继电器串联 RC 电路:这种形式主要应用于继电器的额定工作电压低于电源电压的电路中。当电路闭合时,继电器线圈由于自感现象会产生电动势阻碍线圈中电流的增大,从而延长了吸合时间,串联上 RC 电路后则可以缩短吸合时间。

原理是电路闭合的瞬间,电容 C 两端电压不能突变可视为短路,这样就将比继电器线圈额定工作电压高的电源电压加到线圈上, 从而加快了线圈中电流增大的速度,使继电器迅速吸合。电源稳定之后电容 C 不起作用,电阻 R 起限流作用。
继电器额定工作电压的选择
继电器额定工作电压是继电器最主要的一项技术参数。在使用继电器时,应该首先考虑所在电路(即继电器线圈所在的电路)的工作电压,继电器的额定工作电压应等于所在电路的工作电压。
一般所在电路的工作电压是继电器额定工作电压的0.86。注意所在电路的工件电压千万不能超过继电器额定工作电压,否则继电器线圈容易烧毁。
另外,有些集成电路,例如NE555电路是可以直接驱动继电器工作的,而有些集成电路,例如 COMS 电路输出电流小,需要加一级晶体管放大电路方可驱动继电器,这就应考虑晶体管输出电流应大于继电器的额定工作电流。
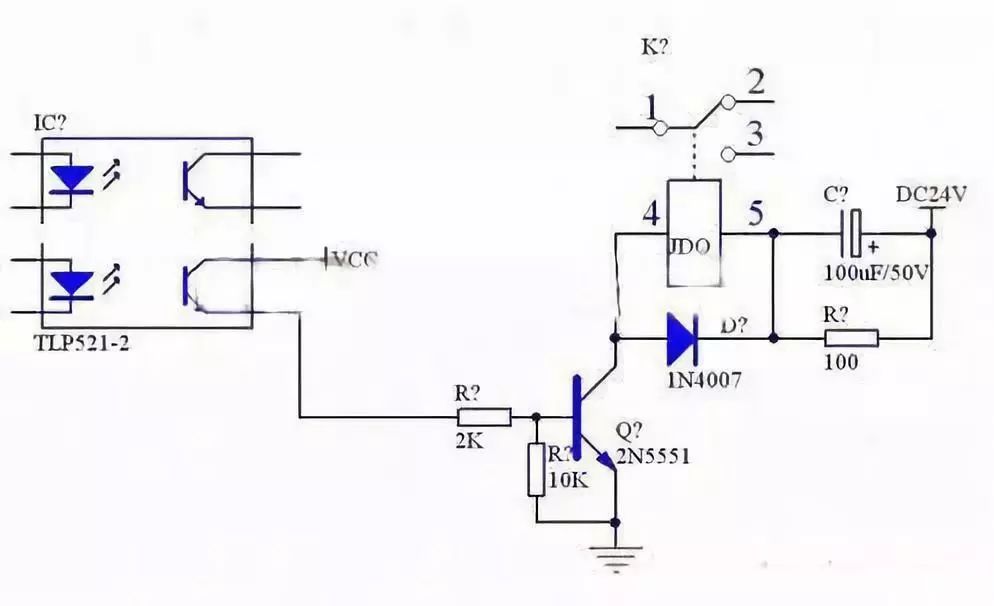
晶体管驱动电路
当晶体管用来驱动继电器时,必须将晶体管的发射极接地。具体电路如下:

原理简介
NPN 晶体管驱动时:当晶体管 T1 基极被输入高电平时,晶体管饱和导通,集电极变为低电平,因此继电器线圈通电,触点 RL1 吸合。当晶体管 T1 基极被输入低电平时,晶体管截止,继电器线圈断电,触点 RL1 断开。
说明:本文来源网络;文中观点仅供分享交流,不代表本公众号立场,转载请注明出处,如涉及版权等问题,请您告知,我们将及时处理。
- END -
合作请联系
微信号(号)
推荐阅读:点击标题阅读
太阳能微型逆变器
LLC的原理与应用
半桥LLC论述—0N
中兴电路基础培训
艾默生器件应力降额总规范
中兴设计规范与指南-PCB接地设计
原理图设计规范126条checklist
原理图设计规范checklist(2)
PCB设计Checklist
如何控制漏电流危害-光伏逆变器黑科技
多图拆机评测-打开机箱,看红色固德威“芯”
看完有收获?请分享给更多人
限于篇幅,已做删减,获取原文,加小编微信号(号),文章收集整理于网络,如有侵权,请联系小编删除
公告:
小编对电力电子技术与新能源及微电网的市场发展很看好,对其关键技术很感兴趣,如有技术问题,欢迎加小编微信号(号),共同讨论。另,本公众号也有微信群,需要邀请进群,如有需要,可加小编微信号,谢谢!
欢迎大家加入技术交流:电力电子技术与新能源
电力电子技术:光伏并网逆变器(PV建模,MPPT,并网控制,LCL滤波,孤岛效应),光伏离网,光伏储能,风电变流器(双馈、直驱),双向变流器PCS,新能源汽车,充电桩,车载电源,数字电源,双向DCDC(LLC,移相全桥,DAB),储能(锂电池、超级电容),低电压穿越(LVRT),高电压穿越,虚拟同步发电机,多智能体,电解水,燃料电池,能量管理系统(直流微网、交流微网)以及APF,SVG ,DVR,UPQC等谐波治理和无功补偿装置等。
PSCAD/MATLABsimulink/Saber/PSPICE/PSIM——软件仿真+DSP+(TI)TMS320F2812,F28335,F28377,(Microchip)dsPIC30F3011,FPGA,ARM,STM32F334——硬件实物。
欢迎技术人员加入,多多交流,共同进步!打广告可以,要么有创意,要么有红包,谢谢。。。。。
更多精彩点下方“阅读原文”!
快来“在看”一下吧!

版权声明:本文内容由互联网用户自发贡献,该文观点仅代表作者本人。本站仅提供信息存储空间服务,不拥有所有权,不承担相关法律责任。如发现本站有涉嫌侵权/违法违规的内容,请联系我们,一经查实,本站将立刻删除。
如需转载请保留出处:https://51itzy.com/kjqy/42041.html