(听说封面有plmm浏览量更多)
此部分先继承上一节,给出上一节的一些题。
题库:
1、半导体中载流子的基本运动有 扩散运动 和 漂移运动 两种。
2、在P型半导体中, 空穴 为多数载流子, 自由电子 为少数载流子。
3、PN结中的内电场阻止多数载流子的 扩散 运动,而促进少数载流子的 漂移 运动。
4、场效应管是 压控型 器件,它有 结型场效应管 和 绝缘栅型场效应管 两种类型。
5、在本征半导体中加入三价元素可形成 P 型半导体,加入五价元素可形成 N 型半导体。
6、本征半导体是 没有杂质且晶体结构完整的半导体,其内部存在 空穴 和 自由电子 两种载流子,其中这两种载流子的浓度 相等 。
7、PN结的P区接电源的正极,N区接负极,称PN接为 正向偏置 。三极管工作在放大状态的外部条件是发射结 正偏 ,集电结 反偏 。
8、在杂质半导体中,多数载流子的浓度主要取决于 杂质浓度 ,而少数载流子则与 温度 ,有很大的关系。
9、所谓PN结的正向偏置,是指将电源的正极与__P___区相接,负极与__N____区相接,在正向偏置电压大于死区电压的条件下,PN结将__导通_____。
10、当PN结外加正向电压时,扩散电流__大于___ 漂移电流,耗尽层变__薄______;当PN结外加反向电压时,扩散电流__小于_____ 漂移电流,耗尽层变____厚_______。
11、二极管最主要的特性是_单向导电性__ 。在常温下,硅二极管的开启电压约_0.5__ V,导通后在较大电流下的正向压降约__0.6~0.8__V;锗二极管的开启电压约___0.1___V,导通后在较大电流下的正向压降约___0.1~0.3__ V。
12、为保证三极管处于放大状态,其发射结必须加__正向__偏置电压,集电结必须加__反向___ 偏置电压。
13.
14.

总结(二)将聚焦的问题是:放大电路的知识
接下来我们接着上一节讲BJT的内容。
BJT
BJT的组态

温度对BJT参数的影响

对上一节知识的补充结束。
(分割线)
接下来开始我们今天的第一个内容:放大电路!
说到放大,我们可能会想到扩音器,也就是话筒

声音通过传感器把声音信号转化为电信号再经过放大电路成足够强的电信号,放大后的电信号驱动扬声器发出足够强的声音。
由此,我们就得出几个结论:
放大的作用: 把微弱的电信号放大至负载所需的量级。
放大的对象: 变化量
放大的实质: 小能量对大能量的控制。
放大的前提: 不失真
放大的特征:

介绍完放大的基本概念后,我们就要思考了,是什么器件来放大电信号呢?
是 晶体管和场效应管
(哦,有人可能会说运放,这可是个华点——我的乖乖,运放就是这几个封装出来的)
晶体管
我们在此讨论的晶体管,狭义来讲是BJT,不是其他的。
而场效应管(FET),
分为结型场效应管和绝缘栅型场效应管(MOS管)
场效应管是利用输入回路的电场效应来控制输入回路电流的一种半导体器件。(记住——它是电压控制电流器件)由于它仅靠半导体中的多数载流子导电,又称为 单极型晶体管。
场效应管都有N沟道、P沟道两种类型。
结型场效应管(JFET)

我有个记忆的技巧:箭头指向的方向是N沟道,指向管子里边就是N,指出去就是P沟道(这里面有点东西,以后再深讲)
MOS管:


记忆技巧:背离G极是P沟道,指向G极是N沟道。MOS管的标准符号中,衬底的箭头方向指的是衬底中“电子”的移动方向(这里面有点东西,以后再深讲);虚线表示增强型,连在一起就是耗尽型(这里面有点东西,以后再深讲)

这里介绍放大器件的内容就结束,至于关于这几个器件的深度剖析我会放在另一个专题来讲(具体还得去请教各路大神一下......)
继续回到我们的放大电路来
我们讲放大电路,就得明白,放大电路有什么类型,它的指标有什么,它有那几部分构成.......带着这些疑问,我们一一来讲:
放大电路的简易模型:

放大电路的基本类型:





现在看完了有四种基本放大器了,得想想他们的区别在哪?
区别:
①增益的量纲不同
②对输出电阻的要求不同
以电压作为输出量的放大器要求Ro << RL
以电流作为输出量的放大器要求Ro >>RL
③对输入电阻的要求不同
以电压作为输入量的放大器要求Ri >> Rs
以电流作为输入量的放大器要求Ri<< Rs
④适用场合不同
电压放大器和跨阻放大器适用于负载电阻较大的场合,多用于信号的前置放大和中间放大。
电流放大器和跨导放大器适用于负载电阻较小的场合, 多用于电子系统的输出级或执行机构的驱动电路。
放大电路的主要性能指标:

放大倍数也常用分贝作单位,其换算关系为:




接下来,我们要讲具体的放大电路了,
以BJT为例:

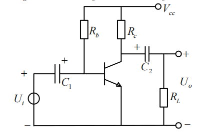
我们来观察一下:B极输入信号,信号输出是在集电极C极取出,则此情形共用E极(发射极)称之为共射放大电路。(小声哔哩哔哩,当初上课困了,下课后自己看书有个疑问为毛线这里取的信号不能是射极那里?我还懵逼了不久..........课后也都是干别的,学模电?压根没有.....这个信号要是从射极取出来拟码都直接导到地下去了,取信号取个寂寞)
接下来我们在进一步分析一下这个电路
Ui是信号源,输入通过b极电路进去,C1电容隔直流通交流,(像C1、C2这样用于连接信号源与放大电路 与 连接放大电路和负载的电容 称之为 耦合电容),那么问题来了,为什么C1要通直流隔交流呢?
先试想一下,若把C1去掉,那么你所加的这个信号,没有降压(容抗),也就是说输入端短路,Ibq=0,晶体管将被截止,电路不能工作。
隔直流的目的是使信号源与放大电路与负载之间没有直流量通过,耦合电容的容量若足够大,输入的信号就会几乎没有损失地加在放大管的基极和发射极之间。那Rc电阻有什么用呢?它的作用是 将集电极电流的变化转化为电压的变化:UCE=Vcc -IcRc,这样就能很好地让输出信号在集电极被放大且取出。
电容C1上的电压是Ubeq,电容C2上的电压是Uceq,我们再求一下这个电路的静态工作点:

我们来分析一下这个电路:依旧是由基极输入信号,输出却在射极(E极)输出,输入和输出夹着集电极(共用C极),称之为共集放大电路
共集放大电路只能放大电流而没有放大电压,为什么呢?
从直观上,输入电压的绝大部分压降集中在Re上,而这部分又是输出,则部分永远小于整体,电压没有放大。(在此电路中,是Re将Ie的变化量转化为电压变化量而输出的,Re必不可少)

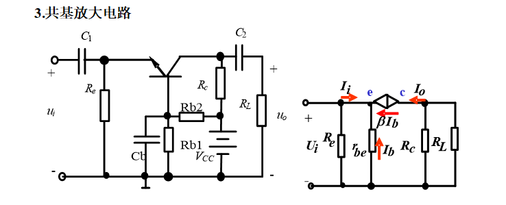
分析一下电路:此电路是由E极输入信号,在集电极取出信号(输出端),输入端和输出端共用基极(B极),称之为共基放大电路。(还有就是和前面两个相比,会发现他是基极向下——“积极向下”)
放大电路的分析

如:

交流通路:

小信号模型:

微变等效电路:

(微变等效电路就是在交流通路的基础上把小信号模型放进去而已。交流通路是把电压源给他接地,然后你就会发现Rb、Rc、RL就是从上翻转到下边来了,都接在了同一个端子上,所以就是并联.....)
接下来,我们以基本模型来背:

先举例一下指标计算:



(是不是会有小可爱对这个微变等效看不懂呢?微变等效是电容短路,电压源置零,也就是电压源变成了地的意思,那么在C2那一段RC就和RL接在一个端子上,在VCC那个点那里RC和RL也接在一起了,所以是并联,然后再看Rb2和Rb1,Cb短路成一根线,然后Rb1也短路了,对Rb2另一端而言所接的Vcc也变成地了,所以Rb1和Rb2就在微变等效电路中没有咯)
(指标分析——gay电不考,所以懒得写了)
注意区分这三种基本电路不同的微变等效电路模型

好像BJT放大电路理论讲得差不多了,这不上题?

基础题,也没什么好分析的.......直接贴答案看看就好。


(这个是我在知乎上看到的一张图,可惜找不到网址了................非常尴尬,不能把链接贴出来,非常抱歉这个up)


好了,大概讲完BJT了,接下来我们讲MOS管咯
mos管
(我不解释其中的一些细节,直接展示放大电路中的几个基本知识点,即考试直接考到的知识点)


背微变等效基本模型(没有图嫖了......学校课本,感觉我学校模电书编的还不错.....不过没带回家只能回忆版手写,可能翻车)


其实MOS管分析和BJT分析是有点相像的:
MOS管的共源放大电路对应BJT的共射放大电路;
MOS管的共漏放大电路对应BJT的共集放大电路;
MOS管的共栅放大电路对应BJT的共基放大电路;

在这
https://zhuanlan.zhihu.com/p/
讯享网
(在这嫖来的图 )


接下来,讲的是
放大电路的频率特性


在这插播提一下:
NPN 截止失真是 顶部削平(顶部失真)
NPN 饱和失真是 底部削平(底部失真)
PNP则反之。

倘若这个电路输入正弦信号后出现了饱和失真应该怎么办?
说明静态工作点过高了
把Rb调大阻值就可以了





上题:



接下来,我们来讲:
差分放大电路!
来一波应试的:
gay电考的差分电路模型就只有这四个!
然后我来简单剖析一下差分电路:
在剖析之前,我们得先了解差分电路的缘由是什么?它为了解决什么问题诞生的?再去看他的结构,每个元器件的意义在哪.......
首先,得明白:差分电路的目的是解决——零点漂移问题。
那么问题来了:
什么是零点漂移?
零点漂移现象是指当放大电路的输入信号为零(即没有交流电输入)时,因受温度变化、电源电压不稳等因素影响,静态工作点发生变化,并被逐级放大和传输,导致电路输出端电压偏离原固定值而上下漂动的现象。
说到这个,我还得再提一下:温漂。温漂的概念是:
由温度变化所引起的半导体器件参数的变化是产生零点漂移现象的主要原因。
从狭义来讲,温漂就是零漂。
我们如何消除零漂呢?
用特性相同的管子。使他们的温漂相互抵消,构成——差分放大电路,这就是温度补偿的方法,来解决零漂问题。
原理:(如图)(这里不细讲负反馈原理)

有人可能会问:这里Rb干嘛的,Rc干嘛的REm干嘛的,这个就是上边的知识啊。差分放大是对称的,一模一样的两边,你拆出来只看一边就是个简单的共射类型的放大电路不是?
如果没有Rb,则静态时输入端会被短路,Ibq=0,晶体管截止,没有放大。Rc呢?把集电极电流的变化转化为电压的变化:UCE=Vcc -IcRc,为了转换、放大电压信号呗。
Re呢?
Re,Ui增大,Ic就增大,射极电阻两端的压差是跟着增大的,而净输入等于Ub减去Ue,这比没有Re的时候肯定要小。所以说Re是负反馈。如果没加交流输入,Re的效果是稳定静态工作点。R1和R2分压,使Ub的直流电位稳定下来,不随温度改变(一定程度上),当温度升高时,静态电流增加,那么Ue就上升,净输入Ube下降,减小因温度而改变的静态电流


以上就是它的原理,当然,看这个肯定是不够的,在此需在补充几个概念:
差模信号就是相减嘛,共模信号就是均值嘛
差分放大电路的最基本类型:

差分放大的性能指标:

结论:共模抑制比越大,说明差放(差动放大电路)分辨差模信号的能力越强,而抑制共模信号的能力越强。因此 KCMR 越大越好。在电路完全对称的情况下,
,则共模抑制比
。
改进的差分放大:
具有恒流源的差分放大电路
在差分放大电路中,增大发射极Re的阻值可以有效抑制每一边电路的温漂,提高共模抑制比。也就是说Re若为无穷大,则Kcmr也为无穷大,Ac为零,但是这就会让要求的电源电压十分高才能驱动得了晶体管处于放大区(忽略计算推算内容)。若使用电流源就完美地解决了既能采用较低的电源电压又能有很大的等效电组Re的发射极电路。

接下来我们来对比一下:

不论是单端还是双端输出,差放均有抑制共模输入信号的作用,Rem越大,抑制作用越强。差放只放大差模信号。
我们来举个例子分析一下整个应试思路:
然后
上题:



接下来是:
OCL、OTL电路:(记住OCL是双电源!OTL单电源)
功率放大电路:
在实用电路中,往往要求放大电路的末级(输出级)输出一定的功率,以便驱动负载。能为负载提供足够信号功率的放大电路就叫做功率放大电路,俗称功放。


OCL、OTL是什么电路?为什么而诞生?
OCL、OTL是互补功率放大电路。
其实OCL、OTL是人如其名而已。OCL:output capacitorless 无输出电容的功率放大,OTL:output transformerless 无输出变压器的功率放大

就着分析一波OCL、OTL电路:
OCL:
T1、T2特性对称(注意这两个三极管必须一模一样),双电源供电,若输入电压是正弦波,当ui大于零时,T1导通,T2截止,正电源供电;当ui小于零时,T1截止,T2导通,负电源供电。这样的T1、T2交替工作,正负电源交替供电谓之为“互补”。
(Rb、RC什么作用不说了)D1、D2的作用是什么?
消除交越失真。(怎么消除?交越失真是什么东东?)
我们在分析时,是把三极管的门限电压看作为零,
门限电压通常被定义作为门电压,是指逆温层形成在绝缘层(氧化物)和基体(身体)之间的接口晶体管。
讯享网而这里是指三极管的C-E电压,指的是电路中这两个电极间的电压值,参数表里提供的是最大值,超了就损坏的值。
但实际中,门限电压不能为零,且电压和电流的关系不是线性的,在输入电压较低时,输出电压存在着死区,此段输出电压与输入电压不存在线性关系,产生失真。这种失真出现在通过零值处,因此它被称为交越失真。
因为交越失真是三极管的Vbe压降引起的,加二极管就是补偿三极管的Vbe压降,从而到达消除交越失真的目的。
OTL:

(在这里,二极管还是稳定静态工作点消除交越失真的作用)
理论推一波:





总结:
上题:

好了,我们再简单提一下多级放大电路(多级放大电路没考,分析方法不讲)和另一些杂杂碎碎但容易考的概念:
复合管


各级放大电路输入和输出之间的联系方式称为 耦合方式。常见的耦合方式有:
多级放大电路肯定是为了增大电压增益的
这一总结(二)写了我两天................唉,还是期末功力没修好.....
下面一个是北王推荐我的一个网址,当时我按着他的来建立的体系,还想着能不能寒假自己写一个超越他......看样子是不行了。
https://zhuanlan.zhihu.com/p/?utm_source=&utm_medium=social&utm_oi=


版权声明:本文内容由互联网用户自发贡献,该文观点仅代表作者本人。本站仅提供信息存储空间服务,不拥有所有权,不承担相关法律责任。如发现本站有涉嫌侵权/违法违规的内容,请联系我们,一经查实,本站将立刻删除。
如需转载请保留出处:https://51itzy.com/kjqy/29856.html