带宽与截止频率
https://blog.csdn.net/a/article/details/
http://m.elecfans.com/article/588901.html
一、带宽,信号频率概念解释
带宽: 信号带宽是信号频谱的宽度,信号波是由n个正弦波叠加而成的,那么信号的带宽也就是着n个谐波信号中的最高频率分量与最低频率分量之差。
信号频率: 由信号频谱图可以观察到一个信号所包含的频率成分。把一个信号所包含谐波的最高频率与最低频率之差,即该信号所拥有的频率范围,定义为该信号的带宽,信号的频率变化范围越大,信号的带宽就越宽。
例如:一个由n个正弦波叠加成的方波信号,其最低频率分量是其基频,假定为f=2kHz,其最高频率分量是其7次谐波频率,即7f =7×2=14kHz,因此该信号带宽为7f - f =14-2=12kHz。
信道带宽限定了允许通过该信道的信号下限频率和上限频率,也就是限定了一个频率通带。
例如:一个信道允许的通带为1.5kHz至15kHz,其带宽为13.5kHz,上面这个方波信号的所有频率成分当然能从该信道通过,如果不考虑衰减、时延以及噪声等因素,通过此信道的该信号会毫不失真。
然而,如果一个基频为1kHz的方波,通过该信道肯定失真会很严重;方波信号若基频为2kHz,但最高谐波频率为18kHz,带宽超出了信道带宽,其高次谐波也会被信道滤除,通过该信道接收到的方波没有发送的质量好;
二、截止频率
低通滤波电路
低通滤波器是指车载功放中能够让低频信号通过而不让中、高频信号通过的电路,其作用是滤去音频信号中的中音和高音成分,增强低音成分以驱动扬声器的低音单元。此外高通滤波器常常和低通滤波器成对出现,不论哪一种,都是为了把一定的声音频率送到应该去的单元。
特点:低损耗高抑制;分割点准确;双铜管保护;频蔽好防水功能强。
用途:产品用途广泛,使用于很多通讯系统,如 CATV EOC 等系统。并能有效的除掉通频带以外的信号和多余的频段、频率的干扰。
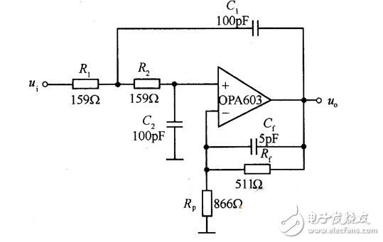
下图所示为10MHz低通滤波器,此低通滤波器利用带宽高达100MHz的高速电流反馈集成运放0PA603组成二阶巴特沃思低通滤波器滩图中R1=R2=159Ω ,C1=C2=100pF,其截止频率为fc=1/2πR1C1=10MHz,其零频增益为G0=1+Rf/R=1.6。
讯享网
截止频率
当保持输入信号的幅度不变,改变频率使输出信号降至最大值的0.707倍,即用频响特性来表述即为-3dB点处即为截止频率,它是用来说明频率特性指标的一个特殊频率。
截止频率计算方法
利用系统函数的模来表示电路的放大倍数,由于20lgA(ω)=-3dB,解得:A(ω)=10-0.15=0.≈1/√2,又因为A(ω)=|H(jω)|,则|H(jω)|^2=1/2
在高频端和低频端各有一个截止频率,分别称为上截止频率和下截止频率。两个截止频率之间的频率范围称为通频带。
开环截止频率与闭环截止频率
开环截止频率也称为剪切频率,是开环幅频特性中,幅频特性曲线穿越0dB线的频率,记为ωc;闭环截止频率也称为带宽频率,是指当闭环幅频特性下降到频率为零时的分贝值以下3dB时,对应的频率,记作ωb。
开环截止频率与闭环截止频率具有同向性。开环截止频率与闭环截止频率是两个完成不同的物理量,分别用于描述开环系统和闭环系统的幅频特性,但它们之间又存在一定的相关性,即:开闭截止频率与其单位负反馈的闭环截止频率是同向增大的。且具有如下关系:ωb>ωc。
由于闭环截止频率可用来表征闭环系统瞬态响应速度,闭环截止频率ωb越高,其瞬态响应速度越快。既然ωc与ωb具有同向性,则可通过系统的Bode图就可知道系统的瞬态响应速度,即剪切频率ωc越高,瞬态响应速度越快。

低通滤波器带宽和截止频率的关系
带宽B一般用截止频率f=ωH/2π来定义,B=1/f=2π/ωH,也可以理解为B带宽其实就是上下截止频率的差
实际应用中,对于信号的负频率部分,需要经过希尔伯特变换器,剔除负频率部分,这样可以在信号调制后有效节约带宽。
低通滤波器带宽就等于截止频率,高通滤波器一般很少说带宽,只说截止频率。带通滤波器带宽和截止频率才有明显区别
二阶低通滤波器截止频率公式为fc=1/(2pi(R1R2C1*C2)^.5)
假如是下面这个电路,可以实现方波转换成正弦波吗?假如我要把1KHz~100KHz的方波信号转换成正弦波信号,又该怎样改变R、C的大小?
想把1kHz方波转换成正弦波可以用这个电路,只要把截止频率设置在1kHz上即可;想把100kHz方波转成正弦波也可以用它,但是要重调截止频率。要把1~100kHz范围转换,这个电路做不到,因为能通过100kHz正弦波的低通,对1kHz的方波畅通无阻(这个方波内包含的3、5、7、9次。。。等等谐波分量均在100kHz以内)。
改变通带频率只要改变C1、C2,容量增加几倍,频率就下降几倍,反之亦然。当然不改电容,改变R1、R2也行,结果类同。没有工程师自己计算截止频率,都是用查手册的方法解决问题;对于你这个现成电路,还可以用软件仿真测量出频响。
怎样设计电路来实现1~100KHz任意频率的波形转换呢?
版权声明:本文内容由互联网用户自发贡献,该文观点仅代表作者本人。本站仅提供信息存储空间服务,不拥有所有权,不承担相关法律责任。如发现本站有涉嫌侵权/违法违规的内容,请联系我们,一经查实,本站将立刻删除。
如需转载请保留出处:https://51itzy.com/kjqy/29405.html