目录
目录
一、硬件组成
AT89S51单片机片内结构
AT89S51引脚功能
3.并行I/O口引脚
P0口
P0口:地址/数据总线
数据输出
数据输入
P0口:通用输入输出功能
P1口
P2组I/O引脚编辑
用作地址线
数据输出
数据输入,
用作通用I/O口
数据输出
数据输入(读取引脚电平状态)
P3口
第一功能(通用输入输出功能)
输出
第二功能:
输出
输入
时钟电路设计
内部时钟方式
外部时钟方式
机器周期,指令周期,与指令时序。
时钟周期
机器周期
指令周期
复位操作和复位电路(硬件复位)
看门狗:
单片机系统受到干扰可能会引起程序“跑飞”或 “死循环”,使系统失控。
使用方法:
一、硬件组成
AT89S51单片机片内结构
8位微处理器(CPU)
数据存储器(128B RAM)
程序存储器(4KB Flash ROM);
4个8位可编程并行I/O口(P0口、P1口、P2口、P3口);
1个全双工的异步串口
一个看门狗定时器
2个16位的定时器/计数器
5个系统中断源(对应五个中断向量)
特殊功能寄存器(SFR)26个
附:单片机还内含:3个程序加密锁定位;
低功耗模式有空闲模式和掉电模式,且具有掉电模式下的中断恢复模式
CPU
8位,与通用CPU基本相同,包含运算器,控制器,还有额外的区别于微机的位处理功能
数据存储器(RAM)
片内为128B(52系列为256B),片外可扩展到64KB
程序存储器(4KB Flash ROM);
片内集成4KB的Flash存储器,片外可扩展至64KB
中断系统
内含5个中断源 具备两级中断优先权处理机制
定时器/计数器
2个十六位定时器/计数器(52系列有3个),支持四种工作模式,
串行口
一个异步的全双工的异步串行口,4种工作方式,可进行串行通信,扩展并行I/O口,还可与多个单片机构成多机通信系统。
特殊功能寄存器
26个,对片内各功能部件管理、控制和监视。是各功能件的控制寄存器和状态寄存器,映射片内RAM区80H~FFH内。
看门狗定时器
当程序执行被干扰或者陷入不应该进入的死循环,或者跑飞时,使程序可恢复正常运行
AT89S51引脚功能
AT89S51目前多采用双列直插,此外还有44引脚的PLCC和TQFP封装方式的芯片。
引脚按功能可以分为3个模块
1.时钟及电源模块(XTAL1 XTAL2 Vcc Vss)
2.控制引脚(PSEN*、ALE/PROG*、EA*/VPP、RST(RESET)
3.I/O引脚 (四组P0 P1 P2 P3 每组又有8个I/O口)
时钟及电源模块(XTAL1 XTAL2 Vcc Vss)
Vcc:+5V电源
Vss:数字地
XTAL1:片内振荡器反向放大电路和时钟发生器电路输入端,用片内振荡器时,该脚接外部石英晶体和微调电容。外接时钟源时,该脚接来自外部时钟振荡器的信号。
XTAL2:片内振荡器反相放大器的输出端。当使用片内振荡器,该脚接外部石英晶体和微调电容。当使用外部时钟源时,本脚悬空。
控制引脚:
RST(RSET):复位 要求在引脚上添加持续时间大于2个机器周期的高电平,可使单片机复位,正常工作时,该引脚电平应低于0.5V
EA*/VPP (Enable Address/Voltage Pulse of Programing):可分时复用两个功能做第一功能(/EA)时:外部程序存储区访问允许控制端,为0只允许读取片外,片内的不起作用
vpp:第二功能:(即EA=1)在PC值小于0XFFFH时候,单片机默认读取片内FLASH存储器(4KB)当pc>0XFFFH,指向片外60KB程序存储空间的程序
ALE/PROG*(Address Latch Enable/PROGramming)
ALE:CPU访问外部程序存储器或外部数据存储器提供地址锁存控制信号,将低8位地址锁存在片外的地址锁存器中(由于引脚数目过少,所以采用分时复用模式)
此外,单片机正常运行时,ALE端一直有正脉冲信号输出,此频率为fosc的1/6。该信号可作外部定时或触发信号使用。 如果不需要输出正脉冲可于AUXR辅助寄存器设置禁止,但不影响正常输出高低电平,只是禁止输出正脉冲信号
同时:每单AT89S51访问外部RAM或I/O时,会丢失一个脉冲,因此信号频率并不是准确的fosc1/6
PROG*:引脚第二功能,对片内Flash编程,加编程脉冲输入。
PSEN* (Program Strobe ENable):片外程序存储器读选通信号,低电平有效。
3.并行I/O口引脚
P0口
P0口:P0.0-P0.7,共8位。漏极开路的双向I/O口
ps:漏极开路输出无法输出高电平,只能输出低电平或者高阻状态,如果需要输出高电平,虚外接上拉电阻sh总线(输入输出"0"/"1",此时为双向),也可以作为通用I/O口(输出高低电平,此时为准双向)
P0口内部结构如上图所示:
多路开关MUX:受控制引脚控制,用于选通是作为地址/数据总线,还是通用I/O口,当控制引脚为高电平时,多路开关接受来自,地址/数据总线的电平信息,当控制信号为低电平时,多路开挂与D触发器相连接
D触发器:用于数据的缓存,当D触发器接收到来自CP端的脉冲信号,触发器就会接收来自D端输入的信号,并持续的将数据输出到Q端以及反向端/Q。
P0口:地址/数据总线
当P0口用作数据总线时(外扩外部存储器,或扩展I/O口时),常与P2口构成16位地址总线,P0口引脚作为低八位地址总线,P2口引脚作为高八位地址总线,可寻址64KB地址空间。
数据输出
P0.X作为输出时,控制信号为高电平,多路开关不与D触发器连接,当地址信号为高电平时,与门导通,T1输出高电平,T2截止,此时I/0口可测得为高电平。当地址信号为低电平时,T1截止,T2导通,此时I/O输出为低电平
数据输入
P0.X作为输入时,由于上电复位后,所有I/O口寄存器默认为0X00,故不用事先向D触发器写1,使T2截止。当作为数据输入时,控制信号为低电平(此时T1截止),多路开关MUX与D触发器相连接。T1,T2均截止,输出功能被禁止,P0.X为高阻状态,外部输入数据,由P0.X端口输入,通过下方三态缓冲器,输入到数据总线。
P0口:通用输入输出功能
此时控制信号为低电平,此时T1截止,无法输出高电平,多路开关MUX与D触发器连接
输出:
当触发器为1时,Q反端输出低电平,T1已经被截止了,此时形成漏极开路电路,T2被截止,由于单片机的输出信号能力极弱,如果需要输出高电平,需要在P0.x引脚外接上拉电阻,通常上拉电阻选择10KΩ,此时电流从上拉电阻流向负载,此电流称为拉电流,其大小由上拉电阻决定。
当触发器为1时,Q反端输出高电平,T2已经被导通了,此时P0.X引脚接地,此时电流从负载流向I/O口,此电流称为灌电流,P0.X允许的灌电流大小,最大值为12mA。
输入(读取引脚电平状态):
当P0.x作为输入时,分读取引脚电平状态和读取触发器输出状态,此处我们仅介绍读取引脚电平状态的方法,
temp = P0 //将P0组引脚状态保存至temp变量
讯享网读取触发器输出状态,即读取锁存触发器Q的输出状态,当锁存触发器的触发信号为高电平时,读取触发器Q端状态
讯享网P0 = P0 << 1 //读取P0组引脚的状态逻辑左移,并再次赋值给P0运行此处代码时,CPU先从触发器读取Q端状态,然后再将其值左移后,再将运算完毕后的值赋给P0。
P1口
P1组引脚内含上拉电阻,没有多路开关,只能作为通用I/O口
操作方式原理,同P1作为通用I/O口时操作方式。
P2组I/O引脚
有两种工作方式
当P2口用作数据总线时(外扩外部存储器,或扩展I/O口时),常与P1口构成16位地址总线,P0口引脚作为低八位地址总线,P2口引脚作为高八位地址总线,可寻址64KB地址空间。
用作地址线
数据输出
控制信号为高电平,多路开关与地址线导通,当地址/数据输出为高电平时,经过非门输出为低电平,mos管截止,IO口输出高电平,反之当地址/数据输出为低电平时,经过非门输出为高电平,mos管导通,IO口接地,输出低电平
数据输入,
控制信号为低电平,多路开关与锁存触发器导通,读取数据信号时,必须先向内部总线写1,I/O口接内部上拉电阻,输出高电平,接收来自外界的低电平。
用作通用I/O口
数据输出
当触发器值为1时,Q端输出高电平,经过非门,变为低电平,MOS管截止,I/O口引脚端连接内部上拉电阻,输出高电平状态,
当触发器值为0时,Q端输出低电平,经过非门,变为高电平,MOS管导通,I/O口引脚端接地,输出低电平状态,
数据输入(读取引脚电平状态)
读取P2口引脚电平状态时,必须先向内部总线必须先向内部总线写1,I/O口接内部上拉电阻,输出高电平,接收来自外界的低电平。
P3口
由于AT89S51的引脚数目有限,因此在P3口电路中增加了引脚的第二功能
P3口的每一位都可分别定义为第二输入功能或第二输出功能。字节地址为B0H,位地址为B0H~B7H。
第一功能(通用输入输出功能)
此时第二输出功能信号保持为高电平,使与非门输出状态仅受触发器Q端的影响
输出
触发器信号为高电平时,经过与非门变为低电平,MOS管截止,I/O引脚内接上拉电阻,输出高电平。触发器信号为低电平时,经过与非门变为高平,MOS管导通,I/O引脚内接地,输出地电平。
第二功能:
输出
第二输出引脚为高电平,且Q端为保持在高电平,此时启用第二功能,与非门输出低电平,MOS管截止,P3引脚内接上拉电阻,输出高电平,当第二功能输出引脚为低电平时,输出低电平
输入
输入功能与第一功能方法一致
时钟电路设计
单片机严格在时钟电路信号控制下运行,失去时钟电路,单片机将无法工作。时钟频率直接影响单片机的运行速度,以及时钟电路质量也直接影响系统的稳定性。
执行指令时,CPU首先到程序存储器中取出需要执行的指令操作码,然后译码,并由时序电路产生一系列控制信号完成指令所规定的操作。
CPU发的时序信号两类,一类用对片内各个功能部件控制,用户无须了解;另一类用于对片外存储器或I/O端口的控制,这部分时序对于分析、设计硬件接口电路至关重要。
常用时钟电路方式分为内部时钟方式和外部时钟方式,AT89S51最高时钟频率为32MHz
内部时钟方式
AT89S51内部有一个用于构成振荡器的高增益反相放大器,输入端为芯片引脚XTAL1,输出端为引脚XTAL2。这两个引脚跨接石英晶体振荡器和微调电容,构成一个稳定的自激振荡器
电路中的电容 C1和 C2 的典型值通常选择为 30pF或者33pF。晶体振荡频率的范围通常是在 1.2~12MHz。AT89S51单片机常选择振荡频率6MHz或12MHz的石英晶体。
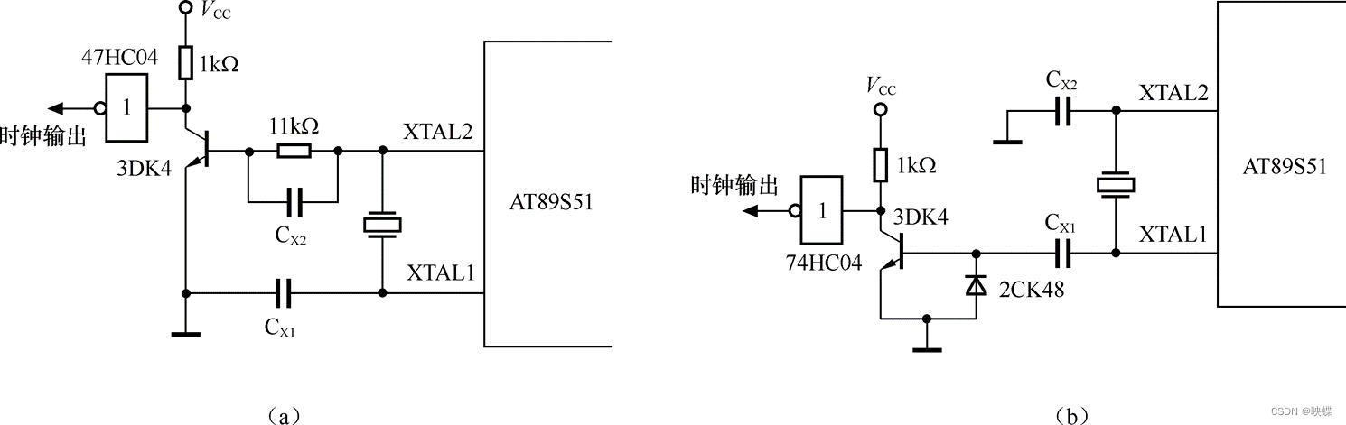
外部时钟方式
用现成的外部振荡器产生脉冲信号,常用于多片AT89S51同时工作,以便于多片AT89S51单片机之间的同步。
外部时钟源直接接到XTAL1端,XTAL2端悬空
时钟信号输出:由于单片机的驱动能力并不强,所以需要引出
机器周期,指令周期,与指令时序。
时钟周期
时钟控制信号的基本时间单位。若晶振频率为fosc,则时钟周期Tosc=1/fosc。如fosc=6MHz,Tosc=166.7ns
机器周期
CPU完成一个基本操作所需时间为机器周期。执行一条指令分为几个机器周期。每12个时钟周期为1个机器周期
指令周期
执行一条指令所需的时间。简单的单字节指令,取出指令立即执行,只需一个机器周期的时间。而有些复杂的指令,如转移、乘、除指令则需两个或多个机器周期
复位操作和复位电路(硬件复位)
为什么需要添加复位电路,当程序跑飞,或操作系统陷入死锁时,就需要复位操作,
给复位脚RST加上大于2个机器周期(即24个时钟振荡周期)的高电平就使AT89S51复位
复位后各寄存器状态

看门狗:
单片机系统受到干扰可能会引起程序“跑飞”或 “死循环”,使系统失控。
使用一个定时器不断技术监视系统的运行,当看门狗启动后,为防止看门狗不必要的溢出,需要定时喂狗,否则,将触发看门狗,引起系统复位
使用方法:
看门狗内部含一个14位的定时器和看门狗复位寄存器,开启看门狗后,定时器会自动对系统时钟12分频后的信号计数,当计数满到16384后,产生一个高电平复位信号,使单片机复位。
看门狗的启动和清0的方法是一样的,用户只要向寄存器WDTRST(地址为A6H)先写入1EH,接着写入E1H,看门狗便启动计数。为防止看门狗启动后产生不必要的溢出,在执行程序的过程中,应在16384µs内不断地复位清“0”
在C51语言编程中,若使用看门狗功能,由于头文件reg51.h中,并没有声明WDTRST寄存器,所以必须先声明WDTRST寄存器。
在C51语言编程中,若使用看门狗功能,由于头文件reg51.h中,并没有声明WDTRST寄存器, 所以必须先声明WDTRST寄存器。 sfr WDTRST=0xa6 声明后可以用命令启动或复位看门狗。 WDTRST=0x1e; WDTRST=0xe1; #include<reg51.h> sfr WDTRST=0xa6 main( ) { …… ; WDTRST=0x1e; //启动看门狗运行 WDTRST=0xe1; while(1) //无限循环 { WDTRST=0x1e; //清0并启动看门狗运行 WDTRST=0xe1; ……; //执行时间必须小于16384µs(系统时钟为12MHz时) } }











版权声明:本文内容由互联网用户自发贡献,该文观点仅代表作者本人。本站仅提供信息存储空间服务,不拥有所有权,不承担相关法律责任。如发现本站有涉嫌侵权/违法违规的内容,请联系我们,一经查实,本站将立刻删除。
如需转载请保留出处:https://51itzy.com/kjqy/67546.html