磁耦隔离与传统隔离的区别
传统隔离技术:
传统的隔离方式有哪些?
这里有三种通常的隔离技术:
光电隔离
变压器隔离(磁耦是芯片级变压器隔离技术)
电容隔离
在体积、成本、性能等各方面都有优缺点,传统的隔离方式是光电隔离:
什么是光耦?什么是光隔离?
光耦合技术是在透明绝缘隔离层(例如:空气间隙)上的光传输,以达到隔离目的。光耦合器一般由三部分组成:光的发射、光的接收及信号放大。输入的电信号驱动发光二极管(LED),使之发出一定波长的光,被光探测器接收而产生光电流,再经过进一步放大后输出。这就完成了电—光—电的转换,从而起到输入、输出、隔离的作用。
光耦合技术的主要优点是,光具有对外部电子或磁场内在的抗扰性,而且,光耦合技术允许使用恒定信息传输。光耦合器的不足之处主要体现在速度限制、功耗以及LED老化上。
什么是变压器隔离?
变压器隔离使用变压器线圈来使传输信息通过隔离势垒,隔离前端的电流变化通过线圈引起隔离另一侧的电流变化. AC信号(例如以太网)的隔离非常适合于变压器耦合.变压器隔离的优点是速度高,而且可以给隔离端供电.然而,变压器的体积比较大。.
磁耦技术(参看下面)是一种芯片级变压器隔离技术。
什么是电容隔离?
电容隔离使用电容器耦合数据信号通过隔离势垒.这种方式的功耗比较低,但在共模抑制方面却有很大的不足。有疑问?与下文有矛盾,待解。。
现在电容技术应用还挺多的,而且价格也越来越便宜,TI就有不少电容隔离器件,可以参考
磁耦隔离
磁耦隔离技术
icoupler磁耦数字隔离器就是在上述背景下,由美国模拟器件公司ADI(Analog Devices Ins)设计开发的一款适合高压环境的隔离电路。Icoupler技术是ADI公司的一项专利隔离技术,它是一种基于芯片尺寸的变压器,而非传统的基于光电耦合器所采用的发光二极管(LED)与光敏三极管结合,因采用了高速的iCOMS工艺,因此在功耗、体积、集成度、速度等各方面都优于光耦。同时能满足医用设备高电压工业应用、电源以及其它高隔离度环境的严格隔离要求,非常适合在各种工业上的应用,包括数据通信、数据转换器接口、各种总线隔离以及其它多通道隔离应用。
现在电容隔离和电磁隔离器件里面都加进了新技术,可以传输低频甚至直流的信号,而且功耗特别低,体积尺寸,价格方面的竞争力越来越强。是一种发展趋势。
现在磁耦技术应用还挺多的,而且价格也越来越便宜,ADI就有不少磁耦器件,可以参考
现在电容技术应用还挺多的,而且价格也越来越便宜,TI就有不少电容隔离器件,可以参考
光耦的抗干扰能力强,所以现在很流行,但是在一些要求低功耗的场合,使用光耦就太不合算了。在数据传输中采用磁耦应该是个不错的选择,我看好这个趋势。
这些磁耦在高速多通道领域比光耦更具有性价比,因为磁藕的通道都可以集成在芯片上,而光耦的每个通道都要用到一对输入与输出芯片,且要每个通道在封装时要相互独立,因此ADI公司非常乐意用这些优势来宣传他们的产品。
ADUM1200/1201,ADUM1400/1401,ADUM3200/3201
ADUM1200与ADUM3200是双通道的,他们的传输速率最高可达到25Mbps,而ADUM1400是四通道的,传输速率最高可达90Mbps,因此仅从速度方面来讲,他们相比光耦是相当有优势的。
对于磁耦来说每个通道都包含:一个输入缓冲器,一个编码器(内置刷新发生器),一个隔离变压器,一个解码器(内置看门狗定时器)和一个输出缓冲器。
因为这些这些磁耦通常应用在一些现场总线中,而要想接受和发送信息在同一块磁耦上完成,因此就有必要有正向与反向的通道,比如ADUM1201,ADUM3201,ADUM1401。
我们可以看到ADUM1201与ADUM3201的功能基本上是一样的,那他们有什么区别呢?需要了解的是,由于磁耦采用CMOS技术,因此在系统级ESD (静电放电)、电涌电压、快速瞬变或其它过压条件下,它比光耦更容易受到闩锁或ESD的破坏。为了更好地支持磁耦在恶劣ESD条件下的应用,ADI公司将推出的ADuM3xxx系列改进了电路设计和布局,提高了他们对ESD事件的耐受能力,当然他与ADUM1xxx系列的磁耦引脚和规格都是兼容的。
磁耦产品有什么优势?
1、速度高:最高150Mbps;
2、功耗低:工作时的功耗仅为传统光耦产品的1/10;
3、瞬态抑制能力更强:25KV/US
4、体积更小:一个芯片上最多四个通道
5、应用方便:同一芯片内提供正向和反向通信通道,而且不用任何外围分立元件。
6、可靠性高,寿命长:省去传统光电转换部分,寿全与其它CMOS器件相同
下面这两个概念是完全不同的两回事,需要注意:CMRR(共模抑制比)和Common mode transient immunity(共模瞬变抗扰度)
在此记录一下第二个概念:光耦理论上应该只通过有用信号(差模),不通过干扰(共模),对静态干扰的确如此。但对动态干扰,还是不可能完全抑制的,因为两端之间存在分布电容,于是变化非常快的瞬态干扰(用电压变化率dv/dt衡量)就有可能窜到另一端。于是就有了共模瞬变抗扰度这个参数来衡量光耦这方面的能力,对于光隔离,这个指标比磁隔离器件的要好很多。这是选择两种隔离器件的时候需要注意的地方。(有疑问,待解。。)
具体可以ACPL-336J的图14及后续几张图,和参数列表中CM来分析理解这个参数。
————————————————
版权声明:本文为CSDN博主「电力电子技术学习记录」的原创文章,遵循CC 4.0 BY-SA版权协议,转载请附上原文出处链接及本声明。
原文链接:https://blog.csdn.net/blueoce/article/details/
【技术】浅谈光耦、磁耦和容耦三种不同信号隔离方式特点
随着对信号的抗干扰能力提升,会对信号进行越来越多的隔离处理。目前市场上用的最多的隔离方案通产会采用光耦和磁耦的。一个采用光电传输的方式进行信号的隔离,另一个是采用磁场的形式进行信号的隔离;但是随着在车载上的运用,会对隔离芯片提出越来越苛刻的要求,比如通讯速率,信号传输延时时间,寿命,CMTI(高共模瞬态抑制)能力,是否具有很好的扛EMI特性以及AEC-Q100的车规要求,显然光耦及磁耦在这方面不能完全满足车载上的要求。但是Silicon Labs推出的容耦具有满足车载上运用的特点。首先是车规级芯片,CMTI及可靠性高,在汽车领域的信号隔离运用广泛;现在谈一下光耦、磁耦和容耦三种不同通讯的特点对比:
首先三种不同的隔离形式对比如图1所示:很明显看出隔离的方式是不一样的。
光耦是通过电到光到电的形式进行信号传输;
容耦采用高频信号调制解调将输入信号通过电容隔离之后传输出去;
磁耦的隔离主要通过磁场进行能量传递将信号进行隔离传输。

图1: 光耦隔离 容耦隔离 磁耦隔离
如图2所示将三者技术进行归纳总结对比:
通过图2的参数对比,可以看到在绝缘这块容隔离是优于光耦和磁偶的。因为SIO2是目前绝缘介质中隔离性最强的,相比于化合物的绝缘来说,采用SIO2做绝缘具有更强的绝缘优势;
隔离特点上光耦采用光的形式进行信号传递,容耦通过电场的形式进行传输,磁偶采用磁场形式进行传输;

由于光耦本身通过发光二极管实现光信号到电信号的转换,而发光二极管存在光栅问题,可靠性受到影响;
而磁偶由于集成变压器,通过变压器进行磁场的能量交换,但是变压器本身 是一个辐射源,存在着EMI干扰性问题。
容耦通过电容进行隔离,内部集成高频调制信号将输入信号进行调制解调,信号具有很好的跟随特性,在性能更具优势。

图2:三种隔离方式参数对比
推荐SILICON LABS容隔离系列芯片SI86XX,非常适合车载信号隔离,其有以下特点:
1)SILICON LABS的隔离芯片SI86XX采用Si02基底介质,每路隔离通道都是采用差分电容设计,而Si02特性为无机材料在各种温度、湿度条件下都是最稳定的,高隔离度介质: > 500V/微米(注:光耦采用聚合物隔离,隔离等级50V-200V/um)
2)差分输入,采用OOK调制技术,输出完全跟随输入信号,稳定输出。差分信号设计抗干扰能力强;
3)高寿命工作电压:>60年,在工作电压范围
4)噪声性能:抗噪声能力,高共模瞬态抑制 (CMTI) ,器件需要抵抗高电压瞬变防止数据从这些瞬变发生错误,具备优越的噪声抑制能力,CMTI能力高达50kV/µS
CMTI参数对于隔离驱动器选型的重要性
业余坐家 2020-11-07 11:10:19 628 收藏 4
分类专栏: 电路基础理论 文章标签: CMTI 共模瞬变抗扰度
版权
关注公众号:电子电路分析与设计

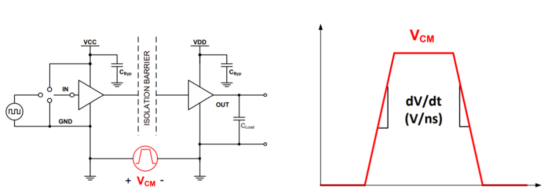
图1. CMTI
CMTI分为静态和动态。静态是指把输入引脚连逻辑高电平或者低电平,然后模拟施加共模瞬变,理论上在CMTI规格以内的冲击都无法改变输出状态。UL and VDE 0884-11 并没有要求强制通过动态CMTI的测试,和静态CMTI的要求一样,动态CMTI的冲击下,输出也应当保持正常,如果CMTI的能力不够强, 会出现类似missing pulse, excessive propagation delay(传播延时过大), high or low error 或者 output latch的错误, 如下图:

图2. 错误类型
CMTI在应用中的意义
高噪声瞬变会导致栅极驱动器失去信号完整性,或者“毛刺”,从而导致系统调制失败;或者更糟的是,生成一个伪信号,其可能触发两个功率MOSFET同时接通,从而引发危险的电气短路情况。高瞬变也可能造成栅极驱动器进入一种永久的闩锁状态,这也会引发危险情况。
控制电源开关的栅极驱动器的设计必须能够承受这些噪声瞬变,同时不会造成毛刺或闩锁。驱动器承受这些共模噪声瞬变的能力被定义为共模瞬变抗扰度(CMTI),它由大多数厂商通常列在其产品数据手册中的一项规格来定义,并以kV/µs为单位来表示。
在应用中,这种瞬态通常是由开关节点上的高dV/dt引起的。如图以光伏逆变器系统为例,隔离驱动器有一侧的地是悬浮的并且快速切换的。这里CMTI是一个关键指标,如果CMTI能力不够,可能会导致输出错误,可能会出现电路短路,影响系统安全。对其他应用比如电机驱动器,变频器也是如此。

图3. 典型光伏逆变器系统

图4.隔离栅极驱动器示例
隔离栅极驱动器解决方案
结隔离驱动器五级标题
结隔离驱动器有一个浮动的高压侧驱动器去适应高电压线路。对于这样的设备而言,最高额定电压约为600V。通常情况下,这些产品经济实惠,但具有较小的瞬变抑制力,很容易闩锁,从而造成永久损坏或安全危害。一般来说,用于支持信号完整性的CMTI规格是在10kV/µs范围之内,而用于支持闩锁抗扰的CMTI规格是在50 kV/µs范围之内。
光耦合驱动器
光耦合栅极驱动器都被真正地隔离(相对于浮动的高压侧驱动器),而且它们已经存在了相当长的一段时间。典型光耦合驱动器的CMTI规格在10-20 kV/µs之间,而最新产品则拥有大为改善的性能,其CMTI值达到50 kV/µs(最小值)。
电容耦合和变压器耦合驱动器
除了结驱动器或光耦合驱动器之外,诸如电容耦合或变压器耦合解决方案等技术,也使性能提升了一大截。
请牢记我们的最终目标——实现可能的最快开关速率同时确保安全性——电容耦合和变压器耦合驱动器的最大优势在于,他们能够承受极高的噪声瞬变,而又不会丢失数据并不会被闩锁。一些最新的变压器耦合栅极驱动器的CMTI规范为50 kV/µs(最小值),而这仍然不能满足我们所考虑的最高效率系统。
最新的电容耦合解决方案也有相应的CMTI规范,支持信号完整性的CMTI为200 kV/µs(最小值),支持闩锁抗扰的CMTI为400 kV/µs(最大值)。这是业界领先的性能,且最适合当今的新型高频系统设计。
使用电容耦合隔离驱动器还有一些其它的优势。它们非常快速(低延迟),并且信道之间和器件之间的一致性优于其它解决方案。与一些流行的光耦栅极驱动器相比,其传输时延(延迟)性能要好10倍之多,同时器件之间的一致性也要好10倍甚至更多。这种一致性为设计人员提供了另一项关键优势——系统的整体调制方案可以进行微调以实现最高效率和安全性,而无需去适应规格变动。
这些驱动器还允许较低电压操作(相比5V的2.5V),以及更宽的工作温度范围(-40℃至125℃,而光耦合驱动器仅为-40℃至105℃)。此类驱动器还提供其它先进的特性,例如输入噪声滤波器、异步关断能力,以及在同一个封装中的诸如半桥或双通道独立驱动器等多种配置。
产品的安全性和长期可靠性也是这些应用中的关注重点,并且考虑这些属性也是非常重要的。另外,新型驱动器在高电压条件下的额定工作寿命为60年,比其它任何可比的解决方案都更长。
资料整理于TI网站
最后,有什么问题可以留言,作者看到会及时回复。 长按关注微信公众号,提供了免费的资料下载,包括硬件基础知识、开关电源设计资料、求职资料等等~
————————————————
版权声明:本文为CSDN博主「业余坐家」的原创文章,遵循CC 4.0 BY-SA版权协议,转载请附上原文出处链接及本声明。
原文链接:https://blog.csdn.net/weixin_/article/details/
版权声明:本文内容由互联网用户自发贡献,该文观点仅代表作者本人。本站仅提供信息存储空间服务,不拥有所有权,不承担相关法律责任。如发现本站有涉嫌侵权/违法违规的内容,请联系我们,一经查实,本站将立刻删除。
如需转载请保留出处:https://51itzy.com/kjqy/65592.html