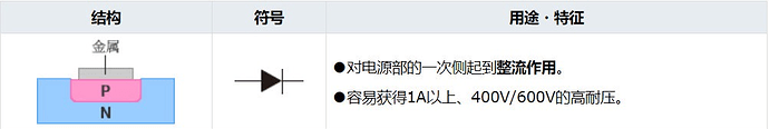
二极管:
构造
将一块N型半导体和一块P型半导体通过生产工艺结合,即形成了一个PN结。 当N型半导体和P型半导体结合的时候,必然形成一个结合面。结合面平时阻挡着P区的空穴向N区的电子扩散(这就是阻挡层)。但是当达到一定的条件就可以冲破阻挡层。又可以把阻挡层理解为势垒。

讯享网
PN结两端引出2根电极就形成了二极管。
符号
二极管实物中,直插led的引脚长正短负,其他DO封装二极管有白色阴影的为负极,贴片的led背面有绿色三角形或T型,指向电流方向(长边为正),其他SMA封装或玻封封装的二极管有白色阴影的为负极。pcb板上符号同理。

二极管有两个电极,由P区引出的电极是正极,又叫阳极;由N区引出的电极是负极,又叫阴极。三角箭头方向表示正向电流的方向,二极管的文字符号用VD表示。
等效电路
理想模型:二极管正向导通时,其正向压降为零;二极管反向截止时,认为反向电阻为无穷大,反向电流为零,称为理想二极管。此时理想二极管相当于理想开关。该模型主要用于信号幅值远远大于二极管的正向压降,可以忽略二极管正向压降和反向电流的电路中。
恒压降模型:认为二极管的正向压降为常数、反向电阻为无穷大、反向电流为0。此时二极管可以用一个理想二极管串联一个恒压源UD表示。外加正向电压大于UD(on)时,二极管导通,电阻为0。外加电压小于UD(on)时,电流为0,二极管截止。
折线化模型:当二极管正向电压U大于Uon后其电流I与U成线性关系,直线斜率为1/r0。

检测
好坏判断:首先使用二极管档或者电阻档检测两只脚的电阻值,然后交换表笔再测一次,若2次阻值不相等,说明二级管基本正常。(好坏判断基本取决于二极管有无正反向电阻,一般来说正反向电阻差值越大越好)(这不就是阻挡层嘛,测它单向导电的特性)
坏的二极管有三种情况:1、正反向电阻均为零,即二极管被击穿。(短路)2、正反向电阻无穷大,二极管断路。3、正反向电阻差值很小,二极管性能不良。
正负极性判断: 数字万用表2表笔分别测量二极管的两端,测得一组有读数一组无读数,有读数时,红表笔所测的一端为二极管的正极,黑表笔的一端为负极。
特性
单向导电性
当 PN 结外加正向电压时,回路中将产生一个较大的正向电流, PN 结处于导通状态;
当 PN 结外加反向电压时,回路中反向电流非常小,几乎等于零, PN 结处于截止状态。
伏安特性曲线

对二极管施加反向电压,当逐步增加到一定数值时,反向电流激增,这种现象称为“齐纳”现象。当齐纳现象产生时,即使流过二极管的电流变化很大,但二极管两端的电压也保持一定值。在实际中,利用这个特点,二极管可以起到稳压的作用。
参数
二极管主要参数:最大整流电流IF 、最大反向电压VRM 、漏电流、导通压降VF 、最大浪涌电流IFSM 、反向恢复时间、最高工作频率等。
1、最大整流电流IF
IF是二极管长期运行时允许通过的最大正向平均电流,其值与PN结面积及外部散热条件等有关。在规定散热条件下,二极管正向平均电流若超过此值,则将因结温升过高而烧坏。
2、最高反向工作电压UR
UR是二极管工作时允许外加的最大反向电压,超过此值时,二极管有可能因反向击穿而损坏。通常UR为击穿电压U(BR)的一半。
3、反向电流IR
IR是二极管未击穿时的反向电流。IR愈小,二极管的单向导电性愈好,IR对温度非常敏感。
4、最高工作频率fM
fM是二极管工作的上限截止频率。超过此值时,由于结电容的作用,二极管将不能很好地体现单向导电性。
应当指出,由于制造工艺所限,半导体器件参数具有分散性,同一型号管子的参数值也会有相当大的差距,因而手册上往往给出的是参数的上限值、下限值或范围。此外,使用时应特别注意手册上每个参数的测试条件,当使用条件与测试条件不同时,参数也会发生变化。
在实际应用中,应根据管子所用场合,按其承受的最高反向电压、最大正向平均电流、工作频率,环境温度等条件,选择满足要求的二极管。
如1N4148数据手册信息

1:二极管最大的功率:为500mW,即0.5W。
2:工作温度。
3:PN结的结温。
4:耐压值为75V,大于75V,可能会损坏。
5:正常的输出电流是150mA。
6:能承受的反向电流,偶尔几次工作在这个反向电路下,二极管可能不会损坏,当是长时间工作在这个反向电流下,二极管可能会永久损坏。
7:能承受的最大浪涌电流是2A。
二极管的击穿
1.电击穿
当二极管反向电压很大时,便会将二极管击穿,此种击穿统称为电击穿。电击穿后二极管通常会短路或断路。电击穿通常可逆,但击穿可能会从电击穿转化为热击穿而不可逆。
2.热击穿
通常电流流过会产生热量,而当产生的热过多时,便会破坏二极管结构,造成热击穿,二极管的热击穿是不可逆的。
3.雪崩击穿
雪崩击穿是指外加电场过大时,原本形成共价键的稳定的电子会在电场的作用下脱离共价键,并撞击其他共价键中的电子并使其脱落,两个脱落电子再去撞击其他电子…就这样电子越撞越多,就像一个雪球形成雪崩一样,使二极管反向导通而击穿。雪崩击穿属于电击穿的一种,可能可逆。
雪崩击穿一般发生在图示阶段

4.齐纳击穿
当二极管的PN半导体掺杂浓度过高时,空间电荷区的宽度便会很窄。但相比与低浓度掺杂,二者的电场强度是一样的。在共价键中电子类似于这种情况:

图中坡代表电场,黄求代表电子,山代表共价键对电子的束缚力。
在电场作用下,电子理应向电势能低的方向移动,而共价键像座山一样在电子下坡路上,阻碍电子的前进。
而当掺杂浓度高时,空间电荷区变窄,相当于这样:

原来的坡变得更陡了,因为无论是共价键浓度,还是单位长度的电场强度的变化量都增大了。而当坡陡到一定程度时,便会发生一种神奇的现象——量子隧穿。也就是说,电子会直接穿过共价键这座“山”而随电场运动,从而使二极管导通达到击穿效果,所以齐纳击穿又称为隧道击穿。
齐纳击穿一般发生在该阶段,故齐纳击穿一般不会损坏二极管
击穿的区别
PN结反向击穿有齐纳击穿和雪崩击穿,一般两种击穿同时存在,但在电压低于5-6V时的击穿以齐纳击穿为主,而电压高于5-6V时的击穿以雪崩击穿为主。
电压低于5-6V的稳压管,齐纳击穿为主,稳压值的温度系数为负。电压高于5-6V的稳压管,雪崩击穿为主,稳压管的温度系数为正。电压在5-6V之间的稳压管,两种击穿程度相近,温度系数最好,这就是为什么许多电路使用5-6V稳压管的原因。稳压管的原理决定了它的反应速度是不可能很快。速度要求高的场合都用二极管+基准电压。
许多参考书上说,齐纳击穿可恢复,雪崩击穿不可恢复,这种观点是错误的。齐纳击穿和雪崩击穿均为电击穿,电击穿是可逆的,热击穿是不可逆的但是击穿电流需要加以限制,否则依然会损坏二极管
分类
二极管根据其特性分为整流二极管、开关二极管、肖特基势垒二极管、齐纳二极管、用于高频的高频二极管。另外,作为保护元件一般使用齐纳二极管,但随着周边电路的精密化、应用微细化,被要求使用更高性能的保护元件 — TVS (Transient Voltage Suppressor)。

按结构分类,按原子构造来分类,主要分为现在主流的平面型和耐高压的台面型。

1、整流二极管
整流二极管 (Rectifier Diode) ,是指对一定频率的交流电进行整流的二极管。整流的主要目的是将交流转换为直流,其具有高电压、高电流特性。另外,根据使用频率和使用条件不同,转换效率有所不同,提供低VF(正向电压)、高速开关型、低噪音等产品。

2、开关二极管
是指具有开关功能的二极管。由于半导体二极管具有单向导电的特性,在正偏压下PN结导通,在导通状态下的电阻很小,约为几十至几百欧;在反向偏压下,则呈截止状态,其电阻很大,一般硅二极管在10ΜΩ以上,锗管也有几十千欧至几百千欧。利用这一特性,二极管将在电路中起到控制电流接通或关断的作用,成为一个理想的电子开关。
因此开关二极管具有正向施加电压时电流通过 (ON),反向施加电压时电流停止 (OFF) 的性能。反向恢复时间 (trr) 短, 与其他二极管相比,开关特性优异。反向恢复时间 (trr) 是指开关二极管从导通状态到完全关闭状态所经过的时间。一般关断后电子不能瞬间停止,有一定量的反向电流流过。其漏电流越大损耗也越大。还正在开发优化材料或扩散重金属从而缩短trr,抑制反冲后振荡(振铃)的FRD (Fast Recovery Diode) 等产品。
以上的描述,其实适用于任何一支普通的二极管,或者说是二极管本身的原理。但针对于开关二极管,最重要的特点是高频条件下的表现。

trr是指电压变为反向后,直到电流变为零的时间。trr快速,则可以实现低损耗、高速开关。
3、肖特基势垒二极管
一般的二极管是利用PN接合来发挥二极管特性,而肖特基势垒二极管是利用了金属和半导体接合产生的肖特基势垒。与一般的PN结二极管相比肖特基二极管,是功耗低、超高速的半导体器件。其最显著特点是开关速度快、反向恢复时间极短(可以小到几纳秒);正向导通电压 (VF) 低,压降0.4V左右。肖特基二极管耐压高、速度快、电流大,压降小。(普通二极管电流小压降大),因此肖特基二极管主要用于高频、低压、大电流整流二极管、续流二极管、保护二极管,也有在微波通信等电路中作整流二极管、小信号检波二极管使用。在变频器、通信电源等应用中比较常见。但肖特基二极管漏电流 (IR) 大,有如果热设计错误则引起热失控的缺点。


热失控:肖特基势垒二极管在特性上会因正向电流大而导致发热。发热则漏电流 (IR) 变大,同时外壳温度、环境温度也上升。如果热设计错误,发热将高于散热,达不到热平衡持续发热。其结果漏电流 (IR) 也持续增加,最终元器件遭到损坏。这种现象叫做热失控。
4、齐纳二极管
齐纳二极管利用电流变化时电压恒定的特点,用于恒压电路,作为防止IC免受浪涌电流、静电损坏的保护元件使用。其特点是一般的二极管是正向使用,而齐纳二极管是反向使用。反向击穿电压称为齐纳电压(VZ) 、此时的电流值称为齐纳电流 (IZ) 。近年来随着电子设备的微细化/高功能化的不断发展,要求保护元件具备更高性能,在这种趋势下逐渐拉大与TVS (Transient Voltage Suppressor) 的差别。

5、高频二极管
由电阻值高的I型半导体制成,其特点是引脚间电容(CT)非常小。正向电压条件下,具有可变电阻特性,反向电压条件下,具有电容器特性。利用其高频特性(引脚间电容小,因此对通信线没有影响),作为高频信号开关(带天线的移动设备),衰减器,AGC电路用可变电阻元件使用

(1)检波二极管
检波二极管是用于把叠加在高频载波上的低频信号检出来的器件,它具有较高的检波效率和良好的频率特性。
(2)变容二极管
变容二极管的作用是利用PN结之间电容可变的原理制成的半导体器件,在高频调谐、通信等电路中作可变电容器使用。反向偏压增加,造成电容减少;
反向偏压减少,造成电容增加;
反偏电压愈大,则结电容愈小。
(3)阻尼二极管
阻尼二极管类似于高频、高压整流二极管,其特点是具有较低有电压降和较高的工作频率,且能承受较高的反向击穿电压和较大的峰值电流。
二极管作用
1、整流

这是全波整流电路,电路中的VD1和VD2为整流二极管,在电源电路中都是用整流二极管构成整流电路,整流电路将交流电压转换成单向脉动的直流电压。利用二极管单向导电性,可以把方向交替变化的交流电变换成单一方向的脉冲直流电。
2、稳压

电路中的VD1、VD2和VD3是普通二极管,它们串联起来后构成一个简易直流电压稳压电路。在直流工作电压的正向偏置作用下导通,导通后对这一电路的作用是稳定了电路中A点的直流电压。根据串联电路特性可知,这3只二极管如果导通会同时导通,如果截止会同时截止。于常用的硅二极管而言,3只二极管导通之后,每只二极管的管压降是0.6V,那么3只串联之后的直流电压降是0.6×3=1.8V。从电路中还可以看出,3只二极管上没有加入交流信号电压,因为在VD1正极即电路中的A点与地之间接有大容量电容C1,将A点的任何交流电压旁路到地端。
3、开关

电路中VD1是开关二极管,他的作用相当于一个开关,用来接通和断开电容C2的。二极管在正向电压作用下电阻很小,处于导通状态,相当于一只接通的开关;在反向电压作用下,电阻很大,处于截止状态,如同一只断开的开关。利用二极管的开关特性,可以组成各种逻辑电路。
4、温度补偿

这是一种特殊的分压偏置电路,二极管VD1用来进行温度补偿,以使三极管VT1的工作更加稳定,受温度影响更小。VT1是NPN型三极管,其基极直流电压高,则基极电流大;反之则小。三极管VT1工作在放大状态时要给它一定的直流偏置电压,这由偏置电路来完成。电路中的R1、VD1和R2构成分压式偏置电路,为三极管VT1基极提供直流工作电压,基极电压的大小决定了VT1基极电流的大小。二极管温度补偿偏置电路中主要利用二极管的的管压降温度特性。
工作原理
1、VT1等构成一种放大器电路,对于放大器而言要求它的工作稳定性好,其中有一条就是温度高低变化时三极管的静态电流不能改变,即VT1基极电流不能随温度变化而改变,否则就是工作稳定性不好。了解放大器的这一温度特性,对理解VD1构成的温度补偿电路工作原理非常重要。
2、 三极管VT1有一个与温度相关的不良特性,即温度升高时,三极管VT1基极电流会增大,温度愈高基极电流愈大,反之则小,显然三极管VT1的温度稳定性能不好。由此可知,放大器的温度稳定性能不良是由于三极管温度特性造成的。
3、利用二极管的管压降温度特性可以正确解释VD1在电路中的作用。假设温度升高,根据三极管特性可知,VT1的基极电流会增大一些。当温度升高时,二极管VD1的管压降会下降一些,VD1管压降的下降导致VT1基极电压下降一些,结果使VT1基极电流下降。由上述分析可知,加入二极管VD1后,原来温度升高使VT1基极电流增大的,现在通过VD1电路可以使VT1基极电流减小一些,这样起到稳定三极管VT1基极电流的作用。温度下降时,它的管压降稍有升高,使VT1基极直流工作电压升高,结果VT1基极电流增大,所以VD1可以起温度补偿的作用。
故障检测方法
这一电路中的二极管VD1故障检测方法比较简单,可以用万用表欧姆档在路测量VD1正向和反向电阻大小的方法。
当VD1出现开路故障时,三极管VT1基极直流偏置电压升高许多,导致VT1管进入饱和状态,VT1可能会发烧,严重时会烧坏VT1。如果VD1出现击穿故障,会导致VT1管基极直流偏置电压下降0.6V,三极管VT1直流工作电流减小,VT1管放大能力减小或进入截止状态。
5、保护电路

充当继流二极管,在开关电源的电感中和继电器等感性负载中起继流作用。二极管VDC用来保护驱动三级管VT1。这种保护电路在继电器驱动和电磁铁吸铁电路中有广泛的应用。
6、稳压值调节

如果稳压二极管的稳压值不能满足使用要求时,可以用普通二极管进行稳压值调节,在电路中的VD2是稳压二极管,VD1则是普通二极管,VD1能增加直流电压0.6V。
7、限幅

电路中的二极管串联后接在集成电路A1输出信号引脚与地之间,构成对输出信号的限幅,防止输出信号太大而损坏后面的三极管。二极管正向导通后,它的正向压降基本保持不变(硅管为0.7V,锗管为0.3V)。利用这一特性,在电路中作为限幅元件,可以把信号幅度限制在一定范围内。

8、防接反

二极管起电路电源正负极接反作用。电容C为电路板上的电源滤波电容。一般情况下,电路板输入电源中都会加二极管来防止电源接反时,而烧毁电路板。防反二极管一般接在电源输入端的正极上,当然也可接在负极上。通常用肖特基二极管作为防反二级管。 二极管防接反电路中主要利用二极管的的单向导电特性。
9、检波
在收音机中起检波作用。
10、变容
使用于电视机的高频头中。
11、触发
又称双向触发二极管(DIAC)属三层结构,具有对称性的二端半导体器件。常用来触发双向可控硅 ,在电路中作过压保护等用途。
12、显示与照明
比如led发光二极管,用于VCD、DVD、计算器等显示器上,也可用于手电等照明。
常见作用二极管细论
1、整流二极管(整流桥)

(1)输出电压
1、第一种情况:2和4之间没有接电容,而是直接负载。
输出直流电压 = 输入交流电压的有效值 * 0.9
2、第二种情况:2和4之间接了电容(一般是极性电容,用作储能),然后再接负载。
输出直流电压 = 输入交流电压的有效值 * 1.414
这个电压在波动,一般在0.9~1.4倍之间浮动。(取决于负载,理论上空载时电压最大为1.414倍)
(2)选择整流桥模块要考虑的参数
能流过的最大电流:
在一个工作周期(2Π时间内)中,因为只有两个二极管导通,所以流过的最大电流只要为负载电流的一半就可以了。譬如负载需要的电流为10mA,那么二极管能流过的最大电流要在5mA以上比较合适。
最大反向电压:
为负载(电容)两端电压的2.8倍左右。
封装和数据手册:

有斜角一端的是直流电的正极,中间的两个是交流电的接线端子,交流电没有正负极。

上图中,1指的是最大反向电压;2指的是有效电压。
因为整流桥中的二极管流过的是一个交流电,所以二极管两端的电压是在波动的,这时使用一个直流电的电压来等效它。在相同时间内,经过同一个电阻发出相同功率,就将该直流电压等效为交流电压,我们就把这个直流电压称为该交流电的有效值。
常用的全桥整流电路是KBJ4005、KBJ402等,KBJ40X含义:40表示最大的电流为4A。
(3)整流桥的检测
电阻测试:
电阻测试法是利用二极管的单向导通特性,测试其正向有电阻读值与反向截止无读值来判断其是否好坏。
压降测试:
压降测试法是利用万用表二极管档位直接测试整流桥内部二极管芯片的方法,读值为压降的参考值或近似值。
测整流电桥各脚的极性:
万用表置R×1k挡,黑表笔接桥堆的任意引脚,红表笔先后测其余三只脚,如果读数均为无穷大,则黑表笔所接为桥堆的输出正极,如果读数为4~10kΩ,则黑表笔所接引脚为桥堆的输出负极,其余的两引脚为桥堆的交流输入端。
2、光敏二极管
具有光敏特征的PN结,对光的变化非常敏感,具有单向导电性,而且光强不同的时候会改变电学特性,因此,可以利用光照强弱来改变电路中的电流。
3、LED发光二极管
(1)原理
在电子和空穴复合时,PN结会因电子跃迁而发出光亮。且对于不同的掺杂和半导体材质对应的二极管产生的光的颜色也不同。白色发光二极管通常是一个上表面涂上荧光粉的蓝色或紫色发光二极管。在荧光粉的作用下发出白光。七彩发光二极管内通常是由红,蓝,绿三种二极管组成,通过组合光达到七彩效果。有的七彩发光二极管会内置芯片,达到闪烁变色的效果。
绿色发光二极管导通压降:直插3-3.2V,贴片1.7-1.8V
(2)LED限流电阻计算
使用 LED发光二极管限流电阻值计算器 https://www.eechina.com/tools/led_current_limiting_resistance.html
将LED直接连接到电源会导致LED烧坏。您必须使用与LED串联的限流电阻进行保护。
计算电阻值需要从数据表中收集有关LED的一些信息。具体来说,我们需要确定LED的正向电压(VF)和正向电流(I F)。VF 告诉我们偏置LED开启所需的电压。IF 告诉我们LED可以处理的最大电流。我们还需要知道将为LED供电的电源电压。有了这些信息,我们可以应用以下公式计算出限流电阻值:

注:VF代表正向电压,一般小功率LED红、黄、橙、黄绿的VF是1.8-2.4V,纯绿、蓝、白的VF是3.0-3.6V。IF是正向电流,一般小功率LED的IF都是20mA。IR是反向电流。
LED限流电阻计算公式:限流电阻Ω = (电源电压V - LED正向电压V) / 限流电流A。
选用电阻时要注意功率,可以通过P=I2R得电阻功率,从而选定电阻封装(参考电阻相关知识)
如由LED灯规格书得知,LED正向电压为2V,限流电流为20mA。此时便可以通过公式算出电阻。

3、稳压二极管
稳压二极管(又叫齐纳二极管,英文名称Zener diode)是一种硅材料制成的面接触型晶体二极管,简称稳压管。利用PN结反向击穿状态,其电流可在很大范围内变化而电压基本不变的现象。
(1)工作原理
稳压二极管的特点就是击穿后,其两端的电压基本保持不变。这样,当把稳压管接入电路以后,若由于电源电压发生波动,或其它原因造成电路中各点电压变动时,负载两端的电压将基本保持不变。
状态①: 正向偏置状态。此状态下,稳压二极管的特性表现为普通二极管的特性,即:随着正向偏压的提高,正向电流变化很大、很陡!但由于Vf(0.3V~0.7V左右)很小,此正向偏置状态基本无使用价值。需要注意的是,不同的稳压二极管的正向压降是不同的。
状态②: 反向偏置状态。二极管的伏安特性曲线如下图所示,当二极管两端施加正向电压大于死区电压时,二极管才导通,硅材料二极管0.6V左右,锗材料二极管0.2V左右。导通之后在很小区间范围之内电流变化很大而电压变化很小;当施加正向电压小于死区电压,或施加反向电压小于击穿电压时,二极管电流很小,几乎为零(μA级别的),相当于截止状态。普通二极管简易稳压电路中主要利用二极管的导通后管压降基本不变特性。在击穿区尽管电流在很大的范围内变化,而二极管两端的电压却基本上稳定在击穿电压附近,从而实现了二极管的稳压功能。图中的黄**域(击穿区)就是稳压二极管的正常工作状态,通常此区域对应的Vr区间范围很小,此电压就是稳压二极管的工作点、稳压值。

(2)主要参数
稳定电压(Uz):
指稳压管通过额定电流时两端产生的稳定电压值。该值随工作电流和温度的不同而略有改变。由于制造工艺的差别,同一型号稳压管的稳压值也不完全一致。例如,稳压二极管BZV55-C16(立创商城的商品编号:C)的Vz(min)为15.3V, Vz(max)则为17.1V。
稳定电流(Iz):
工作电压等于稳定电压时的反向电流。元器件工作时,通过的反向基础电流,稳压二极管的工作电流偏小,稳压效果就会变差,而电流过大,又会导致管体由于温度过高而损坏。低于此值时,稳压管虽并非不能稳压,但稳压效果会变差;高于此值时,只要不超过额定功率损耗,也是允许的,而且稳压性能会好一些,但要多消耗电能。
动态电阻(Rz):
稳压二极管工作时,我们希望在电流变化范围很大时,所稳定的电压变化尽量小一些,为了准确反映这一性能,规定把电压变化量与电流变化量的比值,叫做稳压二极管的动态电阻。该比值随工作电流的不同而改变,一般是工作电流愈大,动态电阻则愈小。可见稳压二极管的动态电阻越小,说明稳压管的性能越好。
耗散功率(Pz):
反向电流通过稳压二极管的PN结时,要产生一定的功率损耗,PN结的温度也将升高。根据允许的PN结工作温度决定出管子的耗散功率。通常小功率管约为几百毫瓦至几瓦。最大耗散功率Pzm:是稳压管的最大功率损耗取决于PN结的面积和散热等条件。反向工作时,PN结的功率损耗为:Pz=Vz*Iz,由Pzm和Vz可以决定Izmax。
温度系数(Ctv):
温度的变化将使VZ改变,在稳压管中,当|VZ|>7V时,Vz具有正温度系数,反向击穿是雪崩击穿。 当|Vz|<4V时,VZ具有负温度系数,反向击穿是齐纳击穿。当4V<|Vz|<7V时,稳压管可以获得接近零的温度系数。这样的稳压二极管可以作为标准稳压管使用。例如2CW58稳压管的Ctv是+0.07%/°C,即温度每升高1°C,其稳压值将升高0.07%。对电源要求比较高的场合,可以用两个温度系数相反的稳压管串联起来作为补偿。由于相互补偿,温度系数大大减小,可使温度系数达到0.0005%/℃。
反向漏电流(IR):
指稳压二极管在规定的反向电压下产生的漏电流。例如2CW58稳压管的VR=1V时,IR=0.1uA;在VR=6V时,IR=10uA。
(3)和普通二极管区别
(4)应用电路
a.简易稳压电路
此电路利用齐纳二极管的稳压特性,实现稳压,但输出电流很小。

UI=UR+UO ; IR=IDZ+IL
电网电压波动:(UZ 为稳压管电压)

负载变化:

b.改进型稳压电路
此电路利用齐纳二极管的稳压特性,实现稳压,可输出较大的电流。

c.LED指示灯的ESD保护电路
此电路利用齐纳二极管的反向偏置特性,防止LED受静电过高而损坏。

d.过压保护电路
如果输出电压过高,此电路中的齐纳二极管会导通,进而触发可控硅SCR对输入电压端进行限制。

e.过压保护电路2
如果输入信号过大,容易损坏运放OP,通过放置齐纳二极管可对Input信号的幅度大小进行限制。注意这种情况下,要选用反向漏电流很小的D1;而信号频率过高的话,还要考虑D1的等效电容要足够小。

(5)选取原则
要求导通电压低时选锗管;
要求反向电流小时选硅管;
要求导通电流大时选面结合型;
要求工作频率高时选点接触型;
要求反向击穿电压高时选硅管;
要求耐高温时选硅管。
稳压二极管的稳压值离散性很大,即使同一厂家同一型号产品,其稳定电压值也不完全一样,这一点在选用时应加以注意。对要求较高的电路,选用前应对稳压值进行检测。
对于过电压保护的稳压二极管,其稳定电压的选定要依据保护电压的大小选用,其稳定电压值不能选的过大或过小,否则起不到电压保护的作用。
在选用稳压二极管时,除了要注意稳定电压、最大工作电流等参数外,还要注意选用动态电阻较小的稳压二极管,因为动态电阻越小,稳压性能越好。
使用稳压管时应注意,二极管的反向电流不能无限增大,否则会导致二极管的过热损坏。因此,稳压管在电路中一般需要串联限流电阻。
选用稳压二极管时,要根据具体电子电路来考虑,简单的并联稳压电源,输出电压就是稳压二极管的稳定电压。
4、TVS管
TVS管是一种瞬态抑制二极管(Transient Voltage Suppressor),是一种具有浪涌吸收能力的半导体器件,它的响应时间极快,达到亚纳秒级,因此一旦电路收到瞬间高能量冲击时候它能够把这股能量抑制下来,通过吸收来自电路的瞬间大电流、高电压钳位,最终的结果的是保护后面的设备或者电路。

TVS二极管有单向和双向之分,单向多用于直流电路,双向多用于交流电路,在电路当中与被保护线路并联,一旦瞬时电压超过电路正常工作电压后,TVS二极管便发生雪崩效应,提供给瞬时电流一个超低电阻通路,从而使得被保护器件或设备避免受到损毁。因此这种TVS二极管非常适用于对ESD敏感的电路以及过压电路。如上图,单向TVS管接入电路时候极性要与电源输入极性相反,这样电路才能起作用。
优点:响应时间极快、瞬态功率大、漏电流低、箝位电压比较不易控制、无损坏极限、体积小等优点。
缺点:击穿电压比较低,价格比较昂贵。
(1)常见参数及选用说明:
1、击穿电压V(BR) 器件在发生击穿的区域内,在规定的试验电流I(BR) 下,测得器件两端的电压称为击穿电压,在此区域内,二极管成为低阻抗的通路。
2、最大反向脉冲峰值电流IPP,在反向工作时,在规定的脉冲条件下,器件允许通过的最大脉冲峰值电流。IPP与最大箝位电压Vc(MAX) 的乘积,就是瞬态脉冲功率的最大值。 说明:使用时应正确选取TVS,使额定瞬态脉冲功率PPR大于被保护器件或线路可能出现的最大瞬态浪涌功率。
3、最大反向工作电压VRWM(或变位电压)器件反向工作时,在规定的IR下,器件两端的电压值称为最大反向工作电压VRWM。通常VRWM =(0.8~0.9)V (BR) 。说明:在这个电压下,器件的功率消耗很小。使用时,应使VRWM 不低于被保护器件或线路的正常工作电压。
4、最大箝位电压Vc(max ) 在脉冲峰值电流Ipp 作用下器件两端的最大电压值称为最大箝位电压。 说明:使用时,应使Vc(max )不高于被保护器件的最大允许安全电压。
5、反向脉冲峰值功率PPR: TVS的PPR取决于脉冲峰值电流IPP和最大箝位电压Vc(max ),除此以外,还和脉冲波形、脉冲时间及环境温度有关。
(2)分类
按极性可分为:单极性和双极性两种;
按用途可分为:通用型和专用型;
按封装和内部结构可分为:轴向引线二极管、双列直插TVS阵列、贴片式和大功率模块等。
常用型号
1N5819是肖特基二极管,耐压40V,电流1A,正向压降低,反向恢复时间在10ns左右,主要用于高频电路中
1N4007是普通整流二极管,耐压1000v,电流1A,反向恢复时间在ms级别,只能用于低频电路中
1N4148是高速开关二极管,耐压100V,电流150mA,反向恢复速度快
如果不是稳压、检波什么的这几种基本够用
ss14、ss24、ss34、ss54的区别只是1A、2A、3A、5A;常见封装有SMA,还有SMB、SMC,大小依次增大。贴片常用封装还有玻封的LL34
贴片肖特基二极管常用的还有SS56。具有大电流高耐压特点,(60V 5A),
在升降压电路用SS56会比SS34好(尤其升压),原因是:首先耐压值不够,因为根据升降压原理,MOS和肖特基的耐压要大于输入加输出电压总和(假如输入电压和输出电压最大都为30V,mos管和肖特基的耐压值最起码要达到60V),SS34耐压最高40V,6009最高耐压36V,这种模块的设计是存在安全隐患的;其次电流输出能力不够,原装SS34最大电流3A(再加上开关损耗,散热不好,真实可通过电流能力小于3A),肖特基一旦电压过高或者温度过高就会被击穿,从而烧毁主芯片,存在安全隐患。
版权声明:本文内容由互联网用户自发贡献,该文观点仅代表作者本人。本站仅提供信息存储空间服务,不拥有所有权,不承担相关法律责任。如发现本站有涉嫌侵权/违法违规的内容,请联系我们,一经查实,本站将立刻删除。
如需转载请保留出处:https://51itzy.com/kjqy/55840.html