什么是OEE?
OEE(Overall Equipment Effectiveness)叫“设备综合效率”;是制造业常用的一种测量工具,用来表现设备实际的生产能力相对于理论产能的比率。
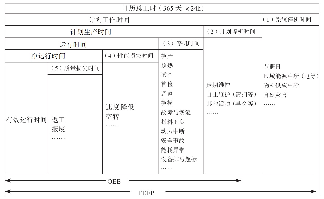
OEE计算公式
OEE = A x P x Q
A:Availability 可用率【时间稼动率,评价因停机/待机所带来的时间损失】
P:Performance 性能指数【性能稼动率,评价因设备性能所带来的损失】
Q:Quality 质量指数【良品率,评价因产品质量带来的损失】
A = 运行时间 / 计划生产时间
P = 净运行时间 / 运行时间 = (理想节拍 × 总计数) / 运行时间
Q = 有效运行时间 / 净运行时间 = 良品数 / 总计数
因此OEE = (理想节拍 x 良品数) / 计划生产时间


版权声明:本文内容由互联网用户自发贡献,该文观点仅代表作者本人。本站仅提供信息存储空间服务,不拥有所有权,不承担相关法律责任。如发现本站有涉嫌侵权/违法违规的内容,请联系我们,一经查实,本站将立刻删除。
如需转载请保留出处:https://51itzy.com/kjqy/54534.html