一.直流通路与交流通路
前言:
在放大电路中,直流电源的作用和交流电源的作用总是共存的,即静态电流,电压,动态电流,电压总是共存的。但是,由于电感,电容等电抗元件的存在,直流量所流经的通路与交流信号所流经的通路不完全相同。
因此,为了研究问题方便起见,常把直流电源对电路的作用和输入信号对电路的作用区分开来,分成直流通路和交流通路。
1.直流通路
直流通路是在直流电源作用下直流电源流经的通路,也就是静态电流流经的通路,用于研究静态工作点
对于直流通路:
1.电容视为开路
2.电感线圈视为短路
3.信号源视为短路,但是应该保留其内阻
2.交流通路
交流通路是输入信号下交流信号流经的通路,用于研究动态参数
对于交流通路:
1.容量大的电容(耦合电容)视为短路
2.无内阻的直流电源(VCC)视为短路
3.作图方法:
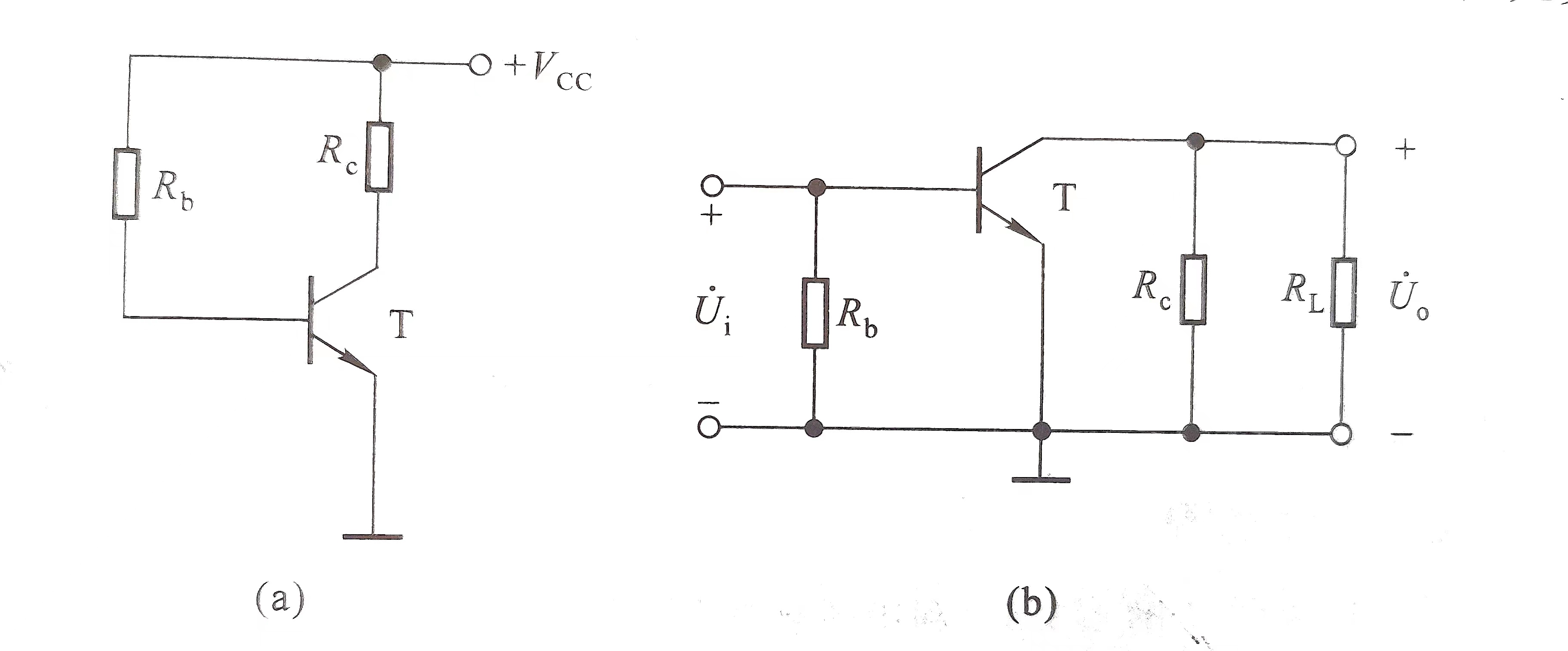
以阻容耦合共射放大电路为例:

直流通路:
对于直流量,C1,C2开路,所以直流通路如图a所示
交流通路:
对于交流量,C1,C2短路,直流电源VCC短路,故使VCC接地,因此可以把Rb并联在基极与发射极之间,即并联在输入端,集电极电阻Rc与负载电阻RL并联在集电极与发射极之间,即并联在输出端
从直流通路可以看出,由于C1,C2的隔直作用,静态工作点与信号源内阻和负载电阻无关
在分析放大电路时,应遵循“先静态,后动态”的原则,求解静态工作点时应利用直流通路,求解动态参数时应利用交流通路,两种通路不可混淆
只有静态工作点合适,动态分析才有意义
二.图解法
1.静态工作点的分析


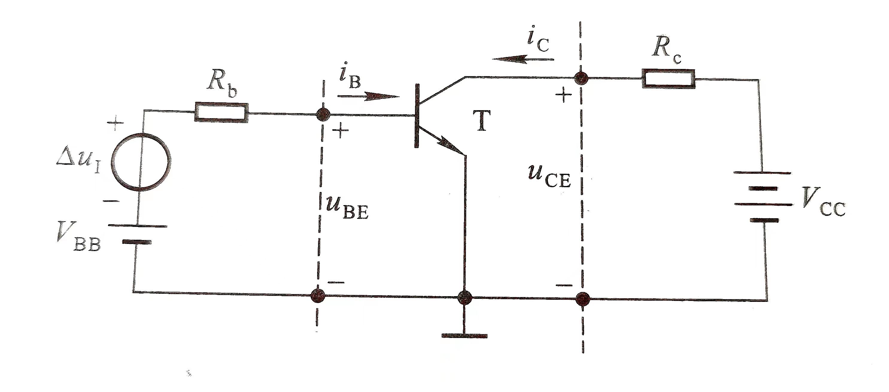
当输入信号△ui=0时,在晶体管的输入回路中,静态工作点既应在晶体管的输入特性曲线上,又应该满足外电路的回路方程:uBE=VBB-iBRb
在输入特性坐标系中,画出上述式子所确定的直线,它与横轴的交点为(VBB,0),与纵轴的交点为(0,VBB/Rb),斜率为-1/Rb。直线与曲线的交点就是静态工作点Q,其横坐标值为UBEQ,纵坐标值为IBQ,该直线称为输入回路负载线。
与输入回路类似,在晶体管的输入回路中,静态工作点既应在IB=IBQ的那条输出特性曲线上,又应该满足外电路的回路方程:uCE=VCC-iCRc
在输出特性坐标系中,画出上述式子所确定的直线,它与横轴的交点为(VCC,0),与纵轴的交点为(0,VCC/Rc),斜率为-1/Rc。并且找到IB=IBQ的那条输出特性曲线,该曲线与上述直线的交点就是静态工作点Q,其纵坐标值为ICQ,横坐标值为UCEQ,该直线称为输出回路负载线。
注意:如果输出特性曲线中没有IB=IBQ的那条输出特性曲线,那么应当补测该曲线。
2.电压放大倍数的分析

当加入输入信号△ui时,输入回路方程为:
uBE=VBB+△ui-iBRb
该直线与横轴的交点为(VBB+△ui,0),与纵轴的交点为(0,(VBB+△ui)/Rb)。但斜率仍然为-1/Rb
在求解电压放大倍数Au时,首先给定△ui,然后根据式做输入回路负载线,从输入回路负载线与输入特性曲线的交点便可得到在△ui作用下的基极电流变化量△iB;
在输出特性曲线中,找到iB=IBQ+△iB的那条输出特性曲线,输出回路负载线与曲线的交点为(UCEQ+△uCE,ICQ+△iC),其中△uCE就是输出电压,从而得到电压放大倍数

Au=△uCE/△ui=△uo/△ui
总结:
△iB从△ui中得出,△iC和△uCE从△iB得出
上述求解过程可以简述如下,首先给定输入信号△ui,经过输入回路图解得到△iB,经过输出回路图解得到△iC,然后得到△uCE,最后得到电压放大倍数Au
从图解分析可知,当△ui大于0时,△iB和△iC均大于0,而△uCE<0,反之,当△ui小于0时,△iB和△iC均小于0,而△uCE>0。说明输出电压与输入电压的变化相反。
在输入回路中,若直流电压VBB的数值不变,则基极电阻Rb的越小,IBQ和UBEQ的值越大,即Q点越高,Q点附近的曲线越陡,因而在同样的△ui作用下,若产生的△iB越大,则电压放大倍数Au越大
在输出回路中,Rc的数值越小,△uCE越小,负载线越陡,因而在同样的△ic作用下,若产生的△uCE越大,则电压放大倍数Au越大
可见,Q点的位置影响着放大电路的电压放大能力
应当指出,利用图解法求解电压放大倍数时,△ui的数值越大,晶体管的非线性特性对分析结果的影响越大。
3.波形非线性失真的分析
当输入电压为正弦波时,若静态工作点合适且输入信号幅值较小,则晶体管b-e间的动态电压为正弦波,基极动态电流也为正弦波,如图a所示。在放大区内集电极电流随基极电流按β倍变化,并且ic与uCE将沿负载线变化。当ic增大时,uCE减少;当ic减少时,uCE增大。由此得到动态管压降uce,即输出电压uo,uo与ui反相,如图b所示。

当Q点过低时,在输入信号负半周靠近峰值的某段时间内,晶体管b-e间电压总量ube小于其开启电压Uon,晶体管截止。因此基极电流ib将产生底部失真,如图a所示,集电极电流ic和集电极电阻Rc上电压的波形必然随ib产生同样的失真;而由于输出电压uo与Rc上电压的变化相位相反,从而导致uo波形产生顶部失真,如图b所示。
因晶体管截止而产生的失真称为截止失真。
为了消除截止失真,就要适当增大Q点。为此只有增大基极电源VBB,才能消除截止失真。

当Q点过高时,虽然基极动态电流ib为不失真的正弦波,如图a所示,但是由于输入信号正半周靠近峰值的某段时间内晶体管进入了饱和区,导致集电极动态电流ic产生顶部失真,集电极电阻Rc上的电压波形产生了同样的失真。由于输入电压uo与Rc上电压的变化相位相反,从而导致uo波形产生底部失真,如图b所示。
因晶体管饱和而产生的失真称为饱和失真。
为了消除饱和失真,就要适当降低Q点。为此可以增大基极电阻Rb以减小基极静态电流IBQ,从而减小集电极静态电流ICQ;也可以减小集电极电阻Rc以改变负载线斜率,从而增大管压降UCEQ;或者更换一直β较小的管子,以便在同样的IBQ情况下减少ICQ。

注意,截止失真和饱和失真都是比较极端的情况。实际上,在输入信号的整个周期内,即使晶体管始终工作在放大区域,也会因为输入特性和输出特性的非线性使输出波形产生失真,只不过当输入信号幅值较小时,这种失真也非常小,可以忽略不计。
如果将晶体管的特性理想化,即认为在管压降总量uCE最小值大于饱和管压降UCES(即管子不饱和),且基极电流总量iB的最小值大于0(即管子不截止)的情况下,非线性失真可以忽略不计,那么就可以得出放大电路的最大不失真输出电压Uom。
取值方法:以UCEQ为中心,取VCC-UCEQ和UCEQ-UCES这两段距离中较小的数值,并除以√2,则得到其有效值Uom。为了Uom尽可能大,应将Q点设置在方法区内负载线的中点,即其坐标值为(VCC+UCES)的位置,此时Uon=(VCC+UCEQ)/√2
4.直流负载线与交流负载线
从阻容耦合共射放大电路的交流通路可以看出,当电路带上负载电阻RL时,输出电压是集电极动态电流ic在集电极电阻Rc和负载电阻RL并联总电阻Rc//RL上所产生的电压,而不是仅决定于Rc。因此,由直流通路所确定的负载线uCE=VCC-iCRc称为直流负载线,而动态信号遵循的负载线称为交流负载线。
交流负载线应该具备两个特征:
1.由于输入电压ui=0时,晶体管的集电极电流应为ICQ,管压降应为UCEQ,所以它必过Q点;
2.由于集电极动态电流ic仅决定于基极动态电流ib,而动态管压降uce等于ic与Rc//RL之积,所以它的斜率为1/(Rc//RL)。根据上述特征,只要过Q点做一条斜率为-1/(Rc//RL)的直线就是交流负载线。
实际上,已知直线上一点为Q,再寻找一点,连接两点即可。
如图所示,对于直角三角形QAB,已知直角边QA为ICQ,斜率为1/(Rc//RL),因而另一个直角边AB为ICQ(Rc//RL),
所以交流负载线与横轴的交点坐标为[UCEQ+ICQ(Rc//RL),0],连接该点与Q点所得的直线就是交流负载线。

放大电路带负载RL后,在输入信号ui不变的情况下,输入电压uo的幅值变小,即电压放大倍数的数值变小。同时,最大不失真输出电压也产生变化,其峰值等于(UCEQ-UCES)与ICQ(Rc//RL)中的小车,有效值是峰值除以√2
对于放大电路与负载直接耦合的情况,直流负载线与交流负载线是同一条直线,而对于阻容耦合放大电路,只有在空载时两条直线才合二为一
5.图解法的适用范围
图解法的特点是直观形象地反映晶体管的工作情况,但是必须实测管的特性曲线,而且用图解法进行定量分析时误差较大。此外,晶体管的特性曲线只反映信号频率较低时的电压、电流关系,而不反映信号频率较高时极间电容产生的影响。因此,图解法适用于分析输出幅值比较大而工作频率不太高时的情况。
在实际应用中,多用于分析Q点的位置,最大不失真输出电压和失真情况等。
如图:

若静态工作点从Q1移动到Q2,因为Q1和Q2都在同一条输出特性曲线上,所以IBQ相同,说明Rb、VBB均没变;
而Q1和Q2不在同一条负载线上,说明Rc发生了变化(斜率),由于负载线变陡,所以静态工作点从Q1移动Q2的原因是Rc减小
若静态工作点从Q2移动到Q3,因为Q2和Q3都同在一条负载线上,所以Rc不变,而Q2和Q3不在同一条输出特性曲线上,说明Rb、VBB发生变化。由于Q3的IBQ大于Q2的IBQ,因此从Q2移动到Q3的原因是Rb减小或VBB增大,当然也可能兼而有之
若静态工作点从Q3移动到Q4,因为Q4和Q3都同在一条输出特性曲线上,所以输入回路参数没有变化,而Q4所在负载线平行于Q3所在负载线,说明Rc没有发生变化,从负载线与横轴交点可知,从Q3移动到Q4的原因是集电极电源VCC增大

版权声明:本文内容由互联网用户自发贡献,该文观点仅代表作者本人。本站仅提供信息存储空间服务,不拥有所有权,不承担相关法律责任。如发现本站有涉嫌侵权/违法违规的内容,请联系我们,一经查实,本站将立刻删除。
如需转载请保留出处:https://51itzy.com/kjqy/47416.html