热电偶测温方案 AD7124+Pt100冷端补偿
包含Pt100、NTC热敏、热电偶处理驱动源码
支持热电偶类型T、J、E、N、K、B、R、S 8种类型
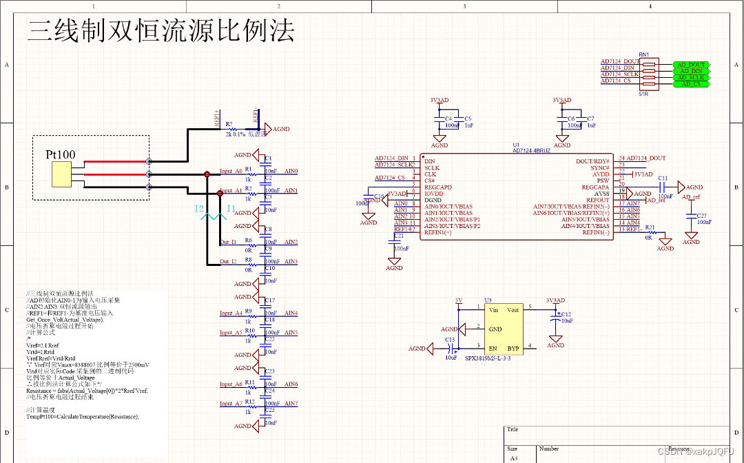
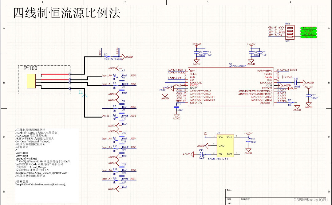
Pt100测温方案 三线制 四线制
三线制双恒流源比例法,消除导线电阻误差
包含原理图和STM32+AD7124+热电偶方案+Pt100冷端补偿解析工程源码
如果用于别的MCU可以参考此代码移植
资料很全
热电偶测温方案 AD7124+Pt100冷端补偿
摘要:
本文介绍了一种基于AD7124和Pt100冷端补偿的热电偶测温方案。该方案支持8种热电偶类型(T、J、E、N、K、B、R、S),并提供了Pt100测温方案中的三线制和四线制两种接法。文章详细介绍了该方案的原理图以及STM32+AD7124+热电偶方案+Pt100冷端补偿解析的工程源码,如果需要在其他MCU上移植,可以参考此代码。本文旨在提供一种实用且全面的技术分析,帮助读者了解和应用热电偶测温方案。
- 引言
在现代工业生产和实验研究中,温度测量是一个非常重要的环节。而热电偶是一种常用的温度传感器,其广泛应用于工程领域。
- AD7124介绍
AD7124是一款高性能的模数转换芯片。它具有低噪声、高精度和低功耗的特点,非常适合用于热电偶测温方案。同时,AD7124支持多种通信接口,如SPI和I2C,方便与MCU进行通信。
- Pt100冷端补偿
Pt100是一种常见的电阻式温度传感器。在测温过程中,由于接线电阻的存在,会导致测量结果的误差。为了减小这种误差,我们可以采用Pt100冷端补偿的方法。具体的补偿原理和计算方法将在后文进行详细介绍。
- 热电偶类型支持
根据不同的应用场景和要求,热电偶可以分为多种类型,如T、J、E、N、K、B、R、S等。本方案支持这八种类型的热电偶,读者可以根据自己的需求选择合适的热电偶。
- Pt100测温方案
对于需要更高精度的温度测量,可以选择Pt100测温方案。本文提供了三线制和四线制两种接法的Pt100测温方案,以满足不同应用场景下的需求。

- 原理图和工程源码
为了帮助读者更好地理解和应用该热电偶测温方案,本文提供了详细的原理图和工程源码。读者可以通过参考这些资料,快速实现自己的热电偶测温系统,并根据需要进行移植。
- 结论
本文基于AD7124和Pt100冷端补偿,提供了一种全面且实用的热电偶测温方案。通过支持8种热电偶类型和Pt100测温方案的介绍,以及提供的原理图和工程源码,读者可以快速了解和应用该方案。同时,本文的目的是提供一种技术分析,帮助读者深入理解热电偶测温方案的原理和应用。希望读者通过本文的学习和实践,能够在自己的工程项目中实现准确和稳定的温度测量。
- 参考文献
[1] AD7124 datasheet
[2] Pt100冷端补偿原理解析
[3] STM32+AD7124+热电偶方案+Pt100冷端补偿解析工程源码
[4] 热电偶测温方案的选型与应用指南
[5] 温度测量技术综述
以上是本文的大致框架和内容。通过详细介绍热电偶测温方案的原理、支持的热电偶类型、Pt100冷端补偿以及提供的原理图和工程源码,读者可以全面了解和应用该方案。本文旨在帮助读者在温度测量方面取得更好的效果,并促进技术交流和分享。





版权声明:本文内容由互联网用户自发贡献,该文观点仅代表作者本人。本站仅提供信息存储空间服务,不拥有所有权,不承担相关法律责任。如发现本站有涉嫌侵权/违法违规的内容,请联系我们,一经查实,本站将立刻删除。
如需转载请保留出处:https://51itzy.com/kjqy/45512.html