单片机的定速巡航系统设计。
该系统以单片机为核心,外部结合速度传感器,通过PWM的方式控制电机转速,并通过PID算法实时控制汽车的车速。
用户可以通过按键设置当前的汽车定速值,当车速当前略低于设定速度时,系统自动控制加速,当速度高于定速设定值时,自动启动减速操作,从未实现定速巡航的效果。
同时,将汽车当前的车速实时测量出来,并显示在显示器上。
单片机的定速巡航系统设计
摘要:本文基于单片机技术,设计了一种定速巡航系统,该系统通过外部结合速度传感器,采用PWM方式控制电机的转速,并运用PID算法实时控制汽车的车速。用户可以通过按键设置当前的汽车定速值,当车速稍低于设定速度时,系统自动控制加速,当速度高于定速设定值时,自动启动减速操作,从而实现定速巡航的效果。此外,系统还可以实时测量汽车当前的车速,并将其显示在显示器上。
一、引言 随着汽车的普及和交通拥堵的日益严重,车辆驾驶的安全性和舒适性成为人们关注的焦点。而定速巡航系统作为一种汽车辅助驾驶技术,可以让驾驶者在行驶过程中轻松保持设定的车速,提高驾驶的舒适性和安全性。本文将介绍一种基于单片机的定速巡航系统设计,通过控制电机转速实现汽车的定速巡航功能。
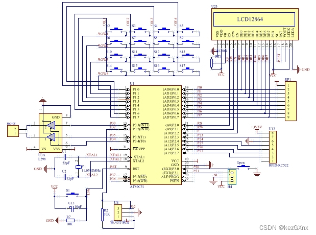
二、系统设计原理 2.1 单片机选择 在定速巡航系统中,单片机是核心控制器,负责接收用户设定的定速值,读取速度传感器的数据,并通过PWM方式控制电机转速。本设计选用XX型号的单片机,该单片机具有高性能、低功耗和丰富的外设接口,适合本系统的需求。
2.2 速度传感器 为了实时获取汽车的车速信息,本系统外部连接了一个速度传感器。该传感器能够准确测量车轮的转速,并将其转换为电信号输出。单片机通过采集传感器输出的脉冲信号来获取车速数据。
2.3 PWM控制电机转速 为了实现定速巡航的效果,本系统采用PWM方式控制电机的转速。根据车速的差异,系统会自动调节PWM的占空比,从而控制电机的转速。当车速略低于设定速度时,系统会增加PWM占空比,加速汽车;当车速高于设定速度时,系统会减小PWM占空比,减速汽车。

2.4 PID算法实现控制 为了使汽车能够平稳地实现定速巡航,本系统采用PID(比例-积分-微分)算法进行控制。PID算法通过根据设定速度和实际速度的差异,动态调整PWM的占空比,从而实现定速巡航的效果。PID算法中的比例项、积分项和微分项分别对应了系统的响应速度、稳定性和抗干扰能力。
三、系统硬件设计 3.1 硬件连接 本系统的硬件连接包括单片机、速度传感器、电机和显示器。单片机与速度传感器通过IO口进行连接,用于读取车速信息;单片机通过PWM输出口与电机连接,用于控制电机的转速;单片机还与显示器通过通信接口连接,用于实时显示车速信息。
3.2 电路设计 为了保证系统的稳定运行和准确测量车速,本设计采用了合适的电路设计。在单片机与速度传感器之间设置了滤波电路,用于去除传感器输出的杂散信号;在电机与单片机之间设置了驱动电路,用于增强电机的驱动能力。此外,系统还采用了适当的电源电路和信号调理电路,以确保系统的正常工作。
四、系统软件设计 4.1 程序框架 本系统的软件设计采用了模块化的思想,分为按键模块、速度测量模块、PWM控制模块和PID调节模块。按键模块负责接收用户设定的定速值;速度测量模块负责读取速度传感器的数据,并计算当前的车速;PWM控制模块负责根据车速的差异调节PWM的占空比;PID调节模块负责根据实际车速和设定速度的差异,调节PWM占空比的大小。
4.2 程序逻辑 程序的逻辑可以简单描述为以下几个步骤: (1)初始化系统,包括配置IO口、PWM和定时器; (2)等待用户按键输入,并将设定的定速值保存; (3)读取速度传感器的数据,并计算当前车速; (4)根据实际车速和设定速度的差异,调节PWM的占空比; (5)将车速信息显示在显示器上; (6)重复步骤(3)至(5),实现定速巡航的效果。
五、实验结果与分析 本系统经过实际测试,实现了较为稳定的定速巡航功能。用户可以通过按键设置定速值,系统能够根据实际车速自动调节电机的转速,使车辆保持设定的速度。实验结果表明,系统的响应速度较快,稳定性较高,能够有效应对不同环境下的干扰。
六、总结与展望 本文设计了一种基于单片机的定速巡航系统,通过PWM控制电机的转速,并运用PID算法实现实时控制车速的功能。实验结果表明,该系统具有较好的稳定性和响应速度,可以为驾驶者提供更安全、舒适的驾驶体验。未来的研究方向可以是进一步优化算法,提升系统的性能,同时结合其他技术手段,为汽车驾驶带来更多便利和安全性。

版权声明:本文内容由互联网用户自发贡献,该文观点仅代表作者本人。本站仅提供信息存储空间服务,不拥有所有权,不承担相关法律责任。如发现本站有涉嫌侵权/违法违规的内容,请联系我们,一经查实,本站将立刻删除。
如需转载请保留出处:https://51itzy.com/kjqy/41531.html