实验四 振幅调制器
一、实验目的
1.掌握用集成模拟乘法器实现全载波调幅和抑止载波双边带调幅的方法。
2.研究已调波与调制信号及载波信号的关系。
3.掌握调幅系数测量与计算的方法。
4.通过实验对比全载波调幅和抑止载波双边带调幅的波形。
二、实验内容
1.调测模拟乘法器MC1496正常工作时的静态值。
2.实现全载波调幅,改变调幅度,观察波形变化并计算调幅度。
3.实现抑止载波的双边带调幅。
三、基本原理
幅度调制就是载波的振幅(包络)受调制信号的控制作周期性的变化。变化的周期与调制信号周期相同。即振幅变化与调制信号的振幅成正比。通常称高频信号为载波信号。本实验中载波是由晶体振荡产生的10MHZ高频信号。1KHZ的低频信号为调制信号。振幅调制器即为产生调幅信号的装置。
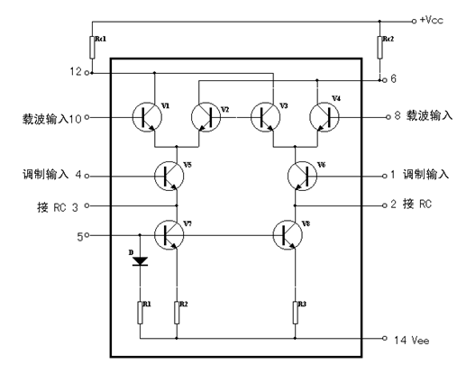
在本实验中采用集成模拟乘法器MC1496来完成调幅作用,图4-1为1496芯片内部电路图,它是一个四象限模拟乘法器的基本电路,电路采用了两组差动对由V1-V4组成,以反极性方式相连接,而且两组差分对的恒流源又组成一对差分电路,即V5与V6,因此恒流源的控制电压可正可负,以此实现了四象限工作。DV7、V8为差动放大器V5与V6的恒流源。进行调幅时,载波信号加在V1-V4的输入端,即引脚的⑧、⑩之间;调制信号加在差动放大器V5、V6的输入端,即引脚的①、④之间,②、③脚外接1K电位器,以扩大调制信号动态范围,已调制信号取自双差动放大器的两集电极(即引出脚(6)、(12)之间)输出。
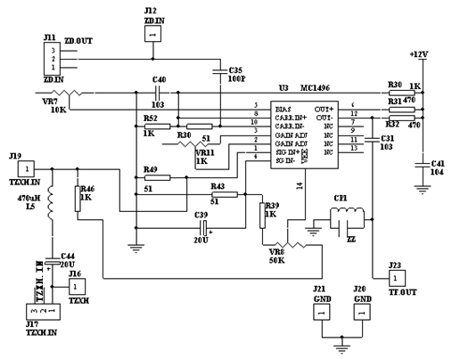
用1496集成电路构成的调幅器电路图如图4-2(a)所示,图中VR8用来调
节引出脚①、④之间的平衡,VR7用来调节⑤脚的偏置。器件采用双电源供电方
式(+12V,-9V),电阻R29、R30、R31、R32、R52为器件提供静态偏置电压,
保证器件内部的各个晶体管工作在放大状态。

四、实验步骤
1.静态工作点调测:使调制信号Va=0,载波Vc=0(短路块J11、J17开路),调节VR7、VR8使各引|脚偏置电压接近下列参考值:
| V8 |
V10 |
V1 |
V4 |
V6 |
V12 |
V2 |
V3 |
V5 |
| 5.62V |
5.62V |
0V |
0V |
10.38V
|
10.38V |
-0.76V |
-0.76V |
-7.16V |
R39、R46与电位器VR8组成平衡调节电路,改变VR8可以使乘法器实现抑止载波的振幅调制或有载波的振幅调制
2.抑止载波振幅调制:J12端输入载波信号vc(t)其频率fc=10MHz,峰一峰UCP-P=100-300mV。J16端输入调制信号Va()其频率fo=1KHz,先使峰峰值U。p-P=0,调节VR8,使输出Vo=0此时U4=U1),再逐渐增加UQ2-P,则输出信号Vo(t)的幅度逐渐增大,最后出现如图4-3(a)所示的抑止载波的调幅信号。由于器件内部参数不可能完全对称,致使输出出现漏信号。脚①和④分别接电阻R43和R49可以较好地抑止载波漏信号和改善温度性能。
3.全载波振幅调制m=(Um max-Um min)/(Um max+Um min),J12端输入载波信号Vc(t),fo=10 mhz, Ucp-p=100~300mV,调节平衡电位器VR8,使输出信号Vo(t)中有载波输出(此时U1与U4不相等)。再从J16端输入调制信号,其fa=1KHz,当Uap-P由零逐渐增大时,则输出信号Vo(t)的幅度发生变化,最后出现如图43(b)所示的有载波调幅信号的波形,记下AM波对应 Mmax和 Umin,并计算调幅度m。
4.加大Va,观察波形变化,画出过调制波形并记下对应的vc值进行分析
附:调制信号V。可以用外加信号源,也可直接采用实验箱上的低频信号源。将示波器接入J22处,(此时J17短路块应断开)调节电位器VR3,使其输出1KHz信号不失真信号,改变VR9可以改变输出信号幅度的大小。将短路块J17短接,示波器接入J19处,调节VR9改变输入VΩ的大小。

五、实验结果
1.整理实验数据,写出实测MC1496各引脚的实测数据:
| V8 |
V10 |
V1 |
V4 |
V6 |
V12 |
V2 |
V3 |
V5 |
| 5.67v |
5.64v |
-0,10v |
0v |
10.32v |
10.30v |
-0.79v |
-0.71v |
-7.27v |
2.图片:



六、实验总结
幅度调制就是使载波的振幅(包络)受调制信号的控制作周期性的变化。本实验中载波是由晶体振荡产生的10MHZ高频信号,1KHZ的低频信号为调制信号。而振幅调制为产生调幅信号的装置。通过本次实验,掌握用集成模拟乘法器实现全载波调幅和抑制载波双边带调幅的方法。另外,我们观察对比了全载波调幅和抑制载波双边带调幅的波形。


版权声明:本文内容由互联网用户自发贡献,该文观点仅代表作者本人。本站仅提供信息存储空间服务,不拥有所有权,不承担相关法律责任。如发现本站有涉嫌侵权/违法违规的内容,请联系我们,一经查实,本站将立刻删除。
如需转载请保留出处:https://51itzy.com/kjqy/38753.html