1.双Buck逆变器的工作原理
传统桥式逆变器的拓扑主要分别为两类,一类是Z源逆变器;另一类是双Buck逆变器。双Buck逆变器是由两个Buck电路输出并联拓扑得到。作为DC-DC变换的Buck电路时如何变成DC-AC的逆变器的?
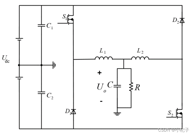
已知Buck电路的输出电压公式为:Uo=Udc*D。若输入电压Udc不变,输出电压随着占空比的改变而改变。如果占空比D是随着正弦波的变化而变化(SPWM),在考虑电感电流断续的情况下,输出电压也应该是正弦波。但是Buck电路的输入,输出电压始终为正,所以单个Buck在SPWM的控制下只能输出阵线波正半周期~馒头波。因此需要另一个Buck电路,这个电路的输入电压为负,这里的输入电压为负是指的相对于上一个Buck电路的输入电压两者输入电压极性相反。图1是双Buck半桥逆变器。

讯享网
图1 双Buck半桥逆变器
根据图1可以看出来,双Buck半桥逆变器与半桥逆变器类似,也能看出来有Buck电路的影子。工作原理如图2。

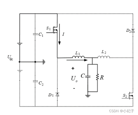
图2 双Buck逆变器工作模态1
工作模态1,此时工作的Buck电路的输入电压为正,可叫做正Buck电路,此时S1开通,S2关断,输出电压和输出电流都为正。占空比D先增加后降低,输出电压,输出电流按照正弦波规律变化,当输出电流为0时,正Buck电路停止工作。

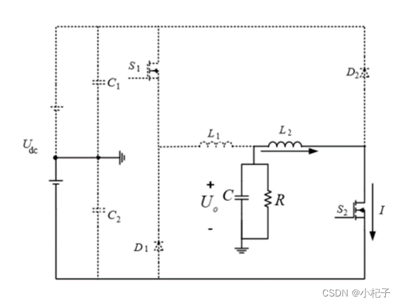
图3 双Buck逆变器工作模态2
正Buck电路的续流状态,S1,S2都关断,此时输出电流为正,输出电压为负。电感中电流逐渐降低。


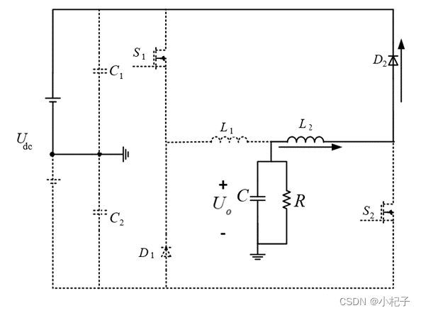
图4 双Buck逆变器工作模态3
负Buck电路的工作过程与正Buck类似,由于电源正极与输入负极相连输出电压和输出电流都为负。此时输出电压,输出电流都为负。

图5 双Buck逆变器工作模态4
负Buck电路的续流状态,输出电流为负,输出电压为正,电感电流降低。
可以看到双buck半桥逆变器的两个开关管之间存在两个电感,因此在S1,S2都开通时,因此可以不用考虑电路工作时开关管直通的问题,即在设置控制信号时,可以不用设置死区,可消除由于死区引起的波形畸变。且根据模态2、4可以看出,当电路处在续流状态时,电流流过二极管而不是开关管内部的寄生二极管,在选取功率器件的时,可以优化选取二极管和开关管,增加逆变器的效率。
总结起来相比传统逆变器的优点:
- 不用考虑开关管直通的问题。
2.可以忽略体二极管反向恢复问题。
双buck半桥逆变器存在半桥逆变器的“通病“
1.需要带中点的直流输入电压,功率器件电压应力大;
2.直流电压利用率低。
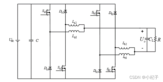
将双Buck半桥逆变器拓扑为双Buck全桥逆变器,双Buck全桥逆变器即保留了半桥逆变器的优点,又避免了半桥逆变器的通病。


版权声明:本文内容由互联网用户自发贡献,该文观点仅代表作者本人。本站仅提供信息存储空间服务,不拥有所有权,不承担相关法律责任。如发现本站有涉嫌侵权/违法违规的内容,请联系我们,一经查实,本站将立刻删除。
如需转载请保留出处:https://51itzy.com/kjqy/25952.html