从原子物理到格物穷理
- 从格物穷理到不讲道理
- 从不讲道理到自我放弃
- 从自我放弃到今天满绩
- 听说昨天晚上学原子物理挂了两个?
- md,不学了
- 满绩要紧,满绩要紧
原子物理中最没趣也挺没用但可能考的一章
- 氢原子的能级公式
- 电离能

- 第一玻尔轨道半径

- 类氢原子玻尔轨道半径

- 电离电势:
- 氢原子与类氢离子的能量公式

- 第一激发电势

- 里德伯常数随原子的变化

- 莱曼系第一条谱线波长

原子物理中的重要实验
阿尔法粒子散射实验
考前再背这玩意......
光电效应
考前...
话说这玩意高中就理解好,,,,,,
弗兰克-赫兹实验
- 玻尔理论的核心是原子体系能量量子化,能量的分立特征决定了原子光谱是线状谱,反过来说,光谱实验中电磁波发射或吸收的分立特征也就证明原子能量量子化
- 弗兰克-赫兹实验用荷能电子碰撞原子,原子分立的能态特征就必然意味着它只能吸收某些特定的能量产生激发,从电子上转移的这些特定的能量值也能证明原子能量量子化
下图来源于网络,非原创

戴维孙-革末电子衍射实验
下图来源于网络:

- 戴维孙-革末实验就是在固定θ 角(或电压)的条件下,通过控制电压(改变θ 角)来观察散射电子束的强度变化;V=54V,θ=50°时,探测到的反射束强度极大
有布拉格公式:2dsinθ=n*λ,因此,如下时:(来源于网络)

,V以伏特为单位

- θ的理论值与实验值有将近1°的偏差,这是因为电子进入晶格后,在晶格中速度要增加,波长变短,相应的θ值变小。
电子双缝干涉实验
下图来源于网络


干涉不是电子与电子之间的干涉,而是电子自己与自己的干涉
从统计学的角度看,虽然无法预知单个电子通过哪个狭缝到达屏幕,但是电子通过狭缝1和2概率是可以确定的,可以用波函数 \phi 1和 \phi2 分别代表电子通过狭缝1和2的运动状态,则双缝齐开时,电子实际上处于\phi1 + \phi2 的混合态(即态叠加原理),干涉靠的就是这两个概率幅的相干叠加
概率幅和概率
规则一:粒子从初态i到末态f存在几种物理上不可区分的途径,分别用波函数(又叫量子态或概率幅)
来表示,则粒子从初态运动到末态的概率幅
是各种可能发生的概率幅之和
规则二:假如有n个彼此独立、互不相关的末态
, 由初态i运动到末态
的概率幅为
,则粒子运动到末态的概率等于到达各种末态的概率之和
规则三:两个独立的微观粒子组成一个量子体系,每个粒子都有从各自初态到末态的运动,则体系的概率幅等于单个粒子的概率幅之乘积
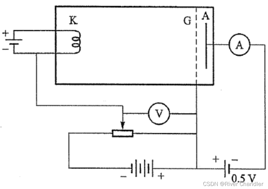
史特恩-盖拉赫实验
下图来源于网络

- O中有处于基态的原子,被加热成蒸汽,以水平速度v 通过狭缝S1 ,S2 ,然后通过一个不均匀磁场,磁场沿z 方向是变化的。
碱金属光谱的精细结构
精细结构特征
- 两线系的每一条谱线都分裂为双线,主线系的双线间距随着波数的增大而减小,锐线系的双线间距不随波数的增大而改变。
- 最终的结论就是P(l=1)态分裂,而S(l=0)态不分裂,这完全符合由乌仑贝克和谷兹米提出的电子自旋的假设。
- 碱金属原子中除了静电相互作用产生的主要能量外,应该还有价电子的自旋磁矩和电子作周期性轨道运动而产生的磁场之间的相互作用
推导,过两天放上去。。
塞曼效应
X射线的衍射
劳厄照相法
- 1912年,德国物理学家Laue首先提出设想,由于晶体中原子排列具有周期性,且相邻原子之间的距离跟X射线的波长相当,晶体可以作为X射线衍射的三维光栅,这个建议很快被Friedrich和Kinipping的实验所证实。
- X光管产生的连续波长的X射线,通过准直缝后射到单晶体上,经过晶体衍射,在照相底片上显示出由Laue斑点组成的衍射图样; 晶体中原子的周期排列,对X射线起到了衍射光栅作用,使衍射光束偏转。
图来源于网络

- 衍射图案中的每个亮斑(劳厄斑),对应于晶体中一族晶面反射的主极大,不同的斑点就对应不同晶面族的主极大
德拜粉末法
图来源于网络

- 衍射图样为一组同心圆环,每一圆环对应一组晶面,不同圆环代表不同的晶面阵,环的强度反映了晶面上原子的密度大小,圆环的衍射角度对应了晶面间距。
磁场中的原子
原子的磁矩
- 单电子原子中电子(原子核)的运动----载流圆环
| 单电子原子 | ||
| 轨道磁矩 | 自旋磁矩 | 总磁矩 |
![]() |
![]() |
![]() |
![]() |
||
- 多电子原子
| 多电子原子 | |||
| LS耦合 | ![]() |
||
![]() |
|||
| JJ耦合 | 这个 | 我记得 | 不考 |
版权声明:本文内容由互联网用户自发贡献,该文观点仅代表作者本人。本站仅提供信息存储空间服务,不拥有所有权,不承担相关法律责任。如发现本站有涉嫌侵权/违法违规的内容,请联系我们,一经查实,本站将立刻删除。
如需转载请保留出处:https://51itzy.com/kjqy/20433.html