【 1. 概述 】
- 地位: 位于无线电发射机的末端。
- 作用: 不失真地放大高频信号(已调波),以获得足够大的输出功率,使其传输地更远。
- 目的: 对高频放大器的一般要求同低频功放相同:输出功率大、效率高。
- 特点:
工作频率高,相对频带窄。
采用选频网络作为负载。
工作在丙类状态,属于非线性电路。
大信号工作,分析法采用图解法。 - 与低频功放电路的区别:
低频功放:工作频带20-20kHZ,频带宽,甲类或乙类,效率低,负载为阻性。
高频功放:工作频率高、相对频带窄,非线性电路,丙类,负载为选频网络,效率高。 - 功率放大器按工作状态分类:

甲类整个周期导通,乙类半个周期导通,丙类小于半个周期导通。

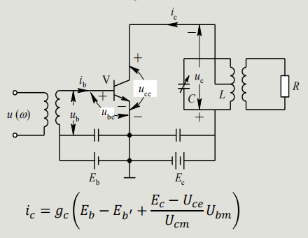
【 2. 工作原理 】
-
原理图

-
电路分析

尖顶余弦脉冲,角为通角

-
集电极输出电压

-
波形变化

-
结论

-
能量关系

-
讨论

【 3.高频功放的工作状态】
-
晶体管特性曲线


-
高频功放的动特性(负载性)
外加激励信号及负载阻抗时,BJT集电极电流 ic 与集电极电压 Uce 之间的关系曲线。

①解析分析法

②描点法




- 注意事项

-
高频功放的工作状态

①欠压状态

②过压状态

③临界状态


【 4.高频功放的外部特性】
-
负载特性


-
振幅特性


-
调制特性



-
调谐特性

【 5.高频功放的实际线路】

-
集电极馈电线路

-
基极馈电线路

-
匹配网络





版权声明:本文内容由互联网用户自发贡献,该文观点仅代表作者本人。本站仅提供信息存储空间服务,不拥有所有权,不承担相关法律责任。如发现本站有涉嫌侵权/违法违规的内容,请联系我们,一经查实,本站将立刻删除。
如需转载请保留出处:https://51itzy.com/kjqy/69760.html