CADe_SIMu V1.0手把手学习记录—电机联锁正反转控制
小树不修不直溜,人不学习哏揪揪!在已经学习过5种常见的电机控制电路仿真的基础上,本小学生发现了所做的仿真中的共同点,那就是电机的旋转方向都是同一个方向,但是实际工程环境中,有时候需要电机即可以正向旋转也可以反方向旋转。比如起重机中升降机构,即需要上升拉起负载,也需要运送到适当位置时下降释放负载,包括生活中常见的电梯升降过程,都需要对电机的正反转过程进行控制。因此,本小学生通过对相关资料的查找与分析,决定今日对电机控制中的联锁正反转控制进行仿真试验,特总结此文,以留纪念,望大神指点!
电机联锁正反转控制电路原理
电机要实现正反转控制,将其电源的相序中任意两相对调即可(我们称为换相),通常是V相不变,将U相与W相对调,为了保证两个接触器动作时能够可靠调换电动机的相序,接线时应使接触器的上口接线保持一致,在接触器的下口调相。由于将两相相序对调,故须确保二个KM线圈不能同时得电,否则会发生严重的相间短路故障,因此必须采取联锁。
主要电气元件:按钮开关3个,接触器2个,热过载1个,3个熔断器保护3条火线用。
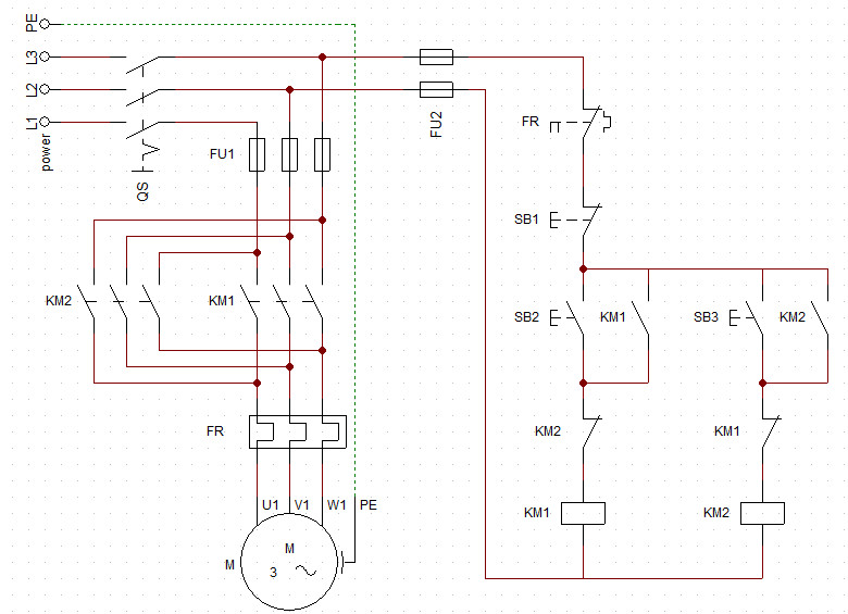
如图1所示电路,主回路采用两个接触器,即正转接触器KM1和反转接触器KM2。当接触器KM1的三对主触头接通时,三相电源的相序按U―V―W接入电动机。当接触器KM1的三对主触头断开,接触器KM2的三对主触头接通时,三相电源的相序按W―V―U接入电动机,电动机就向相反方向转动。电路要求接触器KM1和接触器KM2不能同时接通电源,否则它们的主触头将同时闭合,造成U、W两相电源短路。为此在KM1和KM2线圈各自支路中相互串联对方的一对辅助常闭触头,以保证接触器KM1和KM2不会同时接通电源,KM1和KM2的这两对辅助常闭触头在线路中所起的作用称为联锁或互锁作用,这两对辅助常闭触头就叫联锁或互锁触头。

讯享网
图1 电机联锁正反转电路
电机联锁正反转控制仿真
(1)主回路采用两个接触器,即正转接触器KM1和反转接触器KM2。当接触器KM1的三对主触头接通时,三相电源的相序按U―V―W接入电动机。当接触器KM1的三对主触头断开,接触器KM2的三对主触头接通时,三相电源的相序按W―V―U接入电动机,电动机就向相反方向,如图2所示。

图2 接触器仿真设置
(2)执行电路要求接触器KM1和接触器KM2不能同时接通电源,否则它们的主触头将同时闭合,造成U、W两相电源短路。因此,在控制回路中,KM1和KM2线圈各自支路中相互串联对方的一对辅助常闭触头,以保证接触器KM1和KM2不会同时接通电源,KM1和KM2的这两对辅助常闭触头在线路中所起的作用称为联锁或互锁作用,这两对辅助常闭触头就叫联锁或互锁触头,如图3所示设计的控制电路。

图3 控制电路仿真设置
仿真操作与效果展示
(1)点击电源开关按钮QS接通总电源,按下启动按钮SB2,KM1线圈得电,KM1主触头闭合,电机正转转动,同时KM1辅助触点自锁,继续线圈供电。同时联锁触点KM1常闭触点断开(禁止KM2 线圈得电,对反转进行联锁),电机继续正向转动。如图4所示启动正转仿真效果。

图4 正转启动仿真效果
(2)启动正转仿真运行状态下,点击反转启动开关SB3,由于联锁触点KM1常闭触点断开,禁止KM2 线圈得电,即对反转进行联锁,仿真效果如图5所示,电机继续正向转动。

图5 联锁控制仿真效果
(3)按下停止按钮SB1,KM1线圈断电,KM1主触头断开,同时自锁触点也断开,电机正转停止转动。KM2常闭触点复位,为反转做好准备,如图6所示。

图6 停止按键仿真效果
(4)在电机已经停止转动的状态下,点击按下启动按钮SB3,KM1线圈断电,KM1主触头断开,同时KM1自锁触点也断开,电机正转停止转动。KM1常闭触点复位,KM2线圈得电,KM2主触头闭合, 电机反转转动,同时KM2辅助触点自锁,为线圈继续供电,同时KM2常闭触点断开(禁止KM1线圈得电,对正转进行联锁),电机继续反转转动。如图7所示的电机反转联锁控制效果。

图7 反转启动控制仿真效果
最后分享此工程的仿真文件和图片给各位老铁:
百度网盘永久有效链接:
https://pan.baidu.com/s/1WnKdE3hU5faQz7cErT0w-g
提取码:vjt4
良心博主,且看且珍惜,如需分享,表明转载,小弟不胜感激!

版权声明:本文内容由互联网用户自发贡献,该文观点仅代表作者本人。本站仅提供信息存储空间服务,不拥有所有权,不承担相关法律责任。如发现本站有涉嫌侵权/违法违规的内容,请联系我们,一经查实,本站将立刻删除。
如需转载请保留出处:https://51itzy.com/kjqy/67632.html