一、公司介绍
详情可以关注公众号:小Q下午茶
1、西安航天民芯
西安航天民芯科技有限公司(简称:航天民芯)成立于2011年2月,公司以核心团队的技术优势为中心,专注于开发新能源汽车动力电池管理系统、动力电池充电管理芯片、智能家居和物联网芯片、电机管理系统芯片、高集成度移动信息终端电源管理单元、高速高精度数模转换器等系列化战略新兴产业集成电路产品及解决方案。
航天民芯拥有一支以博士、硕士人员为主导的IC设计队伍,核心设计人员均拥有多项专利,具有丰富的芯片设计经验。航天民芯聘请多位行业专家、领军人物担任公司技术顾问。航天民芯与西安交通大学、西安电子科技大学等多所一流学府建立了人才培养、项目合作、联合实验室的产学研战略合作关系。经过多年的发展,航天民芯已成长为一家年销售额过亿的专业从事集成电路的设计与开发、应用技术开发与服务的高科技企业。
2、北京智芯微
北京智芯微电子科技有限公司(以下简称智芯公司)成立于2010年,注册资本64.1亿元,是国家电网公司芯片产业发展的使命担当者。目前拥有9家分子公司(北京智芯半导体科技有限公司、深圳市国电科技通信有限公司、青岛智芯半导体科技有限公司、杭州万高科技股份有限公司、北京芯可鉴科技有限公司、北京电科智芯科技有限公司、深圳智芯微电子科技有限公司、中关村芯海择优科技有限公司、广州分公司),是国家高新技术企业、国家技术创新示范企业、国家规划布局内重点集成电路设计企业,荣获国务院国资委“科改示范企业”“创建世界一流专精特新示范企业”,连续九年获评“中国十大集成电路设计企业”,目前排名全国第三。
二、功能框图
(1)MTxxxx与ADBMS1818对比
(2)SCBMxxxx与ADBMS1818对比

(3)KTxxxx与ADBMS1818对比

(4)Exxxx与ADBMS1818对比

(5)BFxxxx与ADBMS1818对比

三、解决方案典型应用
(1)MT8905拓扑结构

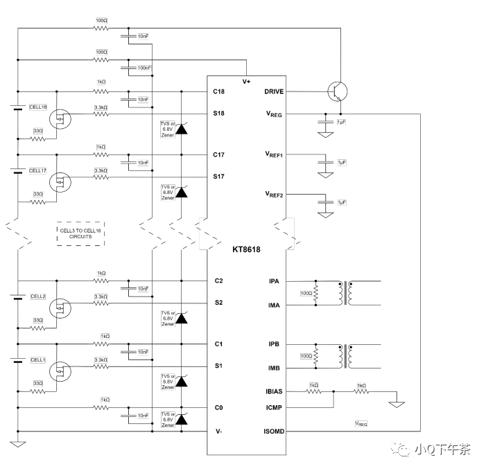
(3)KT8618拓扑结构

(4)E9969拓扑结构

(5)BF8615A拓扑结构


(6)ADBMS1818拓扑结构

四、参数对比
1、基本参数

2、电源功耗

3、采样精度

4、隔离串口通信

5、均衡

(1)BFxxxx均衡

(2)Exxxx均衡电路

(3)KTxxxx均衡电路

备注:本文简单介绍一下芯片对比情况,详细内容可以添加微信或者芯片厂家获取。

BMS3
AFE5
BMS · 目录
上一篇AFE芯片系列介绍---ADBMS1818/LTC6813

版权声明:本文内容由互联网用户自发贡献,该文观点仅代表作者本人。本站仅提供信息存储空间服务,不拥有所有权,不承担相关法律责任。如发现本站有涉嫌侵权/违法违规的内容,请联系我们,一经查实,本站将立刻删除。
如需转载请保留出处:https://51itzy.com/kjqy/65526.html