1.组合逻辑电路的定义
2.SSI构成的组合电路
2.1分析
2.2设计
2.3半加器
3.常用中规模集成组合逻辑电路MSI
3.1编码器
3.2译码器
3.3数据选择器
3.4数据选择器实现任意组合逻辑电路
3.5数据比较器MUX
3.6全加器
1.组合逻辑电路的定义
任一时刻输出取决于该时刻的输入(区别于时序逻辑电路)
组合电路由门电路组成,没有反馈回路
2.SSI构成的组合电路
SSI是小规模集成电路,英文是Small Scale Integration,拥有十个以内的逻辑门
2.1分析组合逻辑电路
步骤:
1.观察电路,从输入到输出逐级推导函数表达式
2.用代数法or卡诺图法对表达式化简
3.通过化简后的表达式,列出真值表
4.根据真值表,判断电路的逻辑功能
哈哈,看着步骤是不是感觉有点抽象,下面我们用例子分步具象分析吧!
先来看看一下电路图:
1.观察电路,从输入到输出逐级推导函数表达式:

可看出,已经是最简形式,所以省去了化简这一步,即跳过了2,我们直接来到3
3.通过化简后的表达式,列出真值表:

4.根据真值表,判断电路的逻辑功能:
S=A+B(在二进制下),C是A+B后向更高一位的进位。
这样的电路是半加器,在2.3中会详细讲解。
到这里这道题就结束了,但由于这道题比较简单,省略了第二个步骤,在后面我会补充一道更完整的题目。
2.2设计组合逻辑电路
设计相当于是分析的逆过程。我们要从逻辑功能倒推出电路图。因此难度也会更大一些。
双轨输入:输入信号源可以提供原、反两种变量。原,反变量意思就是A和A非
步骤(双轨输入):
1.根据逻辑功能,确定输入输出信号的数量
2.列出真值表
3.写出逻辑表达式,并将该表达式化简
4.画出逻辑图
注意:
- 提供与非门,化简成最简与或式 如: AB+CD
- 提供或非门,化简成最简或与式 如: (A+B) (C+D)
- 提供与或非门,化简成最简与或式
2.3半加器
电路图 逻辑符号


定义:该电路没有低位的进位
两个多位数求和,最低位是半加器的求和,其它位都是全加器的求和。
3.常用中规模集成组合逻辑电路MSI
3.1编码器
编码:用二进制数 or BCD码表示特定信息
编码器:完成编码工作的数字电路
3.1.2 二进制编码器
n位二进制代码可以对
个状态(就是有
个输入端,表示
种信息)编码。
普通编码器高电平有效(1),74148低电平有效(0)
3.1.2.1 8—3线普通编码器
8个输入变量中,只有1个有效(取值:1,高电平有效)
三位二进制编码器电路图 表达式


~
: 输入端
A, B, C: 输出端
8个输入变量中,只有一个有效(取值:1,高电平有效)

3.1.2.2 8—3线优先编码器 74148
优先编码器:8个输入端中,同时,多个输入信号有效(取值:0,低电平有效),对同时输入的多个有效信号中的优先级最高的那一个进行编码

:输入使能端,低电平有效(0)
: 输出使能端,用于级联扩展
![]()
输入使能端有效(0),所有输入信号无效(1),输出使能端有效(0),说明要去下一级寻找有效信号啦
: 输出有效标志端,低电平0表示:电路工作,编码信号有效

输入使能有效0,至少应该输入信号有效0,该端口出低0
74148 功能表

第一行:
无效,所有输出都无效;
第二行:
无效,要级联扩展咯;
第三行—第八行:输入信号数量=输出二进制-八进制的数字;输出标志为0。
74148的级联:
8—3线优先编码器扩展成16—4线优先编码器

高位输出使能端连接低位输入使能端
3.2 译码器
译码:将代码转换成输出控制信号。
3.2.1二进制译码器
(1)2—4线译码器 74139双2-4线

和
:地址输入端
~
:译码输出端
1)器件不工作
=1
=1
2)器件工作
=0
=
(i=0,1,2,3)


74139双2-4线译码器

(2)3—8线译码器 74138


:地址输入端

:输入使能端
~
:译码输出端
1)器件不工作
=1
不同时满足
=1
+
=0
2)器件工作
=
同时满足
=1
+
=0

(3)级联
两个芯片级联:两个芯片工作与否受地址输入端最高优先级控制
(4)译码器实现数据分配器
地址码切换控制,将各种输入数据分时传递到不同输出端


(4)译码器实现任意逻辑电路
(5)二—十进制译码器7442

3.3、数据选择器MUX
每次在地址输入的控制下,从多路输入数据选择一路输出。

3.3.1四选一数据选择器


=1, Y=0
=0, Y=
+
+
+

3.3.2双四选一数据选择器74153

3.3.3八选一数据选择器74151


~
:地址输入端
~
:数据输入端
=1, Y=0
=0, Y=


74151降维卡诺图

3.3.4数据选择器级联扩展
- 双四选一级联扩展成八选一

输出端接或门说明:正好是工作的输出端被输出了
- 八选一数选器级联扩展

用译码器实现各个八选一数选器使能
3.4、数据选择器实现任意组合逻辑电路
3.4.1在上文3.4.1提及的的四选一数选器的表达式
Y=
+
+
+
可以用来解决实现任意组合逻辑电路的问题
例1:
公式法

简图

此处注意:高位权是A,低位权是B,分别对应
、
例2:卡诺图法
![]()
比较74151降维卡诺图和普通卡诺图得出,
的值

得出
=
=
=
=
=0
=
=
=1
电路图

注意:该电路图送0端口接地,送1端口接电源,可以直接在端口前写0,1
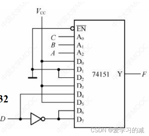
3.4.2 组合逻辑电路函数的变量数 > 地址端数
1.代数法对函数降维


对应
电路图

2.卡诺图法对函数降维
卡诺图降维:

电路图

74151实现:

电路图

1/2 74153实现

电路图

3.5、数据比较器
3.5.1 并行四位数据比较器7484

~
、
~
数码输入端
级联输入端
![]()
功能表

如果A=B,则进一步观察级联输入端

禁止输入:级联端不允许两个以上同时为1
3.5.2 级联
1.串联

2.并联

连接A
连接B


3.6 全加器
四位超前进位全加器74283

两片串联:低位的输出CO接高位的输入CI



版权声明:本文内容由互联网用户自发贡献,该文观点仅代表作者本人。本站仅提供信息存储空间服务,不拥有所有权,不承担相关法律责任。如发现本站有涉嫌侵权/违法违规的内容,请联系我们,一经查实,本站将立刻删除。
如需转载请保留出处:https://51itzy.com/kjqy/65022.html