不忘初芯一起学Verilog的99道题
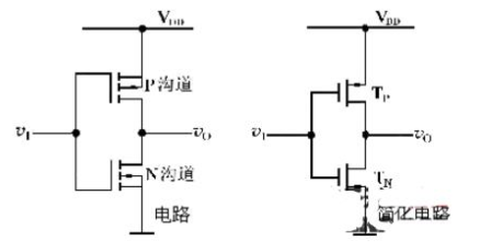
001题: CMOS反相器的电路原理图


CMOS反相器工作原理
- 首先考虑两种极限情况:当vI处于逻辑0时,相应的电压近似为0V;而当vI处于逻辑1时,相应的电压近似为VDD。假设在两种情况下N沟道管TN为工作管P沟道管TP为负载管。但是,由于电路是互补对称的,这种假设可以是任意的,相反的情况亦将导致相同的结果。
- 下图分析了当vI=VDD时的工作情况。在TN的输出特性iD—vDS(vGSN=VDD)(注意vDSN=vO)上,叠加一条负载线,它是负载管TP在vSGP=0V时的输出特性iD-vSD。由于vSGP<VT(VTN=|VTP|=VT),负载曲线几乎是一条与横轴重合的水平线。两条曲线的交点即工作点。显然,这时的输出电压vOL≈0V(典型值<10mV,而通过两管的电流接近于零。这就是说,电路的功耗很小(微瓦量级)

- 下图分析了另一种极限情况,此时对应于vI=0V。此时工作管TN在vGSN=0的情况下运用,其输出特性iD-vDS几乎与横轴重合,负载曲线是负载管TP在vsGP=VDD时的输出特性iD-vDS。由图可知,工作点决定了VO=VOH≈VDD;通过两器件的电流接近零值。可见上述两种极限情况下的功耗都很低。
- 由此可知,基本CMOS反相器近似于一理想的逻辑单元,其输出电压接近于零或+VDD,而功耗几乎为零。

- CMOS反相器电路由两个增强型MOS场效应管组成,其中V1为NMOS管,称驱动管,V2为PMOS管,称负载管。 NMOS管的栅源开启电压UTN为正值,PMOS管的栅源开启电压是负值,其数值范围在2~5V之间。为了使电路能正常工作,要求电源电压UDD>(UTN+|UTP|)。UDD可在3~18V之间工作,其适用范围较宽。工作原理:当UI=UIL=0V时,UGS1=0,因此V1管截止,而此时|UGS2|>|UTP|,所以V2导通,且导通内阻很低,所以UO=UOH≈UDD, 即输出为高电平。当UI=UIH=UDD时,UGS1=UDD>UTN,V1导通,而UGS2=0<|UTP|,因此V2截止。此时UO=UOL≈0,即输出为低电平。 可见,CMOS反相器实现了逻辑非的功能。CMOS反相器的主要特性:在AB段由于V1截止,阻抗很高,所以流过V1和V2的漏电流几乎为0。 在CD段V2截止,阻抗很高,所以流过V1和V2的漏电流也几乎为0。只有在BC段,V1和V2均导通时才有电流iD流过V1和V2,并且在UI=1/2UDD附近,iD最大。
- CMOS 反相器凭借其互补结构所具备的优势成为于数字电路设计中应用最广泛的一种器件。CMOS 反相器是由 n-MOSFET 与 p-MOSFET 组成的互补推拉式结构,n-MOSFET 作为驱动管(下拉管),p-MOSFET 作为负载管(上拉管)。包含 p-n-p-n 寄生结构的 CMOS 基本结构示意图,两个晶体管的栅极连接在一起,作为信号输入端;两个晶体管的衬底分别与它们的源极连接在一起,n-MOSFET 的源极接地 GND,p-MOSFET 的源极接电源电压 Vdd;n-MOSFET 与 p-MOSFET 的漏极连接在一起作为反相器的输出端。为了在集成电路中制造 n-MOSFET 和 p-MOSFET,必须形成绝缘的 p 衬底区和 n 衬底区,因此,CMOS 集成电路中具有 n 阱、p 阱和双阱这三种工艺,本文针对 n 阱工艺下 CMOS 反相器进行研究,即在重掺杂的 p 型衬底硅上先生长一层轻掺杂 p 型外延层,然后通过 n 阱扩散工艺形成 n 阱,之后再制作场氧化层和栅氧化层,利用杂质注入的方式形成源漏区和高掺杂扩散区,最后淀积和刻蚀出金属化电极并对器件表面进行一定程度的钝化保护。如图所示,这种情况下CMOS 结构内部会形成寄生的 n-p-n 双极型晶体管 Q1 和 p-n-p 双极型晶体管 Q2,Rsub和 Rwell代表 p 型衬底电阻和 n 阱电阻。在实际应用时,CMOS 反相器电路可能还会包含诸如静电放电(electrostatic discharge, ESD)保护电路、闩锁防护电路以及输入施密特整形电路等其它附属电路。

版权声明:本文内容由互联网用户自发贡献,该文观点仅代表作者本人。本站仅提供信息存储空间服务,不拥有所有权,不承担相关法律责任。如发现本站有涉嫌侵权/违法违规的内容,请联系我们,一经查实,本站将立刻删除。
如需转载请保留出处:https://51itzy.com/kjqy/65017.html