功能描述
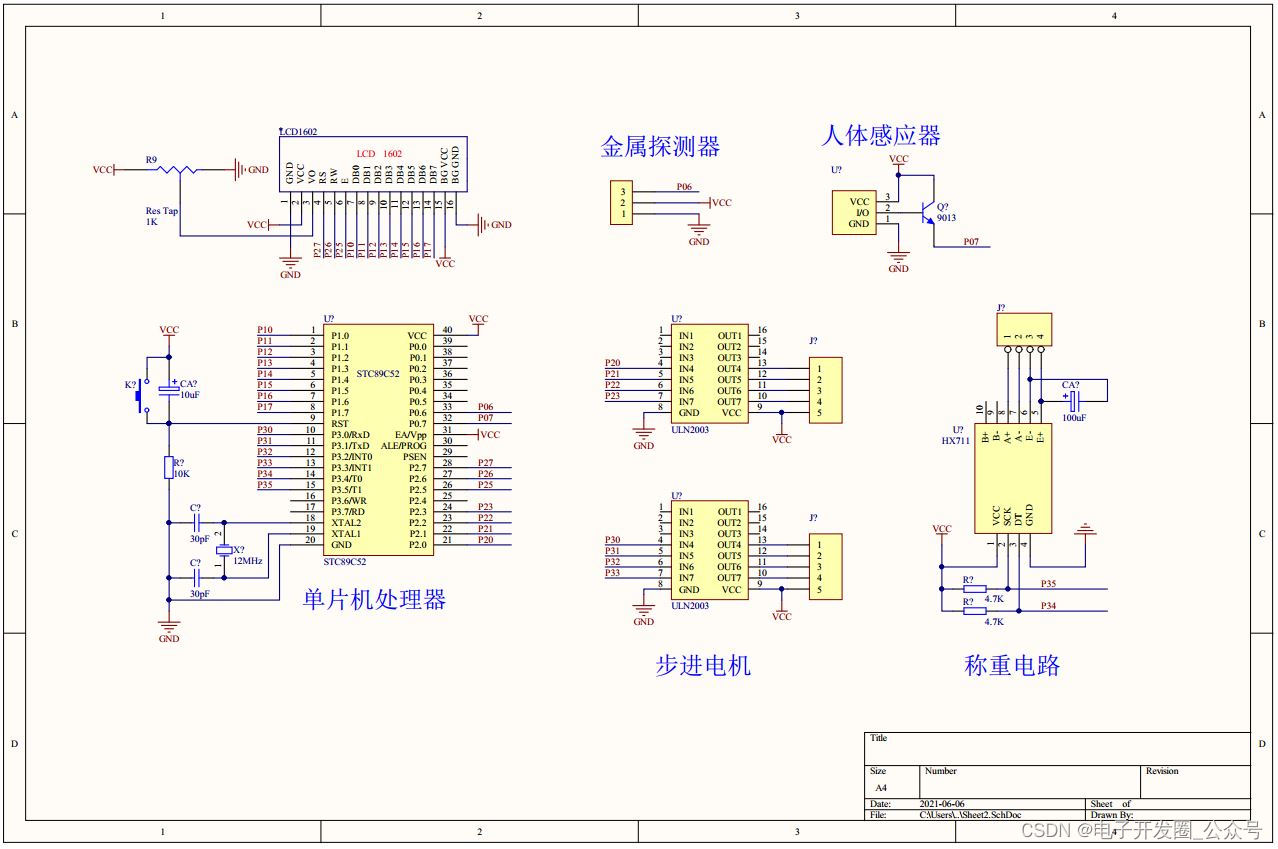
1、采用51单片机作为主控芯片;
2、采用LCD1602作为显示模块,用于显示人体靠近信息、检测金属信息、垃圾重量信息;
3、采用压力传感器+HX711模块检测垃圾投入后重量变换;
4、采用HC-SR501模块检测人体靠近信息;
5、采用步进电机作为垃圾箱盖子驱动力;
6、共两个箱:一个金属回收箱、一个非金属回收箱;可根据检测到的人体信息及垃圾材质,打开对应的箱盖;开盖后检测到重量变化,关闭箱盖;
7、留有金属探测器信号输入接口(金属探测器需自行设计);
电路设计
采用Altium Designer作为电路设计工具。Altium Designer通过把原理图设计、PCB绘制编辑、拓扑逻辑自动布线、信号完整性分析和设计输出等技术的完美融合,为设计者提供了全新的设计解决方案,使设计者可以轻松进行设计,熟练使用这一软件必将使电路设计的质量和效率大大提高。
单片机管脚说明:

P0端口(P0.0-P0.7):P0口为一个8位漏极开路双向I/O口,每个引脚可吸收8TTL门电流。当P1口的管脚第一次写1时,被定义为高阻输入。P0能够用于外部程序数据存储器,它可以被定义为数据/地址的第八位。在FIASH编程时,P0 口作为原码输入口,当FIASH进行校验时,P0输出原码,此时P0外部必须被拉高。
P1端口(P1.0-P1.7):P1口是一个内部提供上拉电阻的8位双向I/O口,P1口缓冲器能接收输出4TTL门电流。P1口管脚写入1后,被内部上拉为高电平,可用作输入,P1口被外部下拉为低电平时,将输出电流,这是由于内部上拉的缘故。在FLASH编程和校验时,P1口作为第八位地址接收。
P2端口(P2.0-P2.7):P2口为一个内部上拉电阻的8位双向I/O口,P2口缓冲器可接收,输出4个TTL门电流,当P2口被写“1”时,其管脚被内部上拉电阻拉高,且作为输入。并因此作为输入时,P2口的管脚被外部拉低,将输出电流。这是由于内部上拉的缘故。P2口,用于外部程序存储器或16位地址外部数据存储器进行存取时,P2口输出地址的高八位。在给出地址“1”时,它利用内部上拉优势,当对外部八位地址数据存储器进行读写时,P2口输出其特殊功能寄存器的内容。P2口在FLASH编程和校验时接收高八位地址信号和控制信号。
P3端口(P3.0-P3.7):P3口管脚是一个带有内部上拉电阻的8位的双向I/O端口,可接收输出4个TTL门电流。当P3口写入“1”后,它们被内部上拉为高电平,并用作输入。作为输入端时,由于外部下拉为低电平,P3口将输出电流(ILL)。P3口同时为闪烁编程和编程校验接收一些控制信号。
仿真设计
采用Proteus作为仿真设计工具。Proteus是一款著名的EDA工具(仿真软件),从原理图布图、代码调试到单片机与外围电路协同仿真,一键切换到PCB设计,真正实现了从概念到产品的完整设计。

主程序设计
void main() { char flage=0; char flagj=0; Init_LCD1602(); //屏幕初始化 Delay_ms(1000); //延时,等待传感器稳定 Get_Maopi1(); //称毛皮重量,误差校验 while(1) { if(People==1&&flage==0) { flage=1; LCD1602_write_com(0x80); LCD1602_write_word("People:Y"); Delay_ms(150); while(1) { while(1) { if(JINSHU==1) { flagj=1; LCD1602_write_com(0x8B); LCD1602_write_word("JS:Y"); Delay_ms(1500); BuJing2_Zheng(100,3); //(260,3) } else { LCD1602_write_com(0x8B); LCD1602_write_word("JS:N"); Delay_ms(1500); BuJing1_Zheng(100,3); //(260,3) } while(1) { LCD1602_write_com(0x80+0x40);//1602位置命令 Get_Weight1(); //称重 LCD1602_write_word("W:"); LCD1602_write_data(Weight_Shiwu1/1000 + 0X30); LCD1602_write_data(Weight_Shiwu1%1000/100 + 0X30); LCD1602_write_data(Weight_Shiwu1%100/10 + 0X30); LCD1602_write_data(Weight_Shiwu1%10 + 0X30); LCD1602_write_word("g"); Delay_ms(1000); if(Weight_Shiwu1>=10) { LCD1602_write_com(0x01); if(flagj==1) { flagj=0; BuJing2_Fan(100,3); //(260,3) break; } else { BuJing1_Fan(100,3); //(260,3) break; } } } break; } break; } } else { flage=0; Get_Maopi1(); LCD1602_write_com(0x80); LCD1602_write_word("People:N"); } } }
讯享网
源文件获取
关注公众号-电子开发圈,首页回复 “垃圾桶” 获取;

版权声明:本文内容由互联网用户自发贡献,该文观点仅代表作者本人。本站仅提供信息存储空间服务,不拥有所有权,不承担相关法律责任。如发现本站有涉嫌侵权/违法违规的内容,请联系我们,一经查实,本站将立刻删除。
如需转载请保留出处:https://51itzy.com/kjqy/42713.html