一.TVS管概述

讯享网
当TVS管(瞬态电压抑制器)两极受到反向瞬态高能量冲击时,能以 10 的负 12 次方秒量级的速度,将两极间的高阻抗变为低阻抗,使两极间的电压箝位于一个预定的值,有效地保护电子线路中的精密元器件。
在浪涌电压作用下,TVS 两极间的电压由额定反向关断电压 VRWM 上升到击穿电压 VBR,而被击穿。
随着击穿电流的出现,流过 TVS 的电流将达到峰值脉冲电流 IPP,同时在其两端的电压被钳位到预定的最大钳位电压 VC 以下(最大峰值脉冲电流对应最大钳位电压)。

二.其主要特性参数
3、脉冲峰值电流 IPP:
TVS 管允许通过的 10/1000μs 波的最大峰值电流(8/20μs 波的峰值电流约为其 5 倍左右),超过这个电流值就可能造成永久性损坏。
在同一个系列中,击穿电压越高的管子允许通过的峰值电流越小,一般是几 A~几十 A。
5、脉冲峰值功率 Pm:
脉冲峰值功率 Pm 是指 10/1000μs 波的脉冲峰值电流 IPP 与最大箝位电压 VC 的乘积,即 Pm=IPP*VC。
在给定的最大钳位电压下,功耗 PM 越大,其浪涌电流承受能力也就越大,在给定的功耗 PM 下,钳位电压越低,其浪涌电流的承受能力越大。
另外,峰值脉冲功耗还与脉冲波形,持续时间和环境温度有关:
典型的脉冲波形持续时间为 1ms,当施加到二极管上的脉冲波形持续时间小于 TP,则随着 TP 的减小脉冲峰值功率增加,TVS 所能承受的瞬态脉冲式不重复的,如果电路内出现重复性脉冲,应考虑脉冲功率的累积可能损坏 TVS。
7、极间电容 Cj:
与压敏电阻一样,TVS 管的极间电容 Cj 也较大,且单向的比双向的大(双向的相当于两个电容串联),功率越大的电容也越大,极间电容会影响 TVS 的响应时间。
三.优点及缺点
优点:
响应速度快,为 ns 级、瞬态功率大、漏电流低;其 10/1000μs 波脉冲功率从 400W~30KW,脉冲峰值电流从 0、52A~544A;击穿电压有从 6、8V~550V 的系列值,便于各种不同电压的电路使用。
缺点:
浪涌冲击能力较放电管和压敏电阻差;
稳压二极管:反应较慢;一般用于电压精度要求高的地方(一般较小),防浪涌,击穿电压精准,各压值档都有;齐纳击穿;
压敏电阻:与稳压二极管相似,但不可恢复。
四.选型依据及注意事项
1、TVS 的最大反向钳位电压 VC 应小于被保护电路的损坏电压。
2、TVS 的额定反向关断电压 VWM 要大于或等于被保护电路的最大工作电压, 若选用的 VWM 太低,器件可能进入雪崩或因反向漏电流太大影响电路的正常工作; 串行连接分电压,并行连接分电流。
3、交流电压只能用双向 TVS。
4、在规定的脉冲持续时间内,TVS 的最大峰值脉冲功率 PM 必须大于被保护电路可能出现的峰值脉冲功率,在确定了最大钳位电压后,其峰值脉冲电流应大于瞬态浪涌电流。
5、结电容是影响 TVS 在高速线路中使用的关键因素,在这种情况下,一般用一个 TVS 管和一个快恢复二极管以背对背的方式连接,由于快恢复二极管有较小的结电容,因而二者串联的等小电容也较小,可以满足高频使用的要求。
7、确定被保护电路的最大直流或连续工作电压、电路的额定标准电压和“高端”容限。
8、对于数据接口电路的保护,还必须注意选取具有合适寄生电容的TVS器件。
9、根据用途选用TVS的极性及封装结构,交流电路选用双极性TVS较为合理;多线保护选用TVS阵列更为有利。
10、温度考虑,瞬态电压抑制器可以在-55℃~+150℃之间工作,如果需要TVS在一个变化的温度工作,由于其反向漏电流ID是随增加而增大;功耗随TVS结温增加而下降,从+25℃~+175℃,大约线性下降50%与击穿电压VBR随温度的增加按一定的系数增加,因此,必须查阅有关产品资料,考虑温度变化对其特性的影响。
11、处理瞬时脉冲对元件损害的最好办法是将瞬时电流从感应元件引开,TVS二极管在线路板上与被保护线路进行并联,当瞬时电压超过电路正常工作电压后,TVS二极管便产生雪崩,提供给瞬时电流一个超低电阻通路,其结果是瞬时电流透过二极管被引开,避开被保护元件,并且在电压恢复正常值之前使被保护回路一直保持截止电压。
当瞬时脉冲结束以后,TVS二极管自动回复高阻状态,整个回路进入正常电压,许多元件在承受多次冲击后,其参数及性能会产生退化,而只要工作在限定范围内,二极管将不会产生损坏或退化。
使用注意事项:
1、对瞬变电压的吸收功率峰值与瞬变电压脉冲宽度间的关系,手册给的只是特定脉宽下的吸收功率峰值,实际线路中的脉冲宽度则变化莫测,事前要有估计,对宽脉冲应降额使用。
2、对小电流负载的保护,可有意识地在电路中增加限流电阻,只要限流电阻的阻值合适,不影响线路的正常工作,但限流电阻对干扰所产生的电流却会大大减小,这就有可能选用峰值功率较小的 TVS 管来对小电流负载电路进行保护。
3、对重复出现的瞬变电压的抑制,要注意 TVS 管的稳态平均功率是否在安全范围之内。
4、环境温度升高时要降额使用,TVS 管的引线长短,它与被保护线路的相对距离。
五.应用举例
直流电路中选用举例:整机直流工作电压 12V,最大允许安全电压 25V(峰值),浪涌源的阻抗 50MΩ,其干扰波形为方波,TP=1ms,最大峰值电流 50A。选择:
1、先从工作电压 12V 选取最大反向工作电压 VRWM 为 13V,则击穿电压为 V(BR)=VRWM/0.85=15.3V;
2、从击穿电压值选取最大箝位电压VC(MAX)=1.30×V(BR)=19.89V,取 VC=20V;
3、再从箝位电压 VC 和峰值电流 IP 计算出方波脉冲峰值功率:PPR=VC×IP=20×50=1000W。
4、计算折合为 TP=1MS 指数波的峰值功率,折合系数 K1=1.4, PPR=1000W÷1.4=715W 交流电路选用举例:直流线路采用单向瞬变电压抑制二极管,交流则必须采用双向瞬变电压抑制二极管。
交流是电网电压,这里产生的瞬变电压是随机的,有时还遇到雷击(雷电感应产生的瞬变电压)所以很难定量估算出瞬时脉冲功率 PPR。
但是对最大反向工作电压必须有正确的选取,一般原则是交流电压乘 1.4 倍来选取 TVS 管的最大反向工作电压,直流电压则按 1.1—1.2 倍来选取 TVS 管的最大反向工作电压VRWM,TVS 保护直流稳压电源实例:
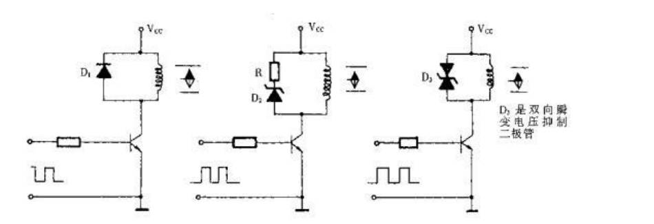
图中是一个直流稳压电源,并有扩大电流输出的晶体管,在其稳压输出端加上瞬变电压抑制二极管,可以保护使用该电源的仪器设备,同时还可以吸收电路中的集电极到发射极间的峰值电压,保护晶体管,建议在每个稳压电源输出端加一个TVS 管,可以大幅度提高整机应用的可靠性。

还有用 TVS 保护晶体管,集成电路,可控硅,功率 MOS 管即在在栅源之间加上瞬变电压抑制二极管,可防止栅极击穿,继电器等。

直流电源防护设计
室外网口防护电路
注意,TVS管的寄生电容可能影响信号完整性,可以使用压敏电阻放在变压器抽头,作为防护电路,支持更高速率的网口设计。
232防护电路设计
485防护电路设计
六.压敏电阻 VS TVS管
1、材料本征响应时间由上面的导通机理分析可以知道,氧化锌压敏陶瓷导电机理是隧道击穿,所以其材料响应时间就是其隧道电子击穿时间,一般为0.3ns。
TVS管导电机理是雪崩击穿,其响应时间就是其雪崩电子击穿时间,一般在0.5~1ns之间。
2、产品结构对响应时间影响片式氧化锌压敏电阻器采用多层独石结构,其寄生电感非常小,对其响应时间影响甚微,有些设计人员谈到的压敏电阻响应时间慢主要指用于AC端防浪涌的插件压敏电阻,因为较长的引线引入寄生的电感导致响应时间较慢(25ns)。
而TVS管为了SMT要求,在其两端设计电极引线,也会产生寄生电感,对其响应时间有一定影响。
而ESD放电波形一般在1nS达到峰值,这就需要过电压防护器件在1nS内迅速响应,钳制过电压,保护IC和ESD敏感线路。
从响应时间看,片式压敏电阻和TVS的响应时间都满足ESD防护的需求,从而起到良好的防护效果。
综合以上分析和对比,片式氧化锌压敏陶瓷电阻和TVS管均是抑制ESD的有效器件,TVS管限制电压较低,瞬态内阻较小,适合应用于耐ESD电压特别差或者被保护部位阻抗特别小的部位,如听筒、MIC、音频等。
而压敏电阻的吸收能量的能力比TVS管要强,除了一般的ESD防护,也特别适合于电源部位和较大瞬态能量的部位过压防护。
在响应时间方面,要避免陷入片式氧化锌压敏陶瓷电阻的响应时间慢的误区。
由于工艺的差异,片式压敏电阻的价格要远低于TVS,表现出良好的性价比,设计人员可以根据电路的实际应用灵活选择片式压敏电阻或者TVS。
TVS 是半导体保护器件,具有响应速度快,可靠性高的优点,弱点一是无法承受太大的瞬间电流,二是其箝位电压随着电流增加而增加。
特别适合于不需要旁路大能量的低电压场合应用,示例电路如下:

压敏电阻的突破承载取决于它的物理尺寸,因而可以获得较高的浪涌电流值,其箝位特性使他可以为AC或DC电源线应用中作为瞬态保护元件,压敏电阻的价格较为低廉。
相比TVS二极管它的缺点是寄生电容较大,响应时间较慢,离散性大,另外压敏电阻会产生蜕化,因此存在可靠性和性能问题。
实例电路AC200V电源防雷:
DC12V/24V 电源防雷:

七.陶瓷气体放电管 VS TVS管
陶瓷气体放电管:主要用于线路中的防雷和过压保护,气体放电管指作过电压保护用的避雷管或天线开关管一类,管内有二个或多个电极,充有一定量的惰性气体,气体放电管是一种间隙式的防雷保护元件,它用在通信系统的防雷保护。
当外加电压增大到超过气体的绝缘强度时,两极间的间隙将放电击穿,由原来的绝缘状态转化为导电状态,导通后放电管两极之间的电压维持在放电弧道所决定的残压水平。
GDT 的特点是大通流量、高耐压值、极低的结间电容。缺点是多次工作后性能下降需要更换,并且在有源接口应用时必须要注意维持电压或者续流问题,因此一般也多配合压敏电阻使用。
GDT的工作模式:
雷击电压通过不同电压防护器件的波形
八.TSS管 VS TVS管

图 TSS管的原理图符号
电压开关型瞬态抑制二极管(TSS)与TVS管相同,也是利用半导体工艺制成的限压保护器件,但其工作原理与气体放电管类似,而与压敏电阻和TVS管不同。
当TSS管两端的过电压超过TSS管的击穿电压时,TSS管将把过电压钳位到比击穿电压更低的接近0V的水平上,之后TSS管持续这种短路状态,直到流过TSS管的过电流降到临界值以下后,TSS恢复开路状态。
TSS是电压开关型瞬态抑制二极管,就是涌抑制晶体管或者叫做导体放电管,固体放电管等等。
TSS管是利用半导体工艺制成的保护器件,主要用于信号电路的防雷保护,不能用在电源端口。
TSS器件的通流容量一般最高可达到150A(8/20uS)。
TSS管和TVS管都是利用半导体工艺制成的限压保护器件,TSS管是电压开关型的,TVS是电压钳位型的。
TSS管在响应时间,结电容方面与TVS管是相同特点,易于制成表贴器件,很适合在单板上使用,TSS管适合于信号电平较高的信号电路保护。
TSS管在响应时间、结电容方面具有与TVS管相同的特点。
易于制成表贴器件,很适合在单板上使用,TSS管动作后,将过电压从击穿电压值附近下拉到接近0V的水平,这时二极管的结压降小,所以用于信号电平较高的线路,例如模拟用户线、ADSL等。
TSS适合于信号电平较高的信号线路的保护。
在使用TSS管时,需要注意的一个问题是:TSS管在过电压作用下击穿后,当流过TSS管的电流值下降到临界值以下后TSS管才恢复开路状态,因此TSS管在信号线路中使用时,信号线路的常态电流应小于TSS管的临界恢复电流。
临界恢复电流值随TSS管的型号和设计应用场合的不同而不同,使用时应注意在器件手册中查明所用具体型号的确切值。
TSS管的击穿电压、通流容量是电路设计时应重点考虑的,在信号回路中时,应当有:min(UBR)≥(1.2~1.5)Umax,式中Umax为信号回路的峰值电压。
TSS管较多应用于信号线路的防雷保护。
TSS管的失效模式主要是短路,但当通过的过电流太大时,也可能造成TSS管被炸裂而开路,TSS管的使用寿命相对较长。
本文转自---------硬件十万个为什么
版权声明:本文内容由互联网用户自发贡献,该文观点仅代表作者本人。本站仅提供信息存储空间服务,不拥有所有权,不承担相关法律责任。如发现本站有涉嫌侵权/违法违规的内容,请联系我们,一经查实,本站将立刻删除。
如需转载请保留出处:https://51itzy.com/kjqy/41713.html