一运算放大器的简介
放大器(简称“运放”)是具有很高放大倍数的电路单元。运算放大器是一个内含多级放大电路的电子集成电路。分别是输入级,中间级,发大级还有偏置电路。
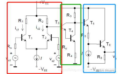
红色绿色蓝色分别是输入级,中间级和输出级。输入级采用具有很强零点漂移抑制能力的差动放大电路,中间级常采用争议较高的共发射级放大电路,输出级一般采用带负载能力很强的功率放大电路,偏置电路的作用是为各级放大电路提供了工作电压。
二放大器的特点
一个理想的运算放大器必须具备下列特性:
1.无限大的输入阻抗(Zin=∞):理想的运算放大器输入端不容许任何电流流入,即上输入信号V+与V-两端点的电流信号恒为零,亦即输入阻抗无限大。
2.趋近于零的输出阻抗(Zout=0):理想运算放大器的输出端是一个完美的电压源,无论流至放大器负载的电流如何变化,放大器的输出电压恒为一定值,亦即输出阻抗为零。
3.无限大的开回路增益(Ad=∞):理想运算放大器的一个重要性质就是开回路的状态下,输入端的差动信号有无限大的电压增益,这个特性使得运算放大器十分适合在实际应用时加上负反馈组态。
4.无限大的共模抑制比(CMRR=∞):理想运算放大器只能对V+与V-两端点电压的差值(差分信号)有反应,亦即只放大V + − V − 的部份。对于两输入信号的相同的部分(共模信号)将完全忽略不计。
什么是差分信号和共模信号。共模信号:双端输入时,两个信号相同。差模信号:双端输入时,两个信号的相位相差180度。

三放大器的主要参数
(1)共模输入电阻
该参数表示运算放大器工作在线性区时,输入共模电压范围与该范围内偏置电流的变化量之比。
(2)直流共模抑制
该参数用于衡量运算放大器对作用在两个输入端的相同直流信号的抑制能力。
(3)交流共模抑制
CMRAC用于衡量运算放大器对作用在两个输入端的相同交流信号的抑制能力,是差模开环增益除以共模开环增益的函数。
(4)增益带宽积
增益带宽积是一个常量,定义在开环增益随频率变化的特性曲线中以-20dB/十倍频程滚降的区域。
(5)输入偏置电流
该参数指运算放大器工作在线性区时流入输入端的平均电流。
(6)偏置电流温漂
该参数代表输入偏置电流在温度变化时产生的变化量。TCIB通常以pA/°C为单位表示。
(7)输入失调电流
该参数是指流入两个输入端的电流之差。
(8)输入失调电流温漂(TCIOS)
该参数代表输入失调电流在温度变化时产生的变化量。TCIOS通常以pA/°C为单位表示。
(9)差模输入电阻
该参数表示输入电压的变化量与相应的输入电流变化量之比,电压的变化导致电流的变化。在一个输入端测量时,另一输入端接固定的共模电压。
(10)输出阻抗
该参数是指运算放大器工作在线性区时,输出端的内部等效小信号阻抗。
(11)输出电压摆幅
该参数是指输出信号不发生箝位的条件下能够达到的最大电压摆幅的峰峰值,VO一般定义在特定的负载电阻和电源电压下。
(12)功耗
表示器件在给定电源电压下所消耗的静态功率,Pd通常定义在空载情况下。
(13)电源抑制比
该参数用来衡量在电源电压变化时运算放大器保持其输出不变的能力,PSRR通常用电源电压变化时所导致的输入失调电压的变化量表示。
(14)转换速率
该参数是指输出电压的变化量与发生这个变化所需时间之比的最大值。SR通常以V/µs为单位表示,有时也分别表示成正向变化和负向变化。
(15)电源电流
该参数是在指定电源电压下器件消耗的静态电流,这些参数通常定义在空载情况下。
(16)单位增益带宽
该参数指开环增益大于1时运算放大器的最大工作频率。
(17)输入失调电压
该参数表示使输出电压为零时需要在输入端作用的电压差。
(18)输入失调电压温漂(TCVOS)
该参数指温度变化引起的输入失调电压的变化,通常以uV/°C为单位表示。
(19)输入电容
CIN表示运算放大器工作在线性区时任何一个输入端的等效电容(另一输入端接地)。
(20)输入电压范围
该参数指运算放大器正常工作(可获得预期结果)时,所允许的输入电压的范围,VIN通常定义在指定的电源电压下。
(21)输入电压噪声密度(eN)
对于运算放大器,输入电压噪声可以看作是连接到任意一个输入端的串联噪声电压源,eN通常以 nV / 根号Hz 为单位表示,定义在指定频率。
(22)输入电流噪声密度(iN)
对于运算放大器,输入电流噪声可以看作是两个噪声电流源,连接到每个输入端和公共端,通常以 pA / 根号Hz 为单位表示,定义在指定频率。
(23)理想运算放大器参数
差模放大倍数、差模输入电阻、共模抑制比、上限频率均无穷大;输入失调电压及其温漂、输入失调电流及其温漂,以及噪声均为零。
四放大器的工作状态
集成运算放大器的工作状态有两种,线性状态和非线性状态,当给集成运算放大器加上负反馈电路时,他就工作在线性状态,如果给集成运算放大器加正反馈电路或当其在开环工作时,他就工作在非线性状态。
余下内容见:《学习笔记:运算放大器(OPA)超详细讲解(内含运用电路仿真)》
—
版权声明:本文为CSDN博主「爱学习的王大胖子」的原创文章,遵循CC 4.0 BY-SA版权协议,转载请附上原文出处链接及本声明。

8个型号的运算放大器分析对比
关于运算放大器用于发烧音频放大,问题集中在3个方面:一是运放可不可以用,二是到底哪个型号的运放好,三是现在的市场鱼龙混杂,怎么能知道买到的是“好”运放。关于第一个问题,我个人的意见是肯定的,不多赘述。后面两个问题,网上的精品帖子不少,但个人认为,很多介绍都是在谈听音感受,虽然描述得很精彩,但多少有些雾里看花的感觉。为此,个人从手头多个型号双运放中选出8个型号,用直观定性的方法做一简单对比。
8个双运放分别是:TL062、TL082、LM2904、LF353、AD827、NE5532、AD712、OPA2134。个人认为对于说明问题足够了。

首先在运放参数上做一简单对比。运算放大器的参数很多,生产厂家给出的参数文件非常详尽,但用于音频放大只要关注几个有关参数就可以了。如下表:
从列表对比情况可以看出:
单位增益带宽-越大越好,AD827、NE5532、OPA2134胜出;
共模抑制比-越大越好,OPA2134、NE5532、LF353、AD827胜出。
失真度,当然越小越好;最大输出电流,应该是越大越好,但这两个指标没有找全,不做比较吧。
小结:综合看,OPA2134、AD827、NE5532综合参数最好,也是口碑最好的。就像有的网友说的:“一致公认音色好的那几个发烧运放有几个技术指标是有特点的”。
搭建了一个简单的测试电路,如图。该电路为典型的10倍放大电路。分别对比8个运放在10KHZ和100KHZ方波信号输出波形情况。很简单明了,一看便知。
参考原文:《8个型号的运算放大器分析对比》

版权声明:本文内容由互联网用户自发贡献,该文观点仅代表作者本人。本站仅提供信息存储空间服务,不拥有所有权,不承担相关法律责任。如发现本站有涉嫌侵权/违法违规的内容,请联系我们,一经查实,本站将立刻删除。
如需转载请保留出处:https://51itzy.com/kjqy/31755.html