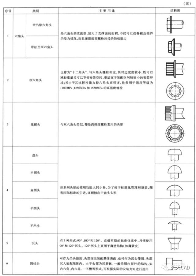
1.头形结构
螺栓头或螺钉头的主要功能是承载及扳拧,主要分为六角头、双六角头、花键头、盘头、沉头、圆柱头和其他头形儿大类,其结构和用途见表3-1。
+
讯享网
2.扳拧结构
螺栓和螺钉的扳拧结构分为外扳拧结构和内扳拧结构,外扳拧结构形式主要有六角头、十二角头、花键头、十角头、八角头、方头、月角头等,其中六角头和十二角头是常用的外扳拧结构,应用非常普遍;内扳拧结构主要用于头部外形为回转体如沉头、盘头、圆柱头等的情况,常见的内扳拧结构形式为一字槽、十字槽、内六角、内六花等,还有国外专利槽型—高扭矩十字槽和高扭矩一字槽。
通常情况下,外扳拧结构的扳拧性能要优于内扳拧结构,故高强度产品的扳拧结构一般选用外扳拧结构,但外扳拧结构所需的安装空间要大于内扳拧结构,对装配环境有一定的限制。在内扳拧结构中,内六角和内六花这两种结构的扳拧性能要明显优于其他内扳拧结构,故也可应用于高强度产品;但由于内六角的成型方式一般采用先预钻底孔再采用六方冲头冲切的方式,冲切下的材料会积压在孔底,在使用过程中
可能会脱落,形成多余物,因此,如果对多余物有控制要求时,应去除干净。
3.杆部结构
螺栓的杆部结构是指无螺纹光杆部位,根据其直径来分,主要为大径杆、中径杆、台阶形杆和加大杆(见图3-1至图3-4)。大径杆也称为标准杆,其公称直径等于螺纹公称直径,直径公差有两类,一类是松公差,主要用于抗拉型螺栓,如h12、h14;另一类是紧公差,主要用于抗剪型螺栓,如f9、f7、r6;中径杆也称为细杆,其公称直径约等于螺纹的中径,其公差带为h12,或不做特殊规定,主要用于抗拉型螺栓;台阶形杆也称为腰状杆,其杆径小于或相当于螺纹的小径,主要用于要求减小刚度的螺栓或者要求降低螺纹应力集中的螺栓;加大杆也称为加强杆,其杆径比螺纹大径大,可以与装配孔形成过盈配合,也可以用于结构维修。
螺栓的杆部长度是螺栓的基本规格参数之一,一般等于被连接件的夹层厚度,也可称其为螺栓的夹紧长度。对于抗拉型螺栓,该长度一般包括螺纹的收尾,如图3-5中的lg;对于抗剪型螺栓,该长度不包括螺纹收尾,如图3-5中户的ls。

4.螺纹结构
螺纹结构包括螺纹长度、螺纹精度、螺纹牙型、螺纹牙底圆弧和螺纹收尾及肩距等。
在同一产品标准中,同一直径规格螺栓的螺纹长度一般为固定值,螺栓总长的增加主要体现在螺栓光杆长度的增加。螺栓的螺纹长度可分为长螺纹、中螺纹和短螺纹。长螺纹通常适用于抗拉型螺栓,主要用来承受较大的拉力;短螺纹通常适用于抗剪型螺栓,主要用于连接、防脱落,不承受拉力或者承受较小拉力;中螺纹通常适用于承受拉剪复合载荷的螺栓,可以承受一定的拉力。
螺柱的结构
螺柱与螺栓和螺钉的结构明显不同,螺柱没有头部结构,两端都有螺纹,这两部分的螺纹可以是等直径的,也可以是不等直径的,其常见结构如图3-6所示。在使用时,将一端拧入基体,一般不需要拆卸;另一端与螺母配用,可多次拆装使用。为了使螺柱牢固地埋入基体,旋入基体一端的螺纹通常采用过渡配合螺纹实现紧配,也可以采用锁键等其他方法固定。

螺栓、螺钉和螺柱的性能
螺栓、螺钉和螺柱的性能主要包括力学性能和冶金性能,力学性能是从宏观上评定产品所承受各种载荷的能力,主要指标为拉伸性能、剪切性能、抗疲劳性能等;冶金性能是从微观上评定产品的组织结构性能,主要内容包括晶粒流线、显微组织、不连续性等。

性能等级
我国有两个紧固件标准体系:一个是一般用途紧固件标准体系(即GB系);另一个是航空航天紧固件标准体系(即航空航天系)。由于两个标准体系的紧固件使用环境和性能要求不尽相同,对力学州:能等级的划分也存在一定差异。这一小节分别按照这两个标准体系对螺栓、螺钉和螺柱的性能等级进行介绍。
1.GB系螺栓类产品性能等级
目前,我国GB系列螺栓类产品相关的力学性能标准共计12份,见表3-2。

(1)钢制螺栓、螺钉和螺柱性能等级
由碳钢或合金钢制造的螺栓、螺钉和螺柱,按其抗拉强度和屈服强度共分为9个性能等级,即4.6级、4.8级、5.6级、5.8级、6.8级、8.8级、9.8级、10.9级和12.9级。一般情况下,8.8级以下的螺栓选用碳钢制造,8.8级以上的螺栓选用合金钢制造。
钢制螺栓、螺钉和螺柱性能等级的代号由点隔开的两部分数字组成,点左边的一或二位数字为公称抗拉强度(Rm,公称)的1/100,以MPa计;点右边的数字表示公称屈服强度(下屈服强度)(REl,公称)或规定非比例延伸0.2%的公称应力(RPO.2,公称)或规定非比例延伸0.0048d的公称应力(RPf,公称)与公称抗拉强度(Rm,公称)比值(屈强比)的10倍;两部分数字的乘积为公称屈服强度的1/10。例如,9.8级螺栓,其中“9"为螺栓公称抗拉强度的1/100.由此可知,螺栓的公称抗拉强度为9x100=900MPa;"8”为屈强比的10倍,由此可知,屈强比为0.8。
(2)不锈钢螺检、螺钉和螺柱性能等级
根据材料的类别和组别可将不锈钢螺栓、螺钉和螺柱分成3大类(奥氏体、马氏体和铁素体),9个组别(A1、A2、A3、A4、、A5、C1、C3、C4、F1),然后冉按制造工艺的不同将它们组合成23个性能等级,见图3-7。

不锈钢螺栓、螺钉和螺柱性能等级的标记代号由材料组别和性能等级两部分组成。第一部分是不锈钢的组别标记,由字母和数字组成,字母表示不锈钢的类别(A表示奥氏体不锈钢、C表示马氏体不锈钢、F表示铁素体不锈钢),数字表示不锈钢的化学成分范围。第二部分是性能等级标记,由两位数字组成,表示螺栓抗拉强度的1/10,例如A2-70表示螺栓的材料为第二组奥氏体不锈钢、经冷加工成型,最小抗拉强度为700MPa;C3-80表示螺栓材料为第二组马氏体不锈钢、经淬火并回火处理,最小抗拉强度为800MPa。
(3)有色金属螺检性能等级
有色金属主要指铜合金和铝合金,由它们制造的螺栓、螺钉和螺柱的主要性能指标是抗拉强度,属于低强度紧固件同一性能等级、同一规格的螺栓、螺钉和螺柱的最小拉力载荷是一样的,其性能等级基本上是按抗拉强度大小和相应的材料牌号进行分级的。铜合金共分为7个等级,即CU1、CU2、CU3、CU4、CU5、CU6、CU7;铝合金共分为6个等级,即AL1、AL2、AL3、.AL4、AL5、AL6。例如,CU2表示铜合金第2级性能等级、对应的材料牌号为H63,抗拉强度为370MPa。
性能等级的标记代号由两个字母和一位数字组成,其中字母与有色金属材料化学元素符号的字母相同,如CU表示铜Cu,AL表示铝Al;数字表示性能等级的序号,如1,2,3,…,但不表示力学性能按递增方式排列,只对应不同的材料,牌号和力学性能。
(4)紧定螺钉性能等级
紧定螺钉与前面讲到的螺栓、螺钉和螺柱一样都属于外螺纹紧固件,但两者具有不同的性能等级评定准则。紧定螺钉的性能等级是采用硬度来表示的,而不是前面提到的抗拉强度,具体如下:
由碳钢或合金钢制造的紧定螺钉共分为4个性能等级,即14H、22H、33H和45H。性能等级的标记代号是由数字和字母H组成,其中数字部分表示最低维氏硬度的1/10,字母H表示硬度。如14H级的“14"表示最低维氏硬度的1/10,即其最低维氏硬度为14x10=140HV。
由不锈钢制造的紧定螺钉所用的材料只有奥氏体不锈钢,与不锈钢螺栓一样分为5组,即A1、A2、A3、A4、AS,其化学成分也与不锈钢螺栓相同。不锈钢紧定螺钉的性能等级共分为两个性能等级,即12H和21H。对于软态(即奥氏体状态)的紧定螺钉硬度较低,最低硬度为125HV,用12H表示;经冷变形加工的紧定螺钉硬度较高,最低硬度为210HV,用21H表示。

版权声明:本文内容由互联网用户自发贡献,该文观点仅代表作者本人。本站仅提供信息存储空间服务,不拥有所有权,不承担相关法律责任。如发现本站有涉嫌侵权/违法违规的内容,请联系我们,一经查实,本站将立刻删除。
如需转载请保留出处:https://51itzy.com/kjqy/29428.html