更多的知识请参考:sparkfun工程基础
初识串联、并联电路
在串联电路中,电流要先通过一个元件,再通过另一个元件。备选方法就是把它们并排并联起来。
- 串联电阻器是一个接一个排布的。
- 并联电阻器是并排排布的。
将两个阻值相同的电阻器串联,总阻值会加倍,这是因为电流要接连通过两个阻碍。如图1-58 所示。

讯享网
1-58 两个阻值相同的电阻器串联连接
将两个阻值相同的电阻器并联,总阻值会减半,因为电流有两条阻值相同的通路,而不是一条。如图 1-59 所示。

1-59 两个阻值相同的电阻并联连接
两幅图中,单位为毫安的电流都是用欧姆定律计算出来的。
实际上,我们通常不把电阻器并联连接,但是经常把其他元件并联连接。例如,你房间内的所有灯泡都与总电源并联。因此,如果一直增加并联元件,电路中的电阻会减小,理解这一点很有用。同时,随着电流通路条数的增加,电路中的总电流会上升。
想想:为什么从电表到家里这段线路的电缆要尽可能粗一些?
串联和并联电路
在本教程中,我们将首先讨论串联电路和并联电路之间的区别,使用包含最基本组件(电阻器和电池)的电路来显示两种配置之间的差异。然后,我们将探讨当您组合不同类型的组件(例如电容器和电感器)时,串联和并联电路中会发生什么。
本教程介绍
- 串联和并联电路配置的外观
- passive元件在这些配置中如何工作
- 在这些配置中,电压源将如何作用于passive元件
节点和电流
在我们深入研究之前,我们需要提到节点是什么。这没什么花哨的,只是表示两个或多个组件之间的电路连接。在原理图上对电路进行绘制时,这些结点表示元件之间的导线。

具有四个独特颜色结点的示例原理图。
我们还需要了解电流如何流过电路。电流在电路中从高电压流向低电压。一定量的电流将流过它需要的每条路径才能到达最低电压点(通常称为地)。以上述电路为例,以下是电流从电池的正极流向负极时的流动方式:

电流(由蓝色、橙色和粉红色线表示)流经与上述相同的示例电路。不同的电流由不同的颜色表示。
请注意,在某些节点中(如 R1和 R2 之间)电流是相同的。在其他节点(特别是 R2、R3、R4的三向结点)主(蓝色)电流分成两个不同的电流。这就是串联和并联之间的关键区别!
串联电路定义(Series Circuits)
如果两个组件共享一个公共节点,并且相同的电流流过它们,则它们是串联的。下面是一个具有三个串联电阻的示例电路:

电流在上述电路中只有一种方式。从电池的正端开始,电流将首先遇到R1.从那里电流将直接流向R2,然后到 R3,最后回到电池的负极。请注意,电流只有一条路径可遵循。这些组件是串联的。
并联电路
并联电路定义(Parallel Circuits Defined)
如果组件共享两个公共节点,则它们是并行的。以下是三个电阻器与电池并联的示例原理图:

从正极电池端子,电流流向R1…和 R2和 R3.将电池连接到 R1 的节点也连接到其他电阻器。这些电阻器的另一端类似地绑在一起,然后回电池的负极。电流在返回电池之前可以采取三种不同的路径,相关的电阻器就是并联的。
串联元件的电流都相等,并联元件的两端都具有相同的压降 – 串联:电流::p arallel:电压。
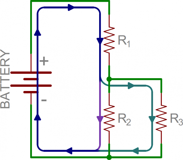
串联和并联电路协同工作
我们可以混合搭配。在下一张图片中,我们再次看到三个电阻器和一个电池。从正极电池端子,电流首先遇到R1.但是,在R1的另一边节点分开,电流转到R2和 R3. 电流通过 R2和 R3后再次连在一起,电流回到电池的负极。

在此示例中,R2和 R3彼此并行,R1与 R2和 R3 的并联组合串联。
计算串联电路中的等效电阻
以下是一些可能对您更实际有用的信息。当我们像这样串联和并联地将电阻器放在一起时,我们改变了电流流过它们的方式。例如,如果我们在10kΩ电阻上有一个10V电源,欧姆定律说我们有1mA的电流流动。

然后,如果我们将另一个10kΩ电阻与第一个电阻串联并保持电源不变,则由于电阻加倍,因此我们将电流减少了一半。

换句话说,电流仍然只有一条路径,我们只是使电流流动变得更加困难。有多难?10千欧 + 10千欧 = 20千欧。这就是我们计算串联电阻的方式 – 只需将它们的值相加即可。
更一般地说:总电阻 - N个电阻器是的总和。


计算并联电路中的等效电阻
并联电阻器呢?这有点复杂,但不是很多。考虑最后一个例子,我们从10V电源和10kΩ电阻开始,但这次我们并联增加了另一个10kΩ而不是串联。现在电流有两条路径。由于电源电压没有变化,欧姆定律说第一个电阻仍然会消耗1mA。但是,第二个电阻也是如此,我们现在从电源获得的总电流为2mA,是原始1mA的两倍。这意味着我们已经将总阻力减少了一半。

虽然我们可以说10kΩ||10kΩ = 5kΩ(“||”大致翻译为“并联”),我们并不总是会有2个相同的电阻。然后呢?
并联添加任意数量的电阻器的公式为:

如果倒数不是你的事,当我们有两个并联的电阻时,我们也可以使用一种称为“乘积除和”的方法:

但是,这种方法只适用于一次计算中的两个电阻器。我们可以用这种方法组合2个以上的电阻,方法是取R1||R2的结果并与第三个电阻并行计算该值(再次作为乘积除和),但倒数方法可能较少遇到。
实验 - 第 1 部分
您将需要:
- 少量 10kΩ 电阻
- 万用表
- 面包板
让我们尝试一个简单的实验,只是为了证明这些东西按照我们所说的方式工作。
首先,我们将串联一些10kΩ电阻。使用面包板,如图所示放置一个10kΩ电阻,并用万用表测量。是的,我们已经知道它会说它是10kΩ。请以类似的方式放置另一个,但每个电阻器的引线通过面包板电连接并再次测量。仪表现在应该说接近20kΩ的东西。
您可能会注意到,您测量的电阻可能与电阻所说的不完全相同。电阻器具有一定的误差,这意味着它们可以在任一方向上偏离一定百分比。因此,您可以读取9.99kΩ或10.01kΩ。只要它接近正确的值,一切都应该可以正常工作。

读者应该继续这个练习,直到说服自己,在再次这样做之前,他们知道结果会是什么。
实验时间 - 第 2 部分
现在,让我们尝试使用并联配置的电阻器。像以前一样,在面包板上放置一个10kΩ电阻(我们相信读者已经相信单个10kΩ电阻将在万用表上测量接近10kΩ的东西)。现在,在第一个电阻器旁边放置第二个10kΩ电阻器,注意每个电阻器的引线都排成电连接行。但在测量组合之前,通过计算新值应该是多少(提示:它将是5kΩ)。然后测量。是接近5kΩ的东西吗?如果不是,请仔细检查电阻器插入的孔。

现在用 3、4 和 5 个电阻器重复练习。计算/测量值应分别为3.33kΩ、2.5kΩ和2kΩ。一切都按计划进行了吗?如果没有,请返回并检查您的连接。

串联和并联电阻器的经验法则
提示#1:并联相等的电阻器
并联添加N个相同值的电阻R,得到R/N欧姆。假设我们需要一个2.5kΩ电阻,但我们只有10kΩ的电阻器。将其中四个并联组合在一起,得到10kΩ/4 = 2.5kΩ。

提示#2:宽容
知道你能忍受什么样的宽容。例如,如果需要一个3.2kΩ电阻,则可以并联3个10kΩ电阻。这将给你3.3kΩ,这与你需要的值大约是4%的误差。但是,如果您正在构建的电路需要接近4%的误差,我们可以测量我们用到的10kΩ,以查看最低值,因为它们也有误差。从理论上讲,如果10kΩ电阻都是1%的误差,我们只能得到3.3kΩ。但是众所周知,零件制造商会犯这些错误,因此稍微宽容是值得的。
提示#3:串联/并联的额定功率
这种串联和并联的电阻器组合也适用于额定功率。假设我们需要一个额定功率为2瓦(W)的100Ω电阻,但我们所拥有的只是一堆1kΩ四分之一瓦(1/4W)电阻。您可以将1kΩ中的10个组合在一起,得到100Ω (1kΩ/10 = 100Ω),额定功率为10x0.25W。不漂亮,但它会让我们完成一个最终的项目,甚至可能让我们能够独立思考而获得额外的分数。
当我们并联组合不同值的电阻器时,我们需要更加小心,因为涉及总等效电阻和额定功率。读者应该完全清楚,但是…
提示#4:并联不同的电阻器
两个不同值电阻的总电阻总是小于最小值电阻。读者会惊讶地发现,有多少次有人将脑海中的值组合在一起,得出一个介于两个电阻之间的值(1kΩ||10kΩ不等于5kΩ附近的任何东西)!总并联电阻将始终被拖得更接近最低值电阻。帮自己一个忙,把提示#4读10遍。
提示 #5:并联功耗
由于电流不相等,在不同电阻值的并联组合中耗散的功率不会在电阻之间均匀分配。使用前面的例子(1kΩ||10kΩ),我们可以看到1kΩ将消耗的电流是10kΩ的10倍。由于欧姆定律说功率=电压x电流,因此1kΩ电阻的功耗将是10kΩ的10倍。
最终,技巧4和5的教训是,我们必须更密切地关注在并联组合不同值的电阻器时我们正在做什么。但是,当值相同时,提示 1 和 3 提供了一些方便的快捷方式。
串联和并联电容器
组合电容器就像组合电阻器一样…恰恰相反。尽管这听起来很奇怪,但这是绝对正确的。为什么会这样?
电容器只是两个间隔非常近的板,它的基本功能是容纳一大堆电子。电容值越大,它可以容纳的电子就越多。如果板的尺寸增加,电容就会上升,因为物理上有更多的空间供电子悬挂。如果板的距离更远,电容就会下降,因为它们之间的电场强度会随着距离的增加而下降。
现在假设我们有两个串联在一起的10μF电容器,假设它们都已充电并准备放电。

请记住,在串联电路中,电流只有一条路径。因此,从底部的电容放电的电子数量将与从顶部的盖子中出来的电子数量相同。所以电容没有增加,不是吗?
事实上,它甚至比这更糟糕。通过将电容器串联起来,我们有效地将板的间距间隔得更远,因为两个电容器的板之间的间距加在一起。所以我们没有20μF,甚至没有10μF。我们有5μF。这样做的结果是,我们添加串联电容器值的方式与添加并联电阻值的方式相同。乘积除和和倒数方法都适用于串联添加电容器。

串联添加电容器似乎没有意义。但应该指出的是,我们确实得到的一件事是两倍的电压(或电压额定值)。就像电池一样,当我们将电容器串联在一起时,电压就会增加。
并联添加电容器就像串联添加电阻器一样:值只是相加,没有把戏。这是为什么呢?将它们并联有效地增加了板的尺寸,而不会增加它们之间的距离。面积越大,电容越大。简单。

实验 - 第 3 部分
您将需要:
- 一个 10kΩ 电阻器
- 三个 100μF 电容
- 3 节 AA 电池座
- 三节 AA 电池
- 面包板
- 万用表
- 夹子引线
让我们看看一些串联和并联连接的电容器的实际应用。这将比电阻器示例稍微棘手一些,因为用万用表直接测量电容更难。
让我们首先谈谈当电容器从零伏特充电时会发生什么。当电流开始进入其中一个引线时,等量的电流从另一个引线中流出。如果没有与电容器串联的电阻,则可能会产生相当大的电流。在任何情况下,电流都会一直流到电容器开始充电到所施加电压的值,当电流完全停止时,电流会更慢地下降,直到电压相等。
如上所述,如果没有与电容器串联的电阻,电流消耗可能非常大,并且充电时间可能非常短(如毫秒或更短)。对于这个实验,我们希望能够看到电容器充电,所以我们将使用一个串联的10kΩ电阻,将将充电过程减慢到我们可以很容易地看到它的程度。但首先我们需要讨论什么是RC时间常数。

上面的等式说的是,以秒为单位的一个时间常数(称为tau)等于以欧姆为单位的电阻乘以法拉为单位的电容。简单?不?我们将在下一页演示。
实验时间 - 第3部分,续…
在本实验的第一部分,我们将使用一个10K电阻和一个100μF(等于0.0001法拉)。这两个部分创建 1 秒的时间常数:

当通过10kΩ电阻为100μF电容充电时,我们可以预期电容上的电压在1个时间常数(即1秒)内上升到电源电压的63%左右。经过5个时间常数(在本例中为5秒)后,电容充电到电源电压约99%,它将遵循如下图所示的充电曲线。

现在我们知道了这些东西,我们将连接图中的电路(确保使该电容器的极性正确!

将万用表设置为测量伏特后,在开关打开的情况下检查电池组的输出电压。这是我们的电源电压,它应该在4.5V左右(如果电池是新的,它会更多一点)。现在连接电路,注意电池组上的开关处于“OFF”位置,然后再将其插入试验板。另外,请注意红色和黑色引线要转到正确的地方。如果更方便,您可以使用鳄鱼夹将仪表探头连接到电容器的支腿上进行测量(您也可以将这些支腿稍微展开以使其更容易)。
一旦我们确信电路看起来正确,并且我们的仪表已打开并设置为读取伏特,请将电池组上的开关翻转为“ON”。大约5秒钟后,测量仪的读数应该非常接近电池组电压,这表明方程式是正确的,我们知道我们在做什么。现在关闭开关。它仍然很好地保持了电压,不是吗?这是因为电流没有路径使电容器放电;我们有一个开放的电路。要对电容放电,可以并联使用另一个10K电阻。大约5秒钟后,它将恢复到非常接近于零的水平。
实验时间 - 第 3 部分,甚至更多…
现在我们来看看有趣的部分,从串联连接两个电容器开始。请记住,我们说过的结果类似于并联连接两个电阻器。如果这是真的,我们可以期待

这会对我们的时间常数产生什么影响?


考虑到这一点,插入另一个与第一个电容器串联的电容器,确保仪表读数为零伏(或接近0)并将开关翻转为“ON”。充电到电池组电压所需的时间是否只有原来的一半?这是因为电容只有原来的一半。电子气罐变小了,所以充电的时间更少了。这个实验建议使用第三个电容器来证明这一点,但我们打赌读者可以看到墙上的文字。
现在,我们将尝试并联电容器,请记住我们之前说过,这就像串联添加电阻器一样。如果这是真的,那么我们可以期待200μF,对吧?那么我们的时间常数就变成了

这意味着现在需要大约10秒才能看到并联电容器充电到4.5V的电源电压。

为了证明这一点,请从我们原来的电路开始,该电路由一个10kΩ电阻和一个100μF电容串联而成,如本实验的第一张图所示。我们已经知道电容器将在大约5秒内充电。现在并联添加第二个电容器。确保测量仪读数接近零伏(如果未读数为零,则通过电阻器放电),然后将电池组上的开关翻转为“ON”。需要很长时间,不是吗?果然,我们把电子气罐变大了,现在加满它需要更长的时间。为了向自己证明这一点,请尝试添加第三个100μF电容器,并观察它充电很长时间。
串联和并联电感器
串联和并联电感器
需要串联或并联添加电感器的情况相当罕见,但并非闻所未闻。无论如何,让我们解决它们只是为了完整。
简而言之,它们像电阻器一样添加,也就是说,它们在串联时用加法,在并联时用乘积除和。无论是有意还是无意,都会出现棘手的问题。由于这个原因,最好是用一个组件,而不是两个或更多,尽管大多数电感器都是屏蔽的,以防止相互作用的磁场。
无论如何,只要说它们像电阻器一样添加就足够了。有关电感器的更多信息远远超出了本教程的范围。
有兴趣了解更多基础主题吗?
请参阅我们的工程基础页面,了解有关电气工程基石主题的完整列表。
带我去那里!

资源和进一步发展
现在您已经熟悉了串行和并行电路的基础知识,为什么不查看其中一些教程呢?
- 分压器 - 分压器是最基本和反复出现的电路之一。这是一个真正建立在本教程中探讨的概念之上的电路。
- 什么是Arduino?- 现在您已经掌握了电路的基础知识,您可以直接前往学习具有最流行平台之一的微控制器:Arduino。
- 开关基础知识 - 我们在本教程中讨论了一些更基本的电路元素,但这不是其中之一。开关是几乎所有电子项目中的关键组件。在本教程中了解有关开关的所有信息
- 使用导电线缝纫 - 电路不必全部是面包板和电线。电子纺织品使用导电线将灯和其他电子产品缝合到衣服或其他织物中。
版权声明:本文内容由互联网用户自发贡献,该文观点仅代表作者本人。本站仅提供信息存储空间服务,不拥有所有权,不承担相关法律责任。如发现本站有涉嫌侵权/违法违规的内容,请联系我们,一经查实,本站将立刻删除。
如需转载请保留出处:https://51itzy.com/kjqy/26547.html