
讯享网
本文为美国康奈尔大学(作者:RayDaniel Zimmerman)的硕士论文,共71页。
配电系统通常具有连接和分段开关,其状态决定网络的拓扑结构。系统配置影响变电站向负荷供电的效率。电力公司对寻找最有效的配置很感兴趣,这将是一种将三相配电系统的实际功率损失降至最低的配置。
本文将网络重构问题表述为一个具有等式和不等式约束的单目标优化问题。该问题的解决方案是基于一种被称为模拟退火的组合优化算法。为了保证求解的可行性,必须满足基尔霍夫电压和电流定律,在三相配电系统中可以用三相潮流方程表示。本文对这些方程进行了推导,并对相关的三相系统建模进行了总结。对模拟退火算法的一般情况进行了描述,并具体应用于网络重构问题。

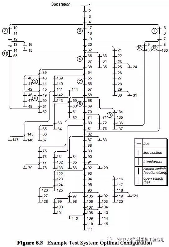
本文还描述了该算法在C语言程序中的实现,该程序在Sun工作站上进行了测试,给出了一个具有147条总线和12个交换机的示例系统。该算法在几分钟内收敛到最优解,证明了采用模拟退火法解决三相配电系统网络重构降损问题的可行性。这些结果为将现有的单相或平衡系统方法推广到更复杂、更必要的三相不平衡情况提供了依据。
Power distribution systems typically havetie and sectionalizing switches whose states determine the topologicalconfiguration of the network. The system configuration affects the efficiencywith which the power supplied by the substation is transferred to the load.Power companies are interested in finding the most efficient configuration, theone which minimizes the real power loss of their three-phase distributionsystems. In this thesis the network reconfiguration problem is formulated assingle objective optimization problem with equality and inequality constraints.The proposed solution to this problem is based on a general combinatorialoptimization algorithm known as simulated annealing. To ensure that a solutionis feasible it must satisfy Kirchhoff’s voltage and current laws, which in athree-phase distribution system can be expressed as the threephase power flowequations. The derivation of these equations is presented along with a summaryof related three-phase system modeling. The simulated annealing algorithm isdescribed in a general context and then applied specifically to the networkreconfiguration problem. Also presented here is a description of theimplementation of this solution algorithm in a C language program. This programwas tested on a Sun workstation, given an example system with 147 buses and 12switches. The algorithm converged to the optimal solution in a matter ofminutes demonstrating the feasibility of using simulated annealing to solve theproblem of network reconfiguration for loss reduction in a three-phase powerdistribution system. These results provide the basis for the extension ofexisting methods for single-phase or balanced systems to the more complex andincreasingly more necessary threephase unbalanced case.
1 引言
2 问题描述
3 三相分布功率流
4 模拟退火方法
5 求解算法的具体实现
6 仿真结果
7 结论
版权声明:本文内容由互联网用户自发贡献,该文观点仅代表作者本人。本站仅提供信息存储空间服务,不拥有所有权,不承担相关法律责任。如发现本站有涉嫌侵权/违法违规的内容,请联系我们,一经查实,本站将立刻删除。
如需转载请保留出处:https://51itzy.com/kjqy/25461.html