思维发散: 单片机编程是什么:人类要求单片机干具体的活,有点像提前写个小纸条贴冰箱上,告诉你女朋友 煮鸡蛋不加水
单片机执行程序怎么理解: 女朋友看到纸条后,照做!
单片机能做什么事情: IO口供电,串口数据传输等
肉眼可见的引脚是什么:方便人类对单片机IO口,串口接东西
单片机CPU怎么找到IO口:通过寻址,说白了有一些地址数据,头文件帮你做很多了
怎么写纸条(编程)找到IO口呢:ANSI C
sfr“指令”: 用来直接描述硬件地址,小白先理解成“一组IO口”的起始地址中数据 sfr P0 = 0x80; P0 = 0;
怎么找到IO口的具体一个引脚呢: sbit“指令”:对应可位寻址空间的一个位,小白先理解成“一个IO口/针脚”的地址中数据 sbit led2 = P3^6 c语言的一个字节,char型就是8位
上官一号有5组输入输出口,分别为P0,P1,P2,P3,P4每组对应8个针脚,P4是RC系列特有的,有7个针脚
为什么灯会亮
简单的串联电路,D4,D5,D6板子上有标记,D5一端通过电阻接5v,另外一端接着“LED1标志的线”,我 们发现在89C52RC的电路图中也有LED1的标志,是在P3的IO口组中,在P3.7引脚,所以编程让P3.7出 低电平(0)就让D5灯完成一个串联电路,所以亮


注意:原理图中标号一样代表是同一根“电线
代码实现
讯享网
使用stc自带的延迟函数
注意:包含头文件#include “intrins.h”
讯享网
原理:
按键和灯不是我们传统理解的思维,传统按键和灯是在同一个电路中的。
而我们单片机编程按键 和灯是分开的两个电路,通过单片机作为媒介来处理数据,通过逻辑来实现按键控制灯
电路原理:
按键开的状态KEY1和5V相连为高电平,当按键按下KEY1导通接地,变成低电平。



实现:
查询法按键控制灯
怎么知道sw1按键被按下 ——KEY1位置和GND接通,表现为低电平,值为0
怎么知道sw1按键没有被按下 ——KEY1位置通过上拉电阻到5V,表现为高电平,值为1
KEY1接到STC89C52RC的P2.1口,我们只要不断检测P2.1口的值(0-按下,1-松开)就知道按键是 否被按下
代码
消除抖动
原理:使用延时函数消除抖动
讯享网
一个按键控制led亮灭
原理:led1=!led1;利用取反——原来是0变成1,原来是1变成0
记录状态位来控制led
讯享网
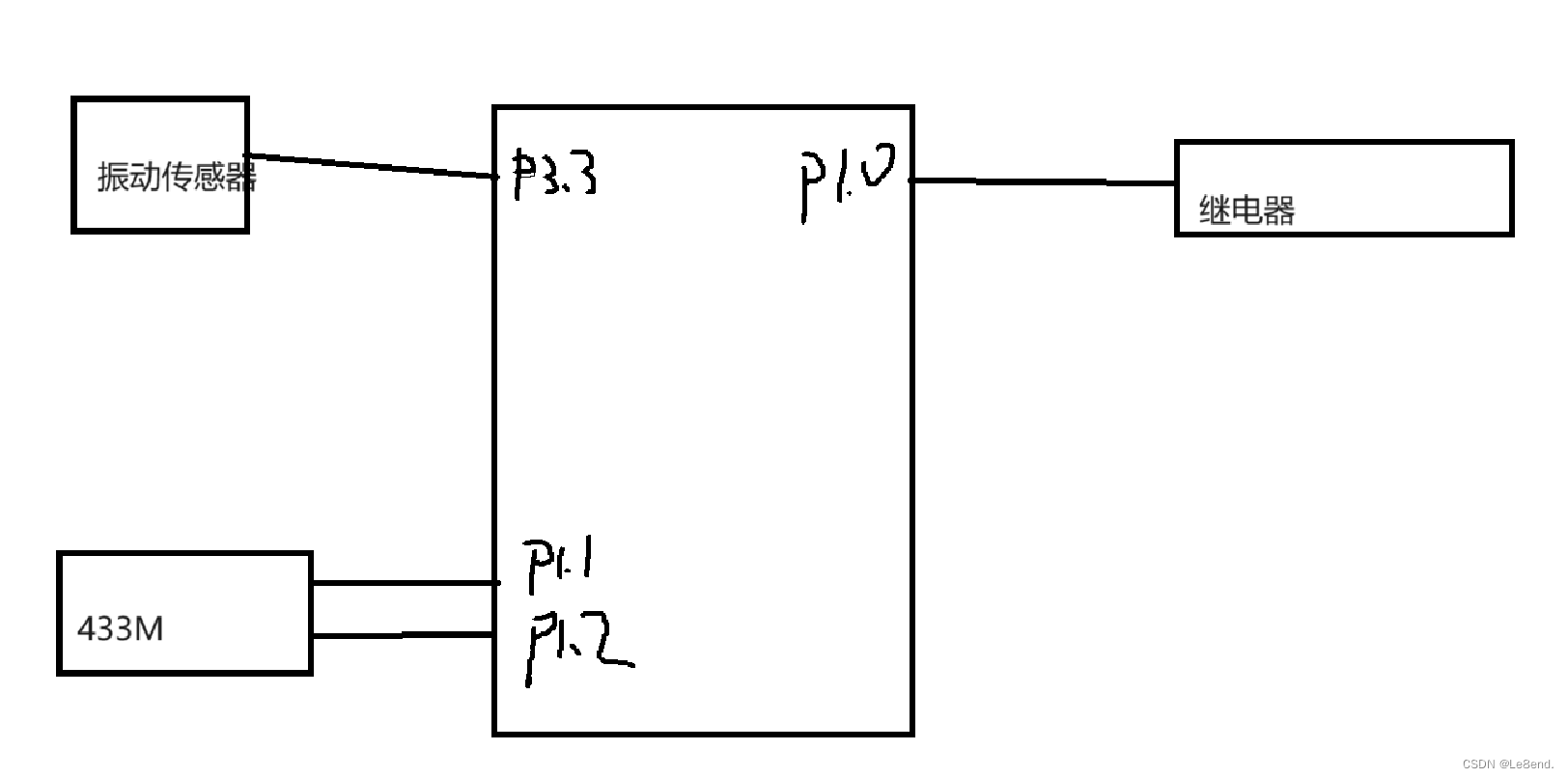
硬件介绍:
振动传感器模块

接线:
VCC接在5V;
GND接GND;
DO口接在P3^3
正确接线——绿灯亮起,且震动时蓝灯亮起
代码:
继电器——电子开关

接线:
GND接到GND
VCC接到5v
IN一定要接到单片机一个IO口
IN未接收到低电平,com和No口处于断开状态。接收到低电平铁片转到常开端,com和No口接通,串联电路闭合
讯享网
遥控发送接受433M
基本知识
https://wenku.baidu.com/view/8fe8f444bed5b9f3f80f1c33.html
按下后如何被接受
接收后信号表现
单片机供电VCC GND接单片机 接收到信号,接收模块对应针脚输出高电平 有D0 D1 D2 D3,对应遥控器的ABCD
遥控控制led

讯享网

版权声明:本文内容由互联网用户自发贡献,该文观点仅代表作者本人。本站仅提供信息存储空间服务,不拥有所有权,不承担相关法律责任。如发现本站有涉嫌侵权/违法违规的内容,请联系我们,一经查实,本站将立刻删除。
如需转载请保留出处:https://51itzy.com/kjqy/191618.html