电路简化的基本原则
初中物理电学中的复杂电路可以通过如下原则进行简化:
第一:不计导线电阻,认定R线≈0。有电流流过的导线两端电压为零,断开时开关两端可以测得电压(电路中没有其他断点)。
第二:开关闭合时等效于一根导线;开关断开时等效于断路,可从电路两节点间去掉。开关闭合有电流流过时,开关两端电压为零,断开时开关两端可以测得电压(电路中没有其他断点)。
第三:电流表内阻很小,在分析电路的连接方式时,有电流表的地方可看作一根导线。
第四:电压表内阻很大,在分析电路的连接方式时,有电压表的地方可视作断路,从电路两节点间去掉。
第五:用电器(电阻)短路:用电器(电阻)和导线(开关、电流表)并联时,用电器中无电流通过(如下图示),可以把用电器从电路的两节点间拆除(去掉)。
第六:滑动变阻器Pa段被导线(金属杆)短接不工作,去掉Pa段后,下图a变为图b。

第七:根据串、并联电路电流和电压规律“串联分压、并联分流”分析总电流、总电压和分电流、分电压的关系。
第八:电流表和哪个用电器串联就测哪个用电器的电流,电压表和哪个用电器并联就测哪个用电器的电压。判断电压表所测量的电压可用滑移法和去源法。
第九:电压表原则上要求并联在电路中,单独测量电源电压时,可直接在电源两端。
一般情况下,如果电压表串联在电路中,测得的电压是电源两端电压(具体情况见笔记)。电流表直接接在电源两端会被烧坏,且让电源短路,烧坏电源。
第十:如果导线上(节点之间)没有用电器(开关,电流表除外),那么导线上的各点可以看做是一个点,可以任意合并、分开、增减。(此法又称节点法)例如:

电路简化步骤
第一步:按照题目要求将断开的开关去掉,将闭合的开关变成导线。
第二步:将电流表变成导线(视具体情况也可保留)。
第三步:去掉电压表。
第四步:合并(或者换位)导线上的节点。(此步骤在电路中用电器比较多,且相互纠结时,采用)
第五步:画出等效电路图,判断各用电器是串联还是并联。
第六步:在原电路中利用原则七、八判断电流表和电压表各测量哪个用电器的电流和电压。
第七步:将电压表和电流表添加到等效电路图中,分析各电流表和电压表示数之间的关系。(利用原则七)
经典例题选讲
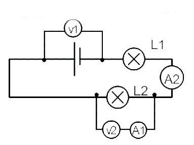
例1:在如下电路图中,开关S闭合后,电压表V1的示数是2.5V,V2的示数是1V,如果A2的示数是0.2A,那么A1的示数是多少?试求两只灯泡两端的电压。
分析:
第一步:将开关变成导线;
第二步:将电流表变成导线;
第三步将电压表去掉。
第四步(略)
第五步:判断用电器连接方式

很显然,电路中两个灯泡是串联的。
第六步:根据原则四,知道电压表V2处断开,所以没有电流从A1流过,示数为零;根据滑移法知道V1和电源并联,测电源两端电压。V2和L2并联,测L2两端电压。

第七步:等效电路图如下:

根据等效电路图,可知所求I1=I2=0.2A
U1=2.5V-1V=1.5V U2=1V
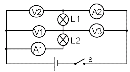
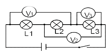
例2 :如图示,开关s闭合后下列各电压表示数的关系是,各电流表示数之间的关系是___。

分析:第一步:把开关变成导线;
第二步:把电流表变成导线;
第三步:去掉电压表;第四步(略);
第五步:判断各用电器的连接方式:

第六步:根据原则七和原则八以及滑移法或去源法判断电流表和电压表各自所测量的对象。
①在原电路中,去掉电压表,可以发现电流表A1和A2都与灯泡串联,所以电流表示数相等;
②用滑移法可以判断出V1测L1两端的电压,V2测电源两端的电压;V3测L2两端的电压。
第七步:等效电路图如下

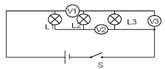
例3 : 电路开关闭合后,v1、v2、v3的示数分别是8V、9V、4V,则L1、L2、L3两端的电压各是多少

所求的电压关系式为:U2=U1+U3 I1=I2
解:根据“十原则,七步骤”可以得到该电路的等效电路图如下:

从等效图可以得到如下方程组:
UL1+UL2=8V
UL2+UL3=9V
UL3=4V
解得:UL1=3v UL2=5v UL3=4V
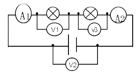
例4:如图所示,已知两只灯泡L1和L2是串联的,则在①、②和③三个电表中(电流表或电压表)判断正确的是( )
A. ①是电流表,②和③是电压表;
B. ①和③是电压表,②是电流表;
C. ①和②是电流表,③是电压表;
D. ①②和③都是电流表

分析:本题可用排除法解答。将A答案的各表填入
三个位置中,根据“十原则,七步骤”电路图简化为:

很明显,不符合题意。
将B答案各表填入图中,电路可简化为:

这种填法符合题意。
把C答案各表填入电路中,电路L1被断路,简化后的电路图和A答案相同,不合题意。把D答案各表填入图中,电源短路,两个灯泡没有电流流过,不合题意。所以选择答案B。
讯享网
✅ 知识点视频
后台私信“知识点名字”查看相关视频
欧姆定律——凶手是电流还是电压?
密度——飞往世界之外的房子
电功率——飞奔的特斯拉汽车

版权声明:本文内容由互联网用户自发贡献,该文观点仅代表作者本人。本站仅提供信息存储空间服务,不拥有所有权,不承担相关法律责任。如发现本站有涉嫌侵权/违法违规的内容,请联系我们,一经查实,本站将立刻删除。
如需转载请保留出处:https://51itzy.com/kjqy/191574.html