利用二极管的单向导电性可以设计出好玩、实用的电路。
分享本文,分析限幅电路和钳位电路,是如何用二极管来实现的。
限幅电路
如下图所示,当在正半周期,并且VIN大于等于0.7V,二极管正向导通。此时,
VOUT会被钳位在0.7V上。
而当VIN小于0.7V时二极管是截止状态,在负半周期时相当于电流反向,二极管也是截至状态,此时VOUT=VIN,VOUT波形跟随VIN变化。
限辐电路示意图
根据上面限辐电路的原理,可以设计如下双向限辐电路。

双向限辐电路示意图
然而有时候0.7V电压不能满足要求,那么,怎么产生不同大小的限幅电压?
在电路中加入偏置电压VBIAS,只有当VIN大于等于VBIAS时二极管才能导通。此时VOUT被钳位,其值是0.7V+VBIAS,如下图所示。


偏压限幅电路示意图
钳位电路
下面是二极管结合电容实现的钳位电路。分析中不考虑二极管的导通压降,假设RC时间常数足够大,从而使输出波形不会失真。相关推荐:动画讲解二极管工作原理。
钳位电路原理
当输入Vin在负半周期为负时,电流如下图中红色箭头所示。二极管导通,电容逐渐充电至V,在此过程中Vout=0。
当输入Vin在正半周为正时,电流如蓝色箭头所示。二极管截止,Vout等于电容上电压加上正半周电压V,此时Vout=2V。

钳位电路原理
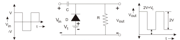
偏压钳位电路
跟限幅电路类似的,为了获得所需要的钳位值,要在电路中加入偏置电压,如下图所示。


偏压钳位电路
当所加的偏压与二极管导通方向一致,钳位值会提高V1,Vout=2V+V1。
双向二极管钳位电路应用举例
在某些电路中会利用两个二极管的钳位作用进行保护,如下图所示,假设0.7V为D1和D2的导通电压。
- Vin大于等于Vmax,D1导通,Vout会被钳位在Vmax
- Vin小于等于Vmin时,Vout被钳位在Vmin

二极管钳位保护电路

长按图片,扫码免费领取
版权声明:本文内容由互联网用户自发贡献,该文观点仅代表作者本人。本站仅提供信息存储空间服务,不拥有所有权,不承担相关法律责任。如发现本站有涉嫌侵权/违法违规的内容,请联系我们,一经查实,本站将立刻删除。
如需转载请保留出处:https://51itzy.com/kjqy/185129.html