前言
作为一名硬件设计工程师,MOSFET想必经常出现在大家的硬件设计中,今天我们聊一下与MOSFET栅极那点事。
一、MOSFET管GS波形
我们测试MOSFET的GS波形时,总是会看到Fig.1 (2)所示的波形。这种波形现象称之振铃。振铃的大小直接影响着设计的可靠性,当振铃的赋值较小时,还能勉强过关,但是当振铃的赋值较大时,轻则会增加MOSFET的开关损耗,重则使得系统不断重启。
二、振铃产生的根本原因?
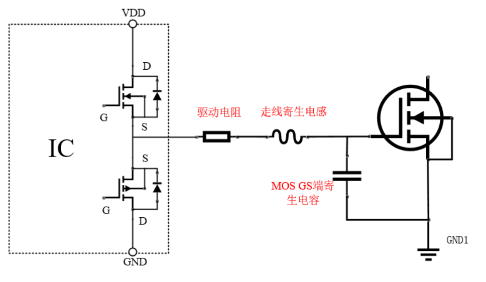
1.引入寄生参数的概念
I. 无论是芯片内部的bonding line,还是PCB的走线,都不是理想的导线,多多少少都会存在寄生电感和寄生电阻


II. 由于制造工艺的原因,MOSFET的GS,GD,DS端都会存在寄生电容,这三个参数一般会在datasheet中表明

2.引入串联谐振的概念
对于一个RLC组成的串联谐振电路,其中L,C为储能器件,不消耗能量,R起到阻止振荡的阻尼作用。R阻值的大小决定C两端是否发生阻尼。
I. R>2(L/C)^0.5时,处于过阻尼情况

II. R=2(L/C)^0.5时,处于临界阻尼情况,此情况下的波形与过阻尼相似
III. R<2(L/C)^0.5时,处于欠阻尼情况 ,在这种情况下,电路肯定会发生振荡


3. 栅极回路分析
将上面的寄生和串联谐振的概念结合起来,分析一下MOSFET的驱动电路。
走线的寄生电感包含芯片内部的bonding line和PCB layout走线两部分;
驱动电阻+走线寄生电感+GS端电容共同组成了RLC串联谐振电阻。
当MOS打开时,IC内部推挽结构的上管打开,下管关闭,IC经过驱动电阻R,走线寄生电感L,给GS电容充电;
当MOS关闭时,IC内部推挽结构的上管关闭,下管打开,C经过走线寄生电感L,驱动电阻R,放电到GND。

4. 消除振铃的几种方法
I. 增大驱动电阻R,使其工作在临界阻尼,或者过阻尼的工作状态
II. 减小PCB走线寄生电感,即MOS栅极的驱动线尽可能的短
III.在GS端增加瓷片电容
说明:方法I,III都需要根据实际情况去做调节,因为增大电阻和电容都是增加MOSFET的开通损耗,导致MOSFET发热严重,到底如何选择R的值,请关注下一篇文章。

版权声明:本文内容由互联网用户自发贡献,该文观点仅代表作者本人。本站仅提供信息存储空间服务,不拥有所有权,不承担相关法律责任。如发现本站有涉嫌侵权/违法违规的内容,请联系我们,一经查实,本站将立刻删除。
如需转载请保留出处:https://51itzy.com/kjqy/13299.html