双代号时标网络图
双代号时标网络图是将一般网络图加上时间横坐标。
绘制双代号时标网络图的基本符号:
1、用实箭线代表活动,其垂直部分用实线绘制,箭线在水平方向的投影长度表示活动的工期;
2、用波形线代表工序自由时差,其垂直部分用实线绘制;
3、用虚箭线代表虚工序(两个节点之间水平投影长度为0),虚箭线,表示虚活动,虚活动没有持续时间,只表示活动之间的逻辑关系;
4、节点,是指表示活动的开始、结束或连接关系的圆圈,反映的是前后工作的交接点。
如何画时标网络图:
(1)根据题目中对各个活动的工期和前后关系的描述或者表格,画出单代号网络图(用于确定
活动在时标网络图中的放置位置)。
(2)并用标号法求出关键路径和总工期,根据总工期画出时间刻度。(单位可以是天、周,一
般一个刻度为1天,或者1周,如果项目工期较长,可以一个刻度大于1天/1周,如2或5等)
(3)画时标网络图。(按照刻度及活动位置、活动关系逐个进行画图,包括活动、节点、自由
浮动时间等)
(4)检查网络图的正确性。(根据题目中的表、图等,检查活动历时、活动前后关系)
通过单代号网络图画时标网络图:

第一步画单代号网络图:

第二步求总工期: A -> C -> D -> H:5+3+4+5=17
第三步画时标网络图:活动有多个前序活动时,需把前序都画完才能画此活动,如C前面有A和B。
第四步:检查网络图的正确性。
关键指标:
关键路径:自始至终无波形线的路径;关键工作:关键路径上的工作均为关键工作。
下图中关键路径为: A-D-H(也可用①-②-⑥-⑧表示), 关键工作为: A、D、H。
自由时差的判定结论:
(1)如果该工作有波形线,则该工作的自由时差为该工作的波形线水平投影长度。
(2)如果该工作没有波形线,一般情况下,其自由时差为0;但当该工作的紧后工作全部为单纯波形线时,其紧接的波形线水平投影长度最短者为该工作的自由时差。
总时差的判定结论:计算哪个工作的总时差,就以哪个工作的初始节点为起点(注意:既不是从头算,也不是从该工作的紧后算,而是从该工作的初始节点开始算) ,寻找通过该工作的所有路径,然后计算各条路径的波形线的长度之和,该工作的总时差为各条路径波形线长度之和的最小值。

(关于自由时差:也就是说,无波形线的工作自由时差不一定等于0。如图,E工作本身无波形线,但它的自由时差为1周。)
题目:
例题1:
某信息系统工程项目由ABCDEFG七个任务构成,项目组根据不同任务的特点,人员情况等,
对各项任务进行了历时估算并排序,并给出了进度计划,如下图:

(1)请指出该项目的关键路径、工期。
(2)本例给出的进度计划图叫什么图?还有哪几种图可以表示进度计划?
(3)请计算任务A、D和F的总时差和自由时差。
(4)若任务C拖延1周,对项目的进度有无影响?为什么?
参考答案:
(1)关键路径为B -> D -> E -> G, 工期为24周。
(2)本例的进度图为双代号时标网络图,表示进度的图还有单代号网络图、双代号网路图、甘特图等。
(3)A的自由时差=2 (周),A的总时差=3 (周)。
D为关键工作,其自由时差为0和总时差均为0。
F的自由时差=7 (周),F的总时差=7 (周)。
(4)没有影响;因为任务C在非关键路径上,且有1周的总时差,所以推迟1周对项目进度没有影响。
例题2:
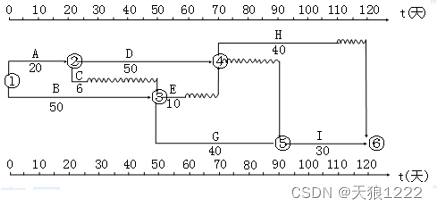
已知某公司项目由ABCDEGHI八个活动构成,项目工期要求为100天。项目组根据初步历时估算、各活动间逻辑关系得出的初步进度计划网络图如下图所示(箭线下方为活动历时)。

【问题1】(7分)
(1)请给出该项目初步进度计划的关键路径和工期。
(2)该项目进度计划需要压缩多少天才能满足工期要求?可能需要压缩的活动都有哪些?
(3)若项目组将B和H均压缩至30天,是否可满足工期要求?压缩后项目的关键路径有多少条?关键路径.上的活动是什么?
参考答案(7分)
1、关键路径BGI (1分),工期120天(1分)
2、进度需要压缩20天(1分)才可以满足工期,可能压缩的活动有BGIADH活动(2分)。
3、若项目组将B和H均压缩至30天,可以满足。(1分)压缩后项目的关键路径有3条,两条关键路径. 上的活动分别是BGI与ADH、ADI (1分)
例题3:
【2019年上半年】某公司承接了一个软件外包项目,项目内容包括A、B两个模块的开发测
试项目经理:创建了项目的WBS (见下表),估算了资源期项目人力资源成本是1000元人/天

【问题1】(7分)
根据目前WBS安排,请计算项目的最短工期,并绘制对应的时标网络图。
【问题2】(10分)
项目开展11天后,阶段评审发现:模块A的修复工作完成了一半,回归测试工作还没有开始,模块B开发工作已经结束,准备进入单元测试。此时,项目已经花费了18万的人力资源成本。
(1)请计算项目当前的PV、EV、AC、CV、SV,并评价项目目前的进度和成本绩效。
(2)按照当前绩效继续进行,请预测项目ETC(写出计算过程,并计算结果精确到个位)。
【问题3】 (6分)
基于问题2,针对项目目前的绩效,项目经理应采取哪种措施保证项目按时完工?
答案:
先画出单代号网络图:

第二步求总工期: 20天。
第三步画时标网络图:活动有多个前序活动时,需把前序都画完才能画此活动,如C前面有A和B。

第四步:检查网络图的正确性。

【问题2】)(10分)
(1)AC=元;PV=元;EV=元;
CV=EV-AC=-44000元<0;成本超支;
SV=EV-PV=-5000元<0; 进度落后。
(2)按典型偏差公式计算:ETC=(BAC-EV)/CPI=37058.8235≈37059元
【问题3】(6分)
(1)赶工(投入更多的资源或增加工作时间,缩短关键活动的工期);
(2)快速跟进,并行施工;
(3)使用高素质的资源或经验更丰富的人员;
(4)减小活动范围或降低活动要求;
(5)改进方法或技术,以提高生产率;
(6)加强质量管理,及时发现问题,减少返工,从而缩短工期。
例题4:
【2012年上半年】某项目进入详细详细设计阶段后,项目经理为后续活动定义了如图所示的网络计划图,图中的“△”标志代表开发过程的一个里程碑,此处需进行阶段评审,模块1和模块2都需要通过评审后才能开始修复。

图2
项目经理对网络图中的各活动进行了成本估算,估计每人每天耗费的成本为1000元,安排了各活动的人员数量并统计了模块1、模块2的开发和测试活动的工作量(如表2所示),其中阶段评审活动不计入项目组的时间和人力成本预算,如表2所示。

表2
【问题1】参考答案(7分)
最短工期为20天(2分),绘制的双代号时标网络图如下: (5分)
先画出单代号网络图:

计算总工期: 8+3+1+2=14天。
再画出时标网络图:
原题问题:
[问题1] (3分)
请计算该项目自模块开发起至模块测试全部结束的计划工期。
[问题2] (10分)
详细设计完成后,项目组用了11天才进入阶段评审。在阶段评审中发现:模块1开发已完成,测试尚未开始;模块2的开发和测试均已完成,修复工作尚未开始,模块2的实际工作量比计划多用了3人•天。
(1)请计算自详细设计完成至阶段评审期间模块1的PV、EV、AC,并评价其进度和成本绩效。
(2)请计算自详细设计完成至阶段评审期间模块2的PV、EV、AC,并评价其进度和成本绩效。
[问题3] (8分)
(1)如果阶段评审未作出任何调整措施,项目仍按当前状况进展,请预测从阶段评审结束到软件集成开始这一期间模块l、模块2的ETC(完工尚需成本)(给出公式并计算结果)。
(2)如果阶段评审后采取了有效的措施,项目仍按计划进展,请预测从阶段评审结束到软件集成开始这一期间模块1、模块2的ETC(完工尚需成本)(给出公式并计算结果)。
[问题4] (4分)
请结合软件开发和测试的一般过程,指出项目经理制定的网络计划和人力成本预算中存在的问题。
答案:
问题1】 (3分)
计划工期:8+3+1+2=14天。
【问题2】 (10分)
(1) 自详细设计完成至阶段评审期间模块1的PV、EV、AC,并评价其进度和成本绩效。
PV=(48+3)*1000=51000元。 (1分)
EV=48*1000=48000元。(1分)
AC=8*1000*11=88000元。(1分)
CPI=EV/AC=0.55,成本超支。(1分)
SPI=EV/PV=0.94,进度滞后。 (1分)
(2) 自详细设计完成至阶段评审期间模块2的PV、EV、AC,并评价其进度和成本绩效。
PV=(80+3)*1000=83000元。 (1分)
EV=PV=83000元。(1分)
AC=83000+3*1000=86000元。(1分)
CPI=EV/AC=0.97,成本略有超支。(1分)
SPI=EV/PV=1,进度与计划相符。 (1分)
【问题3】(8分)
(1)如果阶段评审未作出任何调整措施,项目仍按当前状况进展,请预测从阶段评审结束到软件集成开始这一期间模块1、模块2的ETC(完工尚需成本)(给出公式并计算结果)。
ETC1=(BAC-EV)/CPI=(51000+8000+2000-48000)/(48000/88000)=23833元。(2分)
ETC2=(BAC-EV)/CPI=(83000+10000+2000-83000)/(83000/86000)=12000/(83/86)=12434元。(2分)
(2)如果阶段评审后采取了有效的措施,项目仍按计划进展,请预测从阶段评审结束到软件集成开始这一期间模块1、模块2的ETC(完工尚需成本)(给出公式并计算结果)。
ETC1=(BAC-EV =(51000+8000+2000-48000) =13000元。 (2分)
ETC2=(BAC-EV)=(83000+10000+2000-83000) =12000元。 (2分)
【问题4】(每点1分,共4分)
1、网络计划图中缺少系统测试、试运行和验收活动。
2、集成测试应在安装调试之前进行。
3、里程碑时间点设置不合理,不应设置在单元测试阶段中间。
4、评审活动应计入项目组的时间和成本预算。
5、模块2的开发工作量明显多于模块1,其测试工作量一般也应大于模块1,但本题中是相同的。
总结
画双代号时标网络图,先画出单代号网络图,再计算出总工期,再根据工期去画图,最后检查网络图的正确性。

版权声明:本文内容由互联网用户自发贡献,该文观点仅代表作者本人。本站仅提供信息存储空间服务,不拥有所有权,不承担相关法律责任。如发现本站有涉嫌侵权/违法违规的内容,请联系我们,一经查实,本站将立刻删除。
如需转载请保留出处:https://51itzy.com/kjqy/124510.html