1 概述
应用
•适用于电阻、电感和电容负载
•取代机电继电器、保险丝和分立电路
•最适用于具有高涌入电流的负载,如灯具
•适用于24V卡车+拖车和运输系统

讯享网
基本特征
•双通道设备
•极低的备用电流
•3.3 V和5 V兼容逻辑输入
•静电放电保护(ESD)
•优化的电磁兼容性
•逻辑接地独立于负载接地
•断开状态下的极低功率DMO泄漏电流
•绿色产品(符合RoHS)
•AEC认证
说明
BTT6030-2EKB为32mΩ 双通道智能高压侧电源开关,嵌入PG-DSO-14-40 EP,外露Pad封装,提供保护功能和诊断。功率晶体管由带电荷泵的N沟道垂直功率MOSFET构成。该设备集成在Smart6 HV技术中。它是专门设计的驱动灯高达2*P21W 24V,以及LED在恶劣的汽车环境。

诊断功能
•两个多路复用通道的比例负载电流检测
•打开和关闭负载
•对蓄电池和接地短路
•过热
•短路时诊断信号稳定
•增强 k I L I S k_{ILIS} kILIS对温度和负载电流的依赖性
保护功能
•欠压期间的稳定行为
•带外部元件的反极性保护
•在逻辑接地与外部元件断开时,确保负载关闭
•带闩锁的过热保护
•带外部元件的过压保护
•电压相关电流限制
•增强了对高达40米电缆的短路保护
2. 模块图

3. 引脚配置
3.1 引脚图

3.2 引脚定义和功能

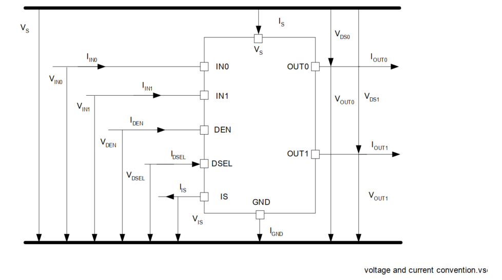
3.3 电压和电流定义

5. 功率级
功率级采用带电荷泵的N沟道垂直功率MOSFET(DMOS)构成
5.1 输出导通电阻
导通电阻 R D S ( O N ) R_{DS(ON)} RDS(ON)取决于电源电压和结温 T J T_J TJ。图8显示了典型导通电阻的温度和电源电压的相关性。

5.2 电阻负载的开关特性
图9显示了切换电阻负载时的典型时序。

5.3 感性负载
5.3.1 输出箝位
当用高压侧开关感性负载时,电压 V O U T V_{OUT} VOUT下降到地电位以下,因为电感会继续驱动电流。为了防止高电压引起的雪崩破坏器件,采用了一种电压钳位机制 Z D S ( A Z ) Z_{DS(AZ)} ZDS(AZ),将负输出电压限制在一定的水平 ( V S − V D S ( A Z ) ) (V_{S}-V_{DS(AZ)}) (VS−VDS(AZ))。详见图10和图11。然而,最大允许负载电感是有限的。


5.3.2 最大负载电感

5.4 反向电流能力
在反向电流的情况下,意味着输出端的电压 V I N V V_{INV} VINV高于电源电压 V S V_S VS,电流 I I N V I_{INV} IINV将通过功率晶体管的体二极管从输出端流向 V S V_S VS引脚(请参阅图13)。输出级遵循IN引脚的状态,除非在反转过程中IN引脚从OFF变为ON。在这种特殊情况下,输出级保持关闭,直到反向电流消失。然而,当前的 I I N V I_{INV} IINV不应高于 I L ( I N V ) I_{L(INV)} IL(INV)。否则,第二个通道可能会损坏,并且可以观察到不稳定的行为。如果受影响的通道断开,诊断将在断开时检测到开路负载。如果受影响的通道接通,诊断将在接通时检测到开路负载(超温信号被抑制)。在 V I N V V_{INV} VINV出现时,可以在未受影响的通道上观察到寄生诊断。之后,诊断有效并反映输出状态。在 V I N V V_{INV} VINV消失时,诊断是有效的,反映了输出状态。逆流时无保护功能。

6. 保护功能
该装置提供综合保护功能。这些功能旨在防止IC因数据表中所述的故障而损坏。故障条件被视为“超出”正常工作范围。保护功能既不适用于连续操作,也不适用于重复操作。
6.1 失去接地保护
如果模块失去接地且负载仍与接地相连,则无论管脚上施加的电压如何,设备都会通过自动关闭(以前打开时)或保持关闭来保护自身。
如果设备接地丢失,建议在微控制器和BTT6030-2EKB之间使用输入电阻,以确保通道关闭。
在模块或设备接地丢失的情况下,电流( I O U T ( G N D ) I_{OUT(GND)} IOUT(GND))可以从图14所示的DMOS中流出。建议将 Z G N D Z_{GND} ZGND作为与二极管串联的电阻器。

6.2 欠压保护
在 V S ( U V ) V_{S(UV)} VS(UV)和 V S ( O P ) V_{S(OP)} VS(OP)之间,触发欠压机制。 V S ( O P ) V_{S(OP)} VS(OP)表示可以进行开关操作的最小电压。 V S ( U V ) V_{S(UV)} VS(UV)表示开关可以保持的最小电压。如果电源电压低于欠压机制 V S ( U V ) V_{S(UV)} VS(UV),则设备关闭(关闭)。一旦电源电压高于欠压机制 V S ( O P ) V_{S(OP)} VS(OP),那么设备就可以打开。当开关打开时,保护功能可操作。然而,直到 V S V_S VS在 V N O M V_{NOM} VNOM范围内,诊断才有保证。
图15说明了欠压机制。

6.3 过电压保护
有一个集成的钳位机构用于过压保护( Z D ( A Z ) Z_{D(AZ)} ZD(AZ))。为了保证这种机制在应用中正常工作,齐纳二极管中的电流必须受到接地电阻器的限制。
图16显示了承受过电压问题的典型应用。在电源电压高于 V S ( A Z ) V_{S(AZ)} VS(AZ)的情况下,功率晶体管导通,并且通过逻辑部分的电压被箝位。结果,内部地电位上升到 V S − V S ( A Z ) V_S-V_{S(AZ)} VS−VS(AZ)。由于ESD齐纳二极管,引脚IN和DEN处的电势几乎上升到该电势,这取决于连接电路的阻抗。如果设备处于开启状态,在过压之前,BTT6030-2EKB保持开启状态。如果BTT6030-2EKB在过压之前关闭,则可以激活功率晶体管。在电源电压高于 V B A T ( S C ) V_{BAT(SC)} VBAT(SC)低于 V D S ( A Z ) V_{DS(AZ)} VDS(AZ)的情况下,输出晶体管仍然工作并跟随输入。如果至少有一个通道处于接通状态,则参数将不再得到保证,并且与标称电源电压范围相比,寿命将缩短。这尤其影响短路鲁棒性以及最大能量 E A S E_{AS} EAS能力


6.4 反极性保护
在极性相反的情况下,功率DMOS的寄生二极管会导致功耗。寄生二极管中的电流受到负载本身的限制。此外,进入接地路径和逻辑引脚的电流必须限制为第4.1章中所述的最大电流,并带有外部电阻器。图17显示了一个典型的应用程序。 R G N D R_{GND} RGND电阻器用于限制装置齐纳保护中的电流。电阻器 R D S E L R_{DSEL} RDSEL、 R D E N R_{DEN} RDEN和 R I N R_{IN} RIN用于限制设备逻辑和ESD保护阶段的电流。 R S E N S E R_{SENSE} RSENSE用于限制作为二极管的感测晶体管中的电流。 R D S E L R_{DSEL} RDSEL= R D S E L R_{DSEL} RDSEL= R I N R_{IN} RIN= R S E N S E R_{SENSE} RSENSE=10 kΩ的建议值. Z G N D Z_{GND} ZGND被推荐为与二极管串联的电阻器。在反极性期间,没有可用的保护功能。

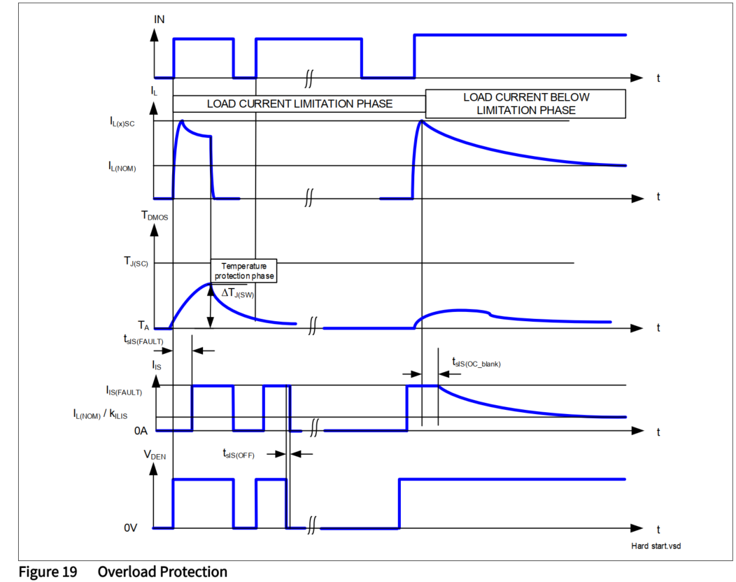
6.5 过载保护
在过载的情况下,如冷灯丝的高涌流,或对地短路,BTT6030-2EKB提供了几种保护机制。
6.5.1 电流限制
在第一步,通过将电流限制到开关 I L ( S C ) I_{L(SC)} IL(SC)中允许的最大电流,将开关中的瞬时功率保持在安全值。在此期间,DMOS温度升高,这影响了DMOS中的电流流动。电流限制值取决于 V D S V_{DS} VDS。图18显示了电流限制作为漏极到源极电压函数的行为。

6.5.2 功率DMOS的温度限制
每个通道都包含一个绝对( T J ( S C ) T_{J(SC)} TJ(SC))和一个动态( T J ( S W ) T_{J(SW)} TJ(SW))温度传感器。任何一个传感器的激活都会导致过热通道关闭,以防止损坏。任何保护开关关闭锁定输出,直到温度达到图19所示的可接受值。
不执行重试策略,以便在DMOS温度足够冷却时,再次打开开关。只有IN引脚信号切换才能重新激活功率级(闩锁行为)

7. 诊断功能
出于诊断目的,BTT6030-2EKB在引脚IS处提供数字和模拟信号的组合。这些信号被称为传感器。如果通过DEN禁用诊断,引脚将变为高阻抗。在激活DEN的情况下,通过相关引脚DSEL启用/禁用通道X的感应电流。表7给出了真值表。

7.1 IS 引脚
BTT6030-2EKB提供在引脚IS处写入的检测电流。只要没有出现“硬”故障模式(对地短路/电流限制/过热/动态温升过高或断开负载),就会提供与负载电流成比例的信号(比率 k I L I S k_{ILIS} kILIS= I L / I I S I_L/I_{IS} IL/IIS)。完整的IS引脚和诊断机制如图20所示。检测的准确性取决于温度和负载电流。IS引脚通过引脚 D S E L D_{SEL} DSEL复用当前 I I S ( 0 ) I_{IS(0)} IIS(0)和 I I S ( 1 ) I_{IS(1)} IIS(1)。由于这种多路复用, k l i s c h a n n e l 0 k_{lischannel0} klischannel0和 k I L I S C H A N N E L 1 k_{ILISCHANNEL1} kILISCHANNEL1之间的匹配得到了优化。由于ESD保护,在连接到 V S V_S VS时,如果这些设备使用另一个电池供电,则不建议与其他设备共享IS引脚。其结果是,未提供的设备将通过所提供设备的IS引脚进行馈电

7.2 不同工作模式下的IS信号
表8给出了设备运行期间IS引脚状态的快速参考。

7.3 标称电流范围内的IS信号
图21显示了作为功率DMOS中负载电流函数的电流检测。通常,下拉电阻器R连接到IS引脚。这个电阻必须高于560Ω 限制感测电路的功率损耗。典型值为1.2 kΩ. 蓝色曲线表示理想的意义,假设一个理想的 k I L I S k_{ILIS} kILIS因子值。红色曲线显示了设备在规定电流下在整个温度范围内提供的精度。

7.3.1 感测信号变化作为温度和负载电流的函数
在某些应用中,要求在标称电流 I L ( N O M ) I_{L(NOM)} IL(NOM)的一半左右有更好的精度。为了达到这一精度要求,可以对应用程序进行校准。为避免在不同负载和温度条件下出现多个校准点,BTT6030-2EKB允许在额定负载电流( I L 3 I_{L3} IL3; T J T_J TJ=+25°C)。该降额由参数Δ k I L I S k_{ILIS} kILIS描述。图22显示了检测电流的行为,假设在+25°C的标称负载下有一个校准点。
蓝线表示理想的 k I L I S k_{ILIS} kILIS比率。
绿线表示温度和电压参数的降额,假设在标称温度和标称蓄电池电压下有一个校准点。
红线表示未经校准的 k I L I S k_{ILIS} kILIS精度。

7.3.2 IS信号时序
图23显示了设置和禁用检测期间的时序。

7.3.3 空载时的IS信号
7.3.3.1 打开负载输入诊断
如果通道打开,泄漏电流仍然可以流过开路负载,例如由于湿度。参数 I L ( O L ) I_{L(OL)} IL(OL)给出了该泄漏电流的识别阈值。如果流出电源DMOS的电流IL低于此值,则如果选择了DEN(和DSEL),则设备会识别出故障。在这种情况下,感测电流低于 I I S ( O L ) I_{IS(OL)} IIS(OL)。否则,最小检测电流在参数 I I S ( O L ) I_{IS(OL)} IIS(OL)上给出。图24显示了该区域的感知电流行为。红色曲线表示典型的产品曲线。蓝色曲线显示理想的 k I L I S k_{ ILIS} kILIS比率。

7.3.3.2 断开负载诊断
对于断开状态下的开路负载诊断,建议使用外部输出上拉电阻器( R O L R_{OL} ROL)。在计算上拉电阻值时,必须考虑漏电流和开路负载阈值电压 V O L ( O F F ) V_{OL(OFF)} VOL(OFF)。图25给出了一个情况的草图。 I l e a k a g e I_{leakage} Ileakage定义了整个系统中的泄漏电流,包括 I L ( 关 ) I_{L(关)} IL(关)(见第5.5章)和外部泄漏,例如,由于湿度、腐蚀等引起的泄漏。。。。在应用程序中。
为了降低系统的待机电流,建议采用开路负载电阻开关 S O L S_{OL} SOL。如果通道x关闭,输出不再被负载拉低, V O U T V_{OUT} VOUT电压上升到接近 V S V_S VS。这被设备识别为开路负载。电压阈值由 V O L ( 关 ) V_{OL(关)} VOL(关)给出。在这种情况下,感测信号切换到 I I S ( 故 障 ) I_{IS(故障)} IIS(故障)。
一个额外的 R P D 电 阻 器 可 以 用 来 将 R_{PD}电阻器可以用来将 RPD电阻器可以用来将V_{OUT}$拉到0v。否则,输出引脚将浮动。该电阻器也可用于对蓄电池短路检测,参见第7.3.4章。

#7.3.3.3 开路负载诊断时序
图26显示了在打开或关闭状态下打开负载期间的定时。请注意,当应用开路负载进入非诊断请求时,必须在DEN上升边缘后尊重延迟 t s I S ( F A U L T O L O F F ) t_{ sIS(FAULT_OL_OFF)} tsIS(FAULTOLOFF),否则诊断可能出错。

7.3.4 OUT对 V S V_S VS短路时的IS信号
如果输出引脚和 V S V_S VS引脚之间短路,则全部或部分(取决于短路负载电流的阻抗)将流过短路。因此,与正常操作相比,较低的电流将流过BTT6030-2EKB的DMOS,这可以在检测信号处识别。
断开时的开路负载检测电路也可用于区分对 V S V_S VS的短路。在这种情况下,需要一个外部接地电阻$R_{SC_VS},如图27所示。

7.3.5 过载时IS信号
过载条件是指从DMOS流出的电流达到电流限制和/或最大值
达到绝对动态温度摆动 T J ( S W ) T_{J(SW)} TJ(SW),和/或结温达到热平衡停堆温度 T J ( S C ) T_{J(SC)} TJ(SC)。详见第6.5章。
在这种情况下,当选择诊断时,由 I I S ( F A U L T ) I_{IS(FAULT)} IIS(FAULT)提供检测信号。
该器件具有热锁存特性,使得当超温或超动态温度条件消失时,仅当IN从低切换到高时,DMOS才被重新激活。如果DEN引脚被激活,并且DSEL引脚被选择到正确的通道,则检测跟随输出级。如果没有发生闩锁重置,即使DMOS关闭,设备仍保持在闩锁阶段,并且IS引脚上的 I I S ( F A U L T ) I_{IS(FAULT)} IIS(FAULT)。
7.3.6 逆流时IS信号
在反向电流的情况下,受影响通道的感测信号将在关闭状态下指示开路负载,在打开状态下指示开路负载。只要$I_{INV}电流不超过第5.4章中规定的最大值,则未受影响的通道指示正常行为。
8 输入引脚
8.1输入电路
输入电路与3.3和5伏微控制器兼容。输入引脚的概念是对电压阈值。如果输入引脚上的电压缓慢增加或减少,施密特触发器可避免任何未定义的状态。输出为关闭或打开,但不能处于线性或未定义状态。输入电路与PWM应用兼容。图28显示了等效输入电路。如果不需要该引脚,则必须将其保持打开状态,或者必须通过4.7 k接地线连接到设备接地(而不是模块接地)Ω 输入电阻器。

8.2 DEN/DSEL引脚
DEN/DSEL引脚启用和禁用设备的诊断功能。别针有相同的输入引脚的结构,请参阅图28。
8.3输入引脚电压
IN、DSEL和DEN使用具有滞后的比较器。开关发生在一个定义的区域,由 V I N ( L ) M a x V_{IN(L)Max} VIN(L)Max.和 V I N ( H ) M i n V_{IN(H)Min} VIN(H)Min.阈值设置。开关发生的确切值未知,取决于过程和温度。为了避免串扰和寄生开关,实现了迟滞。这确保了一定的抗噪性。
版权声明:本文内容由互联网用户自发贡献,该文观点仅代表作者本人。本站仅提供信息存储空间服务,不拥有所有权,不承担相关法律责任。如发现本站有涉嫌侵权/违法违规的内容,请联系我们,一经查实,本站将立刻删除。
如需转载请保留出处:https://51itzy.com/kjqy/122886.html