目录
一:用途
二:特性
三:概念
四:算法
1.附加填充位
2.分组,记录信息长度
3.缓冲区初始化
4.四轮循环运算
五:代码
一:用途
- 1.校验文件完整性
- 2.存储密码改为存储md5,就算得到md5也无法知道密码(但是单纯密码的话,还是存在固定md5,这个时候我们应该给md5加盐)
加盐:就是在密码后边随机加随机数,然后将随机数存储,每次输入密码后边再加上随机数填充计算MD5
- 3.无法激活成功教程原始数据,因为md5是不可逆的
二:特性
- 1.输入任意长度的信息,经过处理,输出为128位的信息(数字指纹)
- 2.从原数据计算出MD5值很容易(容易计算)
- 3.让密文中的每一位受明文中的许多位的影响;
- 4.就是将密文与密钥之间的统计关系变得尽可能复杂,使得对手即使获取了关于密文的一些统计特性,也无法推测密钥。有损加密的过程,根据128位的输出结果不可能反推出输入的信息(不可逆)
- 5.无论密钥或明文的任何细微变化都应当引起密文的剧烈改变。输入中的一位发生变化,HASH值中将有至少一半发生变化。想找到两个不同的数据,使它们具有相同的MD5值,是非常困难的(强抗碰撞)
- 6.寻找任何的(M1,M2),使H(M1)=H(M2)在计算上不可行,防范生日攻击。
- 7.不同的输入得到的不同的结果(唯一性)
三:概念
MD5信息摘要算法(英语:MD5 Message-Digest Algorithm),一种被广泛使用的密码散列函数,可以产生出一个128位(16字节)的散列值(hash value),用于确保信息传输完整一致。MD5由美国密码学家罗纳德·李维斯特(Ronald Linn Rivest)设计,于1992年公开,用以取代MD4算法。这套算法的程序在 RFC 1321 标准中被加以规范。1996年后该算法被证实存在弱点,可以被加以激活成功教程,对于需要高度安全性的数据,专家一般建议改用其他算法,如SHA-2。2004年,证实MD5算法无法防止碰撞(collision),因此不适用于安全性认证,如SSL公开密钥认证或是数字签名等用途。

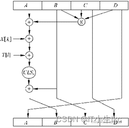
四:算法
1.附加填充位
填充一个‘1’和若干个‘0’使其长度模512与448同余,然后再将消息的真实长度以64bit表示附加在填充结果后面,从而使得消息长度恰好为512bit的整数倍。
2.分组,记录信息长度
将该填充过的消息分成L组,每组有512位,即一个64字节的组,再将每组表示为16个32位(4字节)。如果输入信息的长度(bit)对512求余的结果不等于448,就需要填充使得对512求余的结果等于448。填充的方法是填充一个1和n个0。填充完后,信息的长度就为N*512+448(bit);用64位来存储填充前信息长度。这64位加在第一步结果的后面,这样信息长度就变为N*512+448+64=(N+1)*512位。
3.缓冲区初始化
MD5中有A、B、C、D 4个32为寄存器,最开始存放4个固定的32位的整数参数,即初始链接变量,这些参数用于第1轮运算。
A=0x,B=0x89ABCDEF,C=0xFEDCBA98,D=0x
4.四轮循环运算
循环的次数是分组的个数(N+1)

五:代码
/ * @file md5.c * @brief 计算md5 * @details * @mainpage * @author it小生lkc * @email * @version * @date 2022-7-31 * @license */ #ifdef __cplusplus extern "C" { #endif /* Includes ------------------------------------------------------------------*/ #include <memory.h> #include "md5.h" /* Private typedef -----------------------------------------------------------*/ /* Private define ------------------------------------------------------------*/ /* Private macro -------------------------------------------------------------*/ /* Private variables ---------------------------------------------------------*/ unsigned char PADDING[] = { 0x80, 0, 0, 0, 0, 0, 0, 0, 0, 0, 0, 0, 0, 0, 0, 0, 0, 0, 0, 0, 0, 0, 0, 0, 0, 0, 0, 0, 0, 0, 0, 0, 0, 0, 0, 0, 0, 0, 0, 0, 0, 0, 0, 0, 0, 0, 0, 0, 0, 0, 0, 0, 0, 0, 0, 0, 0, 0, 0, 0, 0, 0, 0, 0 }; /* Private function prototypes -----------------------------------------------*/ /* Private functions ---------------------------------------------------------*/ static void MD5Transform(unsigned int state[4], unsigned char block[64]); static void MD5Encode(unsigned char *output, unsigned int *input, unsigned int len); static void MD5Decode(unsigned int *output, unsigned char *input, unsigned int len); static void MD5Encode(unsigned char *output, unsigned int *input, unsigned int len) { unsigned int i = 0, j = 0; while (j < len) { output[j] = input[i] & 0xFF; output[j + 1] = (input[i] >> 8) & 0xFF; output[j + 2] = (input[i] >> 16) & 0xFF; output[j + 3] = (input[i] >> 24) & 0xFF; i++; j += 4; } } static void MD5Decode(unsigned int *output, unsigned char *input, unsigned int len) { unsigned int i = 0, j = 0; while (j < len) { output[i] = (input[j]) | (input[j + 1] << 8) | (input[j + 2] << 16) | (input[j + 3] << 24); i++; j += 4; } } static void MD5Transform(unsigned int state[4], unsigned char block[64]) { unsigned int a = state[0]; unsigned int b = state[1]; unsigned int c = state[2]; unsigned int d = state[3]; unsigned int x[64]; MD5Decode(x, block, 64); /* Round 1 */ FF(a, b, c, d, x[0], 7, 0xd76aa478); /* 1 */ FF(d, a, b, c, x[1], 12, 0xe8c7b756); /* 2 */ FF(c, d, a, b, x[2], 17, 0xdb); /* 3 */ FF(b, c, d, a, x[3], 22, 0xc1bdceee); /* 4 */ FF(a, b, c, d, x[4], 7, 0xf57c0faf); /* 5 */ FF(d, a, b, c, x[5], 12, 0x4787c62a); /* 6 */ FF(c, d, a, b, x[6], 17, 0xa); /* 7 */ FF(b, c, d, a, x[7], 22, 0xfd); /* 8 */ FF(a, b, c, d, x[8], 7, 0xd8); /* 9 */ FF(d, a, b, c, x[9], 12, 0x8b44f7af); /* 10 */ FF(c, d, a, b, x[10], 17, 0xffff5bb1); /* 11 */ FF(b, c, d, a, x[11], 22, 0x895cd7be); /* 12 */ FF(a, b, c, d, x[12], 7, 0x6b); /* 13 */ FF(d, a, b, c, x[13], 12, 0xfd); /* 14 */ FF(c, d, a, b, x[14], 17, 0xae); /* 15 */ FF(b, c, d, a, x[15], 22, 0x49b40821); /* 16 */ /* Round 2 */ GG(a, b, c, d, x[1], 5, 0xf61e2562); /* 17 */ GG(d, a, b, c, x[6], 9, 0xc040b340); /* 18 */ GG(c, d, a, b, x[11], 14, 0x265e5a51); /* 19 */ GG(b, c, d, a, x[0], 20, 0xe9b6c7aa); /* 20 */ GG(a, b, c, d, x[5], 5, 0xd62f105d); /* 21 */ GG(d, a, b, c, x[10], 9, 0x); /* 22 */ GG(c, d, a, b, x[15], 14, 0xd8a1e681); /* 23 */ GG(b, c, d, a, x[4], 20, 0xe7d3fbc8); /* 24 */ GG(a, b, c, d, x[9], 5, 0x21e1cde6); /* 25 */ GG(d, a, b, c, x[14], 9, 0xc33707d6); /* 26 */ GG(c, d, a, b, x[3], 14, 0xf4d50d87); /* 27 */ GG(b, c, d, a, x[8], 20, 0x455a14ed); /* 28 */ GG(a, b, c, d, x[13], 5, 0xa9e3e905); /* 29 */ GG(d, a, b, c, x[2], 9, 0xfcefa3f8); /* 30 */ GG(c, d, a, b, x[7], 14, 0x676f02d9); /* 31 */ GG(b, c, d, a, x[12], 20, 0x8d2a4c8a); /* 32 */ /* Round 3 */ HH(a, b, c, d, x[5], 4, 0xfffa3942); /* 33 */ HH(d, a, b, c, x[8], 11, 0x8771f681); /* 34 */ HH(c, d, a, b, x[11], 16, 0x6d9d6122); /* 35 */ HH(b, c, d, a, x[14], 23, 0xfde5380c); /* 36 */ HH(a, b, c, d, x[1], 4, 0xa4beea44); /* 37 */ HH(d, a, b, c, x[4], 11, 0x4bdecfa9); /* 38 */ HH(c, d, a, b, x[7], 16, 0xf6bb4b60); /* 39 */ HH(b, c, d, a, x[10], 23, 0xbebfbc70); /* 40 */ HH(a, b, c, d, x[13], 4, 0x289b7ec6); /* 41 */ HH(d, a, b, c, x[0], 11, 0xeaa127fa); /* 42 */ HH(c, d, a, b, x[3], 16, 0xd4ef3085); /* 43 */ HH(b, c, d, a, x[6], 23, 0x4881d05); /* 44 */ HH(a, b, c, d, x[9], 4, 0xd9d4d039); /* 45 */ HH(d, a, b, c, x[12], 11, 0xe6db99e5); /* 46 */ HH(c, d, a, b, x[15], 16, 0x1fa27cf8); /* 47 */ HH(b, c, d, a, x[2], 23, 0xc4ac5665); /* 48 */ /* Round 4 */ II(a, b, c, d, x[0], 6, 0xf); /* 49 */ II(d, a, b, c, x[7], 10, 0x432aff97); /* 50 */ II(c, d, a, b, x[14], 15, 0xab9423a7); /* 51 */ II(b, c, d, a, x[5], 21, 0xfc93a039); /* 52 */ II(a, b, c, d, x[12], 6, 0x655b59c3); /* 53 */ II(d, a, b, c, x[3], 10, 0x8f0ccc92); /* 54 */ II(c, d, a, b, x[10], 15, 0xffeff47d); /* 55 */ II(b, c, d, a, x[1], 21, 0x85845dd1); /* 56 */ II(a, b, c, d, x[8], 6, 0x6fa87e4f); /* 57 */ II(d, a, b, c, x[15], 10, 0xfe2ce6e0); /* 58 */ II(c, d, a, b, x[6], 15, 0xa); /* 59 */ II(b, c, d, a, x[13], 21, 0x4e0811a1); /* 60 */ II(a, b, c, d, x[4], 6, 0xf7537e82); /* 61 */ II(d, a, b, c, x[11], 10, 0xbd3af235); /* 62 */ II(c, d, a, b, x[2], 15, 0x2ad7d2bb); /* 63 */ II(b, c, d, a, x[9], 21, 0xeb86d391); /* 64 */ state[0] += a; state[1] += b; state[2] += c; state[3] += d; } void MD5Init(MD5_CTX *context) { context->count[0] = 0; context->count[1] = 0; context->state[0] = 0x; context->state[1] = 0xEFCDAB89; context->state[2] = 0x98BADCFE; context->state[3] = 0x; } void MD5Update(MD5_CTX *context, unsigned char *input, unsigned int inputlen) { unsigned int i = 0, index = 0, partlen = 0; index = (context->count[0] >> 3) & 0x3F; partlen = 64 - index; context->count[0] += inputlen << 3; if (context->count[0] < (inputlen << 3)) { context->count[1]++; } context->count[1] += inputlen >> 29; if (inputlen >= partlen) { memcpy(&context->buffer[index], input, partlen); MD5Transform(context->state, context->buffer); for (i = partlen; i + 64 <= inputlen; i += 64) { MD5Transform(context->state, &input[i]); } index = 0; } else { i = 0; } memcpy(&context->buffer[index], &input[i], inputlen - i); } void MD5Final(MD5_CTX *context, unsigned char digest[16]) { unsigned int index = 0, padlen = 0; unsigned char bits[8]; index = (context->count[0] >> 3) & 0x3F; padlen = (index < 56) ? (56 - index) : (120 - index); MD5Encode(bits, context->count, 8); MD5Update(context, PADDING, padlen); MD5Update(context, bits, 8); MD5Encode(digest, context->state, 16); } #ifdef __cplusplus }; #endif
讯享网
讯享网#ifndef MD5_H #define MD5_H typedef struct { unsigned int count[2]; unsigned int state[4]; unsigned char buffer[64]; }MD5_CTX; /* F, G and H are basic MD5 functions: selection, majority, parity */ #define F(x,y,z) ((x & y) | (~x & z)) #define G(x,y,z) ((x & z) | (y & ~z)) #define H(x,y,z) (x^y^z) #define I(x,y,z) (y ^ (x | ~z)) /* ROTATE_LEFT rotates x left n bits */ #define ROTATE_LEFT(x,n) ((x << n) | (x >> (32-n))) #define FF(a,b,c,d,x,s,ac) \ { \ a += F(b,c,d) + x + ac; \ a = ROTATE_LEFT(a,s); \ a += b; \ } #define GG(a,b,c,d,x,s,ac) \ { \ a += G(b,c,d) + x + ac; \ a = ROTATE_LEFT(a,s); \ a += b; \ } #define HH(a,b,c,d,x,s,ac) \ { \ a += H(b,c,d) + x + ac; \ a = ROTATE_LEFT(a,s); \ a += b; \ } #define II(a,b,c,d,x,s,ac) \ { \ a += I(b,c,d) + x + ac; \ a = ROTATE_LEFT(a,s); \ a += b; \ } extern void MD5Init(MD5_CTX* context); extern void MD5Update(MD5_CTX* context, unsigned char* input, unsigned int inputlen); extern void MD5Final(MD5_CTX* context, unsigned char digest[16]); #endif // MD5_H

版权声明:本文内容由互联网用户自发贡献,该文观点仅代表作者本人。本站仅提供信息存储空间服务,不拥有所有权,不承担相关法律责任。如发现本站有涉嫌侵权/违法违规的内容,请联系我们,一经查实,本站将立刻删除。
如需转载请保留出处:https://51itzy.com/kjqy/120384.html