DC 插头的常用规格:
外径2.5毫米 内径0.8毫米 孔
外径3.5毫米内径1.3毫米 孔
外径4毫米 内径1.2毫米 孔
外径4.8毫米 内径1.7毫米 孔
外径5.0毫米 内径1.2毫米 孔
外径5.0毫米 内径2.1毫米 孔
外径5.0毫米 内径2.5毫米 孔
外径5.5毫米 内径2.1毫米 孔
外径5.5毫米 内径2.5毫米 孔
外径5.5毫米 内径3.0毫米 孔
外径6.3毫米 内径2.1毫米 孔
外径5.0毫米 内径1.2毫米 针
外径6.0毫米 内径1.2毫米 针
外径7.0毫米 内径1.2毫米 针
DC插座的常用规格:
外径6.3毫米 内径1.5毫米 针
外径6.3毫米 内径2.0毫米 针
外径6.3毫米 内径2.5毫米 针
外径4.3毫米 内径1.0毫米 针
外径4.3毫米 内径1.3毫米 针
外径6.5毫米 内径2.0毫米 针
外径6.5毫米 内径2.5毫米 针
外径6.1毫米 内径2.0毫米 针
外径6.1毫米 内径2.5毫米 针
外径4.5毫米 内径1.6毫米 针
外径3.8毫米 内径1.0毫米 针
外径3.8毫米 内径1.3毫米 针
外径4.2毫米 内径1.6毫米 针
外径2.8毫米 内径0.65毫米 针
外径5.6毫米 内径2.0毫米 针
外径5.6毫米 内径2.5毫米 针
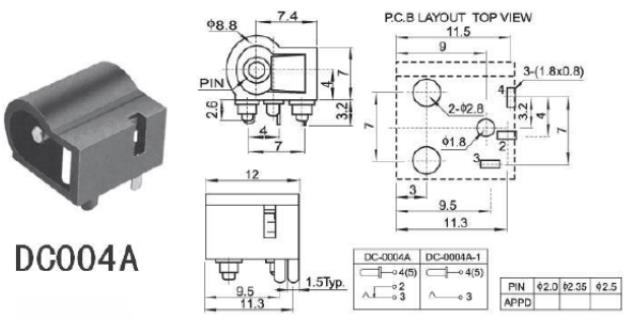
电源DC插座的尺寸图和电路焊接图:






版权声明:本文内容由互联网用户自发贡献,该文观点仅代表作者本人。本站仅提供信息存储空间服务,不拥有所有权,不承担相关法律责任。如发现本站有涉嫌侵权/违法违规的内容,请联系我们,一经查实,本站将立刻删除。
如需转载请保留出处:https://51itzy.com/kjqy/63793.html