一、实验目的和任务
实验目的:
1.熟悉555型集成时基电路的结构、工作原理及特点。
2.掌握555时基电路的基本应用。
实验任务:
用555设计制作一个声光电子报警装置 (综合设计性实验)
(提供的元器件配件有555,扬声器,发光二极管,可变电阻,实验箱上电容和少量223瓷片电容,10μF,47μF电解电容等)
关键词:555应用
二、555定时器
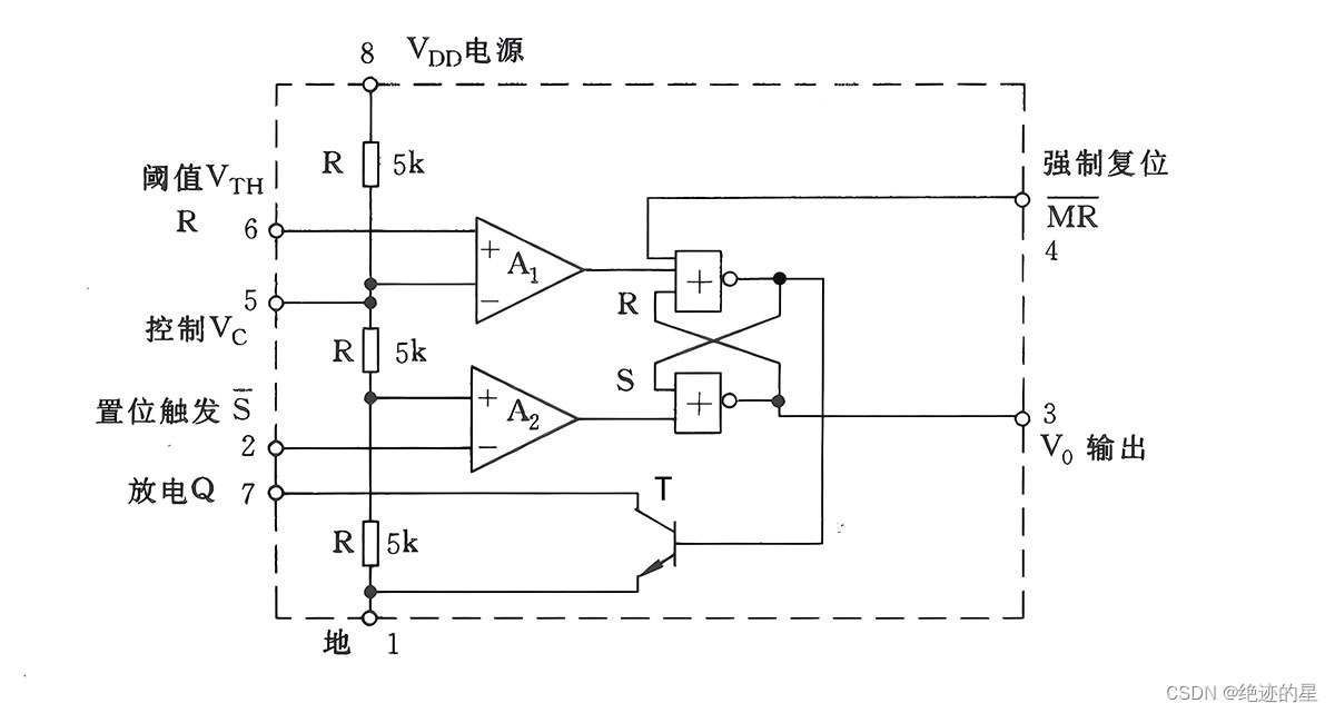
555的引脚和功能
- Vcc接电源,GND接地。
- MR为清零端,低电平生效。当此端接低电平,则时基电路不工作,此时不论TR、TH处于何电平,时基电路输出为“0”,该端不用时应接高电平。
- TR为低触发端,TH为高触发端。
- OUT为输出端。
- DIS为放电端,该端与放电管集电极相连,用做定时器时电容的放电。与OUT输出同步,输出电平一致,但7脚并不输出电流,所以3脚OUT称为实高(或低)、7脚DIS称为虚高。
- Vc为控制电压端,若此端外接电压,则可改变内部两个比较器的基准电压,当该端不用时,应将该端串入一只0.01μF电容接地,以防引入干扰。
| 输入 | 输出 | 状态(MR不为0) | |
|---|---|---|---|
| TH | TR | OUT | DIS |
| 0 | 0 | 1 | 截止,置1 |
| 0 | 1 | x | 保持上一状态 |
| 1 | 0 | x | 保持上一状态 |
| 1 | 1 | 0 | 导通,置0 |
555定时器的工作原理


555含有两个电压比较器A1和A2,一个基本RS触发器,一个放电开关管T。
比较器的参考电压由三只5kΩ的电阻构成的分压器提供,它们使 A1的同相输入端的参考电平为2/3 Vcc ,A2的反相输入端的参考电平为1/3 Vcc。

A1和A2的输出端控制RS触发器状态和放电管开关状态。
当输入信号至6脚TH,即高电平触发输入并超过2/3 Vcc 时,触发器复位,输出端OUT输出低电平,同时放电管导通。
当输入信号至2脚TR,并低于1/3 Vcc 时,触发器置位,输出端OUT输出高电平,同时放电管截止。
三、多谐振荡器

由555定时器和外接元件R1、R2、C构成多谐振荡器,2脚与6脚直接相连,该电路没有稳态,仅存在两个暂稳态。该电路不需要外加触发信号,利用电源通过R1和R2向C充电,以及C通过R2向放电端放电,使电路产生振荡。
四、声光电子警卫装置


点击获取Multisim安装包

版权声明:本文内容由互联网用户自发贡献,该文观点仅代表作者本人。本站仅提供信息存储空间服务,不拥有所有权,不承担相关法律责任。如发现本站有涉嫌侵权/违法违规的内容,请联系我们,一经查实,本站将立刻删除。
如需转载请保留出处:https://51itzy.com/kjqy/59292.html