VL817是一款现代化的USB 3.1 Gen 1 Hub控制器,具有优化的成本结构,完全符合USB 3.1 Gen 1规范,包括ECN和兼容性测试更新于2017年1月。VL817提供2端口和4端口配置和功能集成稳压器,新的低功耗设计和全面的USB充电支持。VL817支持SuperSpeed(5Gbps),高速(480Mbps),全速(12Mbps)和
低速(1.5Mbps)设备的组合,集成USB 2.0集线器的多事务转换器功能可提供多种全速设备同时使用。集成的5V DC-DC开关稳压器使VL817能够直接从5V USB VBus供电,从而降低BOM成本,同时提供高功率效率。
讯享网
VL817具有灵活的固件架构,为现场更新之外的自定义功能提供框架。包括Tx均衡设置和GPIO行为的各种参数可通过固件进行更改,包括可选配置的USB充电控制器,用于对诸如智能手机和平板电脑之类的各种设备进行充电。
基于VL817的集线器设备在Windows,Mac OS X和各种Linux内核下工作,无需其他驱动程序。基于VL817的集线器设备也与支持USB集线器功能的非x86设备和平台兼容,如智能手机,平板电脑和机顶盒。它非常适合所有USB集线器应用,如独立USB集线器,笔记本/超极本对接站/端口复制器,台式PC前面板,主板板载集线器和USB集线器复合设备。VL817集成了多个可选的USB 2.0虚拟设备,包括USB广告牌和USB HID,以支持媒体控制按钮,如播放/暂停,音量调高/降低等。
提供优质Type-c优质方案以及相关芯片。
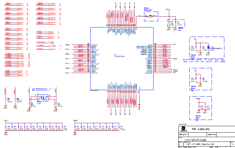
VL817相关原理图简介:

VL817BIN 脚定义:


VL817Q7规格封装:

VL817S与VL817C0/B0的区别


1、3.3V和1.2V之间的时序要求是怎么样的?
下图是VL817(S) 上电时序。参考线路中有增加不上件0.1uF调整时序。

2,各电源的纹波要求是怎么样的?
没有特别要求。DC-DC基本都可以满足纹波要求
3、817B0/C0和817S这三款芯片的对比测试数据以及产品替换,可根据你们
的数据来评估重点测试内容及注意事项
内部测试目前来说OK,详细可联系博主,如果有一些简单的板子我们可以免费帮忙设计,也可以帮忙审核原理图,贴样,测试PCBA。
4、需要提供LAYOUT指导说明文件或者参考的PCB文件
请对比VL817B0/C0规格书以及相关原理图,结合以上更改参数进行对照修改。

VL817BO相关原理图:
以上即是VL817S与其他型号相同之处,但是总的来说:
1. VL817 C0/B0 与VL817S pin to pin 的产品
2. VL817 C0/B0与 VL817S均为独立FW
3. VL817 S为VL817C0//B0的进阶版本
4. VL817S采用外置LDO供电,
并且VL817-Q7S(A1)性价比更高。
该芯片可提供完整的原理参考设计以及软件程序,针对典型应用场景提供方案支持,可帮助有需要的人缩短产品开发周期、降低整体开发成本,提升产品市场竞争力。加快产品上市时间。随时欢迎联系我们
版权声明:本文内容由互联网用户自发贡献,该文观点仅代表作者本人。本站仅提供信息存储空间服务,不拥有所有权,不承担相关法律责任。如发现本站有涉嫌侵权/违法违规的内容,请联系我们,一经查实,本站将立刻删除。
如需转载请保留出处:https://51itzy.com/kjqy/28564.html