MATLAB是一款广泛应用于科学计算和工程模拟的软件,Simulink是MATLAB中的一个重要模块,用于进行系统仿真和建模。在电力系统领域,故障测距是一项重要的技术,用于精确定位电力输电线路上的故障点。本文将介绍一种基于MATLAB Simulink的行波故障测距方法,通过该方法可以对输电线路上的故障进行精确定位。
首先,我们来了解行波故障测距的原理。行波是指在输电线路上故障发生后,电流和电压形成波状传播,通过测量电流和电压的波形特征,可以确定故障发生的位置。行波故障测距的基本原理是利用行波的传播速度与线路的特性阻抗有关的特点,通过测量电流和电压的时间差,计算出故障距离。
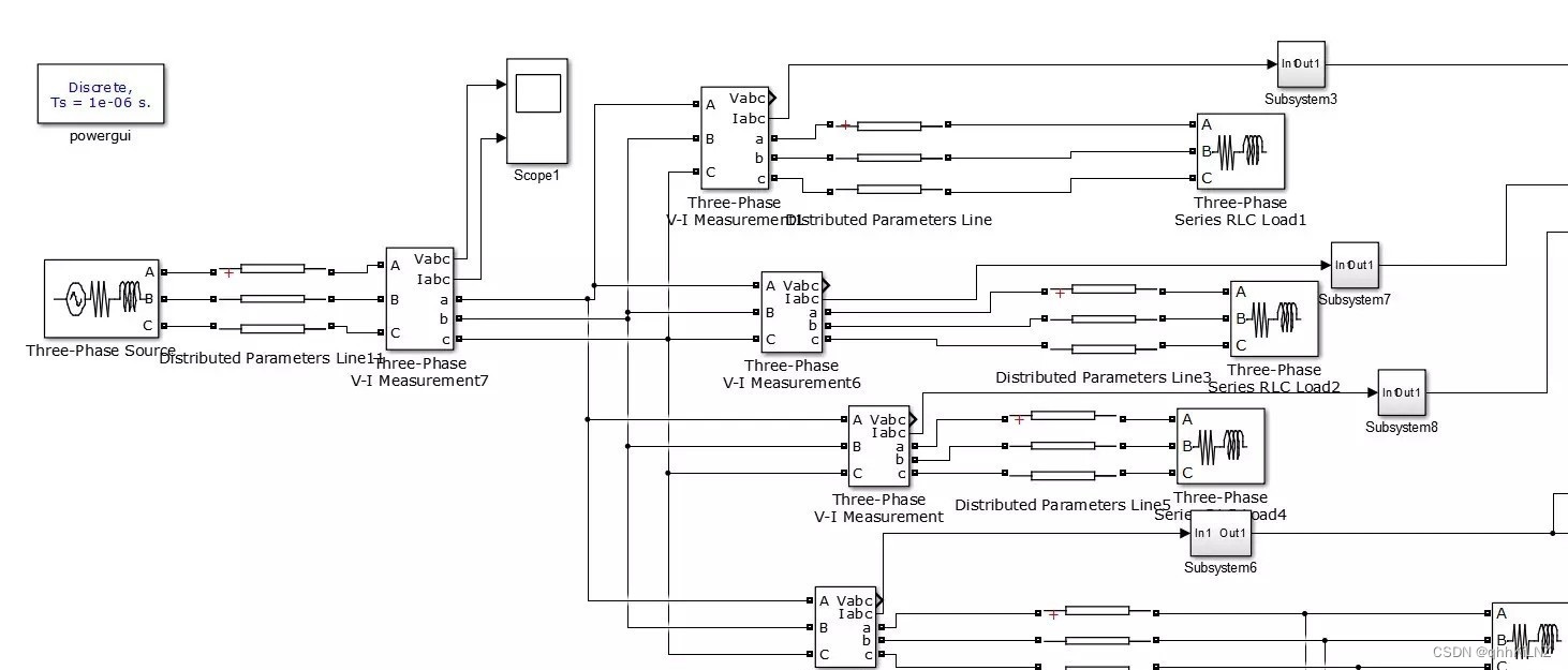
基于MATLAB Simulink的行波故障测距方法主要包括以下几个步骤:
步骤一:建立模型。首先,我们需要建立一个电力系统的模型,包括输电线路、发电机、变压器等组成部分。在Simulink中,可以使用各种电力系统组件的库模块进行建模,通过连接这些模块,构建整个电力系统的仿真模型。
步骤二:设置故障。为了进行故障测距仿真,需要在输电线路上设置一个故障点。可以通过在模型中添加一个故障模块,模拟故障的发生。故障模块可以模拟各种类型的故障,如短路故障、接地故障等。
步骤三:仿真运行。在模型建立和故障设置完成之后,可以进行仿真运行。通过输入电流和电压信号,Simulink可以计算出故障发生后的波形变化,并输出相应的结果。
步骤四:故障测距计算。根据故障波形的特征,可以使用MATLAB内置的信号处理算法进行故障测距计算。通过分析电流和电压之间的时间差,可以得到故障距离的估计值。

步骤五:结果分析和优化。根据故障测距的结果,可以对系统进行优化。可以通过改变线路参数、添加补偿装置等方式,提高故障测距的准确性和可靠性。
通过基于MATLAB Simulink的行波故障测距方法,我们可以方便地进行故障测距仿真和计算。该方法具有以下优点:
1. 精确性高:通过模拟真实电力系统的参数和故障情况,可以得到准确的故障测距结果。
2. 灵活性好:Simulink提供了丰富的电力系统组件库,可以根据实际需要进行模型的建立和修改。
3. 可视化:Simulink可以生成丰富的波形图和结果图表,便于分析和理解故障测距的过程和结果。
综上所述,基于MATLAB Simulink的行波故障测距方法在电力系统领域具有重要的应用价值。通过该方法,我们可以准确地定位电力输电线路上的故障点,提高故障诊断和维修的效率。希望本文的介绍对读者在电力系统故障测距方面的研究和实践有所帮助。




版权声明:本文内容由互联网用户自发贡献,该文观点仅代表作者本人。本站仅提供信息存储空间服务,不拥有所有权,不承担相关法律责任。如发现本站有涉嫌侵权/违法违规的内容,请联系我们,一经查实,本站将立刻删除。
如需转载请保留出处:https://51itzy.com/kjqy/28541.html