
▌01 发光盘
1.背景介绍
光电信标 是用于 全国大学生智能车竞赛 中的信标所使用的比赛信标。它通过红色、红外引导车模追逐点亮的信标运动。这个比赛可以单个车模运行、也可以两个车模进行对抗比赛。

在 第十六届智能车竞赛 中,信标组采用 无线充电并导航 。在 节能充电信标 上包括有三种信号用于导航:
- 红色LED
- 红外LED
- 高频无线信号(100kHz ~ 200kHz)
其中的红色与红外LED导航信号采用与最初的光电信标相同的方式。
本文对于最初的光电信标特性进行测试,对节能充电信标中的光电盘的设计提供数据。
2.发光盘结构
光电信标的发光盘包括有12组LED以及IRLED的发光组。LED发光组与IRLED发光组之间相互并联,通过接口连接在驱动板的+7V以及LED,IRLED的驱动MOS管的D极。

▲ 发光盘的结构
▌02 发光盘测量
1.整体特性
(1)红色与红外LED的工作电压与电流之间的关系

▲ 红色,红外LED灯盘的电压与工作电流之间的关系
(2)单个LED+R的工作电压与电流
在供电电压U1=7V,情况下,测量发光盘上每个发光组的限流电阻以及发光二极管的电压。
-
红外LED:
-
限流电阻(200Ω)电压:5.584V
LED电压:1.337V
工作电流:Iled=5.584/200=27.92mA
红色LED:
-
限流电阻(200Ω)电压:4.965V
LED电压:1.944V
工作电流:Iled=4.965/200=24.83mA
▌03 无线节能发光盘
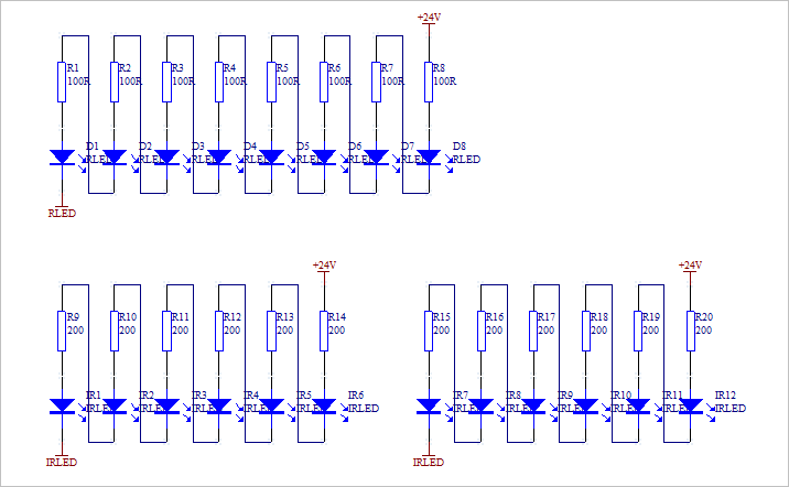
由于 新版无线节能信标 的工作电压为+24V,所以为了提高发光盘的效率,将会采用串联的方式进行设计。如果保证LED的工作电流与原来的光电发光盘相同,下面设计相应的限流电阻。
新版无线节能信标上的红色LED与红外LED的配置如下图所示。包括一组有八个红外LED组成可见光灯组与两组红外LED组。


▲ 串联方式设计发光盘
1.红色LED
包括八组红色LED,对应的LED25mA左右,对应的所有LED的电压为: U L E D × 8 = 1.944 × 8 = 15.552 V U_{LED \times 8} = 1.944 \times 8 = 15.552V ULED×8=1.944×8=15.552V
对应限流电阻总电压: U R × 8 = 24 − U L E D × 8 = 24 − 15.552 = 8.448 V U_{R \times 8} = 24 - U_{LED \times 8} = 24 - 15.552 = 8.448V UR×8=24−ULED×8=24−15.552=8.448V
电阻阻值: R 8 = U R × 8 0.025 = 8.448 0.025 = 337.92 Ω R_8 = { {U_{R \times 8} } \over {0.025}} = { {8.448} \over {0.025}} = 337.92\Omega R8=0.025UR×8=0.0258.448=337.92Ω
单个电阻为:
R 1 = R 8 8 = 337.92 8 = 42.24 R_1 = { {R_8 } \over 8} = { {337.92} \over 8} = 42.24 R1=8R8=8337.92=42.24
可以选择:R1 =42欧姆。
2.红外LED
红外LED采用六个LED+R串联。对应的LED上,在28mA左右,对应的LED电压为:
U I R × 6 = 1.337 × 6 = 8.022 V U_{IR \times 6} = 1.337 \times 6 = 8.022V UIR×6=1.337×6=8.022V
所有IRLED限流电阻上的电压为: U R × 6 = 24 − U I R × 6 = 24 − 8.022 = 15.978 V U_{R \times 6} = 24 - U_{IR \times 6} = 24 - 8.022 = 15.978V UR×6=24−UIR×6=24−8.022=15.978V
对应每个电阻上的电压: U 1 = U R × 6 6 = 15.978 6 = 2.663 V U_1 = { {U_{R \times 6} } \over 6} = { {15.978} \over 6} = 2.663V U1=6UR×6=615.978=2.663V
则限流电阻: R 1 = U 1 0.028 = 2.663 0.028 = 95.107 Ω R_1 = { {U_1 } \over {0.028}} = { {2.663} \over {0.028}} = 95.107\Omega R1=0.028U1=0.0282.663=95.107Ω
可以取限流电阻R1=100Ω。
▌结论
通过对于原来的光电信标组的发光盘上的工作条件,分别针对新版的LED灯盘上的限流电阻进行计算。
■ 相关文献链接:
- 信标组裁判系统原理与实现
- 智能车竞赛相关的教高司公函:公函[2005]201号文、教高司[2005]13号
- 第十六届全国大学智能汽车竞赛竞速比赛规则
- 使用LCC网络补偿设计无线功率系统
- 节能信标灯设计第一版本:预备实验
版权声明:本文内容由互联网用户自发贡献,该文观点仅代表作者本人。本站仅提供信息存储空间服务,不拥有所有权,不承担相关法律责任。如发现本站有涉嫌侵权/违法违规的内容,请联系我们,一经查实,本站将立刻删除。
如需转载请保留出处:https://51itzy.com/kjqy/25989.html