目录
前言
一 连线图
1 原理图
2 PCB效果
3 实物效果
4 APP效果
5 功能概括
(1)硬件端
(2)演示视频
二 底层代码使用方式
1 使用说明
2 下载程序
三 APP使用方式
1.下载APP(无)
四 程序架构及修改(通用)
前言
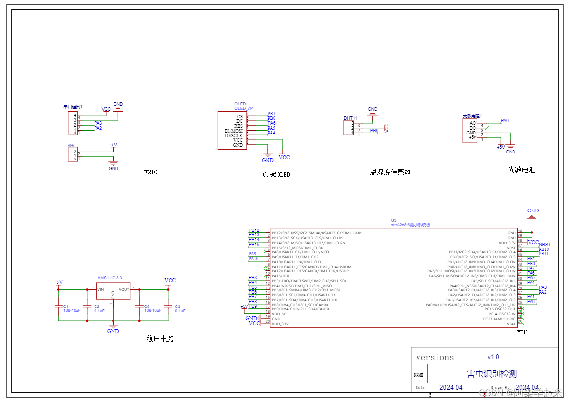
总结如下:硬件端包括STM32F103C8T6作为中控和模块数据通信主控,0.96寸OLED显示环境数据,K210用于反馈检测的结果,光照传感器检测环境光照强度,温湿度传感器检测环境的温湿度情况。这个硬件系统利用各种传感器和控制器,实时监测并显示环境的各项数据,实现环境监测和控制的功能。
关注微信公众号--星之援工作室 发送关键字(项目清单)
可获取项目清单资料
➡️🫡🫡🫡🫡🫡🫡🫡🫡➡️
⚠️⚠️(本文章仅提供思路和实现方法,并不包含代码,需要代码的同学请自行联系博主)
⚠️⚠️(有疑问或需要定制或者技术支持等,也请自行联系博主)⚠️⚠️
一 连线图
1 原理图

开发板本身自带一个LED ,这个LED作为我们查看网络连接状态和获取数据状态的说明
(1)灯和机闪烁一下,若MUC上面的的LED处于闪烁状态,则说明我们的设备处于正常运行,若LED灯不再闪烁,请按复位键将程序手动复位一次
(2)硬件每隔1秒会向单片机看传输一次数据。
2 PCB效果
3 实物效果

4 APP效果
5 功能概括
(1)硬件端
- STM32F103C8T6:用于所有程序的中控和模块数据通信;
- 0.96寸OLDE:用于显示的各种环境数据
- K210:6种害虫 ,反馈检测的结果
- 光照传感器:检测环境光照强度
- 温湿度传感器:检测环境的温湿度情况
(2)演示视频
链接:
https://pan.baidu.com/s/1uAK4Utb2z54WrflOY-pFLg?pwd=XZY0
提取码:XZY0
二 底层代码使用方式
1 使用说明
(1).当设备处于正常状态的时候,开发板上面的LED会处于闪烁的状态。
(多看视频,视频中有完整功能演示)
(多看视频,视频中有完整功能演示)

(多看视频,视频中有完整功能演示)
2 下载程序
- 先根据原理图进行连线,连接好以后在做后面的操作
- 打开程序(硬件由工作室出的可以忽略下载程序这部分)







三 APP使用方式
1.下载APP(无)
(1)操作方式:
使用Android手机安装APK进行操控

安装Android studio导入项目使用模拟器
Android studio下载链接
官网下载最新版本
https://developer.android.google.cn/studio?hl=zh-cn
安装包(工作室版本)链接:
https://pan.baidu.com/s/1DnRGWeJt7XBTmzqHj1KRSQ?pwd=xzy0
提取码:xzy0
安装教程
https://zhuanlan.zhihu.com/p/
(2)使用说明
需要先连接到对应的WIFI中,再打开我们的APP,就可以看到图传数据和其他传感器数据了。
(多看视频,视频中有完整功能演示)
(多看视频,视频中有完整功能演示)
(多看视频,视频中有完整功能演示)
四 程序架构及修改(通用)
链接:
https://pan.baidu.com/s/1TZkvdEOp-ERgi-2A1o-KWw?pwd=XZY0
提取码:XZY0
APP参数修改


版权声明:本文内容由互联网用户自发贡献,该文观点仅代表作者本人。本站仅提供信息存储空间服务,不拥有所有权,不承担相关法律责任。如发现本站有涉嫌侵权/违法违规的内容,请联系我们,一经查实,本站将立刻删除。
如需转载请保留出处:https://51itzy.com/kjqy/24683.html