
讯享网
一般而言,电路图都是由热继电器,保险,交流接触器,按钮开关,时间继电器,行程开关等等元器件构成,要首先认识这些元器件,明白元器件在电路中的作用。
例如:热继电器在电路中主要起到过载保护作用,熔断器主要起到短路保护作用。交流接触器起到小电流控制大电流,间接控制电路的运行等等。电路图都是电气元器件的符号通过导线连接而成的,这是作图看图的国际标准规范。
例如:KM~交流接触器。SB1,SB2按钮,FR热继电器,KT时间继电器,FU电路熔断器等等,这些常用的基本电路元器件符号要熟悉。
一般而言,任何的电路元器件都有其结构和动作原理。熟悉和掌握元器件的使用方法是十分必要的!例:交流接触器动作吸合时,相应的主触点由常开~闭合,辅助
热继电器一般装在主回路中进行设备的过载保护,但是辅助触点需要接到控制回路中来通断电路。
用胶盖瓷底的刀开关进行手动正转控制电路

利用铁壳开关手动正转控制电路

采用转换开关的控制电路

用倒顺开关的正反转控制电路

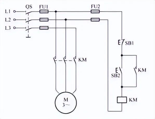
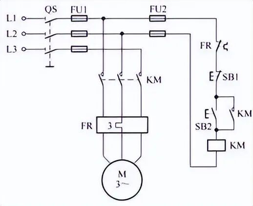
具有自锁的正转控制电路

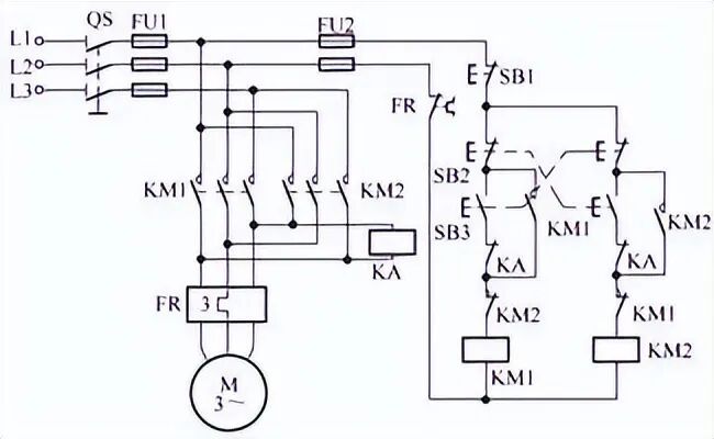
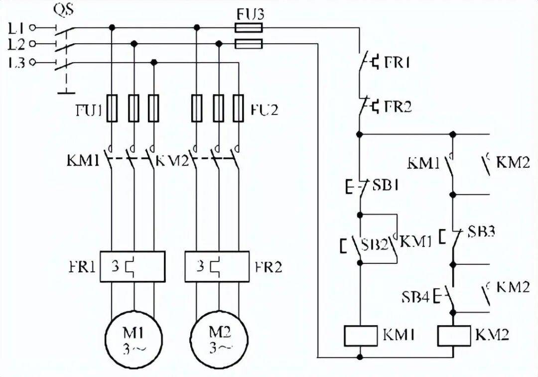
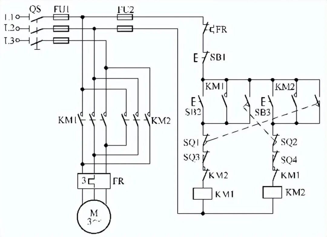
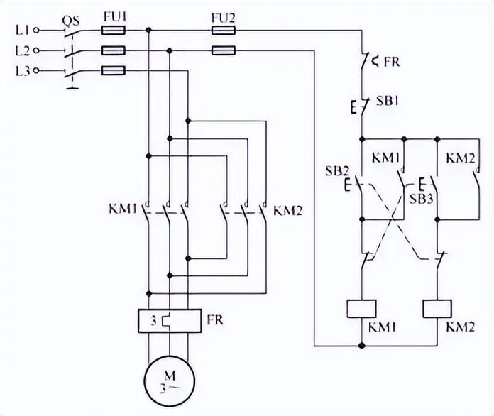
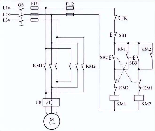
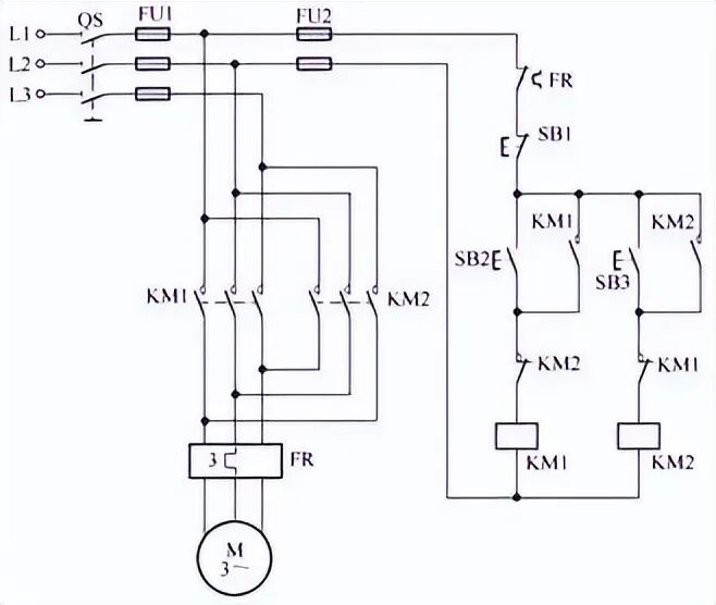
双重联锁电机正反转控制电路图

图中左侧为电气实物接线图,右侧为电气原理图。左侧图中包含开关、保险、接触器(KM1、KM2)、热继电器和启动、停止按钮。看右侧电路图,合上QS开关,电路得电,按下正转启动按钮SB1,接触器KM1得电,线圈吸合,电机正转;按下反转按钮SB2,接触器KM2得电,电机反转;KM1、KM2的常开触点实现按钮SB1\SB2的自锁功能;KM1、KM2的常闭触点,实现正转和反转的互锁功能,SB1和SB2的常闭触点也实现正转和反转的互锁功能,从而实现双重联锁。
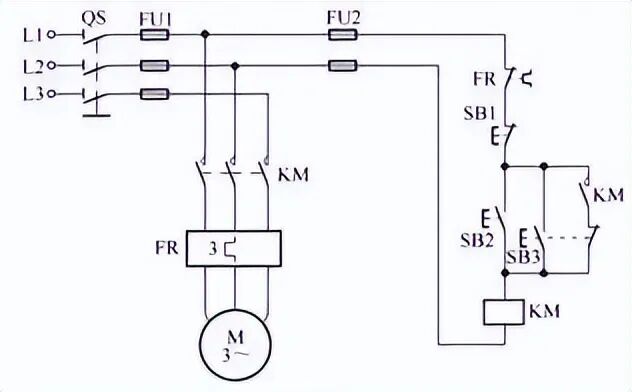
具有过载保护的正转控制电路

点动与连续运行控制电路

避免误操作的两地控制电路

三地(多地点)控制电路

电动机间歇运行电路

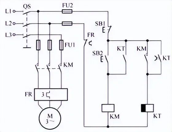
电动机短时间停电来电后自动快速再起动电路

按钮连锁的正反转控制电路

接触器连锁的正反转控制电路

按钮、接触器复合连锁的正反转控制电路

用按钮点动控制电动机启停电路


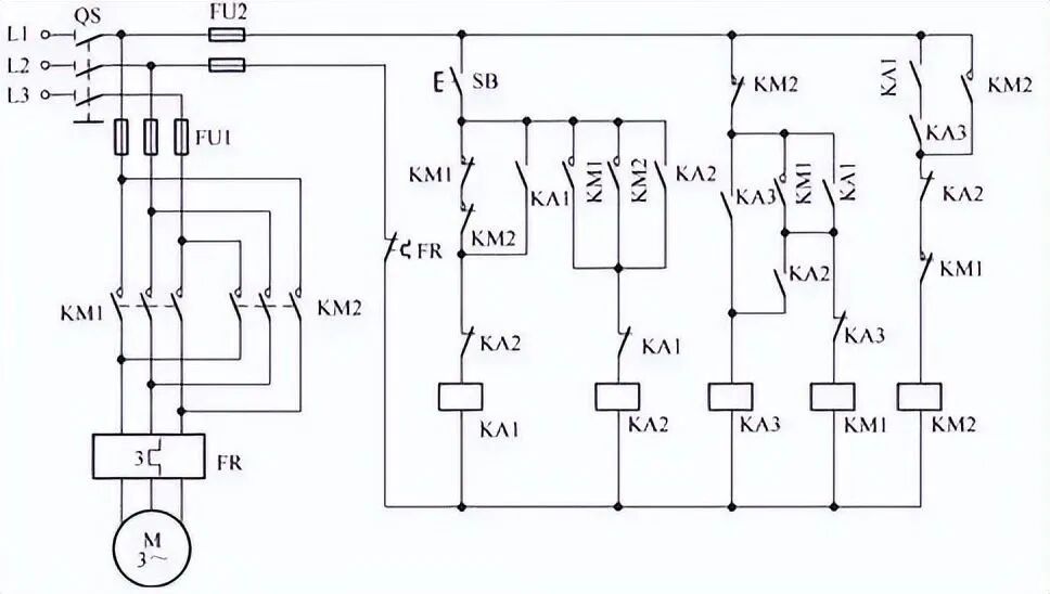
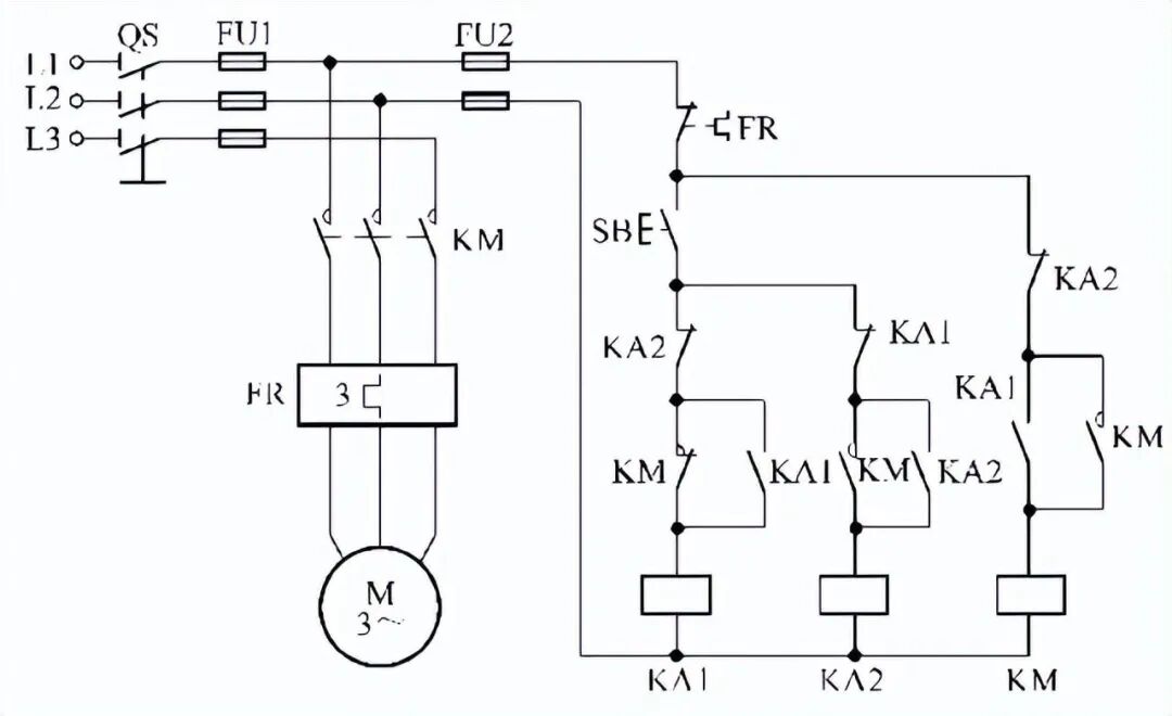
具有三重互锁保护的正反转控制电路

接触器连锁的点动和长动正反转控制电路

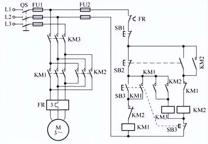
防止正反转转换期间相间短接的三接触器控制电路

用连锁继电器防止正反转转换相间短接的控制电路

单线远程正反转控制电路

仅用一个按钮控制电动机正反转的电路

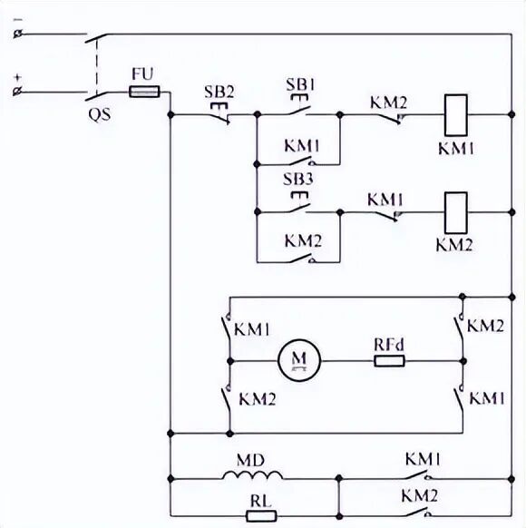
直流电动机正反转控制电路

用转换开关预选的正反转启停控制电路

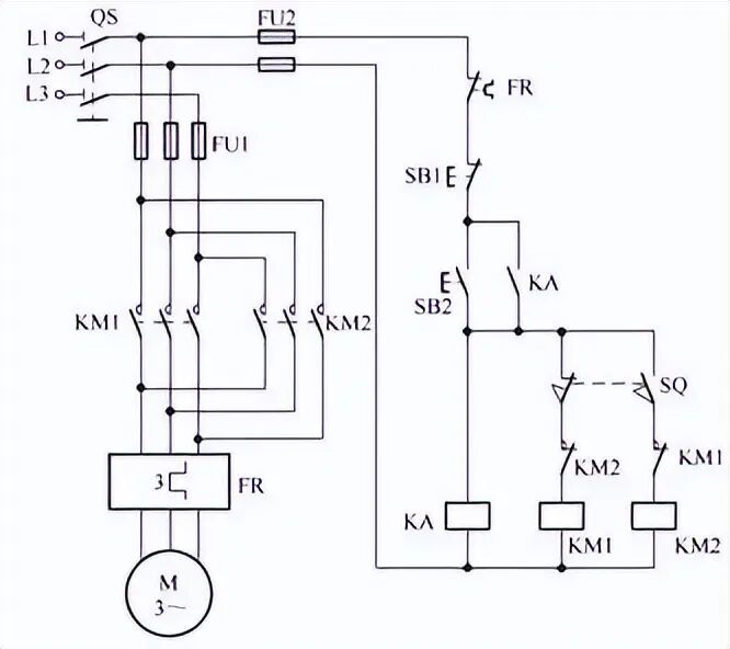
自动往返控制电路

仅用一个行程开关实现自动往返控制电路

带有起动熔丝的起动电路

仅用一个按钮控制电动机启停电路

单线远程控制电动机启停电路

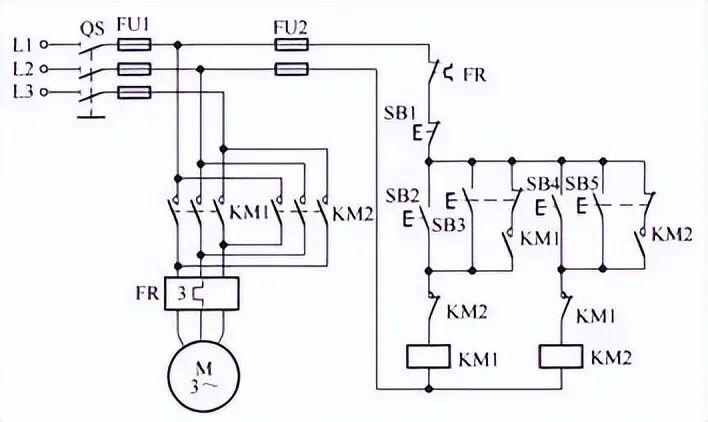
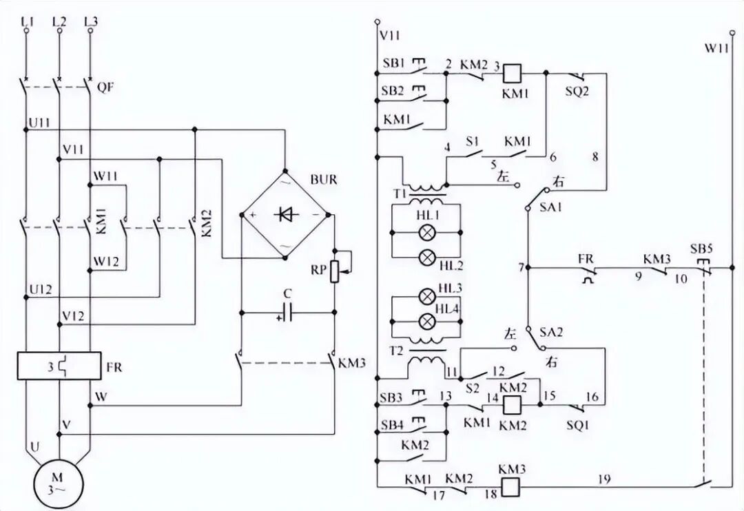
接触器控制星三角启动电路图

图中左侧为电气实物接线图,右侧为电气原理图。按下SB1,线圈KM、KMY吸合,电机星型启动,通过按钮SB2实现星启动像角启动转换。SB3为停止按钮。
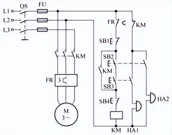
能发出启停信号的控制电路

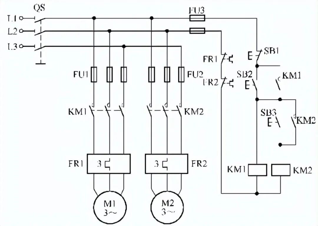
两台电动机按顺序起动同时停止的控制电路

两台电动机按顺序起动分开停止的控制电路

自动切换的两台电动机按顺序起动逆序停止电路


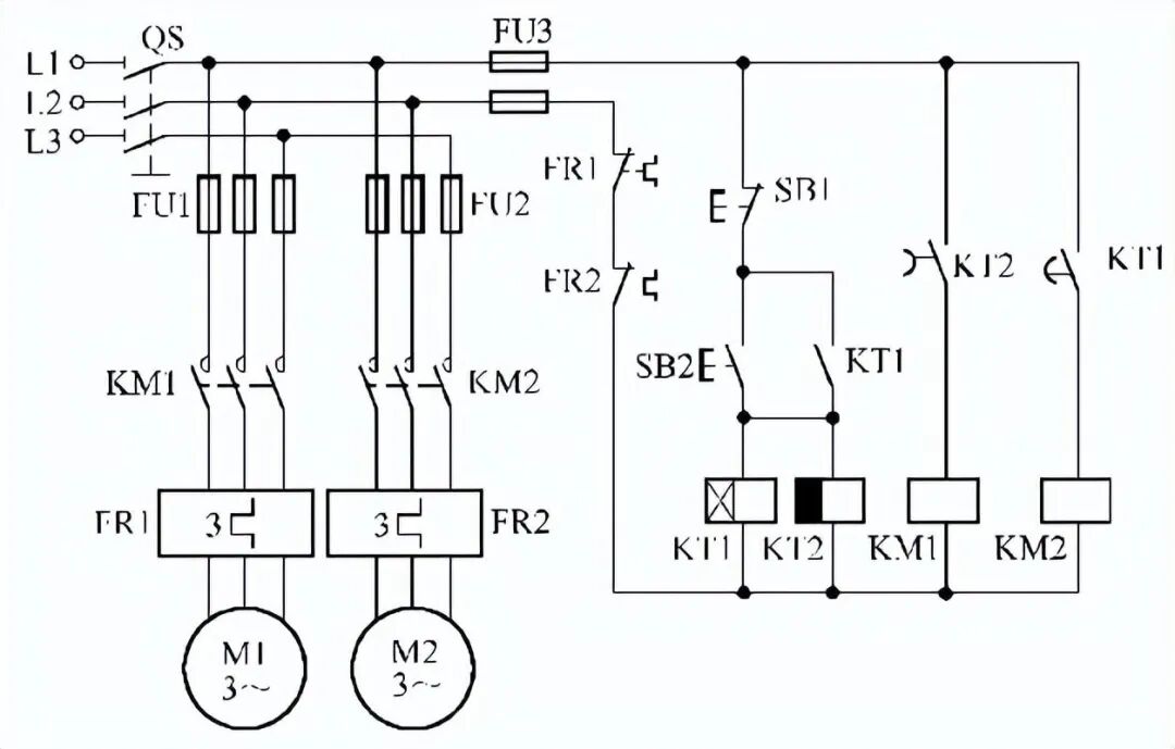
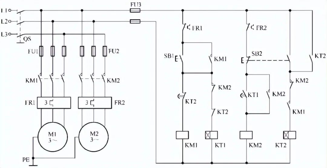
延时继电器控制星三角启动电路图

图中左侧为电气实物接线图,右侧为电气原理图。按下SB1按钮,KM、KMY得电吸合,电机星型启动,通过延时继电器计时,时间到达后KMY断开,KM角吸合,实现电机星角启动,SB为停止按钮。
电动机延时开机的间歇运行电路

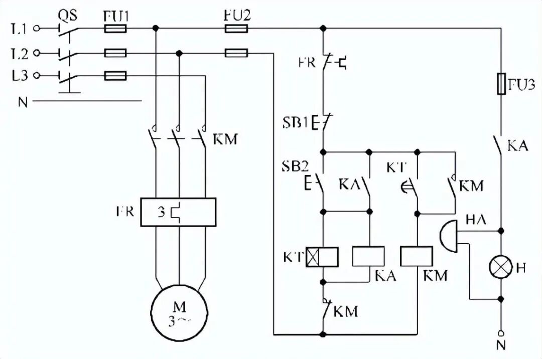
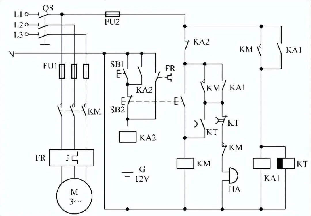
带有报警装置的电动机短暂停电来电后自动再起动电路

电动机长时间停电来电后自动再起动电路

两条运输原料传送带的电气控制电路

多台电动机可同时起动又可有选择起动的控制电路

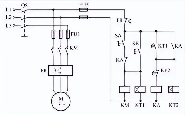
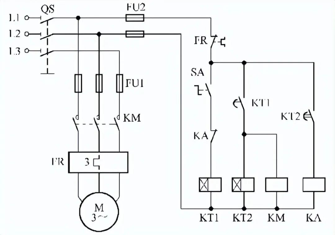
低速脉动控制电路

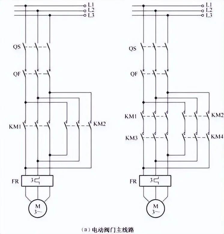
电动阀门控制电路(之一)

电动阀门控制电路(之二)


串励直流电动机刀开关可逆控制电路

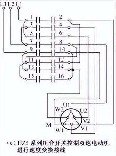
HZ5系列组合开关应用电路




用GYD-16/C型气压开关控制电动机电路

电动葫芦的电气控制电路

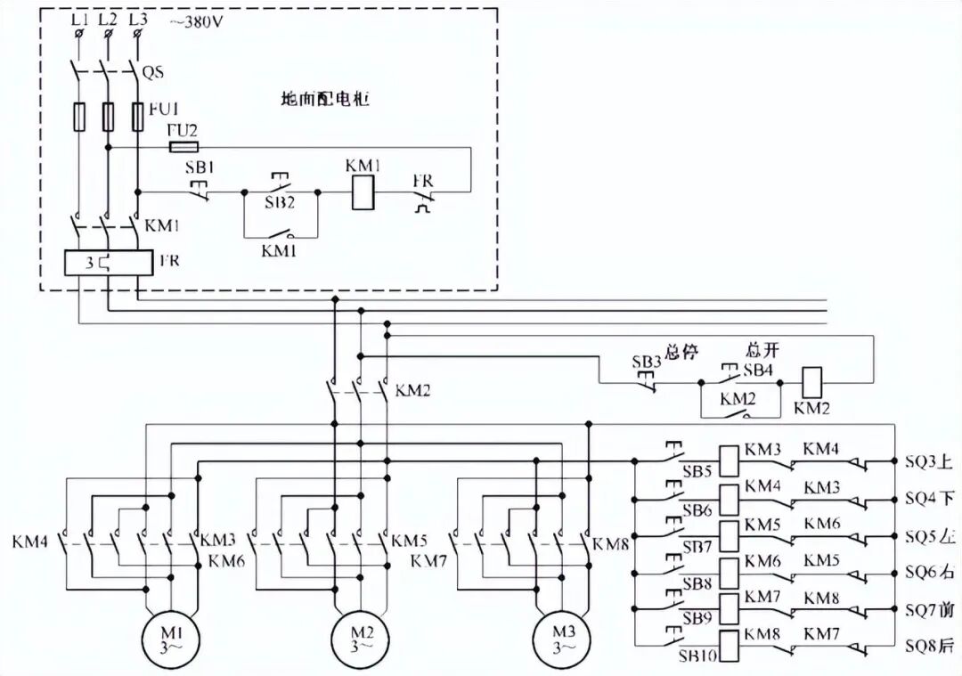
用八挡按钮操作的行车控制电路

源:网络,版权归原作者所有,如涉及作品版权问题,请及时与我们联系删除,谢谢!
ZHINANCHE
指南车机器人培训开课啦!
深入浅出 | 超越基础
想找好工作,来指南车就对了
从学习到就业,只看指南车就够了
↓戳“阅读原文”,报名咨询课程
版权声明:本文内容由互联网用户自发贡献,该文观点仅代表作者本人。本站仅提供信息存储空间服务,不拥有所有权,不承担相关法律责任。如发现本站有涉嫌侵权/违法违规的内容,请联系我们,一经查实,本站将立刻删除。
如需转载请保留出处:https://51itzy.com/kjqy/199273.html