讯享网
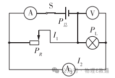
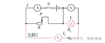
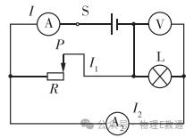
1、去表
电流表视为导线,电压表视为断路。

2、电流路径法分析连接方式

电流从电源正极出发到达节点A,因节点A后不存在能直接到达电源负极的路径,故电流在A点分流。


支流1:经滑动变阻器到节点B,因节点B后存在能直接到达电源负极的路径,故此处不再分流。
支流2:经灯泡L到节点B,因节点B后存在能直接到达电源负极的路径,故此处不再分流。


结论:电流有2条路径,滑动变阻器R与灯泡L的两端分别连在一起,故二者并联。

3、确定电表测量对象

电流表A在干路上,测量的是干路电流I,电流表A2在支路2,测量通过灯泡L的电流I2。

由路径1可知,电压表直接接在电源两端,故测量电源电压;由路径2可知,电压表与滑动变阻器并联,也测量滑动变阻器两端电压;由路径3可知,电压表与灯泡并联,还测量灯泡两端电压。

4、滑片向右移动后各支路
电阻、电压、电流分析

支路1:R增大,U不变,I1=U/R,I1减小。

支路2:RL不变,U不变,I2不变

5、滑片右移后,电表示数变化分析

电源电压不变,电压表V示数不变,电流表A2示数I2不变,电流表A示数I=I1+I2,减小。

6、滑片右移后,电路各部分
功率变化分析

PR=UI1,减小;
PL=UI2,不变;
P总=PR+PL,减小
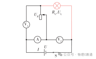
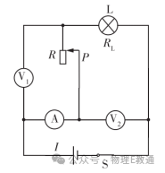
1、去表

电流表视为导线,电压表视为断路。


2、电流路径法分析连接方式

电流只有一条路径,滑动变阻器R与灯泡L串联。

3、确定电表测量对象

电压表V1既并联在粉色部分两端,也并联在蓝色部分两端,此时仅测量滑动变阻器R两端的电压。(中学阶段电压表测量对象不同时包含电源和用电器)

电流表A测量电路电流,电压表V2既并联在粉色部分两端,也并联在蓝色部分两端,此时既测量滑动变阻器R与灯泡L两端电压之和,也测量电源电压。

4、滑片向上移动后
电路总电阻与电流变化分析

R减小,R总=R+RL,减小;U不变,I=U/R总,增大。

5、滑片向上移动后
阻值不变部分电压的变化

RL不变,I增大;UL=IRL,增大。

6、滑片向上移动后
阻值变化部分电压的变化

UR=U-UL,UL增大,U不变,UR减小。

7、滑片向上移动后,电表示数变化

电流表A测电路电流,示数变大;电压表V1测滑动变阻器两端的电压,示数减小,电压表V2测电源电压,示数不变。

8、滑片向上移动后
电路各部分功率变化分析

①灯泡功率PL:I增大,UL增大,PL=IUL,增大。
②总功率P总:P总=UI,I增大,P总增大。
版权声明:本文内容由互联网用户自发贡献,该文观点仅代表作者本人。本站仅提供信息存储空间服务,不拥有所有权,不承担相关法律责任。如发现本站有涉嫌侵权/违法违规的内容,请联系我们,一经查实,本站将立刻删除。
如需转载请保留出处:https://51itzy.com/kjqy/189579.html