水喷雾灭火系统
一、系统的分类、组成
(一)系统分类
1.电动启动水喷雾灭火系统
电动启动水喷雾灭火系统是以普通的火灾报警系统为火灾探测系统,通过传统的点型火灾探测器、线型火灾探测器探测火灾。当有火情发生时,火灾探测器将火警信号传到火灾报警控制器(联动型),火灾报警控制器(联动型)控制打开雨淋阀的电磁阀,雨淋阀控制腔的压力下降,雨淋阀打开,供水侧水压降低,系统压力开关自动启动消防水泵,系统喷水灭火。为了减少系统的响应时间,雨淋阀前的管道内应是充满水的状态。

2.传动管启动水喷雾灭火系统
(1)传动管启动水喷雾灭火系统是以传动管作为火灾探测系统,传动管内充满压缩空气或压力水。对于传动管充水的系统,当闭式喷头受火灾高温影响动作后,传动管内的压力迅速下降,导致雨淋阀控制腔压力下降,雨淋阀打开。对于传动管充气的系统,喷头动作后传动管内的压力下降传动管与雨淋阀控制腔之间的气动阀动作、排水,使雨淋阀控制腔的压力下降,雨淋阀打开。雨淋阀打开后使系统供水侧压力下降,压力开关自动启动消防水泵,通过雨淋阀、管网将水送到水雾喷头,水雾喷头开始喷水灭火。

(2)传动管启动水喷雾灭火系统按传动管内的充压介质不同,可分为充液传动管和充气传动管两种。充液传动管内的介质一般为压力水,这种方式适用于不结冰的场所,充液传动管的末端或最高点应安装自动排气阀。充气传动管内的介质一般为压缩空气,平时由空压机或其他气源保持传动管内的气压,这种方式适用于所有场所,但在北方寒冷地区,应在传动管的最低点设置冷凝器和汽水分离器,以保证传动管不会因冷凝水结冰而堵塞
(二)系统组成和产品的性能要求
水喷雾灭火系统的供水设备如消防水泵等为通用设备,雨淋报警阀和自动喷水灭火系统雨淋系统用的雨淋阀相同,这里不再涉及,下面主要对水雾喷头的产品性能进行介绍。
1.喷头的分类
水雾喷头是在一定的压力作用下,利用离心或撞击原理将水流分解成细小水雾滴的喷头。
(1)离心型水雾喷头:水在较高的水压下通过喷头内部的离心旋转形成水雾喷射出来,它形成的水雾同时具有良好的电绝缘性,适合扑救电气火灾。离心雾化型水雾喷头有A型和B型两种。A型水雾喷头的进水口与出水口成90°角,安装后喷头出水方向可在一定范围内进行调节。B型水雾喷头的出水口和进水口在一条直线上,安装后是完全固定不可调节的。
(2)撞击雾化型水雾喷头:喷头的压力水流通过撞击外置的溅水盘,在设定区域分散为均匀的锥形水雾。撞击雾化型水雾喷头根据需要可以水平安装,也可以下垂、斜向安装。
2.主要性能参数
(1)工作压力
水雾喷头的雾化效果与喷头的工作压力有直接关系。通常情况下,喷头的工作压力越大,其水雾滴粒径越小,雾化效果越好,灭火和冷却效率也就越高。
(2)雾化角
水雾喷头喷出的水雾形成围绕喷头轴心线扩展的圆锥体,其锥顶角为水雾喷头的雾化角。水雾喷头常见的雾化角有45°、60°、90°、120°和150°五种。
(3)有效射程
水雾喷头的有效射程是指喷头水平喷射时,水雾达到的最高点与喷口之间的距离。在有效射程范围内的水雾密集、速度适中,可满足灭火控火或防护冷却的要求,因此,水雾喷头与保护对象的距离不应大于水雾喷头的有效射程。
(4)雾滴尺寸
水雾喷头的雾滴尺寸一般以雾滴体积百分比特征直径Dv0.90表示,该值表示喷雾液体总体积中,在该直径以下雾滴所占体积的百分比为90%。水雾喷头在额定工作压力下,雾滴体积百分比特征直径Dv0.90应小于1.000mm。
(三)系统适用范围

二、系统设计及主要组件的设置
(一)系统设计

1.水雾喷头的工作压力
用于灭火时,水雾喷头的工作压力不应小于0.35MPa;用于防护冷却时水雾喷头的工作压力不应小于0.15MPa。
2.保护面积
(1)保护对象的保护面积除另有规定外,应按其外表面面积确定,并应符合下列要求:
1)当保护对象外形不规则时,应按包容保护对象的最小规则形体的外表面面积确定。
2)变压器的保护面积除应按扣除底面面积以外的变压器油箱外表面面积确定外,尚应包括散热器的外表面面积和油枕及集油坑的投影面积。
3)分层敷设的电缆的保护面积应按整体包容电缆的最小规则形体的外表面面积确定。
(2)输送机皮带的保护面积应按上行皮带的上表面面积确定;长距离的皮带宜实施分段保护,但每段长度不宜小于100m。
(3)开口可燃液体容器的保护面积应按其液面面积确定。
(4)液化石油气灌瓶间的保护面积应按其使用面积确定,液化石油气瓶库、陶坛或桶装酒库的保护面积应按防火分区的建筑面积确定。
(5)系统用于冷却甲B、乙、丙类液体储罐时,其冷却范围及保护面积应符合下列规定:
1)着火的地上固定顶储罐及距着火储罐罐壁1.5倍着火罐直径范围内的相邻地上储罐应同时冷却,当相邻地上储罐超过3座时,可按3座较大的相邻储罐计算消防冷却水用量。
2)着火的浮顶罐应冷却,其相邻储罐可不冷却。
3)着火罐的保护面积应按罐壁外表面面积计算,相邻罐的保护面积可按实际需要冷却部位的外表面面积计算,但不得小于罐壁外表面面积的1/2。
(6)系统用于冷却全压力式及半冷冻式液化烃或类似液体储罐时,着火罐及距着火罐罐壁1.5倍着火罐直径范围内的相邻罐应同时冷却;当相邻罐超过3座时,可按3座较大的相邻罐计算消防冷却水用量。着火罐保护面积应按其罐体外表面面积计算,相邻罐保护面积应按其罐体外表面面积的1/2计算。
(7)系统用于冷却全冷冻式液化烃或类似液体储罐时,采用钢制外壁的单容罐,着火罐及距着火罐罐壁1.5倍着火罐直径范围内的相邻罐应同时冷却。着火罐保护面积应按其罐体外表面面积计算,相邻罐保护面积应按罐壁外表面面积的1/2及罐顶外表面面积之和计算。
3.供给强度、持续供给时间和响应时间
系统的供给强度和持续供给时间不应小于下表的规定,响应时间不应大于下表的规定。


(2)系统组件的设置要求
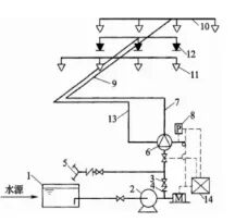
水喷雾灭火系统由水雾喷头、雨淋阀、过滤器、供水管道等主要部件组成。
1.水雾喷头的设置
(1)水雾喷头的选型
扑救电气火灾应选用离心雾化型水雾喷头;室内粉尘场所设置的水雾喷头应带防尘帽,室外设置的水雾喷头宜带防尘帽;离心雾化型水雾喷头应带柱状过滤网。
(2)水雾喷头的布置要求
1)一般情况下,水雾喷头的布置应使水雾直接喷射和完全覆盖保护对象如不能满足要求,应增加水雾喷头的数量;水雾喷头与保护对象之间的距离不得大于水雾喷头的有效射程。
2)水雾喷头的平面布置方式可为矩形或菱形。当按矩形布置时,水雾喷头之间的距离不应大于水雾喷头水雾锥底圆半径的1.4倍;当按菱形布置时水雾喷头之间的距离不应大于水雾喷头水雾锥底圆半径的1.7倍。
3)当保护对象为油浸式电力变压器时,变压器的绝缘子升高座孔口、油枕、散热器、集油坑均应设水雾喷头进行保护;水雾喷头之间的水平距离与垂直距离应满足水雾锥相交的要求。
4)当保护对象为可燃气体和甲、乙、丙类液体储罐时,水雾喷头宜布置在保护对象周围,其与保护储罐外壁之间的距离不应大于0.7m。
5)当保护对象为球罐时,水雾喷头的喷口应面向球心;水雾锥沿球罐纬线方向应相交,沿经线方向应相接;当球罐的容积不小于1000m3时,水雾锥沿球罐纬线方向应相交,沿经线方向宜相接,但赤道以上环管之间的距离不应大于3.6m;无防护层的球罐钢支柱和罐体液位计、阀门等处应设水雾喷头进行保护。
6)当保护对象为电缆时,水雾喷头喷射的水雾应完全包围电缆。
7)当保护对象为输送机皮带时,水雾应完全包络输送机的机头,机尾和上、下行皮带。
2.供水控制阀的设置
(1)供水控制阀的选型
响应时间不大于120s的系统应设置雨淋报警阀,当系统的响应时间大于120s时,可设置雨淋报警阀、电动控制阀或气动控制阀。
(2)供水控制阀的功能要求
1)接收电控信号的雨淋报警阀组应能电动开启,接收传动管信号的雨淋报警阀组应能液动或气动开启;雨淋报警阀应具有远程手动控制和现场应急机械启动功能;雨淋报警阀进出口应设置压力表,电磁阀前应设置可冲洗的过滤器;火灾时宜驱动水力警铃报警,在控制盘上应能显示雨淋报警阀开、闭状态。
2)电动控制阀或气动控制阀应具备接收控制信号开、闭阀门的功能,具备现场应急机械启动功能,阀门的开启时间不宜大于45s;阀门故障时应能报警并显示故障原因;在控制盘上应能显示阀门的开、闭状态;当阀门安装在阀门井内时,宜将阀门的阀杆加长,并宜使电动执行器高于井顶;气动阀宜设置储备气罐,气罐的容积可按与气罐连接的所有气动阀启闭3次所需气量计算。
(3)供水控制阀的设置要求
1)在严寒与寒冷地区室外设置的雨淋报警阀、电动控制阀、气动控制阀及其管道,应采取伴热保温措施。
2)雨淋报警阀、电动控制阀、气动控制阀宜布置在靠近保护对象并便于人员安全操作的位置。
3)雨淋阀前的管道应设置可冲洗的过滤器;当水雾喷头无滤网时,雨淋阀后的管道上应设置过滤器。过滤器滤网应采用耐腐蚀金属材料,滤网的孔径应为0.6~0.71mm。
3.管道的设置
(1)过滤器与雨淋报警阀之间及雨淋报警阀后的管道,应采用内外热浸镀锌钢管、不锈钢管或铜管;需要进行弯管加工的管道应采用无缝钢管;系统管道采用镀锌钢管时,公称直径不应小于25mm;采用不锈钢管或铜管时,公称直径不应小于20mm。
(2)防护区内的沟槽式管接件(卡箍)密封圈、非金属法兰垫片应满足相关标准干烧试验的要求。系统管道的最低处或水容易聚集的地方应设置放水阀或排污口。
(3)用于保护甲B、乙、丙类液体储罐的系统,其设置应符合下列规定:
1)固定顶储罐和按固定顶储罐对待的内浮顶储罐的冷却水环管宜沿罐壁顶部单环布置,当采用多环布置时,着火罐顶层环管保护范围内的冷却水供给强度应按规定的2倍计算。
2)储罐抗风圈或加强圈无导流设施时,其下面应设置冷却水环管。
3)当储罐上的冷却水环管分割成两个或两个以上弧形管段时,各弧形管段间不应连通,并应分别从防火堤外连接水管,且应分别在防火堤外的进水管道上设置能识别启闭状态的控制阀。
4)冷却水立管应用管卡固定在罐壁上,其间距不宜大于3m。立管下端应设置锈渣清扫口,锈渣清扫口距罐基础顶面应大于300mm,且集锈渣的管段长度不宜小于300mm。
每日一测
案例分析
案例一:东北某地区一酒店式公寓建筑,其平屋面面层标高为25m,室外设计地面为-0.30m,地上5层,地下2层,标准层建筑面积为6000㎡,耐火等级为二级,地下为汽车库和设备用房。
该建筑按国家有关标准设置有室内消火栓系统、湿式自动喷水灭火系统和火灾自动报警系统等消防设施。该酒店式公寓标准层内采用双面布房,走道及客房内全部采用石膏板吊顶,走道部位设置有型号为ZSTDY标准覆盖面积洒水喷头,房间内设置型号为ZSTBS标准覆盖面积洒水喷头,在每层的工作间内设置有末端试水阀。
地上房间内喷头按正方形布置,布置间隔为4.0m,喷头与端墙距离为2.0m。地下汽车库无吊顶采用下垂型标准型喷头,正方形布置,布置间距为3.0m,距端墙为1.5m。经检查该建筑地上共设置2800个洒水喷头,该建筑共配置了4个报警阀组。
按有关规定要求,该酒店式公寓委托具备资质的专业消防技术服务机构进行年度消防检测,在检测过程中,检测人员发现如下情况:
一、在检查报警阀组中发现,其中一个报警阀组的报警管路上,报警截止阀处于关闭状态,询问原因后得知是,此阀一开,报警阀就异常灵敏,警铃、压力开关频繁启动。
二、测试人员开启末端试水装置,湿式报警阀、压力开关动作,但喷淋泵未启动,警铃声音在3m处测量声强65dB。
三、测试人员对火灾自动报警系统及消火栓进行测试,均正常。
检测人员对存在的问题做出了书面说明,并给出了解决方案,该酒店式公寓同意该解决方案。
1. 简答题 请分析报警阀异常灵敏的原因,并给出解决方案?
2. 简答题 说明水泵未启动的原因?并简述水泵如何进行调试?
3. 简答题 3m处警铃声强65dB是否符合要求,如果不符合要求请说明原因.
4. 简答题 喷头在选型和设置上是否存在问题,并简述理由。
5. 简答题 该酒店式公寓设报警阀组数量是否符合要求,请说明原因

地下车库设置防排烟系统,平时无火灾的情况下,由于地下室通风效果不佳,故采用机械排烟风机兼做通风换气风机使用,当排烟口打开,排烟系统和通风系统合用的管道上联动关闭的通风控制阀门;机械补风的补风量为排烟量的一半,机械补风的风速为15m/s,补风管道跨越防火分区,管道耐火极限为1h。
商场首层至地上三层通过一个中庭相互连通,中庭高度12m,在中庭四周设有防火卷帘。购物中心中庭内设置了线型光束感烟火灾探测器,光束轴线距地10m,两组探测器光束轴线之间距离15m。
消防应急照明和疏散指示系统采用集中电源集中控制型系统,壁挂式应急照明灯具采用A型照明灯具,商场地面标志灯采用集中电源B型灯具,防护等级为IP67,集中电源的输出回路装有剩余电流动作保护器。
消防技术服务机构对该建筑火灾自动报警系统进行技术检测。检测人员将联动控制功能设置为自动工作方式,在首层触发某一防烟分区的2只感烟探测器,其中一只未动作,又触发1只手动火灾报警按钮,随后:
(1)消防联动控制器收到了该防烟分区排烟口及排烟风机的动作反馈信号,其中一个板式排烟口未开启。检测人员在现场手动开启该排烟口,排烟口仍未开启。
(2)全楼声光警报和应急广播响起,首层所有应急照明灯具全部点亮。
(3)疏散通道上的防火卷帘全部下降至楼板面。
消防技术服务机构对检查出的问题,核查原因,并进行了调整。
1. 多选题 关于该建筑机械排烟系统说法中,正确的是()。
A.机械排烟风机兼做通风换气风机
B.排烟口打开时,合用系统上联动关闭阀门为15个
C.补风量不满足要求
D.补风风速满足要求
E.补风管道的耐火极限不满足要求
2. 多选题 该建筑防烟分区的划分,说法正确的是()。
A.商场部分每个防烟分区的建筑面积不应大于500㎡
B.汽车库应至少划分为2个防烟分区
C.办公楼每个防烟分区的长边最大允许长度为36m
D.商场每层至少划分为3个防烟分区
E.办公楼每层至少划分为3个防烟分区
3. 多选题 中庭的线型光束感烟探测器的设置中,正确的是()。
A.光束轴线的高度符合要求
B.布置的间距符合要求
C.采用分层组网的探测方式交错布置
D.在6~7m处加设一层
E.在5~6m处加设一层
4. 多选题 消防控制室内没有接收到感烟探测器的报警信号,原因是可能是()。
A.火灾探测器损坏
B.探测器与底座接触不良
C.报警总线与底座接触不良
D.探测器接口板故障
E.报警总线短路
5. 多选题 应急照明系统的设置中,存在的错误有()。
A.采用集中电源集中控制型系统
B.壁挂式应急照明灯具采用A型照明灯具
C.商场地面标志灯采用集中电源B型灯具
D.防护等级为IP67
E.集中电源的输出回路装有剩余电流动作保护器
6. 多选题 分析板式排烟口未动作的原因,可能是()。
A.排烟口本身故障
B.模块故障
C.板式排烟口钢丝绳卡阻
D.联动逻辑设置错误
E.联动控制线路短路
7. 多选题 关于声光警报和应急广播的设置,说法正确的是()。
A.应与安全出口指示标志灯具设置在同一面墙上
B.每个报警区域内应均匀设置火灾警报器,其声压级不应小于 60dB
C.壁挂式火灾声光警报器,其底边距地面高度应大于 2.2m
D.报警区域内所有的火灾声光警报器和扬声器应交替工作
E.联动触发信号符合规定
8. 多选题 防火卷帘还应具有()控制方式。
A.现场手动控制
B.温控释放控制
C.消防控制室多线控制盘
D.手动速放
E.现场机械启动
版权声明:本文内容由互联网用户自发贡献,该文观点仅代表作者本人。本站仅提供信息存储空间服务,不拥有所有权,不承担相关法律责任。如发现本站有涉嫌侵权/违法违规的内容,请联系我们,一经查实,本站将立刻删除。
如需转载请保留出处:https://51itzy.com/kjqy/188541.html