通过以下各种各样的实用电路,大家可以了解元器件的结构、特性、动作原理及电路的基本控制方式,掌握一些控制规律,这样的话,在日后的电路识图中就能融会贯通,一通百通。
文章中的电路图有难有易,有些图现在可能看不懂,说不定以后就能看懂了,建议大家收藏备用哦!
1
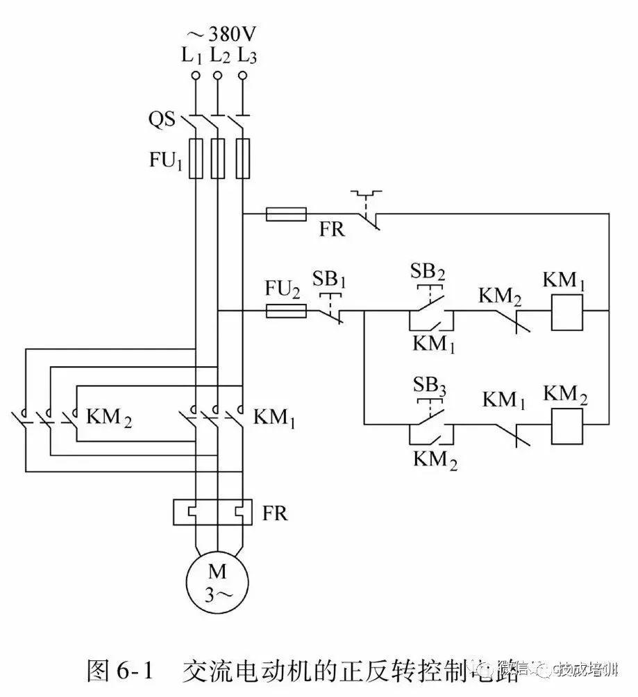
三相异步电动机正反转控制电路

2
双重互锁控制电路

3
三相电动机行程控制电路

4
三相异步电动机的时间控制电路(延时控制电路)

5
三相异步电动机的制动控制电路
电磁抱闸制动电路、反接制动控制电路、能耗制动控制电路



6
并联型直流稳压电源电路

7
串联型直流稳压电源电路

8
三端可调式直流稳压电源电路

9
正、负直流稳压电源电路

10
短路全保护声光报警直流稳压电源电路

11
电流测量电路
测量交流大电流:

12
电压测量电路
测量交流高电压:

13
单相有功电能表测量电路

14
三相有功电能表直入式接线图

15
信号发生器电路原理图

16
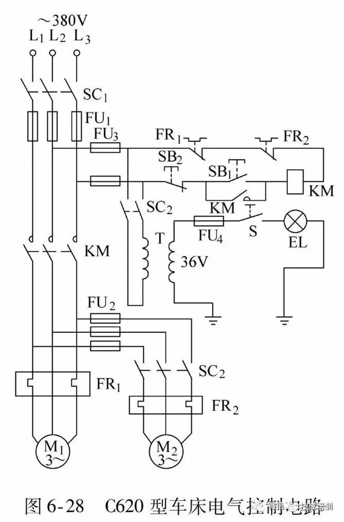
C620型车床电气控制电路

17
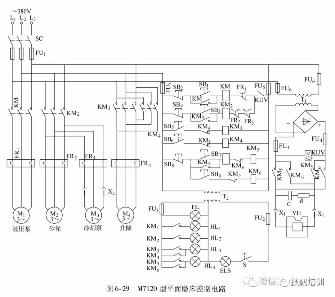
M7120型平面磨床控制电路

18
Z35型摇臂钻床控制电路

19
X62W型万能铣床控制电路

20
T68型卧式镗床控制电路

21
电力传输过程示意图

22
企业变配电一次电路图

23
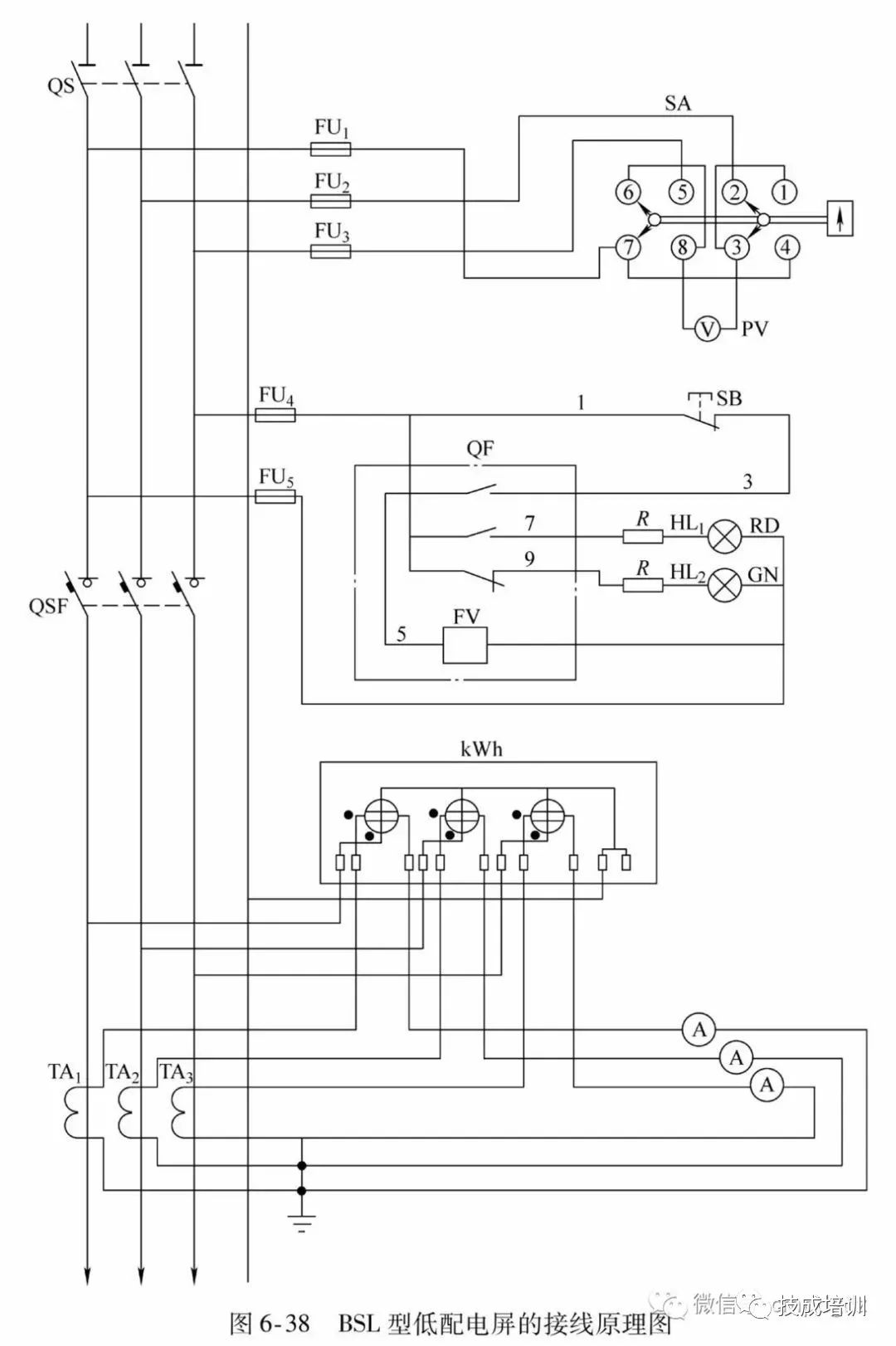
低压二次接线原理图
BSL型低压配电屏接线原理图

24
单相电源三相交流电动机无级调速电路

25

超声波遥控电动机调速电路

26
直流电动机电枢电压调速电路

27
定时调光微光控制照明节电电路

28
喷漆机械手的定位控制电路
步进顺序控制器


29
家用多路红外遥控电路


30
超声波遥控电路


31
无线电遥控报警电路


32
超声波检测电路

33
人体红外探测器电路

34
六管超外差式晶体管收音机电路原理图



35
光控电灯节电电路

36
声控节电开关电路

37
集光、磁、触摸为一体的节电控制电路
照明开关控制电路

38
气体烟雾检测报警器电路图

39
湿度测量报警器电路图

40
汽车防盗报警器电路图

41
机器人自动控制系统

42
机器人无线遥控电路
以遥控距离为1000m的三通道IC型无线遥控器为例


43
传输自动线堵料监视电路

44
自动生产线断料监视电路
光电断料监视电路

免责声明:本文转自网络,版权归原作者所有,如涉及作品版权问题,请及时与我们联系删除,谢谢!
2021年电工初级考试题库完整版(内含答案)
电气人作业必备的3个神器,用微信一键打开即可使用!
【收藏】 十年老电工的“出路”,月入过万的秘诀!
五大电气制图软件(CAD、Eplan、CADe_simu…),你pick那个?
最新电气版CAD绘图软件,附超详细安装教程!
最新电气绘图软件EPLAN,附超详细安装教程!
初学者使用S7-200 SAMRT编程软件常见问题(附软件下载)
超全电气计算EXCEL表格,自动生成!电气计算不求人!
蓝牙耳机、电工/PLC入门书籍任性送?快来领取你的电气礼物!
PLC编程基本功:梯形图与控制线路(附1164个三菱PLC实用案例)
还看不懂电气图?电工识图基础、仿真软件拿走,理论实操快速上手!
12门永久免费电工视频、10GB软件/电子书资料、30天免费电工直播课免费送啦!
版权声明:本文内容由互联网用户自发贡献,该文观点仅代表作者本人。本站仅提供信息存储空间服务,不拥有所有权,不承担相关法律责任。如发现本站有涉嫌侵权/违法违规的内容,请联系我们,一经查实,本站将立刻删除。
如需转载请保留出处:https://51itzy.com/kjqy/177741.html