功放,顾名思义,就是功率放大的缩写。与电压或者电流放大来说,功放要求获得一定的、不失真的功率,一般在大信号状态下工作,因此,功放电路一般包含电压放大或者电流放大电路没有的特殊问题,具体表现在:①输出功率尽可能大;②通常在大信号状态下工作;③非线性失真突出;④提高效率是重要的关注点;⑤功率器件的安全问题。而对于音频功放电路,也需要注意以上的问题。
根据放大电路的导电方式不同,音频功放电路按照模拟和数字两种类型进行分类,模拟音频功放通常有A类,B类,AB类, G类,H类 TD功放,数字电路功放分为D类,T类。下文对以上的功放电路做详细的介绍和分析。
1. A类功放(又称甲类功放)

A类功放如上图所示,在信号的整个周期内都不会出现电流截止(即停止输出)的一类放大器。但是A类放大器工作时会产生高热,效率很低。尽管A类功放有以上的弊端,但固有的优点是不存在交越失真,并且内部原理存在着一些先天优势,是重播音乐的理想选择,它能提供非常平滑的音质,音色圆润温暖,高频透明开扬,中频饱满通透的优点。单端放大器都是甲类工作方式,推挽放大器可以是甲类,也可以是乙类或甲乙类。
2.B类功放(又称乙类功放)

B类功放是指正弦信号的正负两个半周分别由推挽输出级的两个晶体管轮流放大输出的一类放大器,每一晶体管的导电时间为信号的半个周期,通常会产生我们所说的交越失真。通过模拟电路的调整可以将该失真尽量的减小甚至消失。B类放大器的效率明显高于A类功放。
3.AB类功放(又称甲乙类)
AB类功放界于甲类和乙类之间,推挽放大的每一个晶体管导通时间大于信号的半个周期而小于一个周期。因此AB类功放有效解决了乙类放大器的交越失真问题,效率又比甲类放大器高,因此获得了极为广泛的应用。

4.D类功放(又称丁类功放)

D类功放也称数字式放大器,利用极高频率的转换开关电路来放大音频信号,具体工作原理如下:D类功放采用异步调制的方式,在音频信号周期发生变化时,高频载波信号仍然保持不变,因此,在音频频率比较低的时候,PWM的载波个数仍然较高,因此对抑制高频载波和减少失真非常有利,而载波的变频带原理音频信号频率,因此也不存在与基波之间的相互干扰问题。许多功率高达1000W的丁类放大器,体积只不过像VHS录像带那么大。这类放大器不适宜于用作宽频带的放大器,但在有源超低音音箱中有较多的应用。
5、G类功放
G类功放为一种多电源的AB类功放的改进形式。G类功放充分利用了音频都具有极高峰值因数 (10-20dB) 的这一有利条件。大多数时候,音频信号都处在较低的幅值,极少时间会表现出更高的峰值。下图是G类功放集成IC的一个典型功能框图。

G类放大器使用自适应电源轨,并利用一个内置降压转换器来产生耳机放大器正电源电压。充电泵对放大器正电源电压进行反相,并产生放大器负电源电压。这样便让耳机放大器输出可以集中于0V。音频信号幅值较低时,降压转换器产生一个低放大器负电源电压。这样便在播放低噪声、高保真音频的同时最小化了G类放大器的功耗,相比传统的AB类耳机放大器,G类放大器拥有更高的效率。

该类功放的放大原理与AB类功放放大相同,一个重要特点是供电部分采用两组或者多组电压,低功率运行使用低电压,高功率自动切换到高电压。
6、H类功放
该类功放的放大电路部分与AB类功放的原理相同,但是供电部分采用可调节多级输出电压的开关电源,自动检测输出功率进行供电电压的选择。
7、K类功放
K类功放是集成了内部自举升压电路和各种功放电路,大家都知道D类功放只是众多功放电路中其中一种效率比较高的数字功放,而K类功放只是根据需要将内部集成的自举升压电路和所需求的功放电路,如果需求效率高就加D类功放,要音质好就加AB类功放。
8、T类功放
该类功放的原理与D类功放的原理相同,但是信号部分采用DDP技术(核心是小信号的适应算法和预测算法)。工作原理如下:音频信号进入扬声器的电流全部经过DDP进行运算处理后控制大功率高频晶体管的导通或者关闭,从而达到音频信号的高保真线性放大。该类功放具有效率高、失真小,音质可以与AB类功放媲美的一类功放。

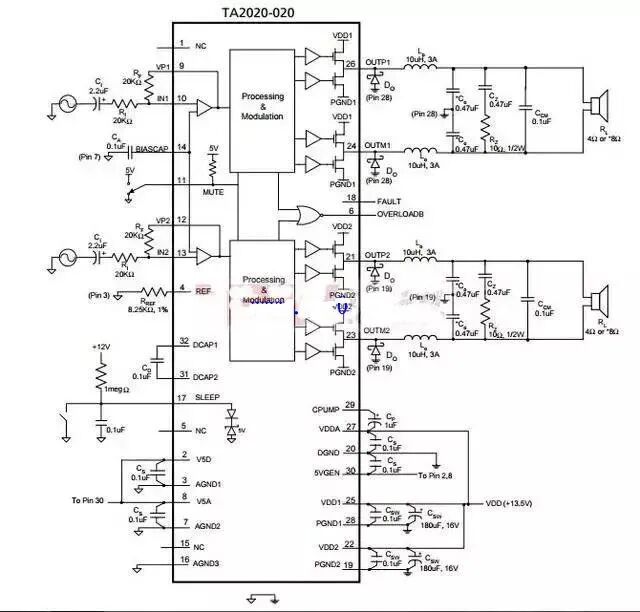
上图是TA2020的内部模块构造,从上图上可以看出,该芯片内部主要集中了处理和调制模块,从而实现高品质音频的特性。
9、TD类功放
该类音频功放的放大部分与AB类功放原理相同,但是供电部分采用完全独立的高精度可调节无级输出的可调节数字电源,电压递进值为0.1V,自动检测功率来调节电压的升高或者降低。该类功放由于需要高精度可调节的数字电源,需要对电源有专门的设计,而不能集中在一个芯片上,因此,该类功放主要使用在高级音响上,而电路也比较复杂。
对于后面6、7、9类功放需要特殊的电源,因此不能将功能集中在一片IC上。而对于经典的A类,B类,AB类和D类功放有专门的IC。再实际的设计中,需要各种类型的,应用在不同领域的功放电路,只需要以此为基础,外加相应的电源或者处理模块。


为了方便大家更好的学习,畅学电子网特别增加了针对单片机和EDA的公众号,每天推送相关知识,希望能对你的学习有所帮助!


版权声明:本文内容由互联网用户自发贡献,该文观点仅代表作者本人。本站仅提供信息存储空间服务,不拥有所有权,不承担相关法律责任。如发现本站有涉嫌侵权/违法违规的内容,请联系我们,一经查实,本站将立刻删除。
如需转载请保留出处:https://51itzy.com/kjqy/168386.html