大家好,我是讯享网,很高兴认识大家。
1.什么是电磁干扰? EMP 是开关电源哪些部件产生的? 干扰的方式有哪些? 有什么方法抑制?
根据麦克斯韦理论, 如果导体流动着变化电流, 那么它的空间就会产生变化着的电流磁场, 其磁场作用范围的大小, 取决于变化着的频率和电磁的电能。这种电磁向外幅射的电磁波, 就是电磁干扰。在有效的空间、时间和频率范围内, 各种电气设备的工作共存, 而不影响设备的性能下降, 这就是电磁兼容性。一台良好的EMC设备, 应该既不受周期电磁噪声的影响, 也不对周围环境产生干扰。电磁干扰分辐射干扰和传导干扰, 传导干扰又分模干扰和共模干扰。
2)
缓冲吸收回路来旁路和抵销干扰频率
。
3)
接地的方法
,
信号地与大地连在一起
,
使干扰的波段通过大地旁路掉
。
4)
屏蔽的方法
。
电磁与磁场相结合
,
但方法不同
。
对开关电源的主频率
,
利用调制功能开关
,
调整升压方式
。
5) 利滤波的方法。低通电路, 一次电源滤波电路, 二次电源滤波电路等等, 其作用都是为着滤除交流谐波和干扰频率。
2.如何提高开关电源的效率? 输出功率的大小与哪些因素有关?
1. 在设计上:
1)
选择合适的占空比和最大的工
作频率
,
设计出较低的低通滤波
。
2)
最大限度地提高一次线圈的电感量
。
3)
计算出有效的一次
、
二次滤波电解电容
。
2.
在元件选用上
:
对吸收网络回路
、
功率开关管
、
整流二极管
、
高频变压器磁心
,
要注意认真检测
,
封装老化工艺过程
,
选用哪些有名的产品生产厂家
;
3.
精心设计制作高频变压器
,
要有严格地工艺老化程序
,
大力降低铜耗和铁耗
,
尽量降低漏感
,
注重绕制方法
;
4.
对
PCB
设计
:
了解
PCB
板的布线原则
:
对那些易发热
、
易产生电磁干扰元件应布置在板的上方
;
信号传递线应远离大电流
、
高电压部件
;
高频阻容元件
,
应尽量避开在输入、输出板面的位置
,
板的结构紧凑
,
外表整齐
,
便于安装
、
修理
。
3.振荡变压器温度高低与哪些因素有关? 如何克服哪些不利的因素?
影响变压器温度有铜耗和铁耗
、
转换工作频率
、
变压器一次线圈漏感
、
变压器磁心的质量
、
主转换电路的设计等
。
克服的方法是: 设计计算合适的占空比和电路的工作频率;在允许的条件下选用最粗的铜线; 变压器的层间使用良好的绝缘层, 绝缘层越少越好, 绕制的变压器最好采用三明治绕线法, 如图1。
4.什么是瞬态干扰? 抑制瞬态干扰采用什么办法?
交流电网出现的浪涌电压
、
振玲电压
、
火花放电、空中闪电等
,
它的瞬间干扰电压信号幅度极高
,
其能量巨大
,
统称瞬态干扰
。
1)
将交流输入的二线制改制为
G、 N、 L
三线
, G
端接地
。
2)
采用两级
LC
滤波
,
将滤波电路的元件进行屏蔽
,
屏蔽线应接
“
地
”。
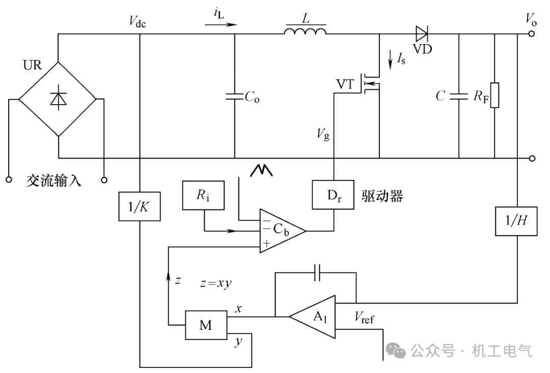
5.磁心的气隙有什么作用? 气隙的大小与哪些因素有关?
磁心的导磁性是随着气隙的大小而变化的, 有气隙时, 磁心的磁场强度 (明斯特)明显增加, 而剩余磁场强度则明显减少。变压器工作在大电流、低电压的状态下,为防止出现磁饱和是很有效的。气隙的计算普通公式:

从公式可知:气隙的大小与变压器的一次匝数的平方和磁心截面积成正比, 与一次线圈电感成反比。如图2。
6.功率因数校正的工作原理是什么? 有几种变换方法? 各有什么优缺点?
从输出电压取出一信号电压
,
与片内的基准电压进行比较
,
其差值又与
100Hz
的交流脉冲电压一同进入乘法器
,
乘法器输出一电流与开关管输出电流进行比较
、
放大
、
均化
、
移相去驱动开关管的栅极
,
以控制功能因数转换
,
使输出电流波形与输入电压脉动波形同相
,
从而提高电源的功率因数
,
降低总谐波含量
。
功率因数校正的方法有
:
电流峰值法
,
这种方法是频率恒定
,
但对噪声敏感
,
只能拓扑
Boost。
其二电流滞环法
:
此法对负载变化影响较大
, PFC
调整较缓
。
第三
,
电流平均化
,
此法工作频率恒定
,
对噪声不敏感
,
可任意拓扑变换
,
但转换时必须有乘法器
。
如图
3、图4、图5。
图3 峰值电流控制法的功率因数校正电路
图4 滞环电流控制法的功率因数校正原理图
7.什么是高频电流集肤效应和邻近效应?
导线流入突变电流时, 按右手定则, 将产生逆时针方向的磁力线, 磁力线将引起涡流, 涡流将增加导线表面积电流, 抵消导线芯中电流, 这种电流在导线表面流动, 中心无电流, 称集肤效应。如图6。由于磁力线集中在导线表面磁动势最大的地方, 邻近效应最明显, 称为临近效应。
8.屏蔽是防止干扰的一种有效方法,有几种屏蔽方式?各有什么不同?
屏蔽有电场屏蔽和磁场屏蔽。对整个开关电源进行屏蔽是电场屏蔽;对容易产生电磁辐射的闭合回路进行屏蔽称为磁场屏蔽。一场磁场屏蔽外装一外壳,不需接地。而电场屏蔽则将屏蔽线接到电源输入线的G端,考虑到电源散热,防止出现涡流,则要求屏蔽外罩有小孔,再将外壳接到G端。两种屏蔽的方式有所不同。
新型开关电源典型电路设计与应用(第3版)
本书共分为7章:第1章介绍开关电源的基本工作原理;第2章全面叙述开关电源元器件的特性与选用;第3章对6种不同功率的开关电源进行了较为详细的说明;第4章介绍了功率因数校正转换电路的设计,列举了多种电源功率因数校正电路的设计方法;第5章介绍了软开关技术与电源效率;第6章对PCB设计技术做了详尽的叙述;第7章给出了对开关电源一些关键技术的问答,为电源开发人员打开电源开发的大门。
本书立足开关电源的高频变压器设计,对开关电源的疑点和难点,剖析深入,内容丰富,知识全面,文字通畅,易于理解。本书对电源开发工程技术人员有很高的参考价值,也可供高等院校相关专业师生阅读。
电源变换是通过控制器件, 对开关管进行关断和导通, 对调制脉冲宽度或调制频率进行比较、 鉴定, 混频最后输出控制开关管, 达到输出电压可控, 满足输出电压、电流达到要求, 最大限度降低损耗, 提高转换效率, 它是开关电源最基本的转换类型, 应用非常广泛。
10.什么是零电流 (电压)开关脉宽调制变换?
变换器工作在一个周期里, 一部分时间按零电流(电压)开关脉宽调制变换工作, 另一部分时间按脉宽调制变换工作, 都是软开关。软开关具有损耗最小, 功率密度可达 8m/cm3, 效率超过 94%,是**的调制变换。
电子开关具有零电压导通
,
零电流关断的功能
,
这种变换器称之为准谐振变换器
。
实现准谐振变换
,
是固定开关管的导通时间
,
调速振荡器振荡频率
,
使正弦电流
、
电压处在正负交越的
X
轴线上
,
可获得准谐振变换工作模式
。
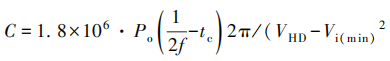
12.什么是总谐波含量? 它是怎样产生的? 它有什么危害?
总谐波含量, 是各次谐波电流分量均根值的总和, 即THD =


式中
:
I
n
(rms)
为
n
次谐波含量电流
有效值
, THD
为总谐波畸变
。
由于桥式整流后所输出的脉动直流电压
,
随着脉动直流电压对电容的充电和放电
,
产生于输入交流电压的数倍脉冲波形
。
根据二极管单相导电的特性
,
只有当交流电压瞬时值超过滤波电容上的充电电压时
,
二极管才会导通
;
而当交流输入电压的瞬时值低于电容上放电电压时
,
二极管受反向偏置而截止
,
这时整流二极管的导通角为
60° (
半个周期的
1/
3
) ,
电流脉宽为
3ms,
这时
,
整流后的脉冲电流含有大量的交流谐波
,
这些不同频率的正弦波成分
,
称之为谐波含量
。
谐波电流总量对电力系统将产生严重污染
,
会影响整个供电系统的供电环境
。
过量的电流谐波造成发电厂的发电机产生附加的功率损耗
,
使发电机发热
。
对功率补偿电容引起的谐波电流
,
能使电力电容器过载或迂压而损坏
;
对继电保护
、
自动控制
、
电信通信
、
计算机系统会产生强烈干扰造成误动作
。
所以对每台用电设备必须具有功率因数校正
。
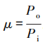
13.什么是电源效率? 什么是功率? 什么是功率因数?
效率,是一个用电设备,输出功率与输入功率之比,即:

功率, 是单位时间, 电力对某物体所做的功。

功率因数λ =P/S,是有功功率 (P) 与视在功率 (S) 之比。视在功率S是有效电压Urms 与有效电流 Irms 的乘积, S=Urms ·Irms。功率因数也可写成cosφ =P/S。是有功功率P=Vrms·Irms·cosφ。还有无功功率Q= Vrms·Irms·sinφ, 如图7所示。
14.什么是同步整流? 有什么优点?
同步整流是用 MOSFET 代替二极管, 它以自动驱动和外部驱动两种方式, 是将MOSFET的沟道电阻与驱动电流所形成的电压降为比例关系进行整流, 能使输入电压与输出电流保持同相, 称之为同相整流也叫同步整流。这种整流没有滤波电感, 也没有整流滤波电容, 没有感抗和容抗, 它的整流损耗小, 只借MOSFET的源—漏极输出。所以它承受电压在较低的情况下却能输出大电流, 具有输出功率大、损耗小的特点。
15.什么是电流前置技术? 有什么意义?
所谓电流前置技术是在大电流
、
低电压的电源二次侧电路没有滤波电感
,
输出电压
,
不以输出电流的改变而发生变化
,
而是将输出电流取样反馈到一次侧
,
进行检测
,
比较处理控制输出电流的变化
,
叫做电流前置技术
。
这种电路控制技术
,
它去掉了由于滤波电感而产生的感抗损耗
,
稳定了输出电流的波动
。
16.什么是斜波补偿? 有什么作用?
开关电源工作在电流转换连续模式
。
为了防止
,
连续模式出现谐振
、
破坏电路转换模式
,
在电流检测电路里
,
加入一只电容
,
依低频旁路
,
改变或破坏振荡频率
,
同时为了使传递信号不失真
,
在有效波峰里
,
使波的上升沿陡峭
,
下降沿垂直
,
叫斜波补偿
。
磁饱和电感
,
是利用自身饱和去控制磁饱和放大器出现的物理特性
,
所发生的磁效应
,
运用在开关电源的占空比调制
,
去调节输出电压
,
达到输出电压稳定的目的
。
它有电流
、
电压两种控制方式
,
无论哪种控制方式
,
磁饱和电感占有控制占空比的主导地位
,
而且对浪涌电压的吸收和消除
,
有很大的作用
。
均流技术分外控型均流
、
主
—
从式均流
,
环动均流和自动均流等
。
自动均流就是利用单元的最大电流与其他每个单元相比较
,
根据电流不均衡度来调节其余每个单元的电压
,
改变电压的高低
,
使输出电流相等
,
这种方法在大电流低电压输出的开关电源里应用比较多
。
19.什么是共模干扰? 什么是差模干扰? 其区别在哪里? 用什么方法抑制这种干扰?
共模干扰
,
就是的大小相等
、
方向一致
,
在电源的任何一相对大地都存在
。
这种干扰也叫纵模干扰
,
接地干扰
,
其实质是在线载流子与大地之间的干扰
,
抑制共模干扰是在相线
L
与中线
N
并接一电容
C
1
与
C
4
、 C
5
此电容称为
X
电容
。
差模干扰
,
就是干扰的大小不等
、
方向相反
,
存在电源的相线与中线
,
相线与相线之间的干扰叫差模干扰
,
也叫常模干扰
、
横模干扰
,
也叫对称干扰
。
它是在线载流子与载流子之间的干扰
。
抑制干扰是
Y
电容
。
20.一次整波滤波的电解容器, 它的容量大, 有哪些危害? 其容量大小怎样确定?
一次滤波的电解电容, 是电源电能的主通道, 若容量不足, 则高频电流以差模方式传导到转换电路, 其转换开关的负载是高频变压器的一次线圈属于感性负载, 开关“管”在通、断工作期间, 往往一次绕组会产生较高的浪涌电压, 如果滤波电容量小, 则容抗大,差模电流小, 转换的电能不足, 达不到设计的功率, 稍长一点时间, 电容发热, 甚至爆裂。如果容量大则漏电流大, 损耗大, 体积也大, 对提高效率十分不利。100W以内的电源以

来进行计算; 100~300W的电源以公式

21.高频变压器的剩磁是怎样产生的? 怎样消除剩磁?
高频变压器在进行功率转换传输时
,
是电磁和磁电转换的两个过程
,
在转换过程中
,
磁能不能一次性地从初级线圈传到次级线圈
,
往往次级线圈还会反激到初级线圈里去
,
在磁心里经过几个周期的循环
,
会留驻有磁能
,
这就是剩磁
。
剩磁严重的影响电能转换
、
传递
,
还会出现磁饱和
。
剩磁的出现
,
也是源极漏电流产生的发源地
,
漏电流会使
MOSFET
管的开关性能失效
,
甚至烧毁
MOSFET
管
。
1)
增加磁心气隙
,
合适的气隙会降低剩余磁力
,
提高磁场强度
,
增强磁电变换能力
。
2)
在变压器的一次侧串接一小电容
,
使不平衡的伏秒值与剩磁强度成比例地消除磁力线
,
达到磁电平衡转换
。
3) 是在电磁波谷点上进行切换
,
使触发脉冲
,
拐过磁峰
,
达到正常运行
。
但是找到电磁波谷点必须依靠高频电磁仪找到
“
谷点
”,
再调整一次线圈电感
,
非常复杂
,
采用方法
2
为好
。
22.什么是电源电压调整率? 什么是电源负载调整率?怎样进行计算?
电源电压调整率, 就是衡量输出电压的稳定度, 一台好的电压调整率不以输入电压的波动而影响输出电压的稳定。

式中: V01输入最低电压时的输出电压。V02输入最高电压时的输出电压。Vsta输入标准电压时的输出电压。
电源负载调整率是电源外接负载发生变化时, 而输出电压的稳定度。一台好的负载调整率电源, 不以外部负载发生变化而影响输出电压。

式中
:
V
01
为输入电流
I
0
的
10%
时的输出
电压
。
V
02
为输出电流的
100%
时的输出电压
。
V
sta
输出标准电压时的输出电压
。
23.节流阻尼式变换器(RCC)怎样选择占空比?
RCC 式 (Ringing Choke Converter) 变换器, 是开关电源中最简单, 最方便调试的一种功率变换方式, 它是开关电源的鼻祖, 要改变占空比D不用计算, 只是改三极管中IC与 Vce两个参数, 它是这两个参数的交点, D一般不大于 0.5, 三极管应选用耐压较高的硬三极管, 如图8所示。
24.输出纹波电压如何产生的? 如何消除?
纹波电压二次整流二极管在它的导通和截止期间产生的
。
二次整流滤波是将高频变压器的电能变换为平直的脉动较低的直流
,
由于整流二极管工作在非线性区间和滤波电容的储能作用
,
使二极管的导通角变小
,
基波分量含有丰富的高次谐波称为纹波
。
纹波电压的高低与整流二极管反向恢复时间
,
滤波电容容量的大小
,
以及电容的等效串联电感有关
,
消除纹波最好的办法是选用反向恢复时间最短的整流二极管和等效串联较大的电解电容
,
还要在整流二极的上面并一阻容串联网络
,
对高频旁路
,
降低纹波十分有利
。
但阻值和容量不宜过大
。
25.LLC转换变换是什么意思? 有什么优点?

LLC
变换就是半桥谐振变频变换
。
它的特点
, LLC
拓扑电路能够输出较大的功率
,
它处于零电压开关
( ZVS) ,
具有高效低耗之优点
。
高工作频率
,
低噪声
,
低
EMI,
是每部
LLC
电源所必具有的
,
这种电源是近代最为先进的一种电源
。
26.设计开关电源输出功率时要考虑哪些因素?
开关电源输出功率的大小与一次绕组流经的峰值电流和一次绕组的电感有关。而电源的工作转换频率与变压器的一次绕组的感应电压和开关管的导通时间,即占空比有关。另外还与铁氧体磁心的大小、开关管的特性参数有关。一个大功率输出的电源必须选用高级的多功能控制芯片,还要有完美的电路板设计,保证有各种保护功能,才能实现电源的实用性。
27.开关电源通电后没有电压输出的原因是什么?
这要分两种情况:一种是输入没有电流;另一种是输入有电流,没有电压输出。对于前一种情况,首先要检查输入回路的电源电压是否正常,电源插头和熔丝是否完好,输入线路有没有断路。对于后一种情况,用电压表测量一次整流电路的输出电压,正常值是400V。如果只有310V,说明PFC没有工作,应检查IC的工作电压,是否因欠电压锁存器关闭,PFC的升压二极管是否完好,滤波电感是否完好,变压器的一次和二次电压是否存在,光电耦合器的输出电流是否过大等。
28.电源在开机时IC发热,甚至发生爆炸的原因是什么?
4)变压器一次感应电压太高,致使二次绕组的峰值电压过高;
5)光电耦合器的信号电压过高,使脉宽调制的宽度太大,致使开关管漏极高压。
29.电源开机正常,但5min后整机发热效率低的原因是什么?
1)PFC的升压二极管及二次整流输出二极管的反向恢复时间太长;
2)高频变压器一次绕组的电感量太小,工作频率过低,峰值电流远远不够;
3)变压器的制作工艺欠佳,应用三明治绕制方法,加强磁电的传递效率;
30.电源的工作频率低,输出电压不稳的原因是什么?
发生此现象的原因可能是尖峰电流脉冲宽度已超过前沿闭锁时间,变压器的一次或二次的RC阻尼时间延长,使开关信号的幅度与频率降低。由于输出电压的频率降低,使脉冲宽度控制不能使占空比达到设计要求,促使输出电压时高时低。另外,高频变压器一次侧的分体电容太大,而产生的阻尼大。变压器各绕组太松弛,信号传输速度缓慢,容易产生寄生反馈,整流二极管的质量差,反向恢复时间长,都是输出电压不稳的原因。
31.伴随着输入电压升高或负载减轻,输出电压也随之升高的原因是什么?
说明该电源的负载能力差,根本应付不了85~265V的输入电压。必须对这种电源的控制电路、反馈电路和稳压输出电路进行检查,尤其是对控制电路的IC应重点检查。如果单从增强电源的负载能力来考虑,只要在光电耦合器中的发光二极管两端并联一个1kΩ、1/4kW的金属膜电阻即可。另外,输出滤波电路相移过大,应减小滤波电容的容量。控制环路的响应时间太长,调整的速度慢也是影响输出电压不稳的一个原因。
32.PFC不起作用,总谐波失真超过10%,PFC电路输出电压达不到380V的原因是什么?
总谐波失真超过10%,PFC未进入工作状态,是因为升压电感或升压二极管未工作,应加大对电路的补偿范围,即加大升压变压器的电感量,当交流脉动电压达到峰值时,PFC控制芯片进入连续工作模式,还应加大自动补偿电容和电阻。总之,PFC电路的各个元器件都应进行适量的调整。
文章选自《新型开关电源典型电路设计与应用 第3版》

提升电源开发能力的书单:

3、新书推荐丨中国工程院院士刘吉臻团队的最新著作出版—— 《飞轮储能与火电机组联合调频控制》
4、好书推荐丨国家自然科学基金重点项目《网联车辆系统:通信、控制及优化》(57页PPT资源可领取)
6、新书推荐丨什么是地理计算?为什么使用R语言进行地理计算?《地理计算与R语言》地理空间数据科学真的建议从本书开始,什么时候都不晚!
7、万物皆数:四个真实的现象来认识微分方程!——读懂《易学易懂电气数学入门》电气数学入门真的很简单
8、时隔十九年再修订《电力市场运行基本规则》,电力市场将迎来重大变革
9、中长时储能开始迈入“最好的时代”,入选国家出版基金项目的《中长时储能技术》——展望未来二十年新型电力系统发展核心需求的好书!
10、干货 | 锂离子电池的设计原则与步骤——国轩高科官方组编《电动汽车动力电池:从材料到系统设计》,直面新旧能源交替的机遇和挑战
11、【新书推荐】别把产业数字化与数字产业化当成一个名词!原来区别这么大!
文章作者 | 陶喆
图文排版 | 吴美祎
责任编辑 | 翟天睿
审核人 | 付承桂
版权声明:本文内容由互联网用户自发贡献,该文观点仅代表作者本人。本站仅提供信息存储空间服务,不拥有所有权,不承担相关法律责任。如发现本站有涉嫌侵权/违法违规的内容,请联系我们,一经查实,本站将立刻删除。
如需转载请保留出处:https://51itzy.com/kjqy/163673.html