上期文章给自己挖的坑,提了一个自己当时也没整明白的问题,本没打算有后文的。结果有个小伙伴给打赏了支持,并表示想看后续,万恶的金钱啊,于是乎便有了此文。
先复盘下上期末尾的问题:
X1档像X10档那样并联一个电容进行补偿来做更高的带宽到底行不行?
上期举例,在R1=200Ω,R2=1MΩ,C2=100pf时
根据公式R1*C=R2*C2
计算的C=500nF
这样并联一个500nF电容可以做更高的带宽吗?

这个答案自然是不能的,不然厂家也不会那么傻,几乎不增加成本的情况下,能做更高带宽的话为什么不呢?
那么技术上为什么不可行呢?
思考了下,这个问题肯定出在这个500nF电容上面,想想这个电容容值这么大,500nF,而后级的电容才100pf左右,这是差了5000倍啊,完全不是一个量级,头重脚轻的,直觉都觉得有问题。
当然,分析问题总不能靠直觉吧。
要把带宽做高,自然是这个补偿等效电路模型在高频的情况下也能有效。于是想到了电容高频特性,高频模型如下:


这个想必大家应该都见过,实际电容器会存在ESR(R1),由于介质都不是绝对绝缘的,因此会有电阻R2,还有寄生电感,或者是电容的引线电感L1。
频率-阻抗特性如下:

上图是某100nF贴片陶瓷电容的特性,“V”字底部对应为谐振频率,谐振频率大概是20Mhz左右。
根据谐振公式

同种类型,同种封装500nF贴片陶瓷电容寄生电感应该跟100nF差不多,因此推算500nF对应谐振频率大概是8.9Mhz。
这个谐振频率8.9Mhz意义着什么呢?
信号频率为8.9Mhz时,这个电容等效为一个纯电阻;信号小于8.9Mhz时,电容主要呈容性,而在信号大于8.9Mhz时,这个电容主要呈感性。
那么问题到现在应该清楚了,如果我们用这种方式去补偿,在高频阶段,电容都主要呈电感性了,那个电容补偿的电路模型都不对了,还咋补偿啊。
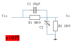
现在看X10档为什么可以,X10档对应的那个电容为20pF,按照上述方式推算谐振频率为1.4Ghz,而示波器带宽到200-300Mhz,在这个频率,电容主要还是容性的。
以上就是问题的分析过程,这里对应电容值的谐振频率来源于网上查到的资料,没有找到官方的资料,仅做参考吧。
更多硬件知识,欢迎扫描下方二维码,关注微信号


版权声明:本文内容由互联网用户自发贡献,该文观点仅代表作者本人。本站仅提供信息存储空间服务,不拥有所有权,不承担相关法律责任。如发现本站有涉嫌侵权/违法违规的内容,请联系我们,一经查实,本站将立刻删除。
如需转载请保留出处:https://51itzy.com/kjqy/14945.html