电力104协议开发(电力101协议和104协议区别)摘要 根据数据中心负荷逐级投切装置的控制要求 对目前应用比较多的专用负荷逐级投切装置 带有负荷逐级投切功能的 10kV 双电源转换开关控制器 采用分立元器件自行搭建和编程的 PLC 控制器 基于 IEC61850 光纤环网 GOOSE 传输技术的数字通信自动控制几种负荷逐级投切解决方案进行比较分析 并提出选择建议 关键词 数据中心 负荷逐级投切 供电可靠性启动电流 双电源切换 控制器 传输技术 解决方案
大家好,我是讯享网,很高兴认识大家。
摘要:
根据数据中心负荷逐级投切装置的控制要求,对目前应用比较多的专用负荷逐级投切装置、带有负荷逐级投切功能的10kV双电源转换开关控制器、采用分立元器件自行搭建和编程的PLC控制器、基于IEC61850光纤环网GOOSE传输技术的数字通信自动控制几种负荷逐级投切解决方案进行比较分析,并提出选择建议。
关键词:数据中心;负荷逐级投切;供电可靠性启动电流;双电源切换;控制器;传输技术;解决方案
数据中心作为连续运行的重要场合,对供电可靠性提出更高要求。目前大中型数据中心常采用市电主用、柴油发电机组备用的供电方式,在市电停电或运维人员定期测试时,柴油发电机组与市电的切换过程中设备瞬时电流过大,若全部负载一起启动,市电的上级进线开关、备用电源的出线开关可能会因为突然启动大容量负载导致的冲击而跳闸,或者备用电源(发电机组)因为突加载而停机,因此需要逐步地将负荷投入到系统供电[1]。采用人工手动恢复或手动切换时,会每隔一定时间恢复一个馈线回路的供电,这样对于市电或备用电源的冲击较小,很容易实现市电恢复或备用电源的切换。但人工操作对于人员的要求较高,维护人员的熟练程度会影响市电恢复或备用电源切换的成功率,为了降低此种人为故障,可以通过智能化设备来实现此负荷逐级投切的功能
[2
]
。
1 负荷逐级投切装置控制要求
根据GB 50174-2017《数据中心设计规范》要求,A级数据中心应有两路双重电源供电和一路备用电源[3]。日前数据中心常采用的供电方案为两路10KV市电和一路10KV柴油发电机组,市电正常情况下,所有负载均由市电供电,市电进线柜断路器闭合,柴油发电机组进线柜断路器断开[4],柴油发电机组并机系统进线柜和出线柜断路器断开。中压自动逐级投切装置控制单元应能采集所有10KV进出线柜及联络柜的断路器分合状态、手车位置、控制方式及保护信号,并接受市电柴油发电机转换ATS系统的信号,在电源切换过程中对对应的进出线柜进行分合。同时监视对应母线段电压频率,电压频率正常时再进行加载,不符合条件时发出告警。同时能发出投切控制命令,控制各个出线回路断路器的分合,实现数据中心部分的逐级投切操作[5],其负荷逐级投切装置在不同的场景下动作逻辑如下。
1.1 单路市电断电及恢复的情形
两路市电分为A路和B路,以A路市电停电为例。A路市电停电,延时确认后断开市电A系统进线开关与馈线开关,同时闭合两路市电母联开关;延时一定时间后(时间可调)闭合市电A系统第1路馈线开关,重复此动作,直至闭合市电A系统全部馈线开关;A路市电恢复供电,延时等待一定时间并经过确认来电后断开母联开关、市电A系统情线开关,同时闭合市电A进线开关·延时一定时间后(时间可调)闭合市电A系统第1路馈线开关,重复此动作,直至团合市电A系统全部馈线开关。
1.2 双路市电断电及恢复的情形
两路市电A路和B路都停电,延时确认后断开市电A、B系统进线开关、馈线开关及母联开关,市电柴油发电机组切换系统发信号给控制系统,启动柴油发电机组,柴油发电机组并机输出送电至市电A、B系统,切换至柴油发电机组供电;延时一定时间后(时间可调)闭合市电A、B系统第1路馈线开关,重复此动作,直至闭合市电A、B系统全部馈线开关;A路市电恢复供电,延时等待一定时间并经过确认来电后,分别逐步断开市电A、B系统各馈线开关,切换至市电供电,同时闭合两路市电母联开关;延时后闭合市电A系统进线开关,闭合市电A、B系统第1路馈线开关,重复此动作,直至闭合市电A、B系统全部馈线开关;B路市电恢复供电,延时等待定时间并经过确认来电后,分别逐步断开市电B系统各馈线开关,断开母联开关;延时后闭合市电B系统进线开关,闭合市电B系统第1路馈线开关,重复此动作,直至闭合市电B系统全部馈线开关。
中压负荷逐级投切系统应具备上述单路或双路市电断电及恢复的操作逻辑,在单路市电断电后,系统根据市电检测信号按控制逻辑分别控制市电进线开关、母联开关及各馈线开关,按既定逻辑分步将本系统负荷加载至另外一系统,避免市电进线开关因冲击电流而误动作。在双路市电断电后,系统根据市电的检测信号,断开两路市电进线开关、母联开关及各馈线开关,系统检测到备用柴油发电机信号后,按既定逻辑逐步将负荷加载至各系统,避免备用柴油发电机组因瞬时突加载而停机。在少数高压母联不允许自动投切的情况下,可采用低压母联自动投切等方案实现负荷逐级投切控制要求[6]。
1.3 自动逐级投切装置合闸负载断路器的原则
根据设定的逐级合闸顺序和延时时间(延时时间可调),按顺序逐级自动合闸并机柴油发电机组容量能够满足出线柜的负载断路器,合负载的同时,自动逐级投切装置应校验本负载母线电压情况[7]。
具体投切顺序应根据需求进行灵活设定。可以先合闸冲击电流较大的负载断路器,如高压冷机,延时躲过冷机启动冲击电流后再逐级合闸其他负载对应的出线柜断路器。对于互为备份的负载,如变压器,可以先合闸主用变压器对应的出线柜断路器,再合闸备用变压器对应的出线柜断路器[8]。
2 负荷逐级投切解决方案介绍
为满足上述负荷逐级投切的控制逻辑和动作原则,目前应用比较多的解决方案有:专用负荷逐级投切装置、10KV双电源转换开关控制器(带有负荷顺序投切功能)、PLC控制器(采用分立元器件自行搭建和编程)、数字通信自动控制(基于IEC 61850光纤环网GOOSE传输技术)[9]。下面针对以上几种解决方案进行介绍和比较分析,对于负荷逐级投切实现方案提出建议。
2.1 专用负荷逐级投切装置
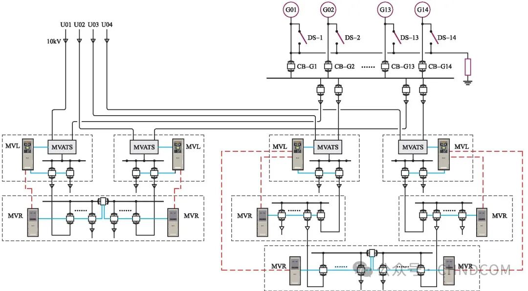
专用负荷逐级投切装置通常在每段10KV母线之外单独设置一台控制柜,通过逻辑功能+硬接线+断路器动作实现切换功能。如图1所示,通过硬接线直接采集CT/PT交流量信号、开关等干接点信号,对所有进线开关、母联及馈线开关进行动态、实时的切换和负载投切,进而达到在电源切换时减少启动电流冲击的目的。
此方案直接采集高压柜数字量信号、交流量信号,直接输出控制高压柜,无需通过综保系统,故障点少,抗干扰性较强;是独立于高压系统外的一套设备,不受高压柜的限制;系统接线一一对应,信号指向清晰。但此方案1套10kV系统至少需要2套设备,多套10kV系统则需要多套设备,可扩展性不高;采用硬接线,现场测试及维护困难,监视的信号有限,一般没有可视化功能,现场不能提供模拟测试。
注:U——市电;G——柴油发电机组;DS——接地开关;CB——断路器;MVL——负荷逐级投切装置;MVATS——中压自动转换装置;MVR——逐级投切远程单元。
2.2 10kV双电源转换开关控制器(带有负荷逐级投切功能)
此方案将负荷逐级投切功能集成在10KV ATS(双电源转换开关)控制柜中,如图2所示。ATS主要功能是实现市电和柴油发电机组的双电源切换,兼用其控制器可编程功能,通过硬接线采集所需的逻辑信号传送至控制器,实现10kV单段母线电源切换和负载投切。
图2 某项目10kV双电源转换开关控制器方案
利用ATS实现逐级投切功能,无需另外增加设备,可节省投资。但此方案控制逻辑较为复杂,现场接线也较为复杂,信号需要在现场完成,不利于工程交付和工程质量控制;ATS控制逻辑相对固化,不易修改,后期若有改动需重新接线;运维和故障排查较为困难,投切的信息不能全部监视,需要定期巡检;不能做到冗余配置;ATS方案需考虑不同品牌柜间的并柜和拼接问题。
2.3 PLC控制器(采用分立元器件自行搭建和编程)
此方案采用硬接线直接接至各馈线开关、进线及母联开关,对于各种信号通过变送器转换为4-20mA信号接至PLC控制器,实现逐级投切功能[10]。其利用PLC控制系统逻辑编程能力强,可扩展性强,一套系统可用于多套10kV系统,可提供模拟测试。但此方案每个项目控制单元PLC不同,系统控制对象不同,设计工作量大,无法形成标准化;模拟量采集一般需要通过变送器转换为4-20mA信号接入PLC,变量中间转换,易断线丢失,受到强电干扰,且对于PT或CT互感器断线无法准确判断,存在关键信号采集不准确的风险,开关量低门槛值启动也会增加风险点;信号采集接线需要在现场完成,接线复杂,施工难以标准化,不利于工程交付和工程质量控制。
2.4 数字通信自动控制(基于IEC 61850光纤环网GOOSE传输技术)
此方案采用IEC 61850通信协议替代上面几个方案的硬接线接入10kV系统综保系统中,利用原有综保采集所需的信号和发出控制指导指令,实现负荷逐级投切功能。其现场接线较少,可形成标准化配置;用通信方式代替现场硬接线传输自投所需信号,能够可视全站信息;全站或多站仅仅使用一套系统,扩展性好;能提供模拟测试,模拟数据中心自投投切全过 程。但此方案要求10kV系统使用光纤通信方式,适配性低;通过10kV系统综保系统控制相应高压柜,中间采集设备偏多,故障点多;通信过程中信号可能会存在滞后性,通信过程涉及设备众多的情况下可能会出现信息丢失现象[11]。
2.5 各负荷逐级投切解决方案对比分析
以上4种负荷逐级投切解决方案在实际工程中都得到了应用,从使用效果来看都可以满足负荷逐级投入和切断的控制要求。不同的解决方案有其不同特点,如表1所示。但在实际工程应用中,需要结合每个项目的特点,灵活选择适合的解决方案[12]。比如在某省级数据中心改造项目中,前期负荷较小,双电源切换过程中冲击电流小,可正常切换;后期负荷增大,市电停电柴油发电机组启动时出现停机的情况,不能正常切换,其现有的10kV双电源转换开关控制柜可增加负荷逐级投切逻辑控制功能,这种改造对于现场的改造最小,时间最少。对于高低压变配电室空间比较紧张的项目,专用负荷逐级投切装置或数字通信自动控制方案可集成双电源切换功能,省去10kV双电源转换中压柜,且其控制柜体尺寸较小,可与中压柜分开靠墙布置,达到节约空间的目的[13]。

3 结语
如何在双电源切换过程中避开负荷的启动冲击是数据中心所必须面对的问题[14],目前针对不同的供电结构和负荷性质有多种解决方案,但每种负荷逐级投切解决方案有其适用性和局限性,本文根据负荷逐级投切的控制要求介绍了目前应用较多的几种解决方案,并进行比较分析,可供同行参考。
参考文献:
[1] 李益惠,叶丽娟. 数据中心柴油发电机电源切换 逻辑探讨[J]. 现代建筑电气,2021(1):13 - 17.
[2] 何孝发. 柴油发电机在数据中心电气设计中的若 干问题[J]. 智能建筑,2017(6):69 - 71.
[3] 中国电子工程设计院. GB 50174 - 2017 数据中 心设计规范[S]. 北京:中国计划出版社,2017.
[4] 张瑞杰. 数据中心备用电源系统特点及自动控 制[J]. 通信电源技术,2021,38(24):169 - 171.
[5] 沈政,金震. 大型数据中心备自投装置的设 计[J]. 浙江电力,2022,41(11):39 - 45.
[6] 刘艺伟. A级数据中心10 kV自动切换模式探 讨[J]. 机电信息,2023(13):23 - 26.
[7] 李国会,张晶,何乐婷,等. A级数据中心10 kV 发电机设计探析[J]. 建筑电气,2022,41(9):51 - 56.
[8] 王海东,苗晓春. 数据中心10kV供电系统双电 源切换逐级投切的应用研究[J]. 电信工程技术与标准化, 2019(7):12 - 14.

[9] 刘赞. 中压配电自动投切控制系统的设计与实 现[D]. 北京:机械科学研究总院,2018.
[10] 沈建华,滕科嘉. PLC在双电源自动投切装置 中的应用[J]. 电力系统装备,2020(3):74 - 75.
[11] 李军学,霍海锋,朱帅华.基于IEC 61850 的数据中心智能控制系统 的设计与实践[J]. 机电工程技术,2023, 52(12):111 - 114,136.
[12] 柳小明,俞柯丞,陈嵩. 数 据中心10 kV供电系统的逐级投切应用研 究[J]. 电信工程技术与标准化,2023, 36(z1):185 - 190.
[13] 李蕾. 数据中心供电双电源 自动投切系统设计[J]. 自动化应用, 2022(2):121 - 124.
[14] 穆婷婷. 数据中心油机、市 电逐级投切管理方案简析[J]. 建筑电气, 2019,38(9):50 - 53.
-END-
未经授权,禁止转载。公众号:数据中心基础设施运营管理
☞ 免费领取数据中心基础设施运维资料
☞【视频分享】数据中心基础设施运维工程师培训
☞ 数据中心基础设施工程前介验收检查表-Excel表格
☞《数据中心基础设施运维工程师培训教材》
☞ 运维培训:启迪智慧巅峰,点亮技术辉煌
☞ 《数据中心基础设施规划设计视频教程》
☞ 数据中心基础设施运维工程师培训汇总
☞ 数据中心基础设施运维3P文件整理汇总()
【版权声明】
凡本公众平台注明来源或转自的文章,版权归原作者及原出处所有,仅供大家学习参考之用,若来源标注错误或侵犯到您的权利,烦请告知,我们将立即删除。
【免责声明】
本公众平台对转载、分享的内容、陈述、观点判断保持中立,不对所包含内容的准确性、可靠性或完善性提供任何明示或暗示的保证,仅供读者参考。
版权声明:本文内容由互联网用户自发贡献,该文观点仅代表作者本人。本站仅提供信息存储空间服务,不拥有所有权,不承担相关法律责任。如发现本站有涉嫌侵权/违法违规的内容,请联系我们,一经查实,本站将立刻删除。
如需转载请保留出处:https://51itzy.com/kjqy/146873.html