前言
本文主要参考来源为周志敏、周纪海、纪爱华主编的《IGBT和IPM及其应用电路》,其中穿插了一些个人理解及总结,仅供参考学习使用,谢绝转载。
概述
IGBT(绝缘栅双极型晶体管)是由BJT(双极型晶体管)和MOSFET(绝缘栅场效应管)组成的全控型电压驱动式电力电子器件,既具有MOSFET的输入阻抗高、控制功率小、驱动电路简单、开关速度高的优点,又具有双极晶体管的电流密度大、饱和压降小、电流处理能力强的优点。
基本原理
当栅极电压Uge大于开启电压Uge(th)时,功率MOSFET内形成沟道,为晶体管提供基极电流,IGBT与通。IGBT可等效为N沟道MOSFET驱动PNP管的达林顿结构,结型场效应管JFET承受大部分电压,并让功率MOSFET承受较低的电压,因此IGBT具有较低的导通电阻Rds(on)
N沟道IGBT简化电路结构如附件:

讯享网
IGBT正向导通可分为两部分:
1)主动区域:当栅-发射极电压Uge只是略大于开启电压Uge(th)时,集电极电流Ic跟随Uge而变化,IGBT在这一区域的稳态运行是不被允许的;
2)饱和区域:在开关过程中,一旦Ic仅由外部电路来决定,便处于所谓的饱和区域,也称作导通状态;导通特性的主要参数是IGBT的残余电压Uce(sat).
关断:在栅极施加一个负偏压或栅极电压小于门限值,沟道被禁止,流过反向基极电流,使IGBT关断。
IGBT是一种功率晶体管,由于在MOSFET的漏极侧形成了P层,因此以双极模式工作。IGBT使用一种称为电导率调制的现象,当从该P区注入空穴时,导通时高电阻N漂移层的电阻率会降低。由于电导率调制,可降低导通电压,但是IGBT关断时需从N漂移层中去除少数载流子。
当IGBT开始关断时,少数载流子被清出到外部电路。当IGBT的集电极-发射极电压(Vce)上升至一定水平时(即在耗尽区扩大后),少数载流子会产生内部复合电流。此电流称为拖尾电流(tail current)。由于拖尾电流是施加了高Vce电压的集电极电流,因此它是造成开关损耗的重要因素之一。

为减少拖尾电流从而减少开关损耗,原则上IGBT可以通过:
1)减少 少数载流子的寿命;
2)从集电极注入空穴量。
但这两种技术都会导致导通电压升高。因此,IGBT的设计应根据其预期应用在这些特性之间实现**平衡。
静态特性
包括伏安特性、转移特性、开关特性三个方面。
1)转移特性:指输出集电极电流Ic与栅极和发射极之间电压Uge的关系曲线。
当栅-发射极电压小于Uge(th)时,IGBT处于关断状态。在IGBT导通后的大部分集电极电流范围内,Ic与Uge成线性关系。栅-发射极之间的**值一般取15V左右,在+25°C时,Uge(th)的值—般为2-6V。
2)输出特性(伏安特性):指以栅-发射极电压Uge为参变量时,集电极电流与栅极电压之间的关系曲线。集电极输出电流Ic受电压Uge的控制,Uge越高,Ic越大。
该特性可分为3个区域,正向阻断区、主动区(放大区)、导通区(饱和区), 当Uge<0时,IGBT处于反向阻断工作状态。
通过控制极的作用,IGBT可以由正向截止状态(OP1)转换至导通状态(OP2),在导通状态下,器件可以通过负载电流,两状态之间的主动区域在开关过程中被经过。


3)开关特性:指集电极电流Ic与发射极电压之间的关系。
动态特性
IGBT的开通过程与功率MOSFET类似,因为在开通过程中IGBT在大部分时间作为功率MOSFET运行,由于IGBT中双极型PNP晶体管的存在,虽然带来了电导调制效应的好处,但也引入了少子储存现象,故IGBT的开关速度低于功率MOSFET。
导通时间与驱动电路的输出阻抗Rg及施加的栅极电压有关。
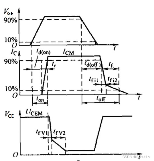
1)IGBT开通过程的时间参数有:
1.开通延迟时间td(on),指从Vge上升至其幅值10%的时刻起,到Ic上升至10% Icm
的时间;
2. 电流上升时间tr,指Ic从10%lcm上升至90% Icm所需时间:T
3.开通时间ton,为开通延迟时间与电流上升时间之和,即ton=td(on)+tr, Vce的下降过程分为tfv1和tfv2两段。 tfv1是IGBT中功率MOSFET单独工作的电压下降过程;tfv2是功率MOSFET和PNP晶体管同时工作的电压下降过程。

IGBT在开通过程中大部分时间是作为功率MOSFET来运行的,只是在漏源电压Vds下降过程后期,PNP晶体管由放大区至饱和区,又增加了一段延迟时间。 IGBT的开启电压约为3~4V,与MOSFET的开启电压相当.

2)IGBT关断过程的时间参数有
关断延迟时间td(off),指从Uge自其幅值90%起至Ic下降至90% Icm所需的时间;
电流下降时间tf,指Ic从90% lcm下降至10%lcm所需时间;
关断时间toff, 为关断延迟时间与电流下降时间之和,即toff=td(off)+tf,电流下降时间可分为tfi1和tfi2两段。tfi1是IGBT中功率MOSFET的关断过程,Ic下降较快;tfi2是内部PNP晶体管的下降过程,Ic下降较慢。

IGBT在关断过程中,集电极电流的波形分为两段,因为功率MOSFET关断后,PNP晶体管内部的存储电荷难以迅速消除,造成集电极电流较长的尾部时间(拖尾电流)。
关断延时时间:栅-发射极注入负压时,VCE开始慢慢上升。但只要VCE小于工作电压VCC,则续流二极管处于截止状态且不能接续电流,所以IGBT的集电极电流Ic在此期间并没有明显的下降。因此,从栅发射极电压VCE降落到其开通值的90%开始,直到集电极电流下降至负载电流的90%为止这一段时间被定义为关断延迟时间td(off)。
下降时间:一旦上升的IGBT的集-发射极电压超过工作电压VCC时,续流二极管便处于正向偏置的状态下,负载电流便可以换流至续流二极管,集电极电流也因此迅速下降。在Ic下降的同时,VCE会产生一个大大超过工作电压Vcc的峰值,这主要是由负载电感引起的,其幅度与IGBT的关断速度呈线性关系, 峰值电压过高可能会造成IGBT的损坏。
关断过程中的拖尾电流严重的影响了关断损耗,因为在这段时间里,VCE已经上升至工作电压VCC以上。拖尾电流的产生也告诉我们,即使在栅极给出了关断信号,IGBT也不能及时的完全关断,这是值得注意的,在设计驱动时要保证两个桥臂的驱动波形有足够的死区。
栅极特性
IGBT的栅极通过一层氧化膜与发射极实现电隔离,由于此氧化膜很薄,其击穿电压一般只能达到20-30V,故栅极击穿是IGBT常见的失效原因之一。在应用中有时虽然保证了栅极驱动电压没有超过栅极最大额定电压,但栅极连线的寄生电感和栅-集电极间的电容耦合也会产生使氧化层损坏的振荡电压。为此,通常采用绞线来传送驱动信号以减小寄生电感,在栅极连线中串联小电阻也可以抑制振荡电压。

在t0时刻,栅极驱动电压开始上升,此时影响栅极电压Uge上升斜率的主要因素只有Rg和Cge,栅极电压上升较快。在t1时刻,达到IGBT的栅极门槛值,集电极电流开始上升,从此时开始有两个原因导致Uge波形偏离原有的轨迹.
第一是发射极电路中的分布电感Le上的感应电压随着集电极电流Ic的增加而加大,从而削弱了栅极驱动电压,并且降低了栅-发射极间电压Uge的上升率,减缓了集电极电流Ic的增长.
第二个影响因素是栅-集电极电容Cgc的米勒效应。在t2时刻,集电极电流达到最大值,进而栅-集电极间电容Cgc开始放电,在驱动电路中增加了Cgc的容性电流,使得驱动电路内阻抗上的压降增加,也削弱了栅极驱动电压。栅极驱动电路的阻抗越低,这种效应越弱,此效应直维持到t3时刻Uce降到零为止。它的影响同样减缓了IGBT的开通过程,在t3时刻后,Ic达到稳态值,影响栅极电压Uge的因素消失后,Uge以较快的上升率达到最大值。
关断过程的补充说明
IGBT关断时的波形如下图所示。t0时刻栅极驱动电压开始下降,在t1时刻达到刚能维持集电极正常工作电流的水平,IGBT进入线性工作区,Uce开始上升。此时,栅-集电极间电容Cgc的米勒效应支配着 Uce的上升,由于Cgc的耦合充电作用,Uge在t1~t2期间基本不变。在t2时刻,Uge和lc开始以栅-发射极间固有阻抗所决定的速度下降;在t3时刻,Uge和lc都降为零,关断过程结束。
由图可看出,由于电容Cgc的存在,IGBT的关断过程延长了许多。为了减小此影响,一方面应选择Cgc较小的IGBT器件;另一方面应减小驱动电路的内阻抗,使流入Cgc的充电电流增加,加快Uce的上升速度。

实际应用中,IGBT的Uge幅值也影响着饱和导通压降,Uge增加时,饱和导通电压将减小。由于饱和导通电压是IGBT发热的主要原因之一,因此必须尽量减小。通常Uge为15~18V,若过高,容易造成栅极击穿, 一般取15V。 IGBT关断时给其栅-发射极加一定的负偏压有利于提高IGBT的抗骚扰能力,通常取-5–10V。
栅极串联电阻和驱动电路内阻抗对IGBT开通过程的影响较大,而对关断过程影响小一些(主要取决于内部少子的复合速率),串联电阻小有利于加快关断速度,减小关断损耗;但过小会造成di/dt过大,产生较大的集电极电压尖峰。栅极电阻对驱动脉冲的波形也有影响,电阻过小时会造成脉冲振荡,过大时脉冲波形的前后沿会发生延迟和变缓。IGBT栅极输入电容Cge随着其额定电流容量大增加而增大,为保持相同的驱动脉冲前后沿速率,对于电流容量大的IGBT,应提供较大的前后沿充电电流,即栅极串联电阻应随IGBT电流容量的增加而减小。
IGBT漏极电流有一个临界值Idm,当Id>Idm时,便会产生锁定效应。在IGBT关断过程中,假如dUds/dt过高,也会造成动态锁定效应,可通过限制Idm值或加大栅极电阻Rg的方法来延长IGBT关断时间,以减小dUds/dt值。
驱动电路的补充说明
正向栅极电压的值应使IGBT完全饱和,并使通态损耗降至最小,栅极电压为0时,IGBT处于断态,但为了保证IGBT在集-发射极电压上出现dU/dt噪声时仍保持关断,必须在栅极施加一个反向关断偏压,采用反向偏压还减少了关断损耗。理想驱动电路应具有:
1.驱动电路可提供一定幅值的正反向栅极电压Uge。在允许范围内,理论上Uge越大越有利于降低器件的通态损耗,但也会使IGBT承受短路电流的时间变短,并使续流二极管反向恢复过电压增大,故正偏压应选取适当。关断时,需提供-5~-15的反向Uge,以便尽快抽取器件内部的存储电荷,缩短关断时间,减少关断损耗,提高IGBT的耐压和抗干扰能力。
2.驱动电路具有隔离的输入、输出信号功能,同时要求在驱动电路内部信号传输无延时或延时很短。
3.栅极串联合适的电阻Rg,用以控制Uge的前后沿陡度,进而控制IGBT的开关损耗。 Rg增大,Uge前后沿变缓, IGBT开关过程变长,开关损耗增加;Rg减小,IGBT开关损耗降低,但较小的Rg会导致开通时的di/dt变大, 会导致较高的dU/dt,增加了续流二极管恢复时的浪涌电压,Rg一般选择几欧到几十欧(10、15、27等),同时栅-发射极应并联一个10k的电阻Rge。
4.驱动电路应有过压保护和dU/dt保护能力。
P.S.: 首次撰写,可能存在格式的问题…
版权声明:本文内容由互联网用户自发贡献,该文观点仅代表作者本人。本站仅提供信息存储空间服务,不拥有所有权,不承担相关法律责任。如发现本站有涉嫌侵权/违法违规的内容,请联系我们,一经查实,本站将立刻删除。
如需转载请保留出处:https://51itzy.com/kjqy/126617.html