IEEE 802.11ax,Wi-Fi联盟基于该标准的行业认证标准称之为Wi-Fi 6,在全球普及推广。又称为高效率无线局域网(High Efficiency WLAN,缩写HEW),是无线局域网标准。 标准由IEEE标准协会的IEEE 802.11工作组制定,2013年5月高效率无线局域网研究组(High Efficiency WLAN Study Group,缩写HEW SG)开始课题研究, 为此Skyworks 推出高效的 SKY85333-11 FEM 在不增加功耗的情况下提高线性功率传输,因此能够在更小尺寸的设计中实施更高性能的 802.11ax 企业级接入点。值得注意的是,SKY85333 的优化是为了解决多用户多输入多输出 (MU-MIMO) 环境中,Wi-Fi 设备所面临的热量难题。

802.11ax 技术(具备 8x8 MU-MIMO)具备更高容量,这为企业带来了许多好处,包括更少的接入点、更高容量和效率、更高速度以及更低的运营成本。据 IHS Markit 估算,截至 2021 年,支持 802.11ax 的全球设备出货量将达到近 2 亿台。

Wi-Fi 6对我们生活的影响。最直接的影响是智能家居(如智能摄像头、智能开关等),为了实现真正的互联网的智能家居生活,有了Wi-Fi 6可以实现更多设备的连接,提供更高速的网络体验。
应用场景图
无线网关,Mesh路由器,视频桥,WI-FI信号增强器,户外AP等。随着物联网的发展,还会有很多潜在的市场应用:IP camera,可穿戴设备,智能家居,无人驾驶,VR 设备等。 以无人驾驶为例,Wi-Fi 6可以帮助车上更多的设备同时实现无线连接,有效保证无人驾驶的安全。还有大型球赛现场、演唱会现场、体育馆等公共网络设施,在这种小型环境下,Wi-Fi 6能发挥出比5G更优质的网络体验,给观众带来更好的视觉观感体验。




产品实物图



产品Demo板

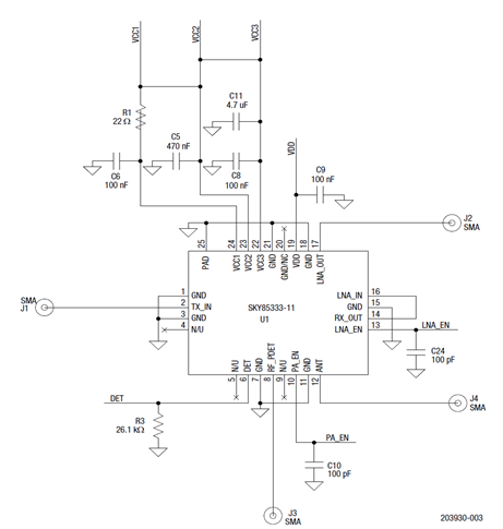
原理图

Layout图

- 室内和室外802.11ax网络系统和支持WLAN的无线视频流系统
- 应用AP,ROUTER,MESH,CPE
方案规格
- 集成的高性能2 GHz PA,具有旁路的LNA和T / R开关
- 完全匹配的输入和输出
- 集成功率检测器和定向耦合器
- 发射增益:33 dB
- 接收增益:16 dB
- 高灵敏度(16 dB)LNA
- 更小型封装(24引脚,3 x 5 mm)
- 发射增益:典型值为33 dB
- 支持802.11ax:输出功率:
+17 dBm,-47 dB DEVM,MCS11
+24 dBm,-35 dB DEVM,MCS9
+25.5 dBm,-30 dB DEVM,MCS7

版权声明:本文内容由互联网用户自发贡献,该文观点仅代表作者本人。本站仅提供信息存储空间服务,不拥有所有权,不承担相关法律责任。如发现本站有涉嫌侵权/违法违规的内容,请联系我们,一经查实,本站将立刻删除。
如需转载请保留出处:https://51itzy.com/kjqy/125514.html