倍压整流电路图(一)
倍压整流,是把较低的交流电压,用耐压较低的整流二极管和电容器,“整”出一个较高的直流电压。在一些需用高电压、小电流的地方,常常使用倍压整流电路。倍压整流电路一般按输出电压是输入电压的多少倍,分为二倍压、三倍压与多倍压整流电路。
下面以电路1为例简单说明工作原理:
当变压器次级输出为上正下负时,电流流向如图所示。变压器向上臂三个电容充电储能。当变压器次级输出为上负下正时,电流流向如图所示。上臂电容通过变压器次级向下臂充电。

如果不带负载,稳态时,除了最左边的那个电容,其他每个电容上的电压为2U,所以总的输出电压为6U。事实上,由于高阶倍压整流电路带载能力很差,输出很小的功率就会导致输出电压的大幅度跌落。假设输出电流为I,每个电容的容量相同,为C,交流电源频率为f,则电压跌落为:

倍压整流电路有多种结构,各有优缺点。常见电路如下:

这三个电路都是6倍压整流电路,各有特点。我们通常称每2倍为一阶,用N表示,上述电路都是3阶,即N=3。如果希望输出电压极性不同,只要将所有的二极管反向就可以了。
电路1的优点是每个电容上的电压不会超过变压器次级峰值电压U的两倍,即2U,所以可以选用耐压较低的电容。缺点是电容是串联放电,纹波大。
电路2的优点是纹波小,缺点是对电容的耐压要求高,随着N的增大,电容的电压应力随之增加。图中最后一个电容的电压达到了6U。
电路3是电路1的改进,优点是纹波比电路1小很多,电容电压应力不超过2U。缺点是电路复杂。
倍压整流电路图(二)
16英寸黑白电视机输出电路,由于显像管电子束电流很小(约几百微安),高压采用倍压整流,如图2中,B2为逆程变压器,B2和BG5~BG7、C4~C6为倍压整流电路。

倍压整流电路图(三)
通用示波器的主机高压电源包括一路正高压两路负高压,电路采用“高频高压”方式,基本电路如图3。

BG1、L1、L2和C1组成高频振荡器、振荡信号在L3、L4上升高压,经C3~C7、BG7~BG11五倍压整流,R1、C10滤波后输出正高压供给加速成阳极。BG6半波整流,C8、C9和R2π型滤波,获得负高压供给阴极。
倍压整流电路图(四)


倍压整流电路图(五)
为了得到倍压整流电路输出电压的数值,首先必须明确电路中的二极管在什么条件下导通和什么条件下截止。为简化分析,设负载开路且电路已经进入稳态,然后对每个电容上的电压逐个分析,最后得到输出电压。
以图1为例,设B点为地,变压器副边电压有效值为U2。



倍压整流电路图(六)
当将几个由二极管和电容器组成的半波倍压整流电路作几级串联连接时,交流电压经二极管D1~Dn在每半个周期内对电容器C1~Cn进行串并联充放电,用低的交流输入电压就可以获得单级半波倍压整流电路时几倍的直流输出电压。

其工作过程是,首先在交流的负半周时交流电源经D1对C1充电,接着在正半周时交流电源与C1上的电压相加经D2对电容器C2充电,充得的电压是电容器C1充电电压的两倍。接下来在负半周时,除了电源经Dl对电容器C1充电之外,交流电源还与C2上的电压叠加经D3对C3、C1充电,C3上的充电电压是C1上的两倍。在正半周时交流电源与C1上的电压叠加,除了经D2对电容器C2充电之外,还与C1、C3上的电压叠加经D4对电容器C4和C2充电,C4上充得的电压是电容器C1上电压的两倍。以此类推,可知输出的直流电压与半波倍压整流电路的级数有关。图中串接有三级半波倍压整流电路,C2、C4、C6上的充电电压均为C1上的充电电压的两倍,三个电容串联之后充电电压为C1上充电电压的6倍。
倍压整流电路图(七)

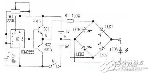
电路工作原理
IC接成自激多谐振荡电路,其振荡频率由C1和W4控制。IC③脚输出的振荡信号控制BG1和BG2轮流导通,这样A点的电位相对于B点而言,就成了高低相间的交流电。当lC③脚输出低电平时,BG2导通,BG1截止,这样A点为低电平,B点为高电平,电流就通过B→LED2→LED5→LED4→A流动。此时,LED2、LED5、LED4均发光。当IC③脚输出高电位时,BG1导通,BG2截止,A点为高电位,B点为低电位。此时电流经A→LEDI→LED5→LED3→B流动,LED1、LED5、LED3均发光,这样整个电路就模拟完成桥式整流过程。在电路中LED5用来演示桥式整流电路输出端的正负极性。
元件选择与制作
IC选用时基电路NE555或HA17555等均可。C1和W1可根据实际情况选定,以满足不同需要。五个发光二极管可选用高亮度的,但LED5最好与其他四个LFD颜色不同。电池可用两个6V的层叠电池。整个电路可装在一块较大的三合板上,五个发光二极管均装在板的正面,并在对应位置上描好桥式整流的电路。值得注意的是,C1的取值应使发光二极管在轮流导通与轮流截止时,具有明显的分辨率,调节Wl,能改变振荡频率,即等效改变交流电的频率。若在A、B两点接上一只电压表,在静态时,使指针指在中间刻线位置。这样,随BGI和BG2的轮流导通,指针能左右摆动,就能更直观地演示出“交流电流的方向是不断改变的。”
倍压整流电路图(八)
倍压整流电路多用于电流小而电压较高场合,如电蚊拍、空气负离子发生器及ST-9电子示波器等等。二倍压整流电路的计算方法,与三倍压及多倍压整流电路有所不同,有必要对三倍压及多倍压整流电路作进一步分析。
三倍压整流电路如图1,工作原理如下:在u2的第一个半周时,u2的极性是上正下负(即a端为正,b端为负),D1在正向电压作用下导通,此时电容C1充电后的电压约等于u2的最大值“根2*U2”(u2为变压器次级绕组感应的交流电压,U2为次级交流电压有效值)。

在第二个半周,u2的极性反过来(a端为负、b端为正),D1截止、D2导通,电压U2加LC1上的“根2*U2”向电容C2充电,C2充电后的电压约为“2*根2*U2”。
在第三个半周时,U2的极性又是a端为正,b端为负,D1又导通,已充电到“2*根2*U2”的C2上的电压加到e、d两点使D2截止,但D3导通,于是电容C3就被充电到与C2一样高的电压“2*根2*U2”。若负载接在a、b两端,就可获得三倍压(“3*根2*U2)的直流输出电压。图1中,每只二极管承受的最大反向电压为”2*根2*U2“,电容C1、C2和C3承受的电压分别为2U2、“2*根2*U2”和“2*根2*U2”。
根据相同的道理,可以组成n(多)倍压整流电路(如图2)。当n为奇数时,输出电压从下端的相应两点(B、C)取出;当n为偶数时,输出电压从上端相应两点(A、D)取出。输出直流电压的平均值,空载时为“n*根2*U2”,负载时为nx1.2U2。电容C1上的电压为“根2*U2”,其余电容上的电压均为“2*根2*U2”,每个整流元件承受的反向电压都是“2*根2*U2”。
这种电路能提高直流电压的输出幅度,但是带负载的能力却很差,因此只能用于小电流电路。
下面以电蚊拍为例,介绍四倍压整流电路的应用(如图3)。电蚊拍的手柄上装有两节五号干电池,这3V直流电压经振荡管VT、升压变压器T和电阻R组成的高频振荡电路后,在T的次级得到约300V的交流电压。然后由C1~C4和D1~D4组成的四倍压整流电路,使输出端得到的电压约为:空载时“n×根2×2”=4×1.41×300=1692V;负载时n×1.2×U2=4×1.2×300=1440V;此直流高压加到金属丝电网上,蚊虫一旦碰触,将被高压电击而死。
倍压整流电路图(九)
三倍压整流电路

在二倍压整流电路的基础上,再加一个整流二极管D3和-个滤波电容器C3,就可以组成三倍压整流电路,三倍压整流电路的工作原理是:在e2的第一个半周和第二个半周与二倍压整流电路相同,即C1上的电压被充电到接近√2E2,C2上的电压被充电到接近2√2E2。当第三个半周时,D1、D3导通,D2截止,电流除经D1给C1充电外,又经D3给C3充电,C3上的充电电压Uc3=e2峰值+Uc2一Uc1≈2√2E2这样,在RFZ,上就可以输出直流电压Usc=Uc1i+Uc3≈3√2E2,实现三倍压整流。在实际电路中,负载上的电压Ufz≈3x1.4E2整流二极管D3所承受的最高反向电压也是电容器上的直流电压为3√2E2。
照这样办法,增加多个二极管和相同数量的电容器,既可以组成多倍压整流电路,见图三倍压整流电路。当n为奇数时,输出电压从上端取出:当n为偶数时,输出电压从下端取出。
必须说明,倍压整流电路只能在负载较轻(即Rfz较大。输出电流较小)的情况下工作,否则输出电压会降低。倍压越高的整流电路,这种因负载电流增大影响输出电压下降的情况越明显。
用于倍压整流电路的二极管,其最高反向电压应大于。可用高压硅整流堆,其系列型号为2DL。如2DL2/0.2,表示最高反向电压为2千伏,整流电流平均值为200毫安。倍压整流电路使用的电容器容量比较小,不用电解电容器。电容器的耐压值要大于1.5x,在使用上才安全可靠。
倍压整流灭鼠电路原理
图252为电子灭鼠电路图。220V市电经自耦变压器B升压至300V左右,经二极管整流后给电容器C充电。电容器两端电压可达V2*300V。老鼠吃食饵时,扳动杠杆,接通开关K,电容器通过鼠体迅速放电,将老鼠电死。

变压器B是利用废旧交流接触器的铁心和线包(原设计电压为380V),一般这种线包为8500匝左右,再在外层用40.07-0.09mm漆包线绕3000匝左右。R;是限流电阻,电容器C为10~-30pF/450V。D,.D2可用反向电压大于450V、电流大于100mA的任何整流二极管。用一段中一2mm的铜丝(铁丝也可)作杠杆,头穿上食饵(可用熟肉或其它食物)。中间放在支点P上,另一头用一个小弹簧拉着,平时使铜丝保持水平状态。在食佴下边放一块金属板,并用导线与电容器C的负极相连。金属板与食饵之间的距离约当老鼠咬住食饵向下拖时,铜丝杠杆另一端拉伸小弹10cno簧向上翘,当它与接在电容器C正极上的金属片接触时,电容器被老鼠短路。迅速放电,杀死老鼠,电容器随之失去短路导体,小弹簧将铜丝拉回水平位置,电路恢复原状。

电容器C的充电电压也可用220V市电经倍压整流后取得,见图253。要注意的是,电源插头必须按图上要求连接,否则有触电危险。

版权声明:本文内容由互联网用户自发贡献,该文观点仅代表作者本人。本站仅提供信息存储空间服务,不拥有所有权,不承担相关法律责任。如发现本站有涉嫌侵权/违法违规的内容,请联系我们,一经查实,本站将立刻删除。
如需转载请保留出处:https://51itzy.com/kjqy/125384.html